Download page C8842: Safety cut-out via alarm and external control.
C8842: Safety cut-out via alarm and external control
Special execution (Appendix A): Safety cut-out via alarm and external control
Description
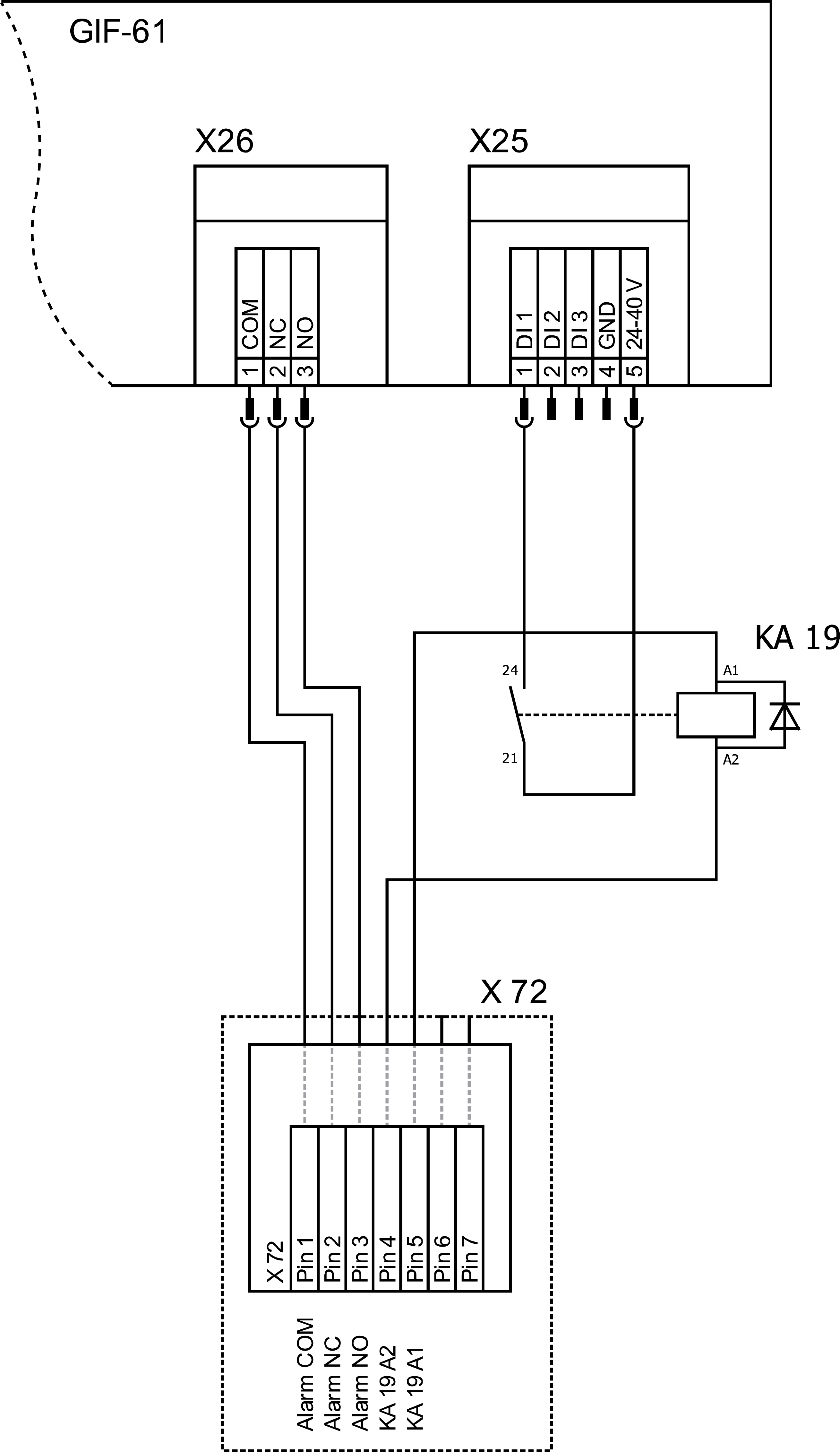
In this version, The unit is equipped with an additional relay (KA 19), which can be safety cut-out the unit safely. For operation, the relay (KA 19) must be supplied with an external 24 VDC voltage. If the external 24 VDC voltage is interrupted, the relay (KA 19) shuts off and switches off the unit via a potential-free contact.
Modification parameter setting
For this version, the followingsetting are required in the main menu under [Setting] > [Miscellaneous]:
Parameter [Safety off via ext. Contact] → Switch on the function with the slider ().
Set the [Mould Evacuation Temperature] parameter to “90°C.”
NOTE!
Act the parameter [Safety off via ext. Contact] is switched on, the remaining functions of external control (switching set temperature 1 or 2) are deactivated via the potential-free contact.
Electrical circuit diagram modification (excerpt)
Modification item location
Legend modification
Abbreviation
Designation
Execution
KA 19
Safety cut-out relay
Datenschutz - Data protection - Protection de données
Wir setzen Cookies ein, um Ihnen die Nutzung unserer Webseite zu erleichtern. Weitere Informationen zu Cookies finden Sie in unserer Datenschutzerklärung. We use cookies to help you use our website. More information about cookies can be found in our privacy policy. Notre site utilise des cookies afin de vous garantir un service optimal. En utilisant ce site web, vous acceptez les présentes conditions. Vous trouverez privacy policy de plus amples informations. Privacy Policy