Legenda → clique aqui...

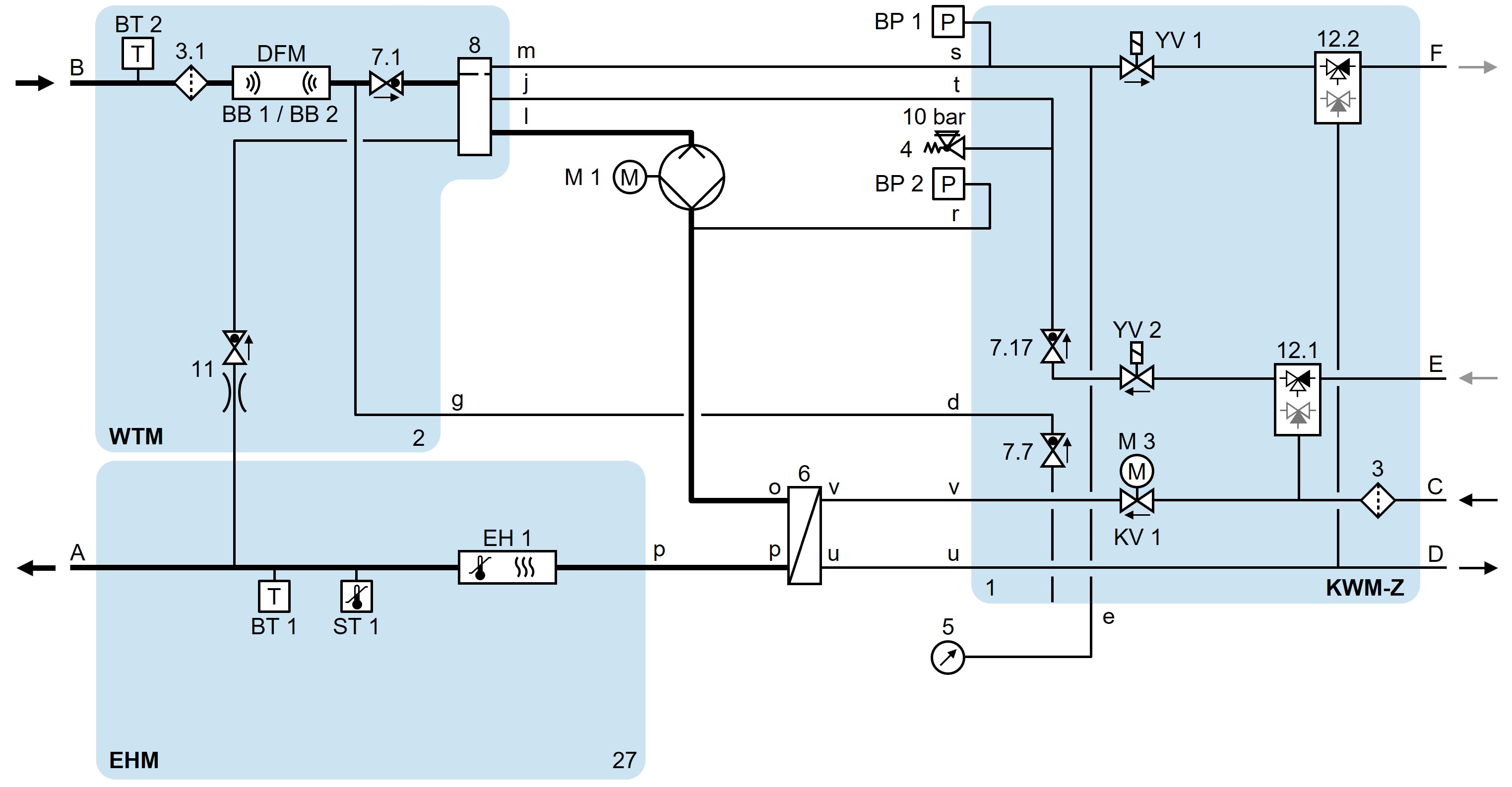
HB-100Z61/62-8/16-4T-A2

Animação

HB-100Z61/62-8/16-4T-A2-ZL

Animação

HB-100Z61/62-8/16-4T-A2-ZF

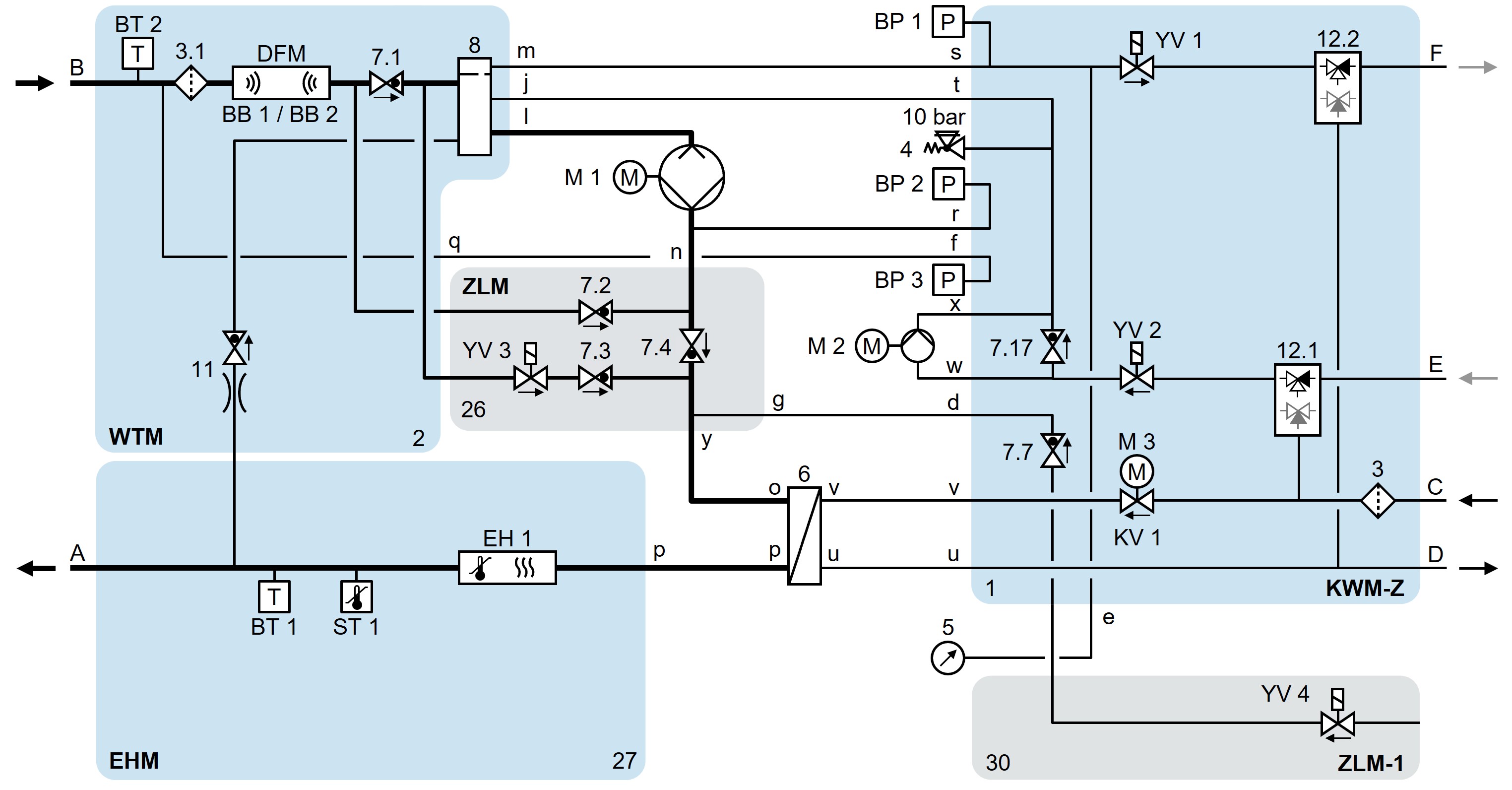
HB-100Z61/62-8/16-4T-A2-ZG

Animação

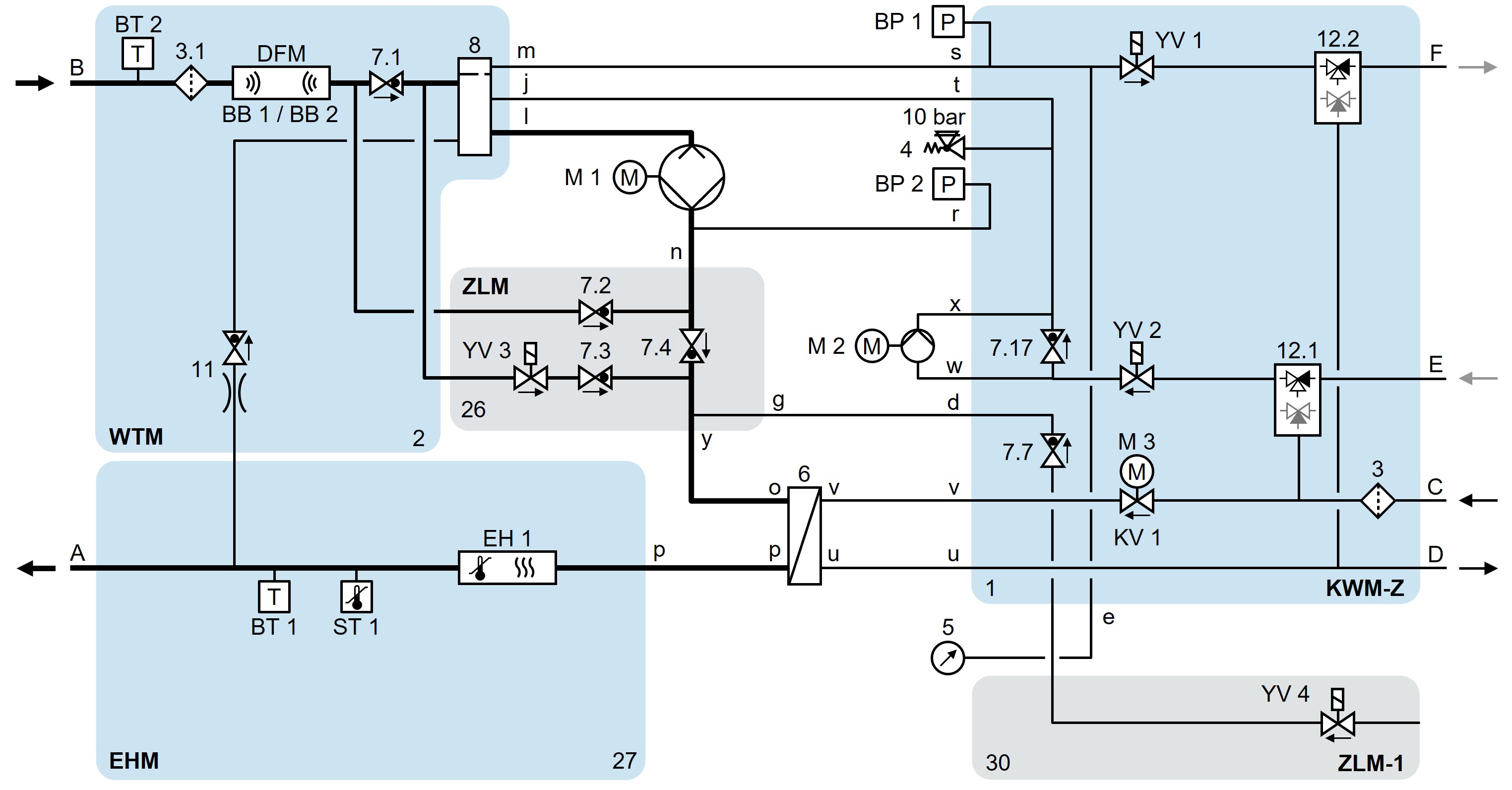
HB-100Z61/62-8/16-4T-A2-ZL-ZF

HB-100Z61/62-8/16-4T-A2-ZL-ZF-ZG