Θρύλος → κάντε κλικ εδώ...

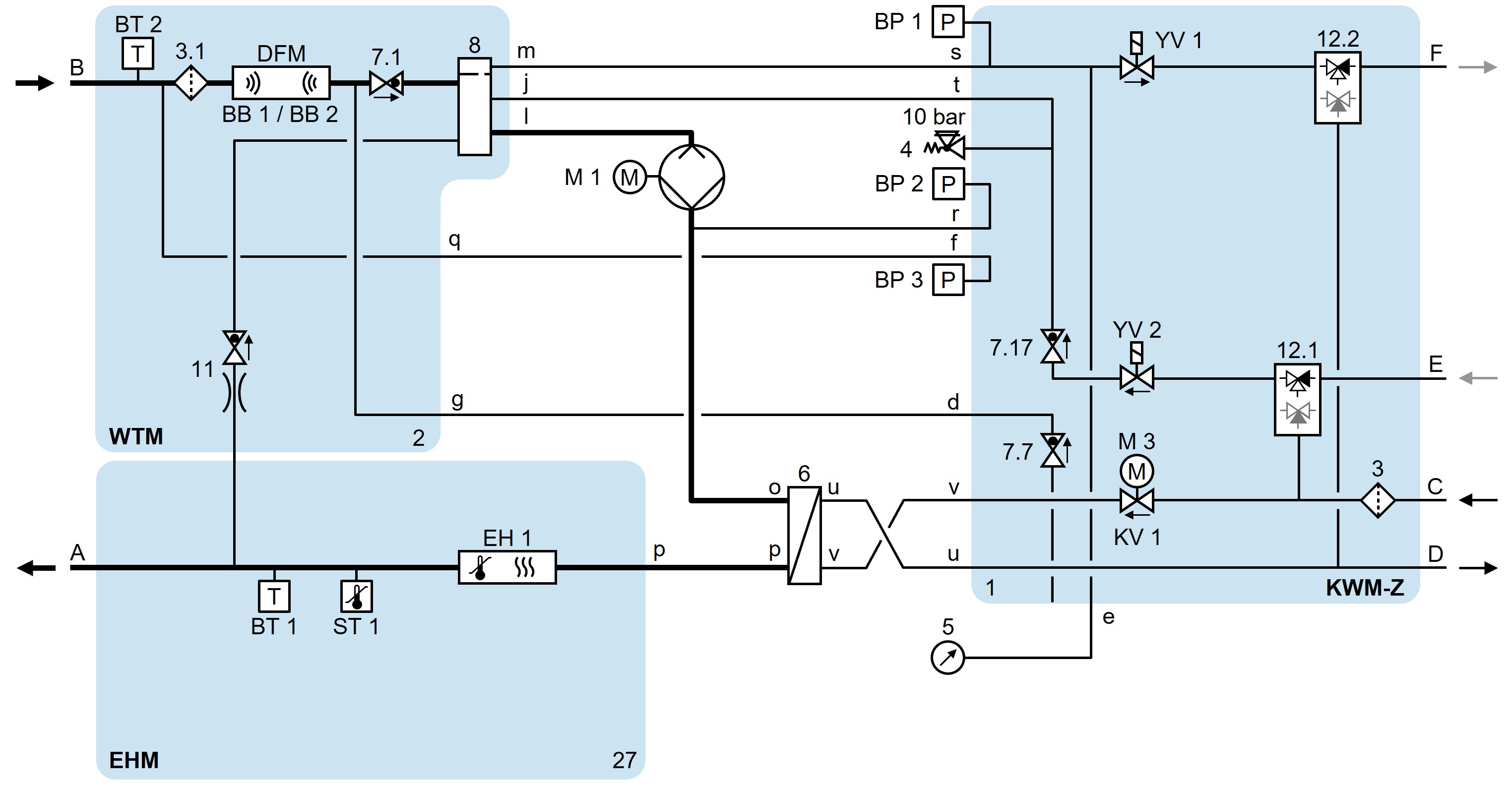
ΗΒ-100Ζ62-16-4Τ-Β2

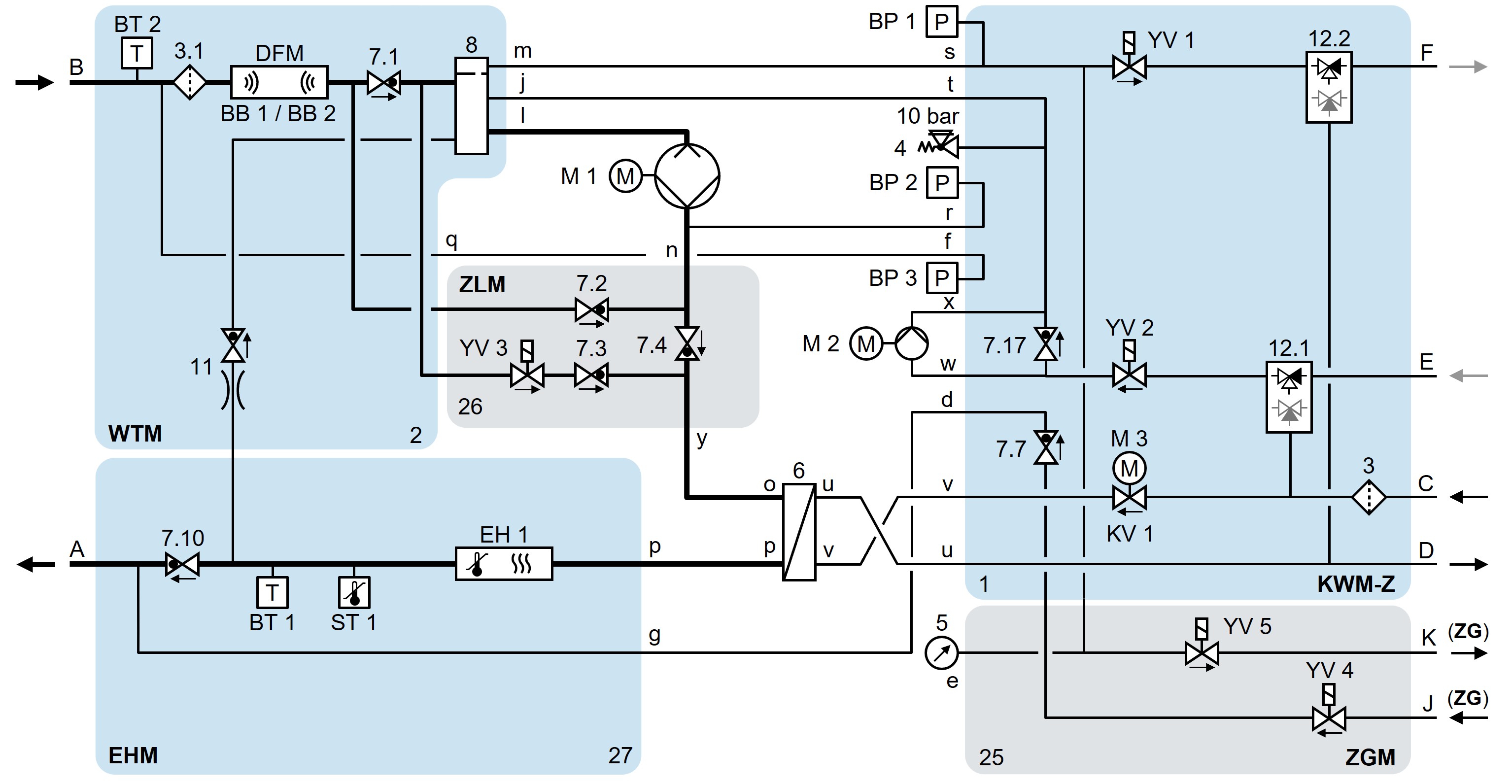
ΗΒ-100Ζ62-16-4Τ-Β2-ΖΛ

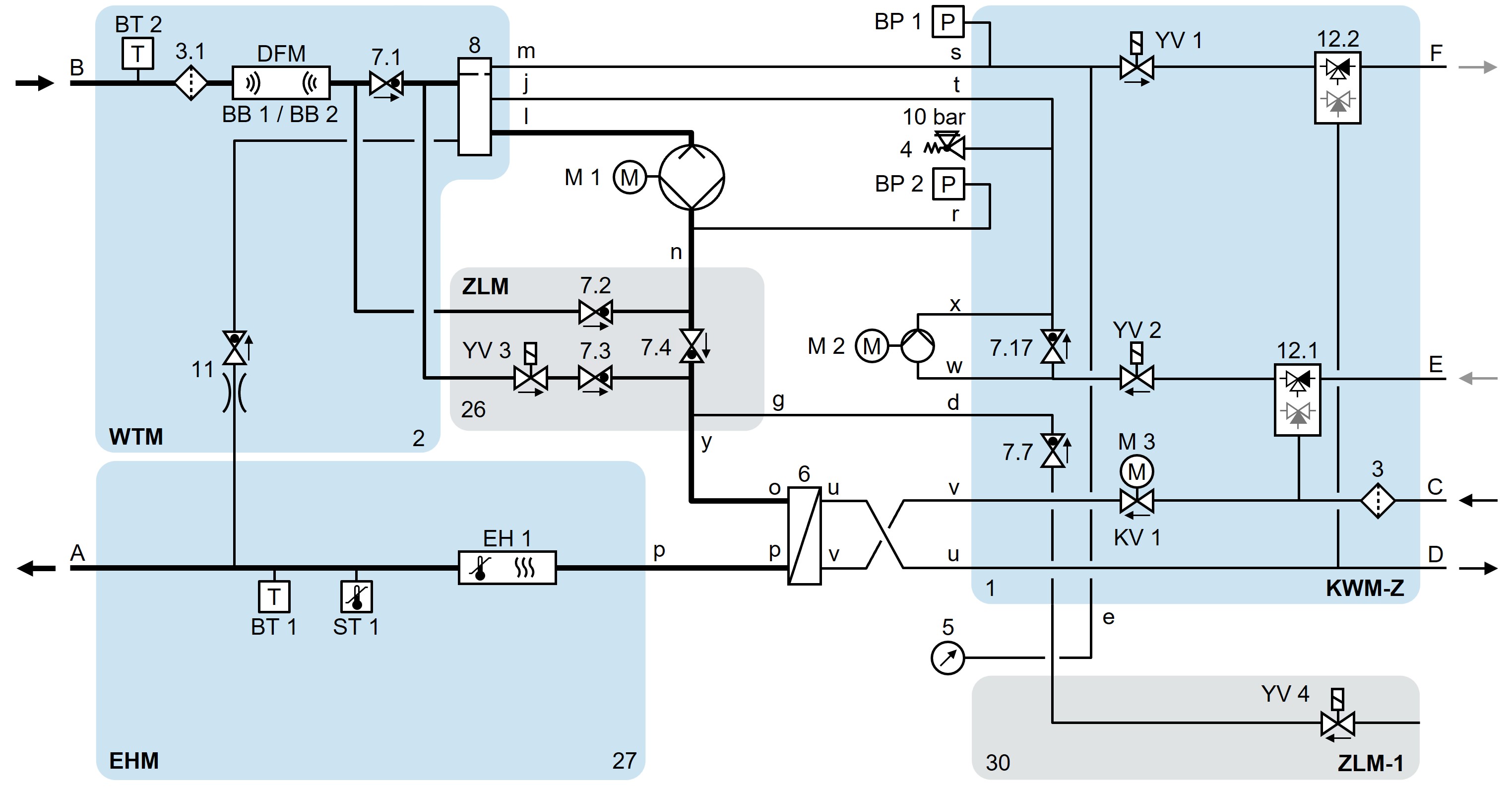
ΗΒ-100Ζ62-16-4Τ-Β2-ΖΦ

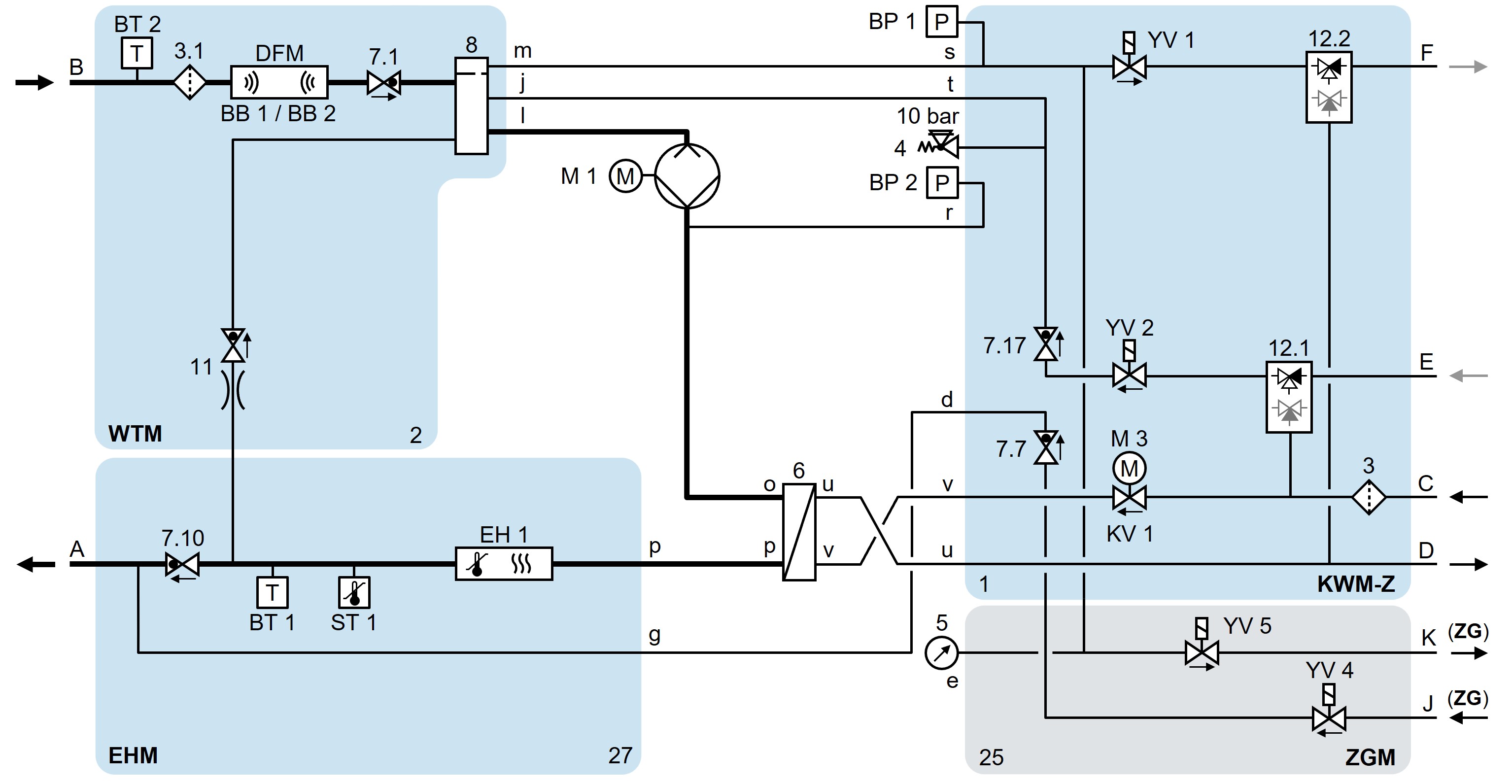
ΗΒ-100Ζ62-16-4Τ-Β2-ΖΓ

ΗΒ-100Ζ62-16-4Τ-Β2-ΖΛ-ΖΦ-ΖΓ