Versión especial (apéndice A): apagado de seguridad mediante alarma y control externo

Descripción

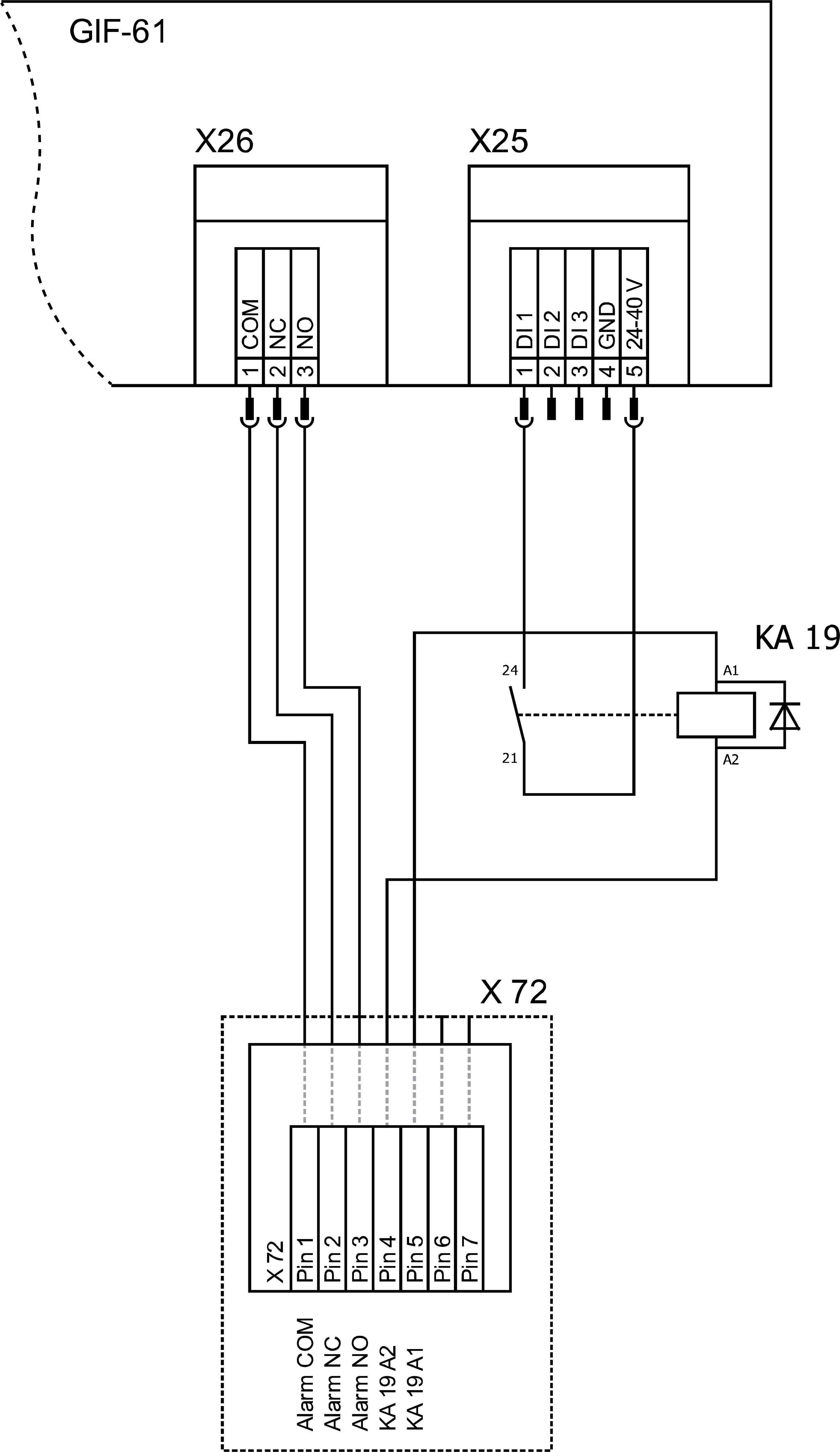
En esta versión, el equipo está equipado con un relé adicional (KA 19), que se puede utilizar para apagar el dispositivo de forma segura. Para su funcionamiento, el relé (KA 19) debe estar alimentado con una tensión externa de 24 VDC. Si se interrumpe la tensión externa de 24 VDC, el relé (KA 19) se apaga y apaga el equipo mediante un contacto libre de potencial.

ajuste de parámetros de cambio

Para esta versión, es necesario realizar los siguientes Ajustes en el menú principal, en [Ajustes] > [Varios]:

  • Parámetros [Safe OFF mediante ext. [Contacto]
    → encender la función con el control deslizante ().
  • Establezca los parámetros [Temperatura De Vaciado Del Molde] en «90 °C».

¡NOTA!

¿Son los parámetros [Seguros]. -OFF por ext. Contacto] está activado, las demás Funciones del control externo (valor objetivo de conmutación 1 o 2) se desactivan mediante el contacto libre de potencial.

Cambio del diagrama eléctrico (extracto)

Acuerdo de componentes de cambio

cambio de leyenda

abreviaturaDenominaciónejecución
KA19Relé de apagado de seguridad