Legend → kliki siia...

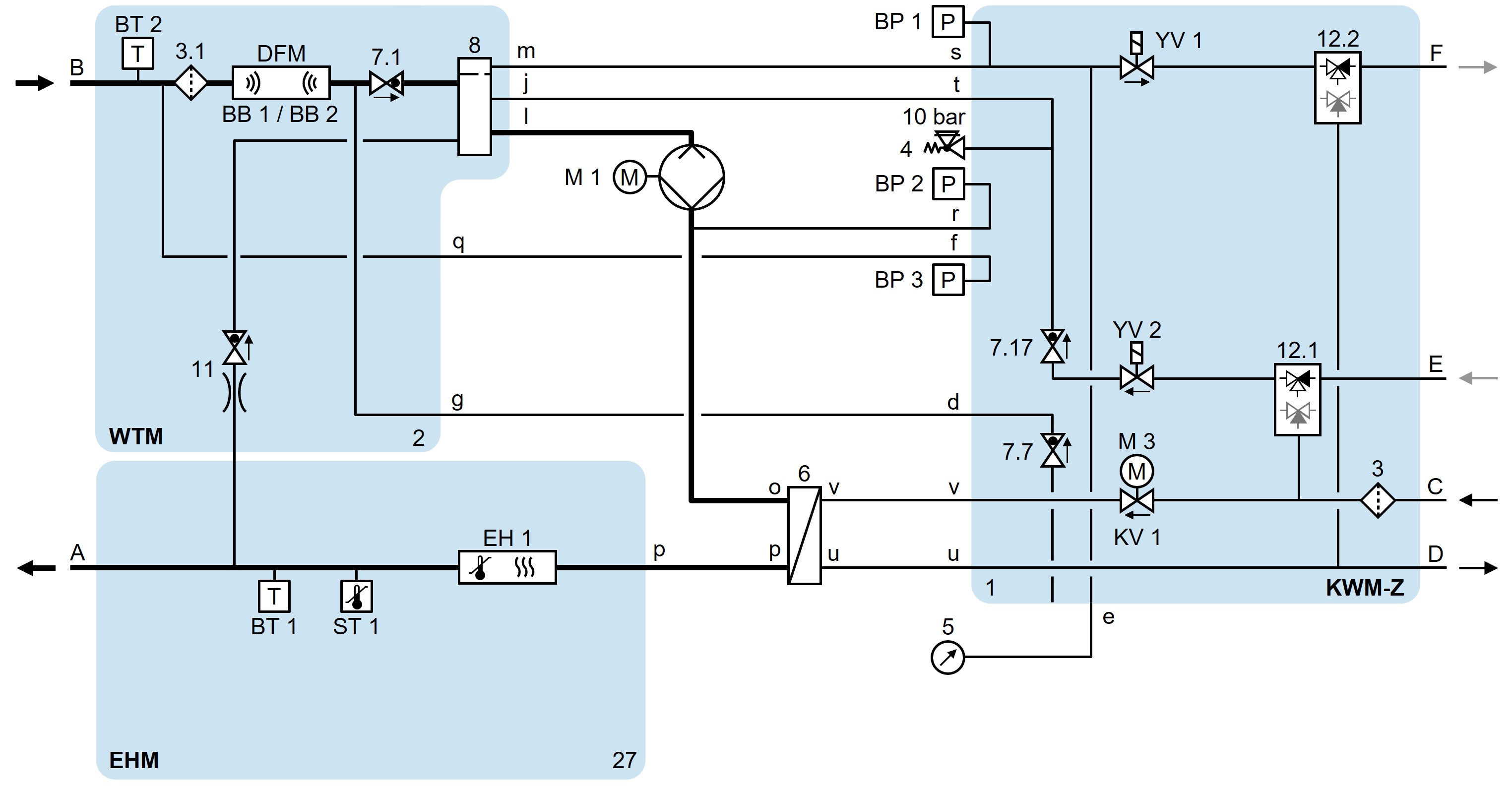
HB-100Z61/62-8/16-4T-A2

Animatsioon

HB-100Z61/62-8/16-4T-A2-ZL

Animatsioon

HB-100Z61/62-8/16-4T-A2-ZF

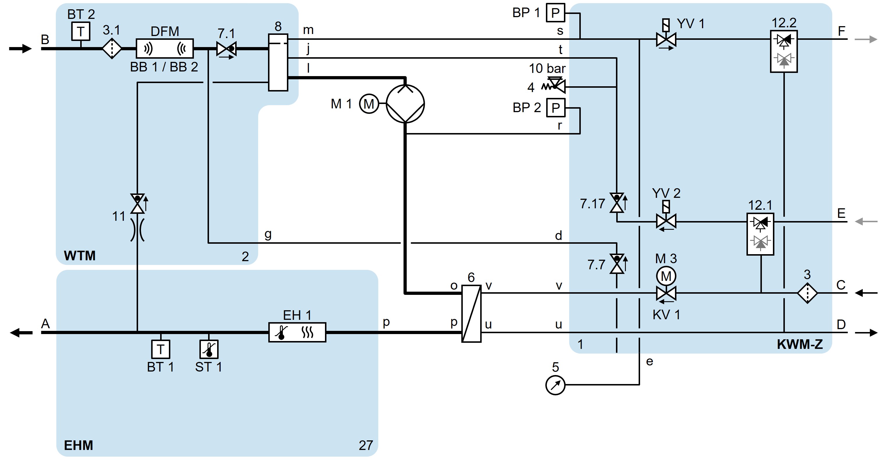
HB-100Z61/62-8/16-4T-A2-ZG

Animatsioon

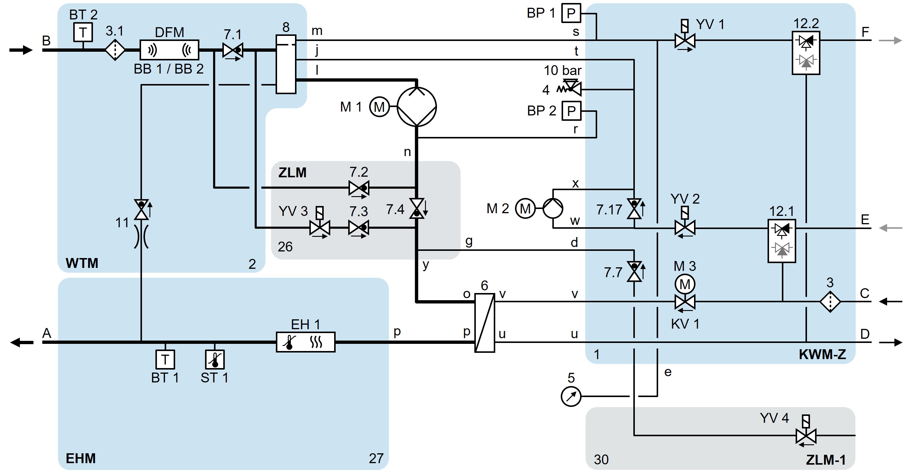
HB-100Z61/62-8/16-4T-A2-ZL-ZF

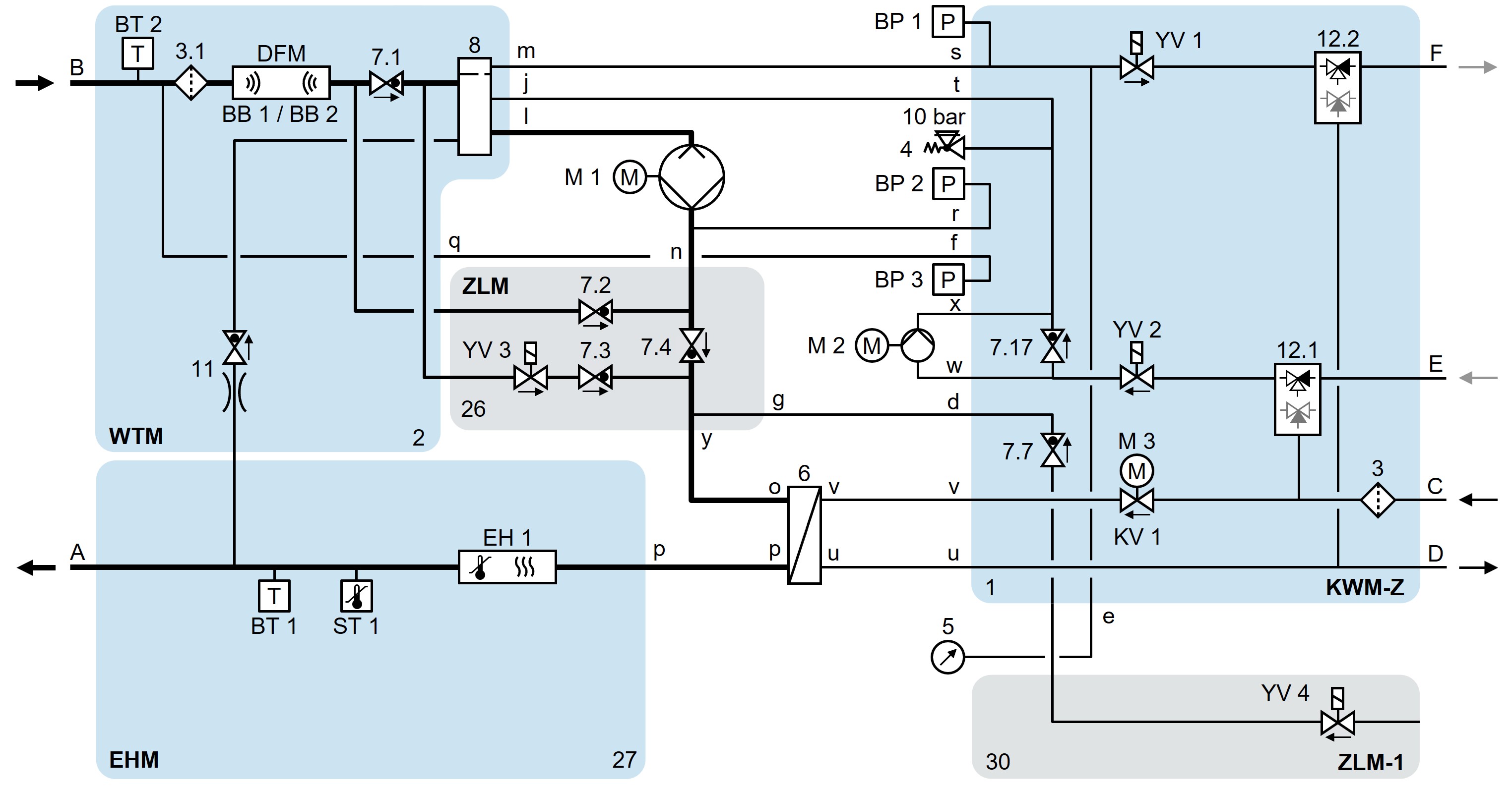
HB-100Z61/62-8/16-4T-A2-ZL-ZF-ZG