Legenda → spustelėkite čia...

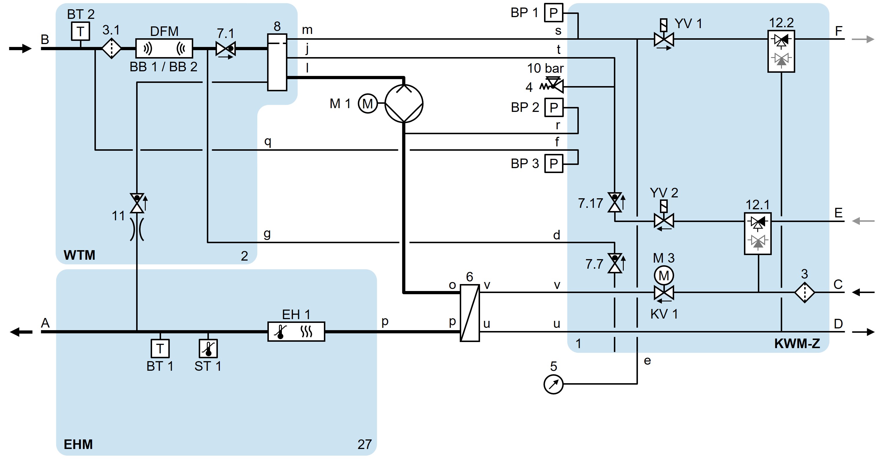
HB-100Z61/62-8/16-4T-A2

Animacija

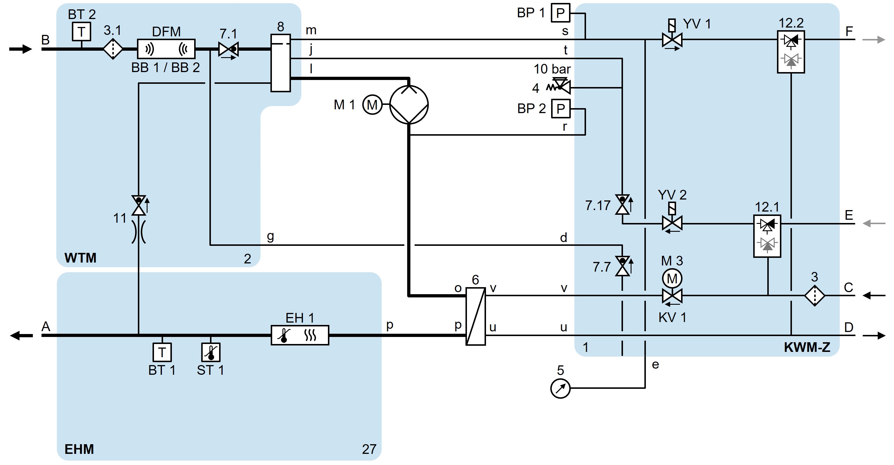
HB-100Z61/62-8/16-4T-A2-ZL

Animacija

HB-100Z61/62-8/16-4T-A2-ZF

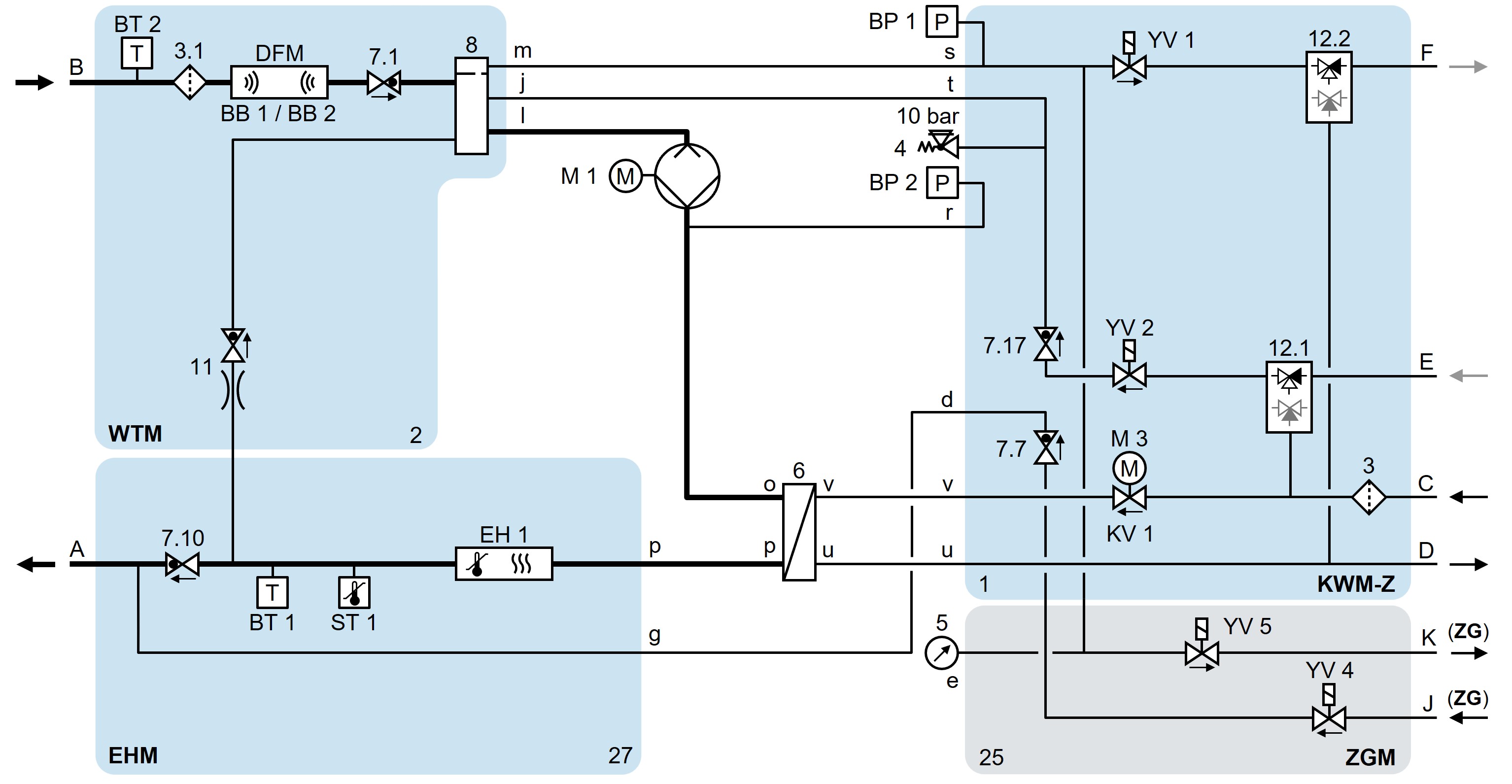
HB-100Z61/62-8/16-4T-A2-ZG

Animacija

HB-100Z61/62-8/16-4T-A2-ZL-ZF

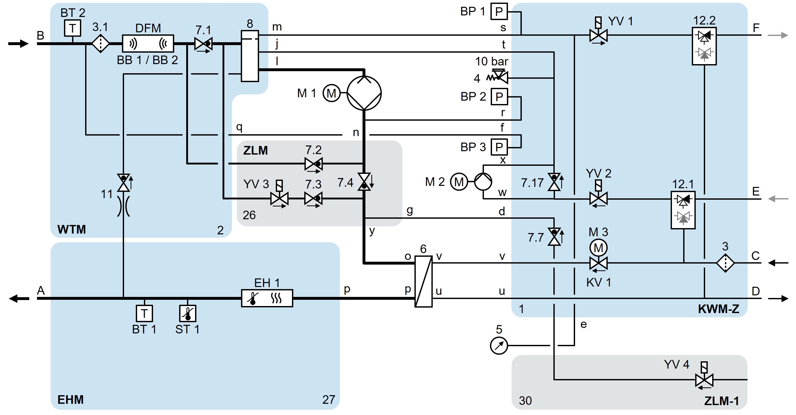
HB-100Z61/62-8/16-4T-A2-ZL-ZF-ZG