ХБ-100З61/62-8/16-4Т-А2-ЗЛ

Анимация

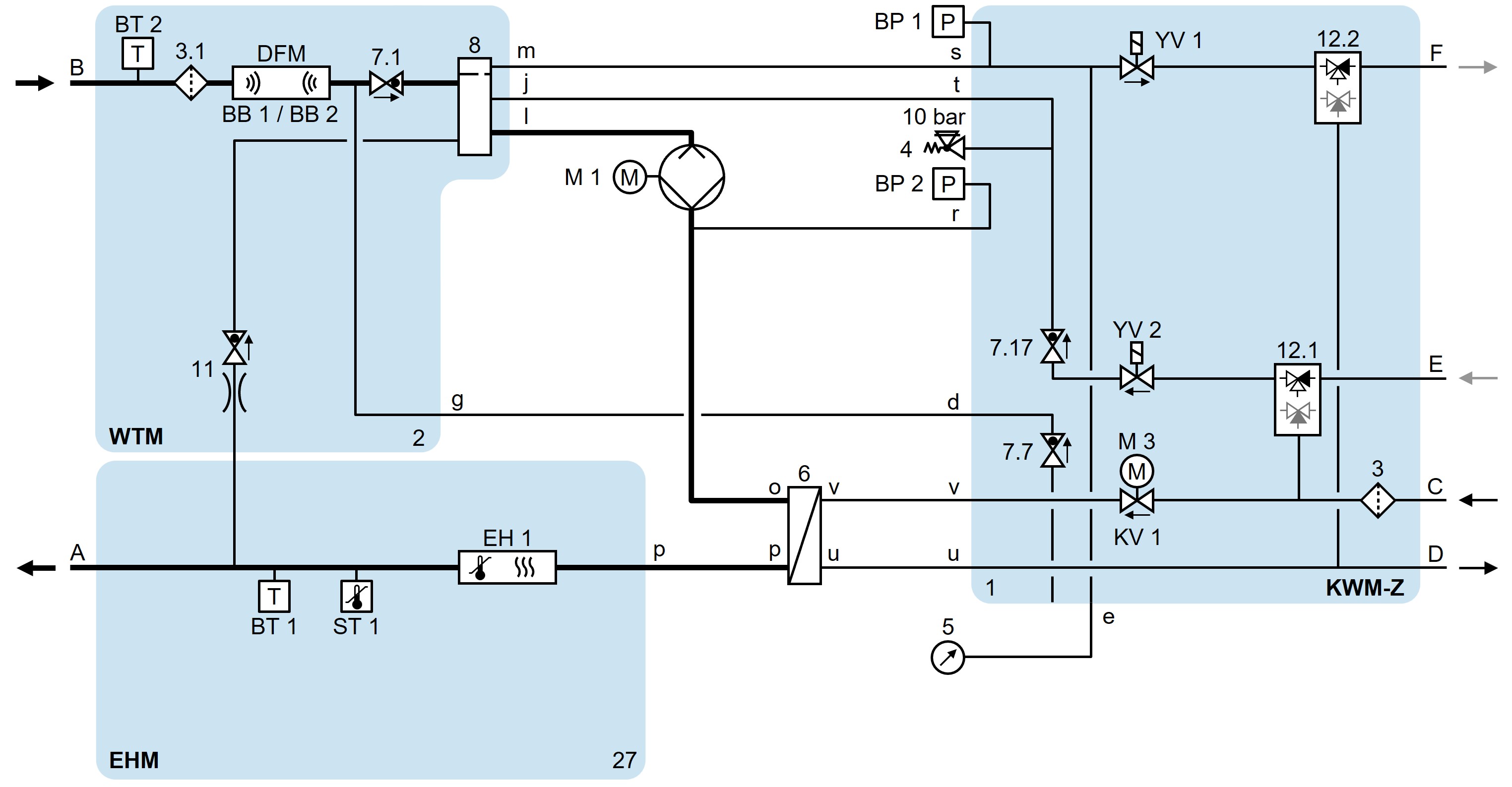
ХБ-100З61/62-8/16-4Т-А2-ЗФ

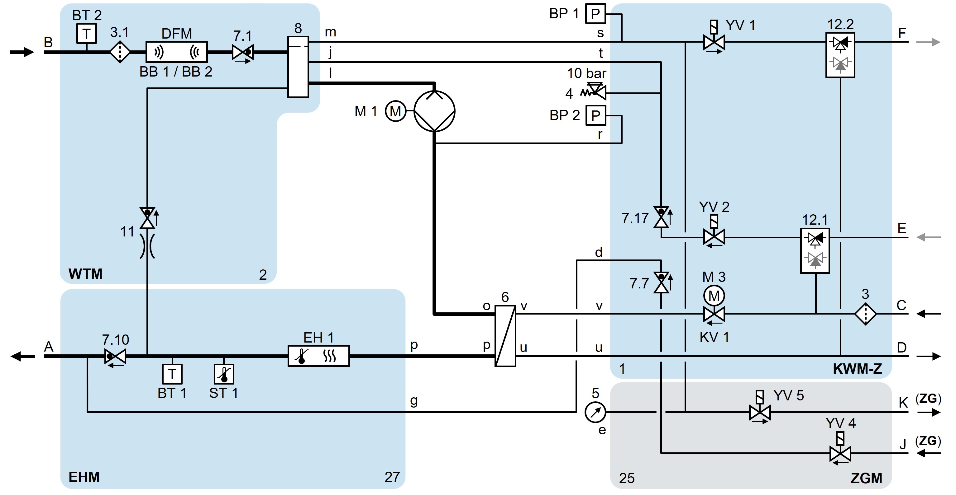
ХБ-100З61/62-8/16-4Т-А2-ЗГ

Анимация

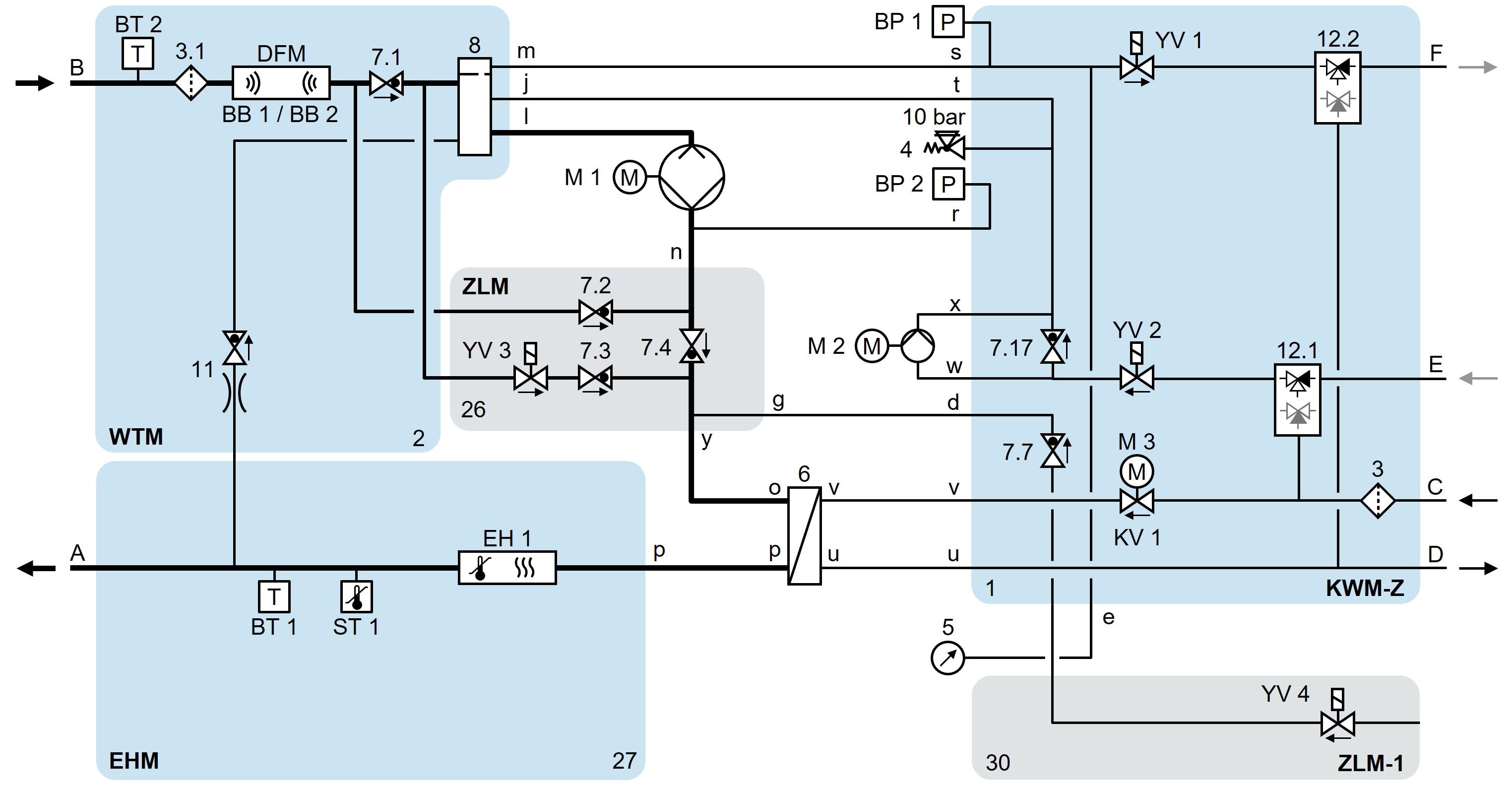
ХБ-100З61/62-8/16-4Т-А2-ЗЛ-ЗФ

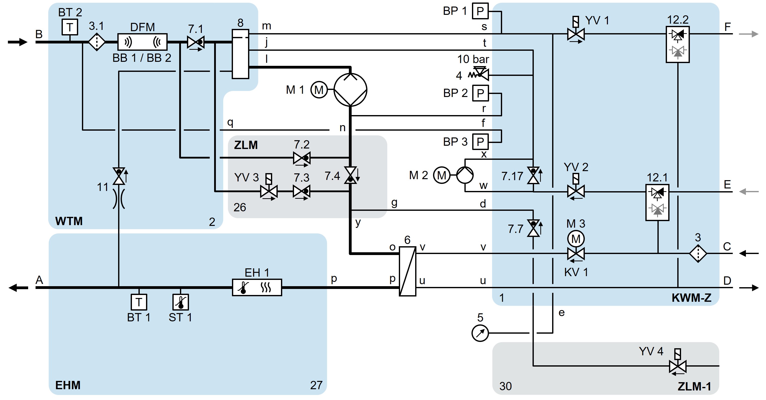
ХБ-100З61/62-8/16-4Т-А2-ЗЛ-ЗФ-ЗГ