Efsane → buraya tıklayın...

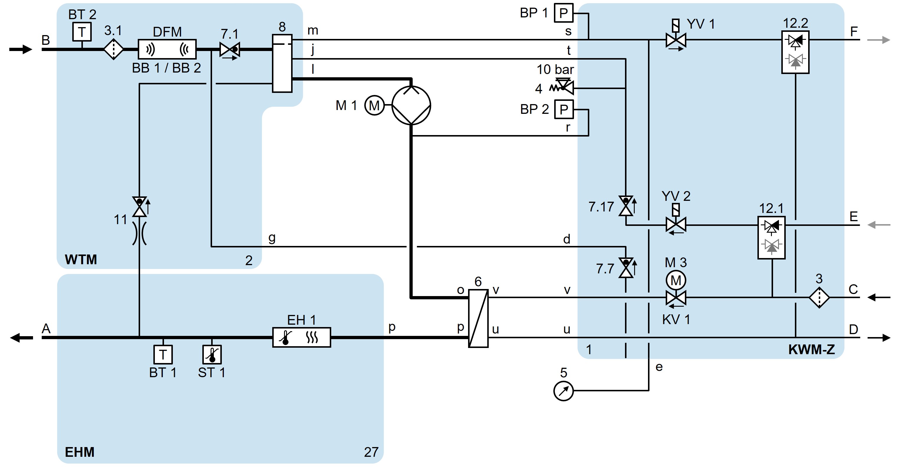
HB-100Z61/62-8/16-4T-A2

Animasyon

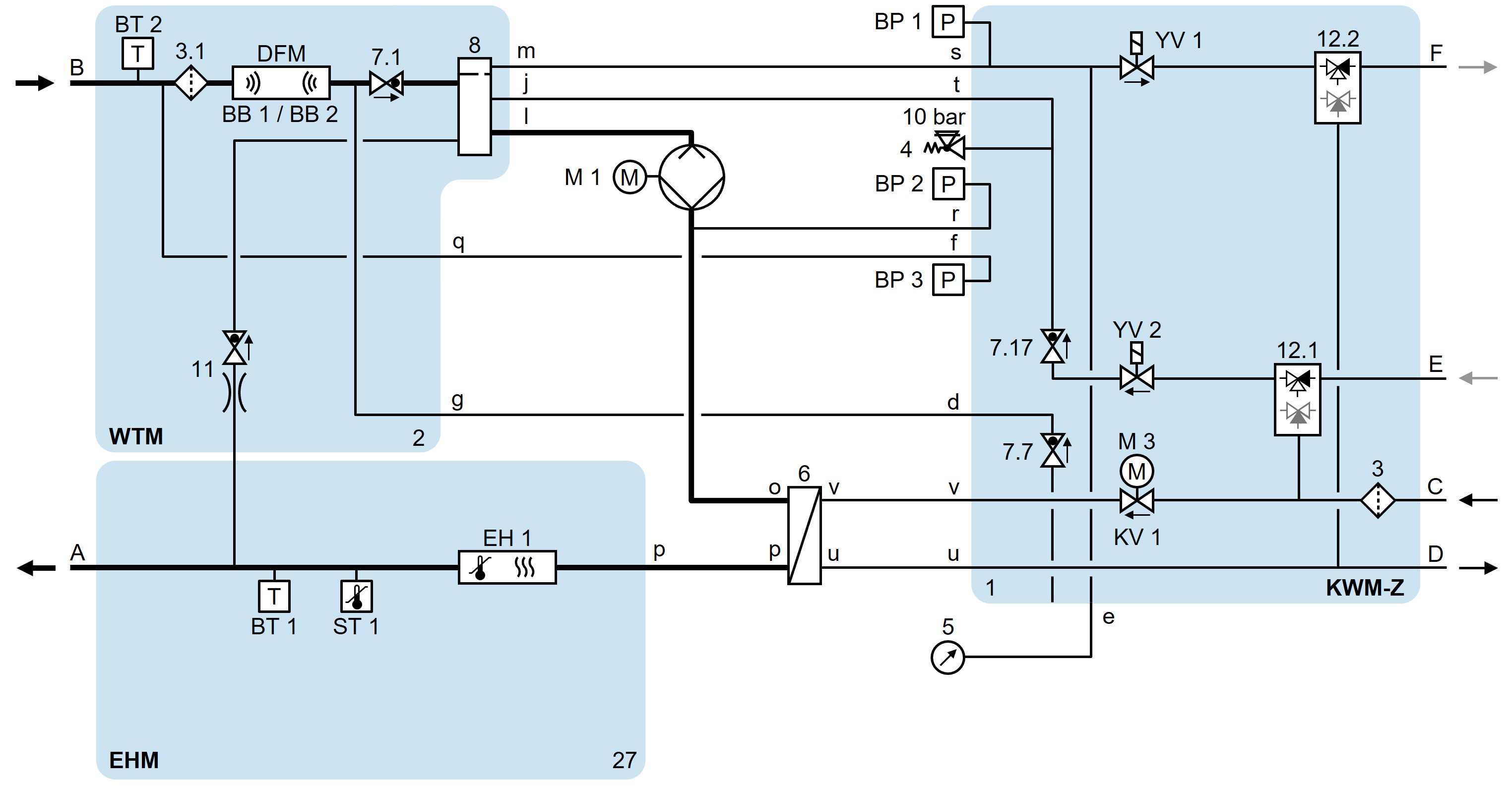
HB-100Z61/62-8/16-4T-A2-ZL

Animasyon

HB-100Z61/62-8/16-4T-A2-ZF

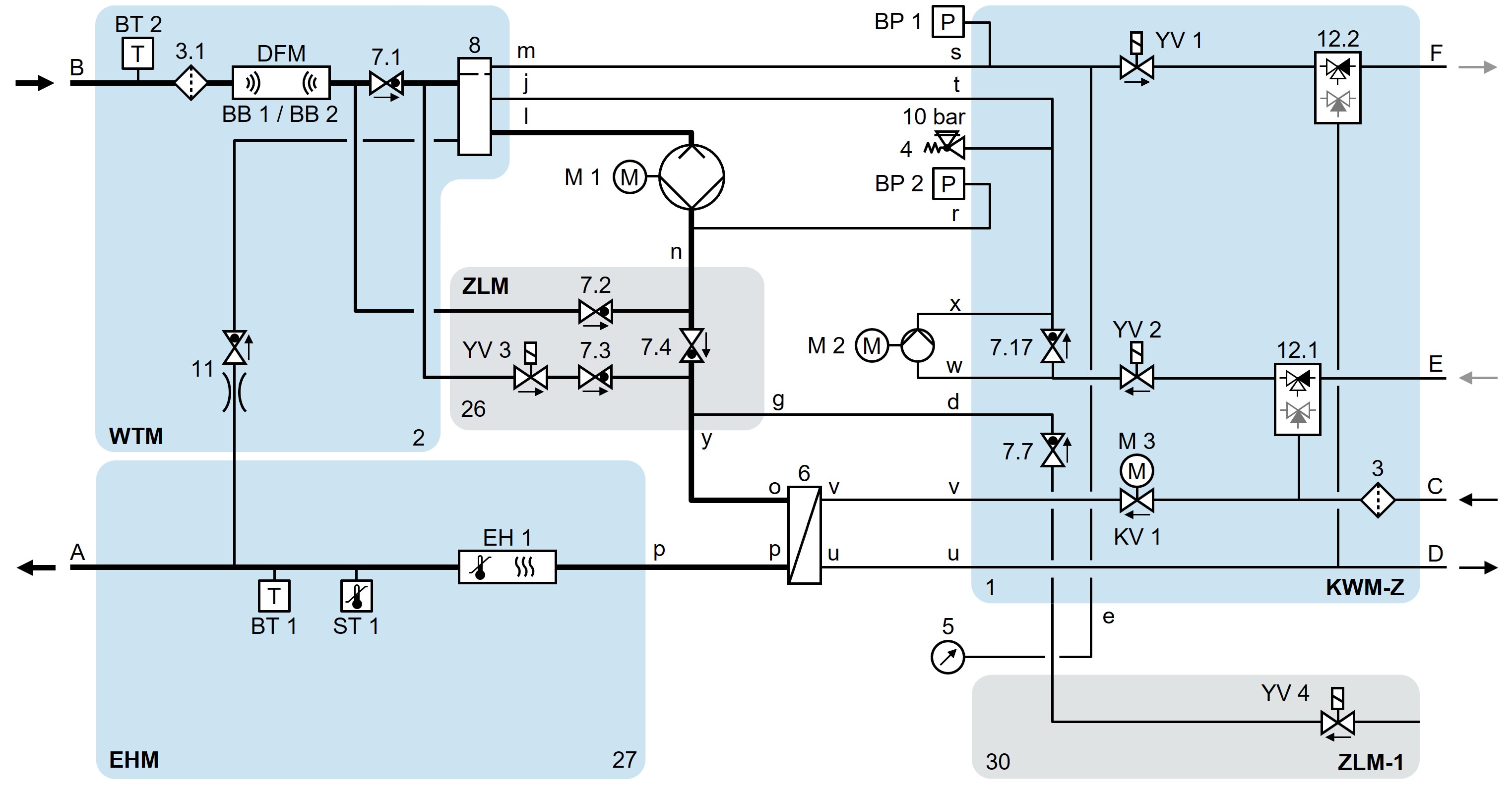
HB-100Z61/62-8/16-4T-A2-ZG

Animasyon

HB-100Z61/62-8/16-4T-A2-ZL-ZF

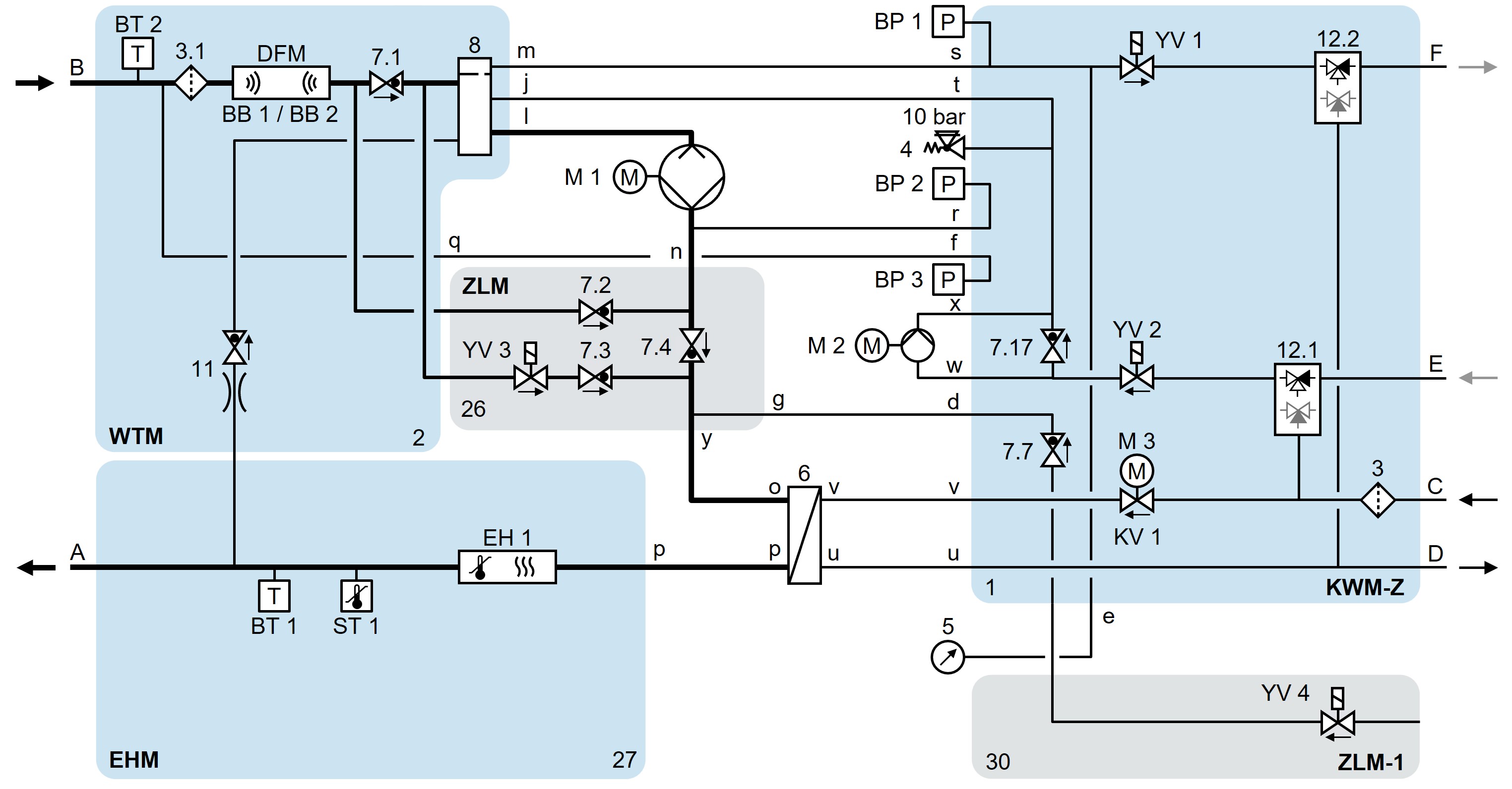
HB-100Z61/62-8/16-4T-A2-ZL-ZF-ZG