Leyenda → haga clic aquí...

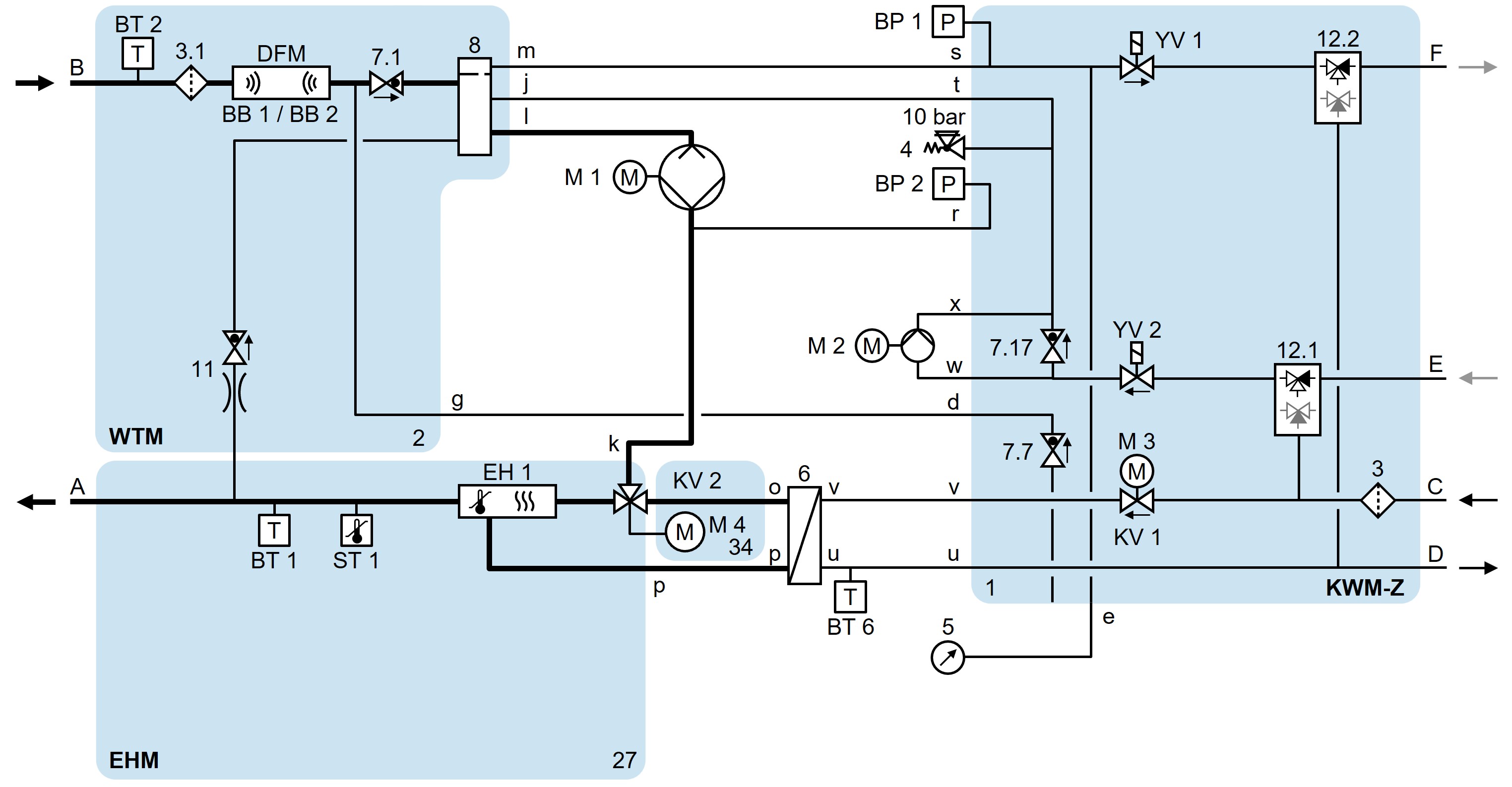
HB-140/160Z61/62-8/16-4S-A2

Animación

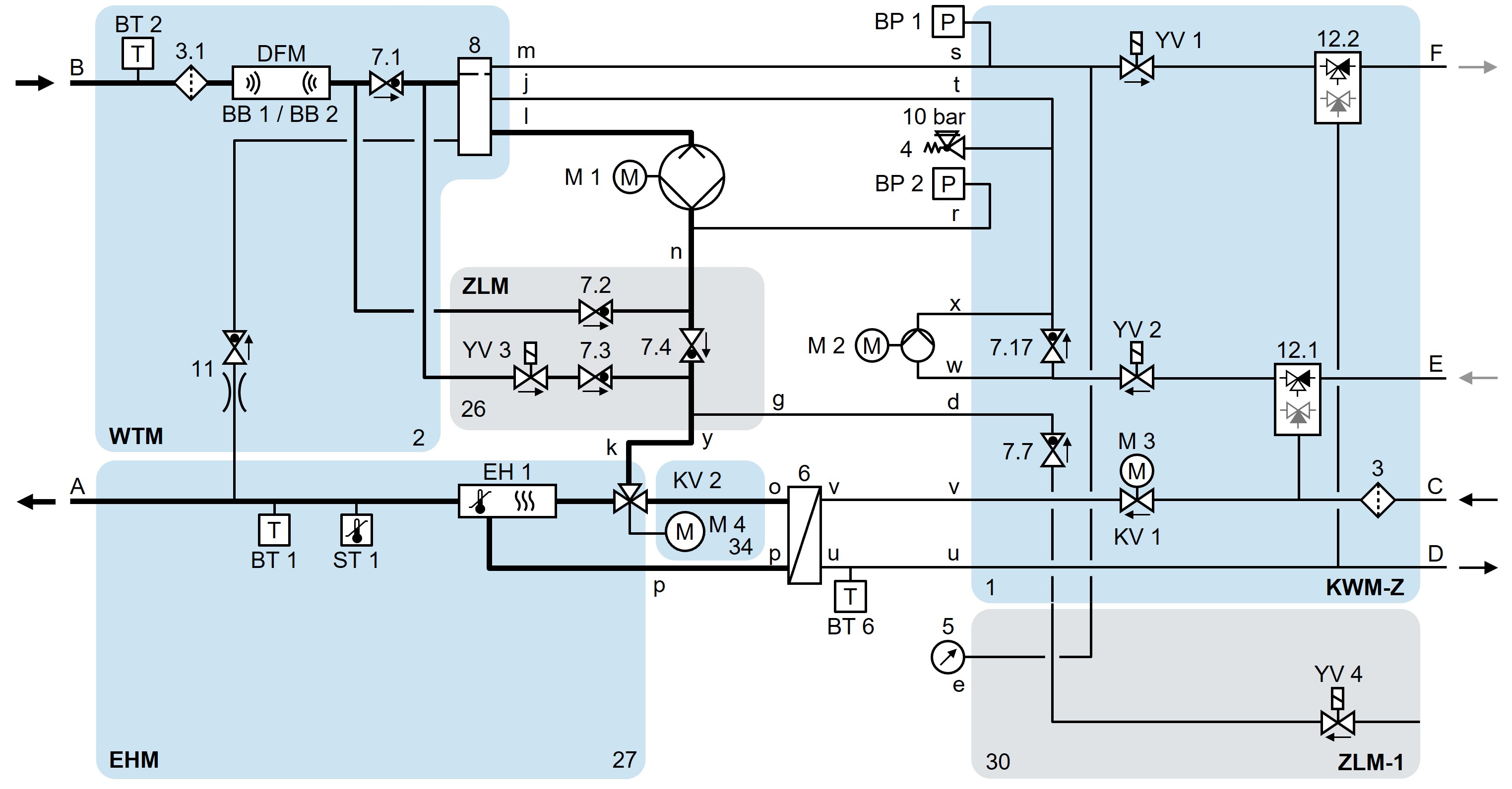
HB-140/160Z61/62-8/16-4S-A2-ZL

Animación

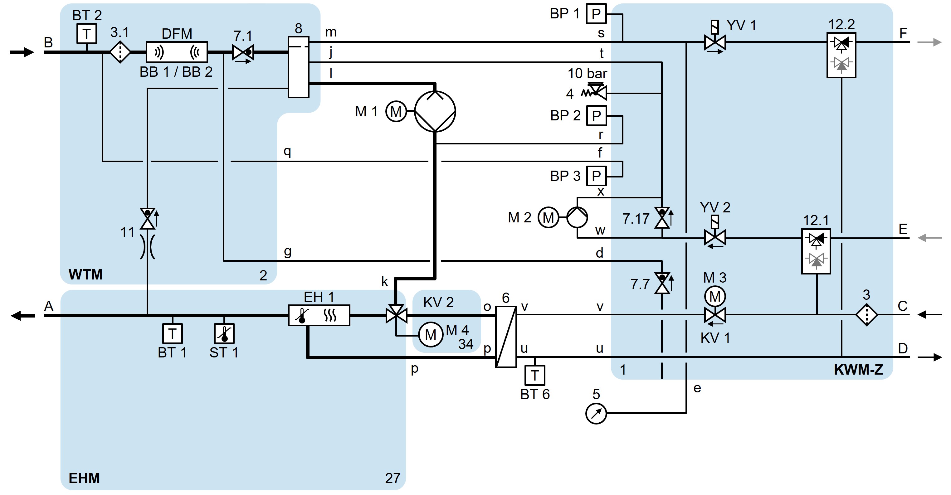
HB-140/160Z61/62-8/16-4S-A2-ZF

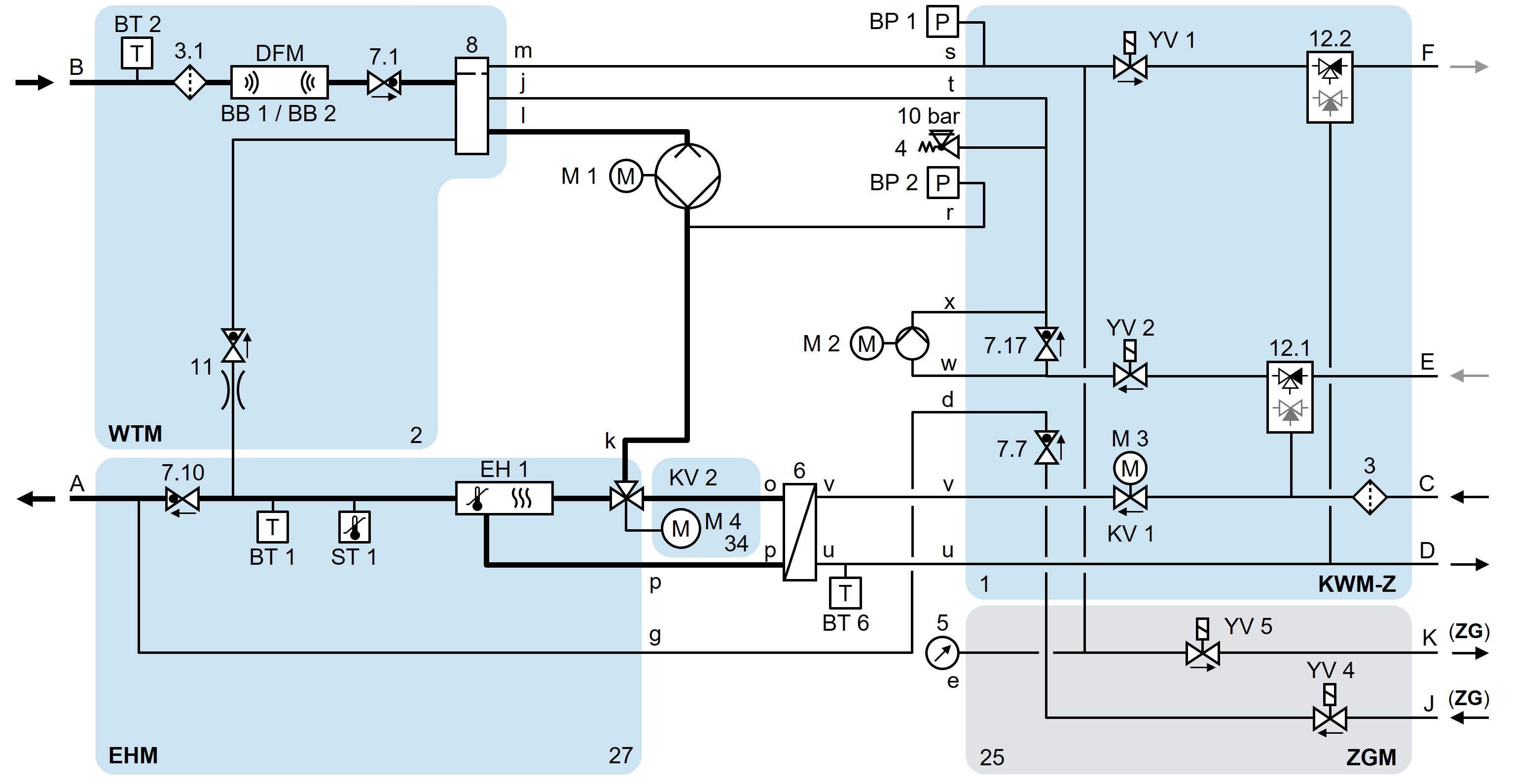
HB-140/160Z61/62-8/16-4S-A2-ZG

Animación

HB-140/160Z61/62-8/16-4S-A2-ZL-ZF-ZG