Legenda → klik hier...

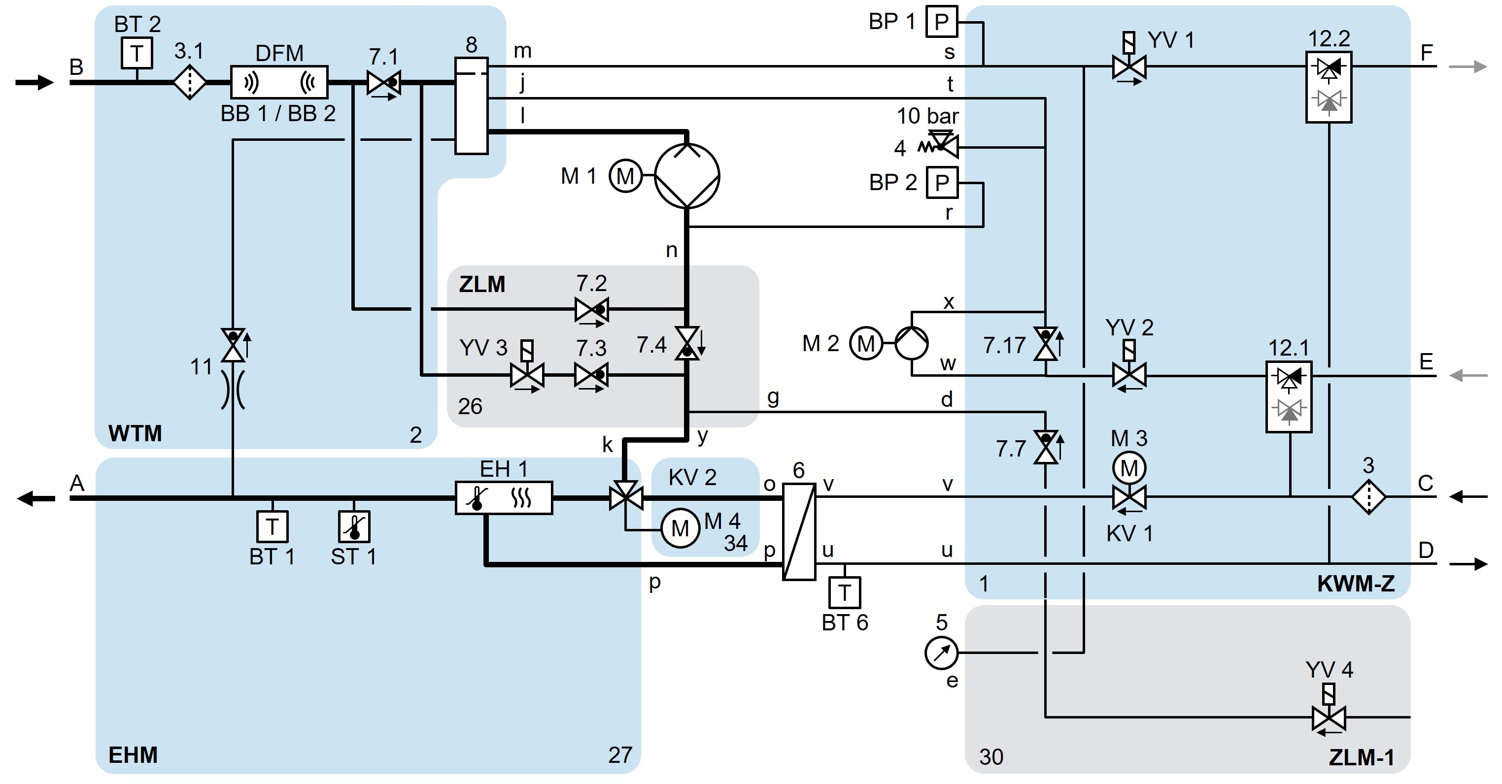
HB-140/160Z61/62-8/16-4S-A2

Animatie

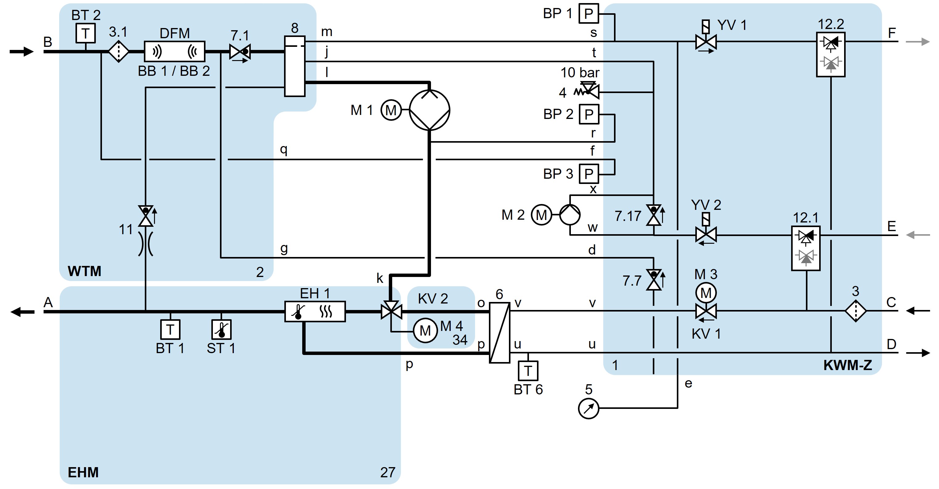
HB-140/160Z61/62-8/16-4S-A2-ZL

Animatie

HB-140/160Z61/62-8/16-4S-A2-ZF

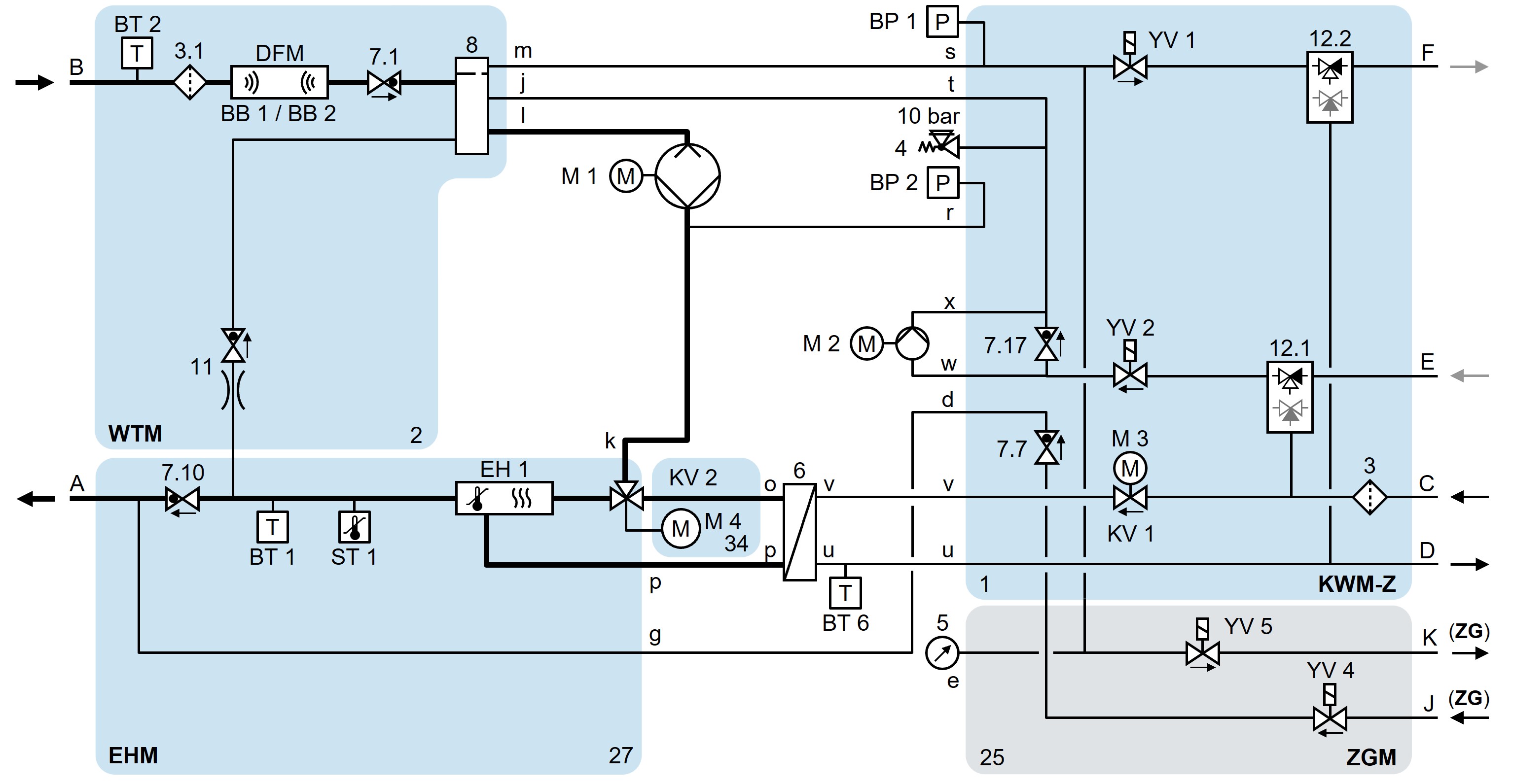
HB-140/160Z61/62-8/16-4S-A2-ZG

Animatie

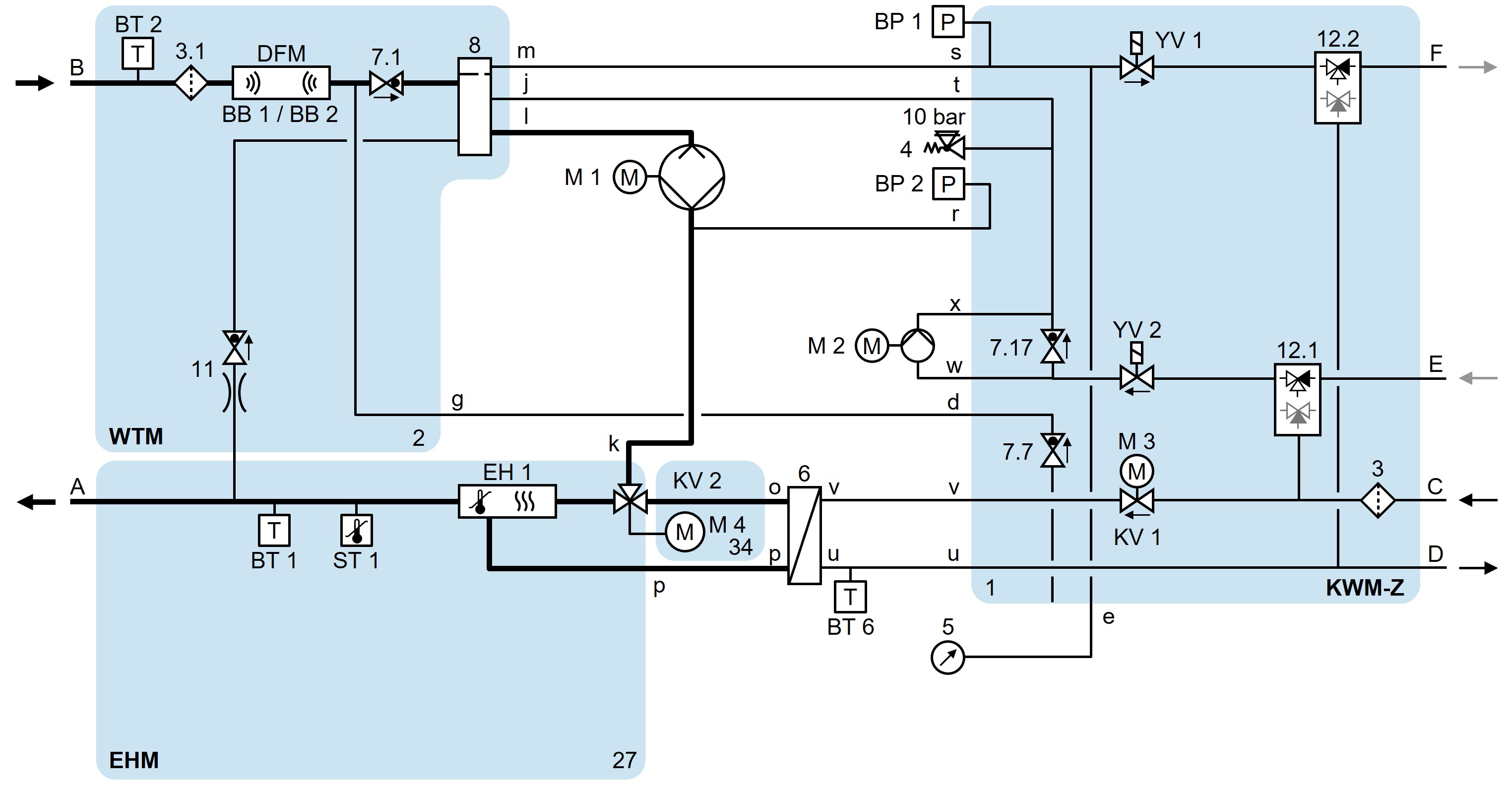
HB-140/160Z61/62-8/16-4S-A2-ZL-ZF-ZG