Υπόμνημα κάντε κλικ εδώ...

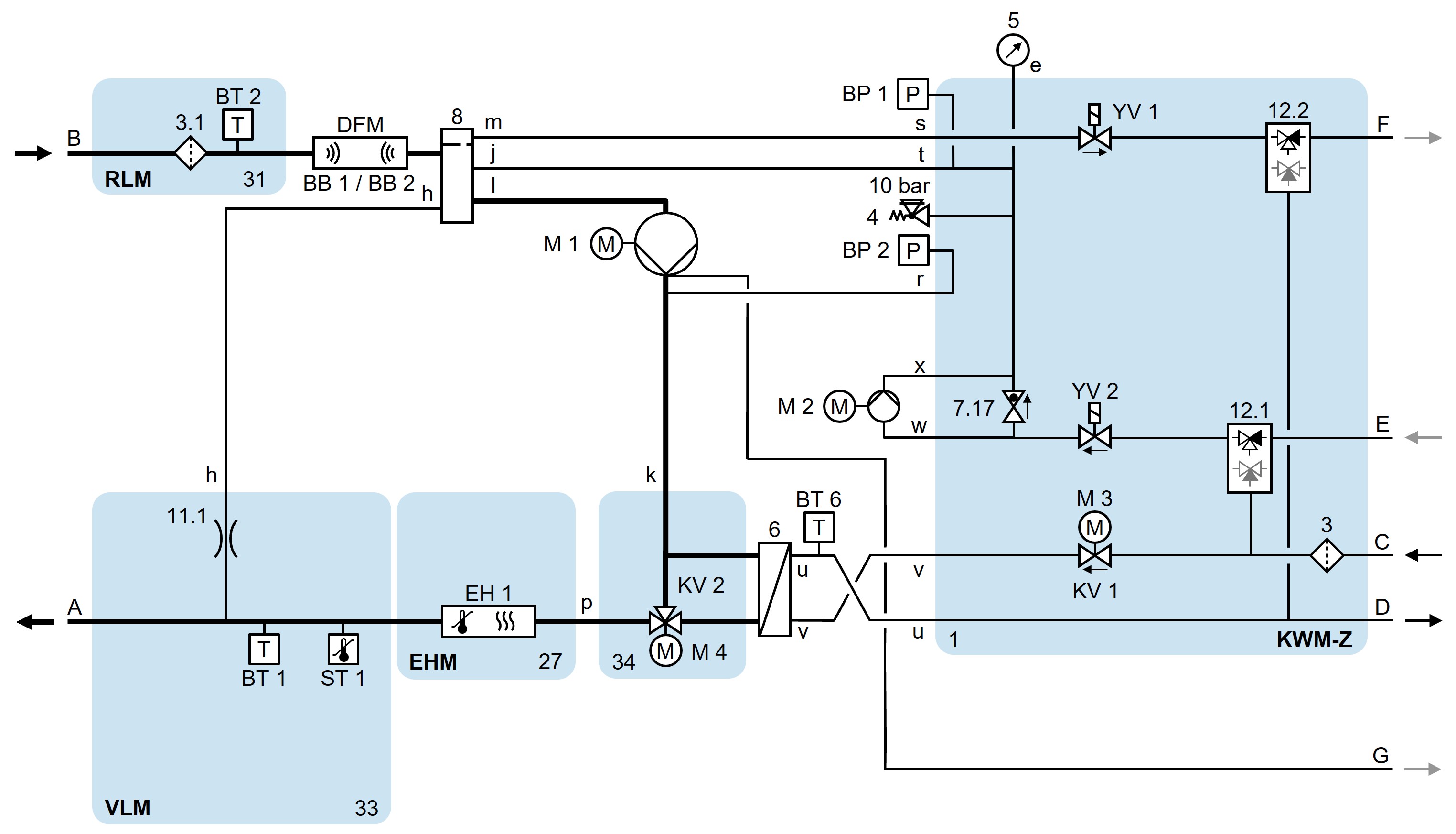
ΗΒ-140/160Ζ62-16-6Ρ-Β2

ΗΒ-140/160Ζ62-16-6Ρ-Β2-ΖΦ

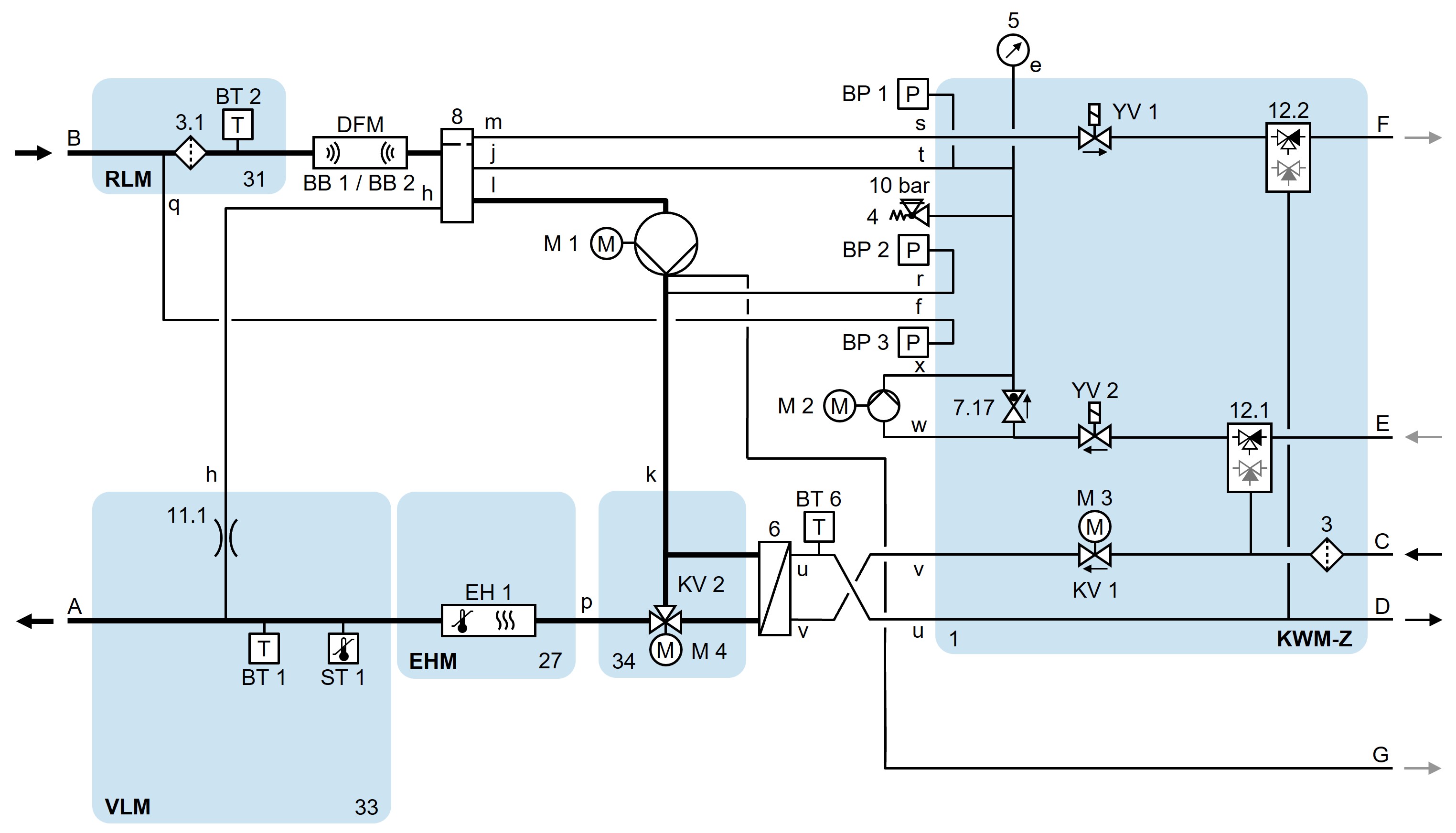
ΗΒ-140/160Ζ62-16-6Ρ-Ε2

ΗΒ-140/160Ζ62-16-6Ρ-Ε2-ΖΦ

ΗΒ-140/160Ζ62-16-6Ρ-Β2/Ε2-ΖΦ-ΖΝ

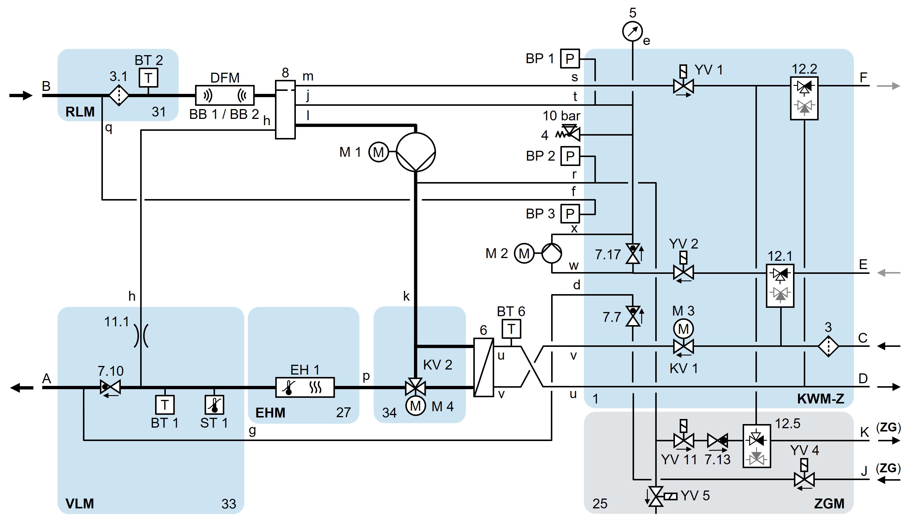
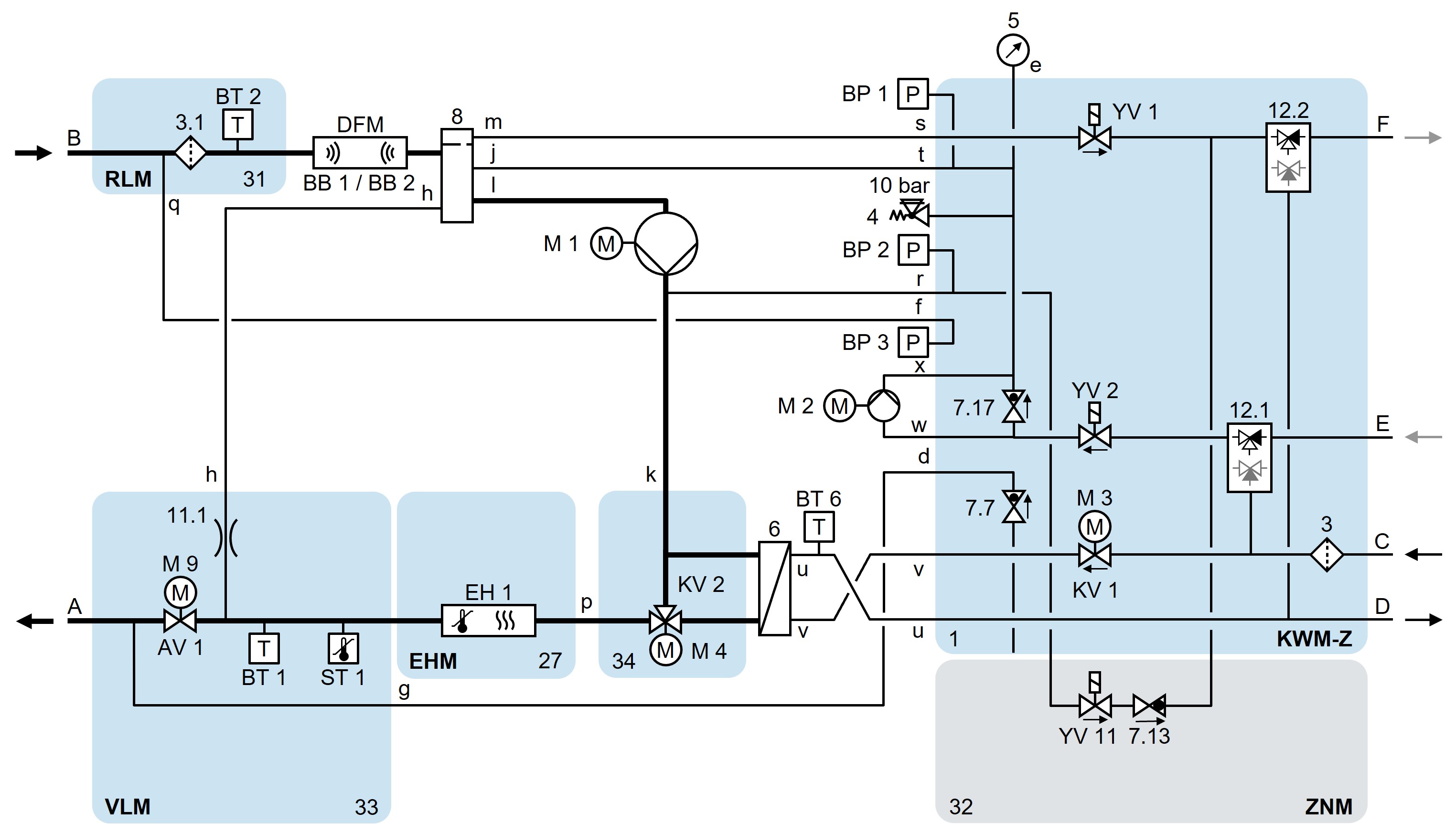
ΗΒ-140/160Ζ62-16-6Ρ-Β2/Ε2-ΖΦ-ΖΓ