Légende → cliquez ici...

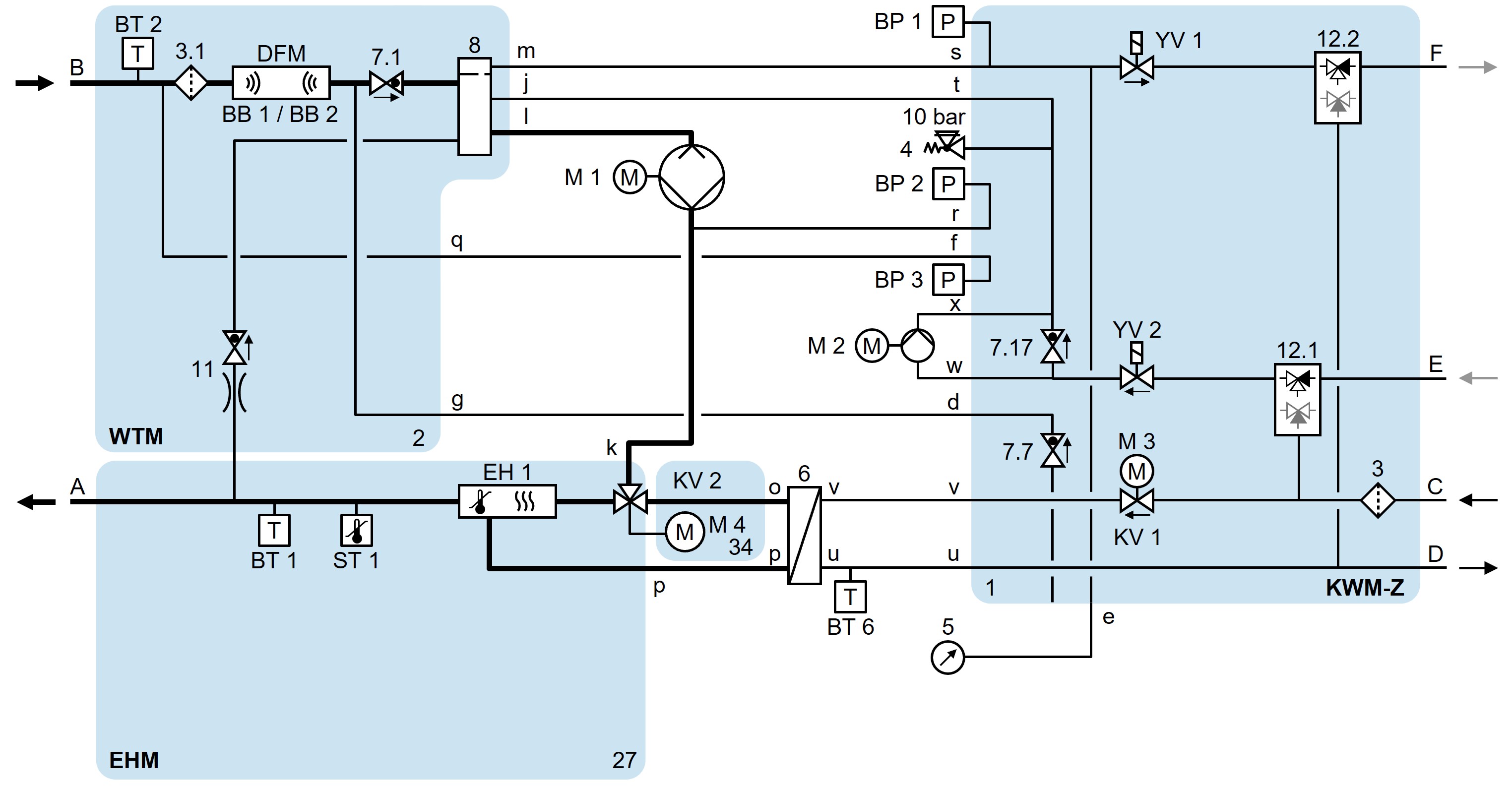
HB-140/160Z61/62-8/16-4S-A2

Animation

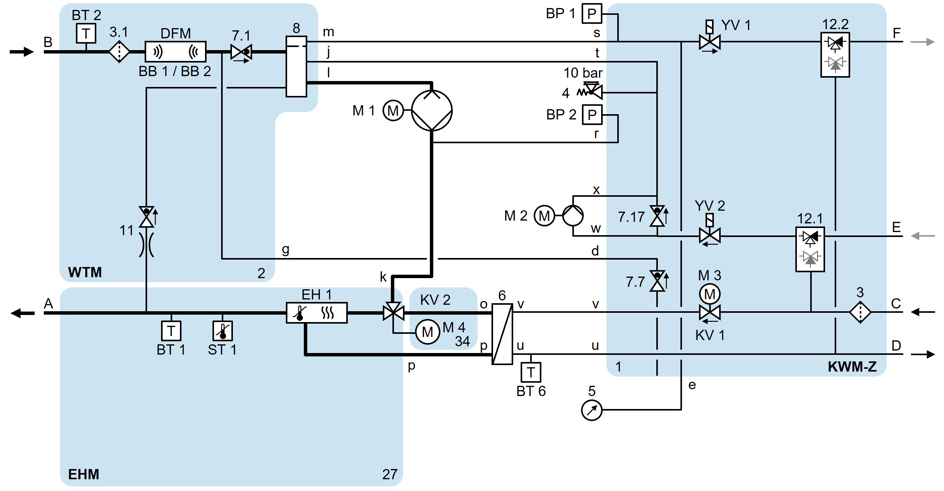
HB-140/160Z61/62-8/16-4S-A2-ZL

Animation

HB-140/160Z61/62-8/16-4S-A2-ZF

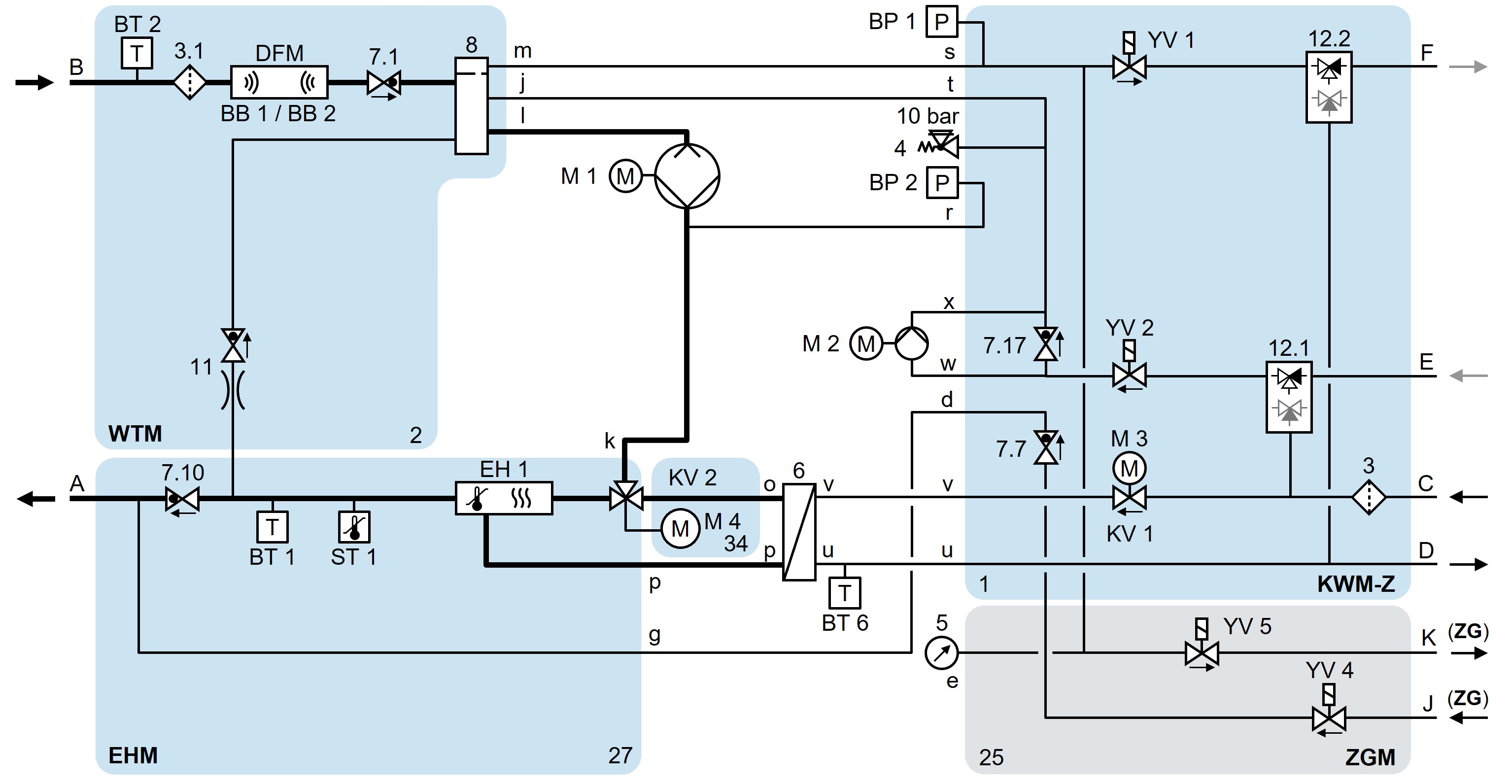
HB-140/160Z61/62-8/16-4S-A2-ZG

Animation

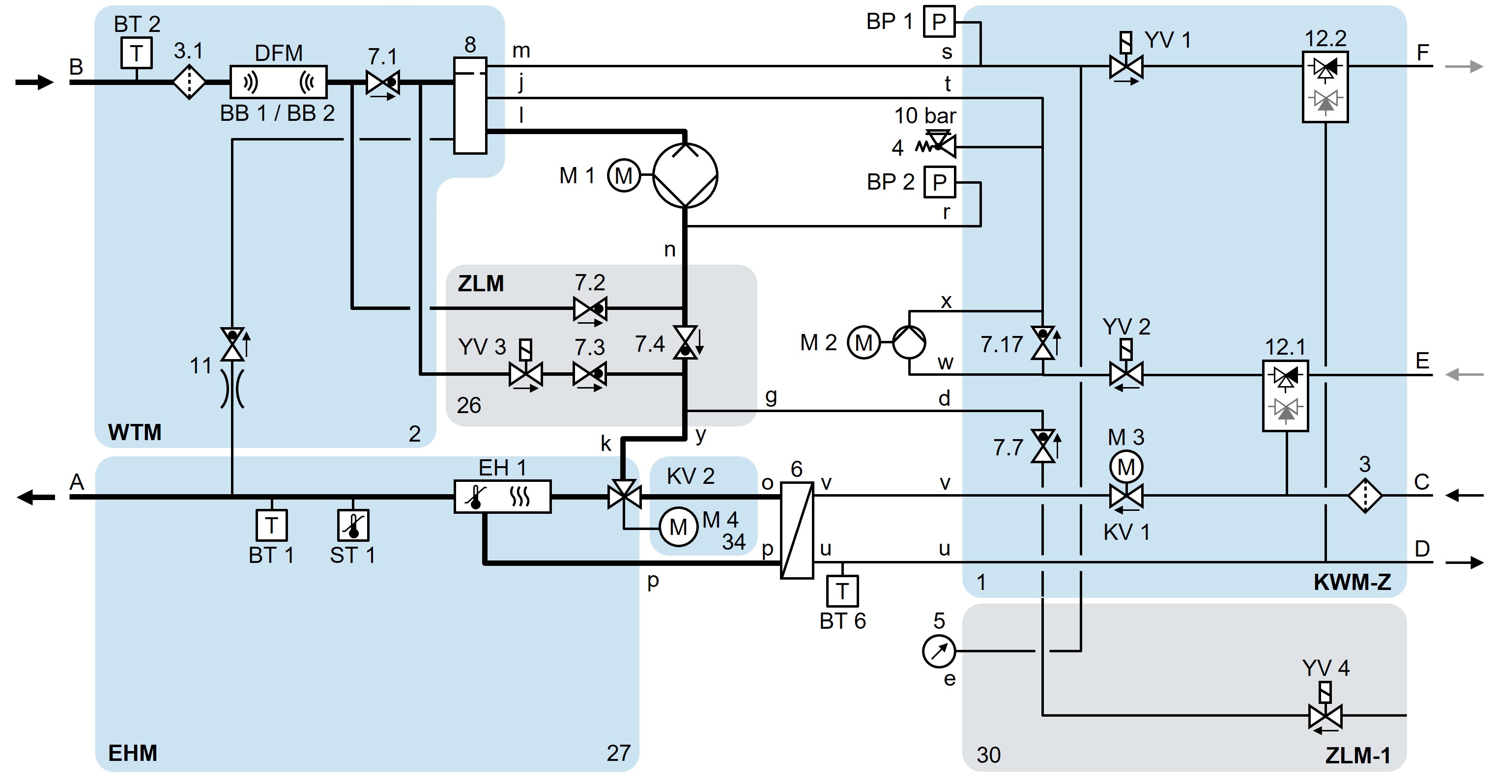
HB-140/160Z61/62-8/16-4S-A2-ZL-ZF-ZG