Jelmagyarázat → kattints ide...

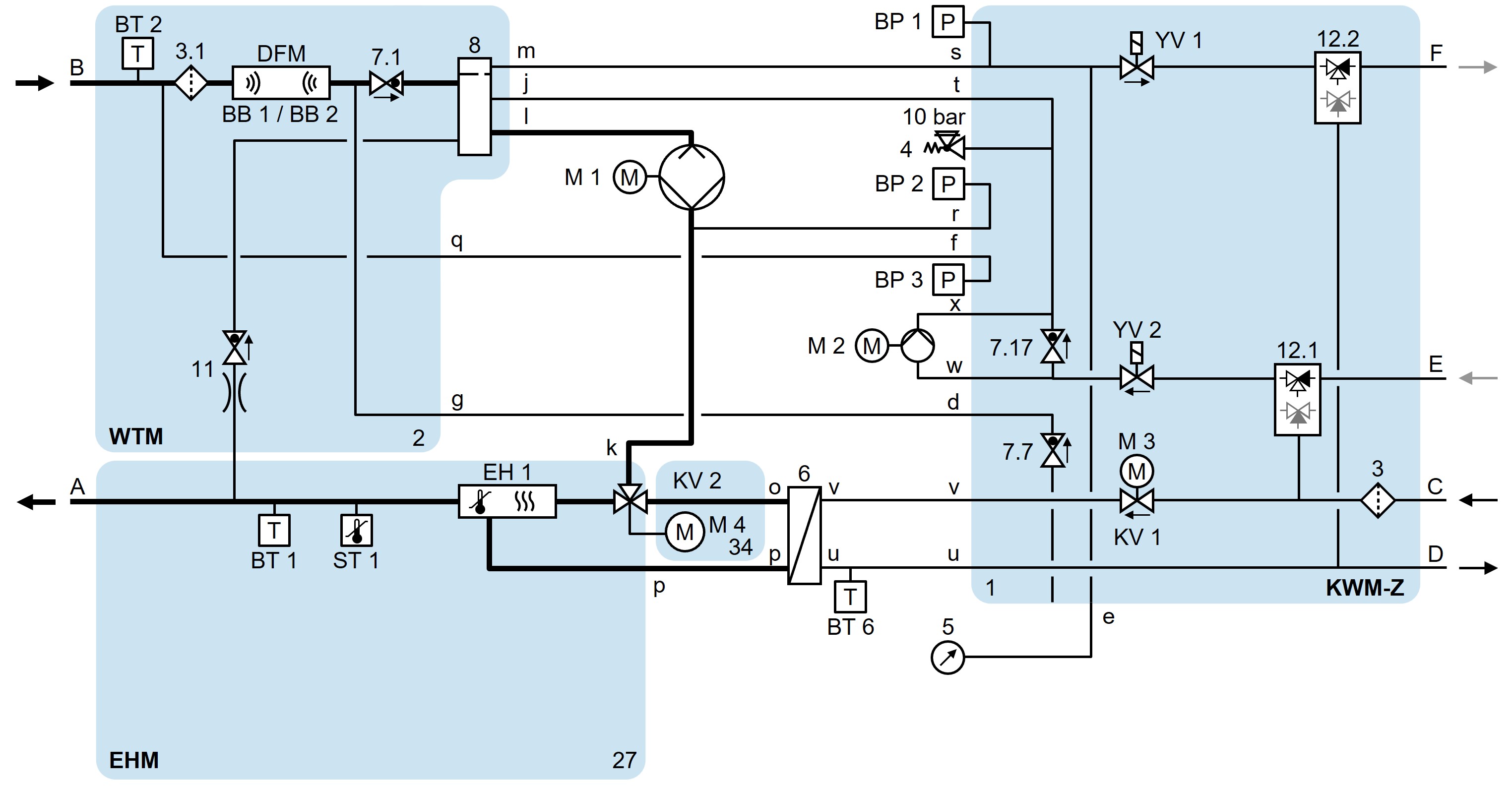
HB-140/160Z61/62-8/16-4S-A2

Animáció

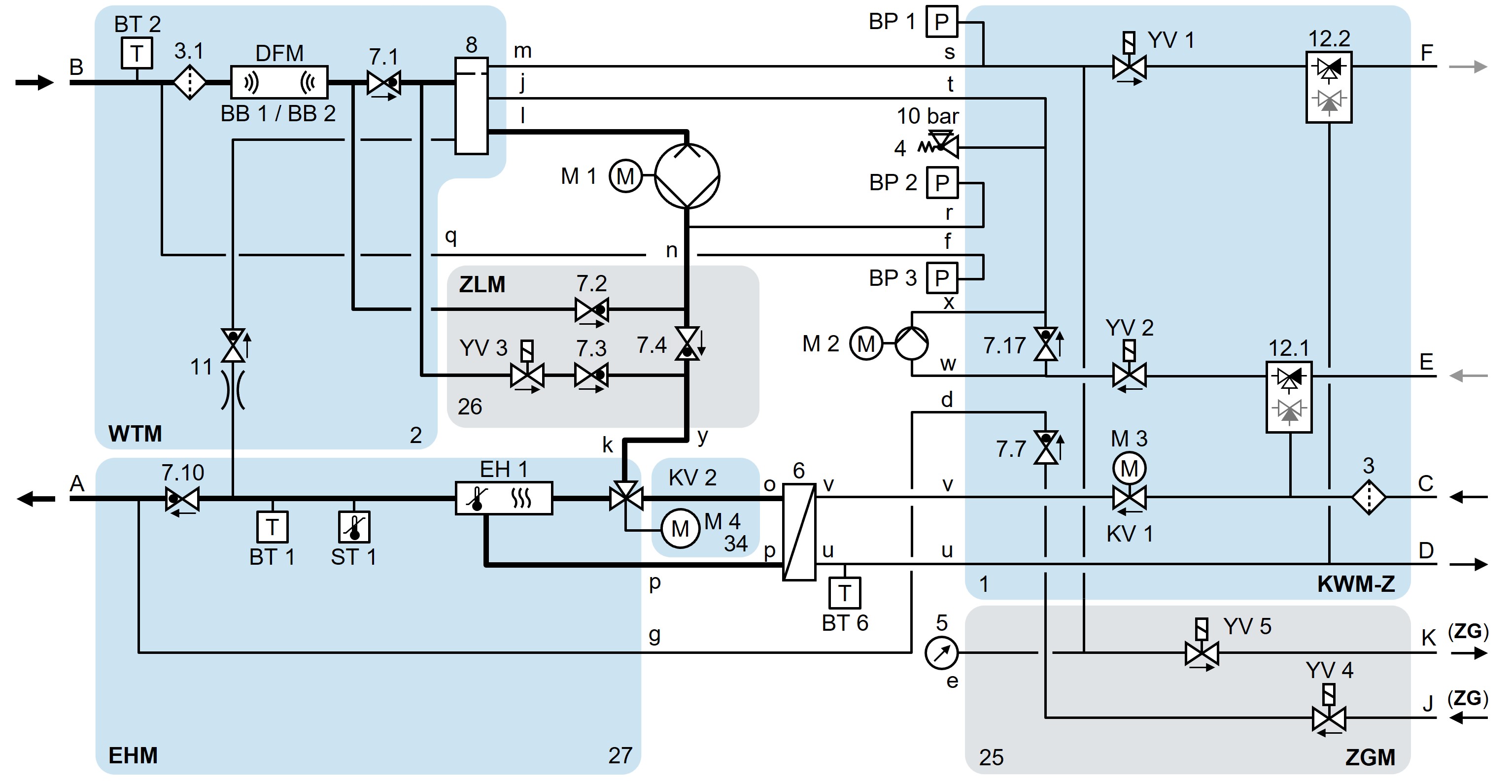
HB-140/160Z61/62-8/16-4S-A2-ZL

Animáció

HB-140/160Z61/62-8/16-4S-A2-ZF

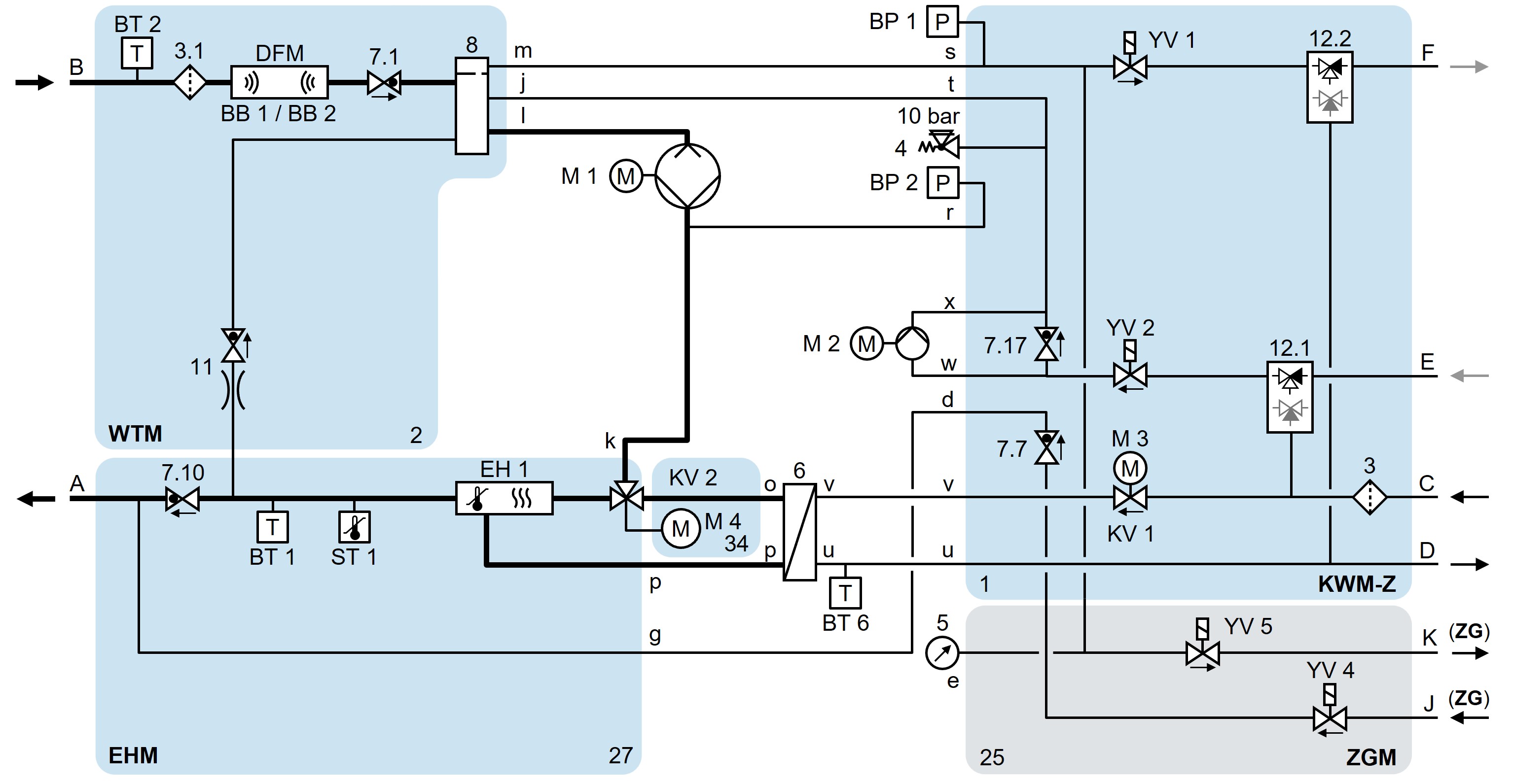
HB-140/160Z61/62-8/16-4S-A2-ZG

Animáció

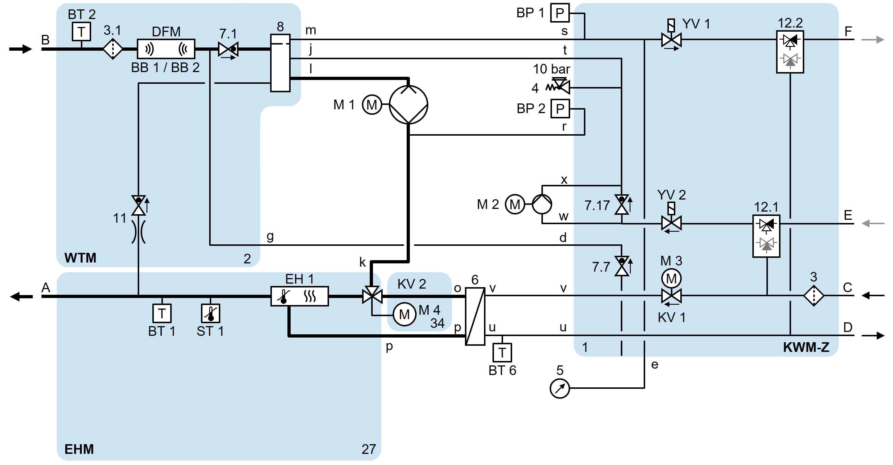
HB-140/160Z61/62-8/16-4S-A2-ZL-ZF-ZG