Legenda → clicca qui...

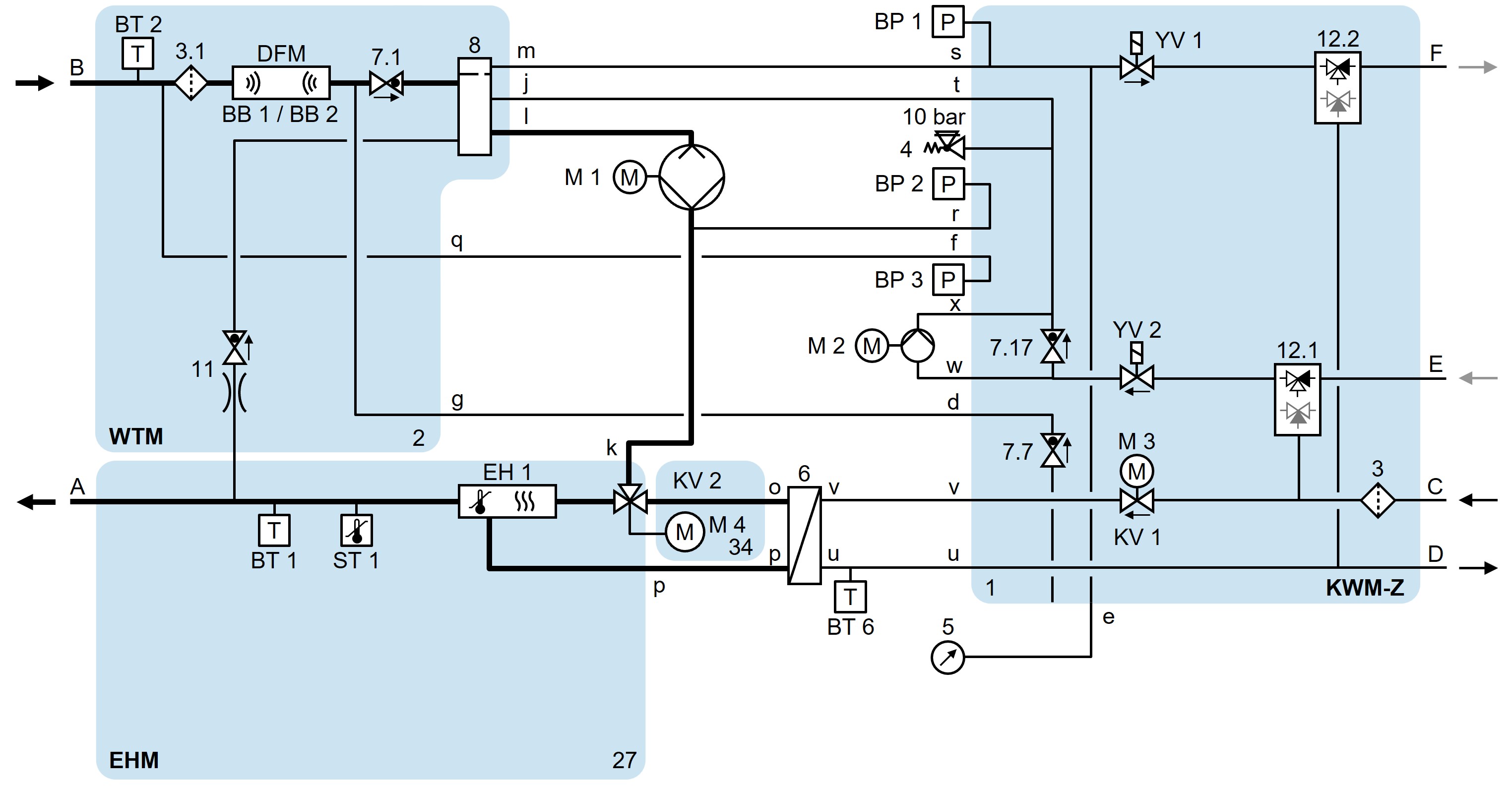
HB-140/160Z61/62-8/16-4S-A2

Animazione

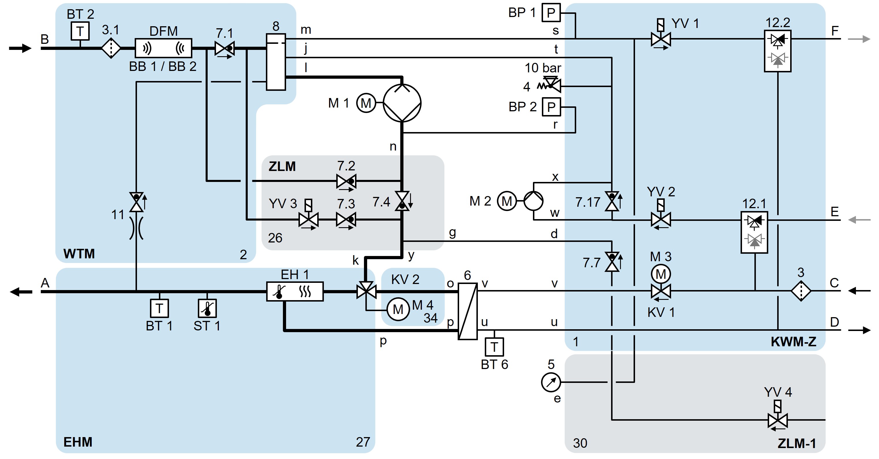
HB-140/160Z61/62-8/16-4S-A2-SL

Animazione

HB-140/160Z61/62-8/16-4S-A2-ZF

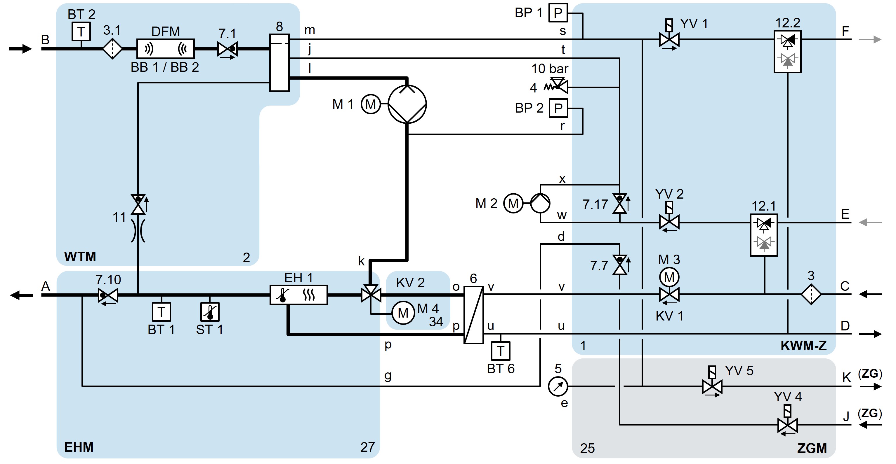
HB-140/160Z61/62-8/16-4S-A2-ZG

Animazione

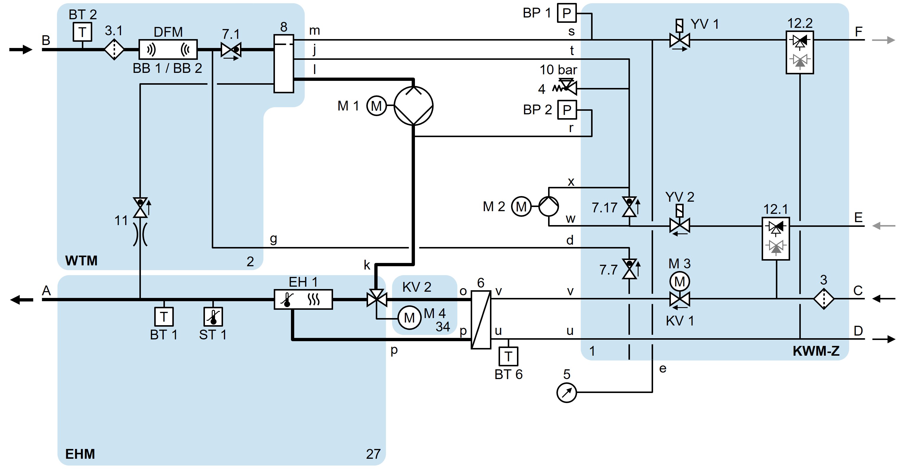
HB-140/160Z61/62-8/16-4S-A2-ZL-ZF-ZG