Legenda → spustelėkite čia...

HB-140/160Z61/62-8/16-4S-A2

Animacija

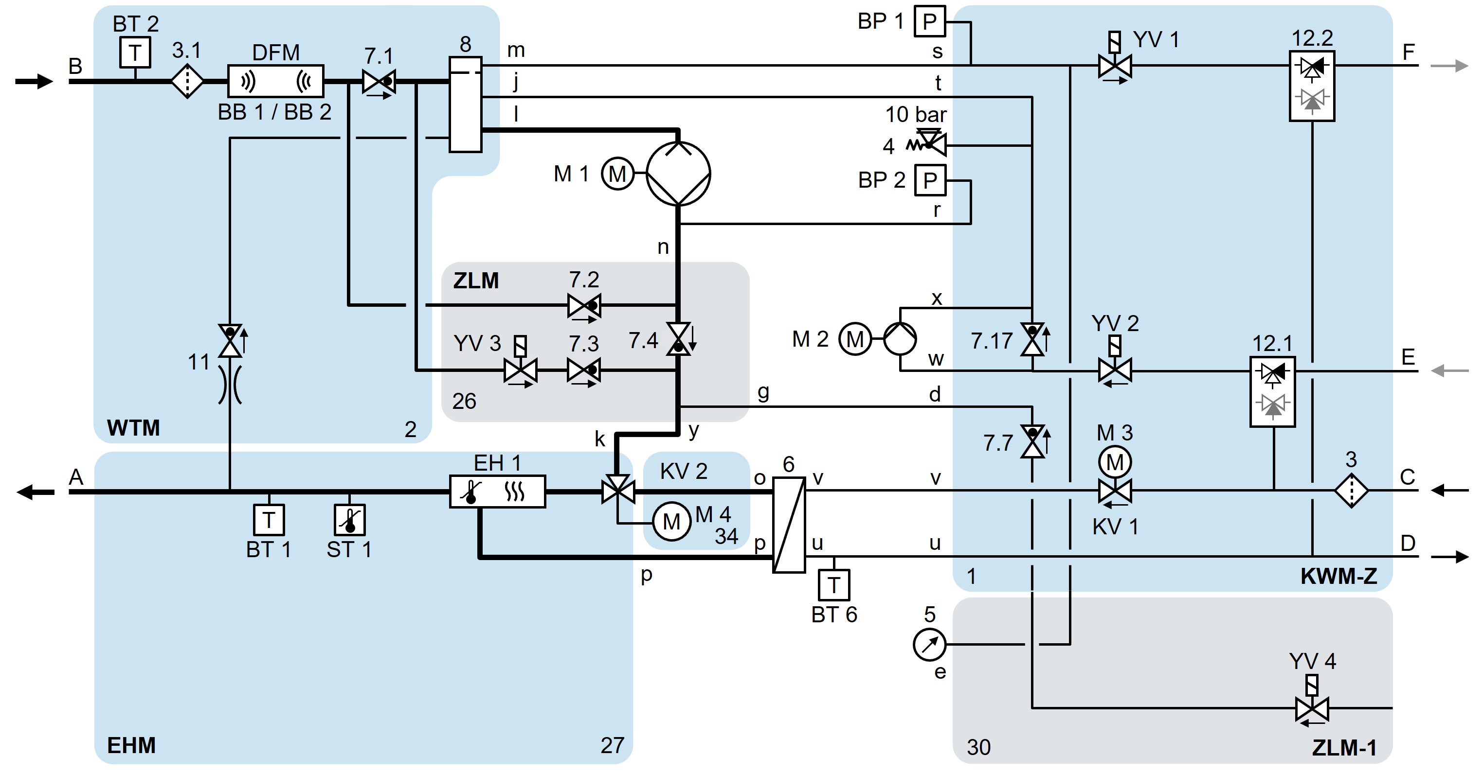
HB-140/160Z61/62-8/16-4S-A2-ZL

Animacija

HB-140/160Z61/62-8/16-4S-A2-ZF

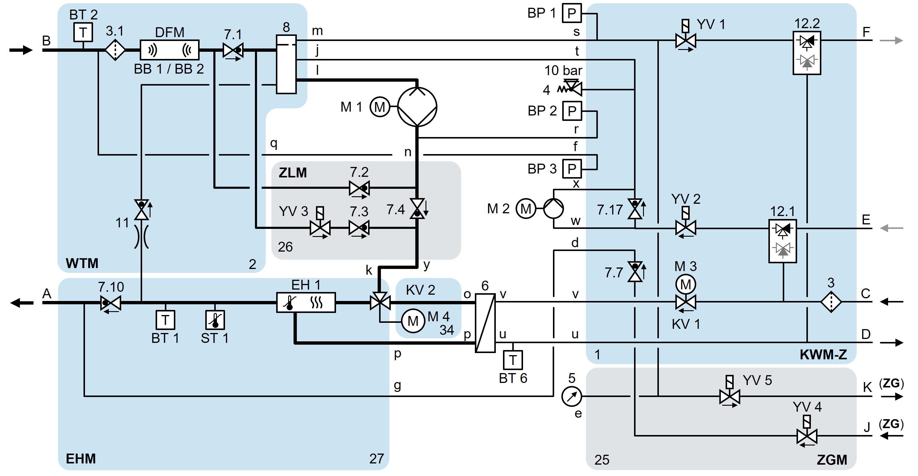
HB-140/160Z61/62-8/16-4S-A2-ZG

Animacija

HB-140/160Z61/62-8/16-4S-A2-ZL-ZF-ZG