Leģenda → noklikšķiniet šeit...

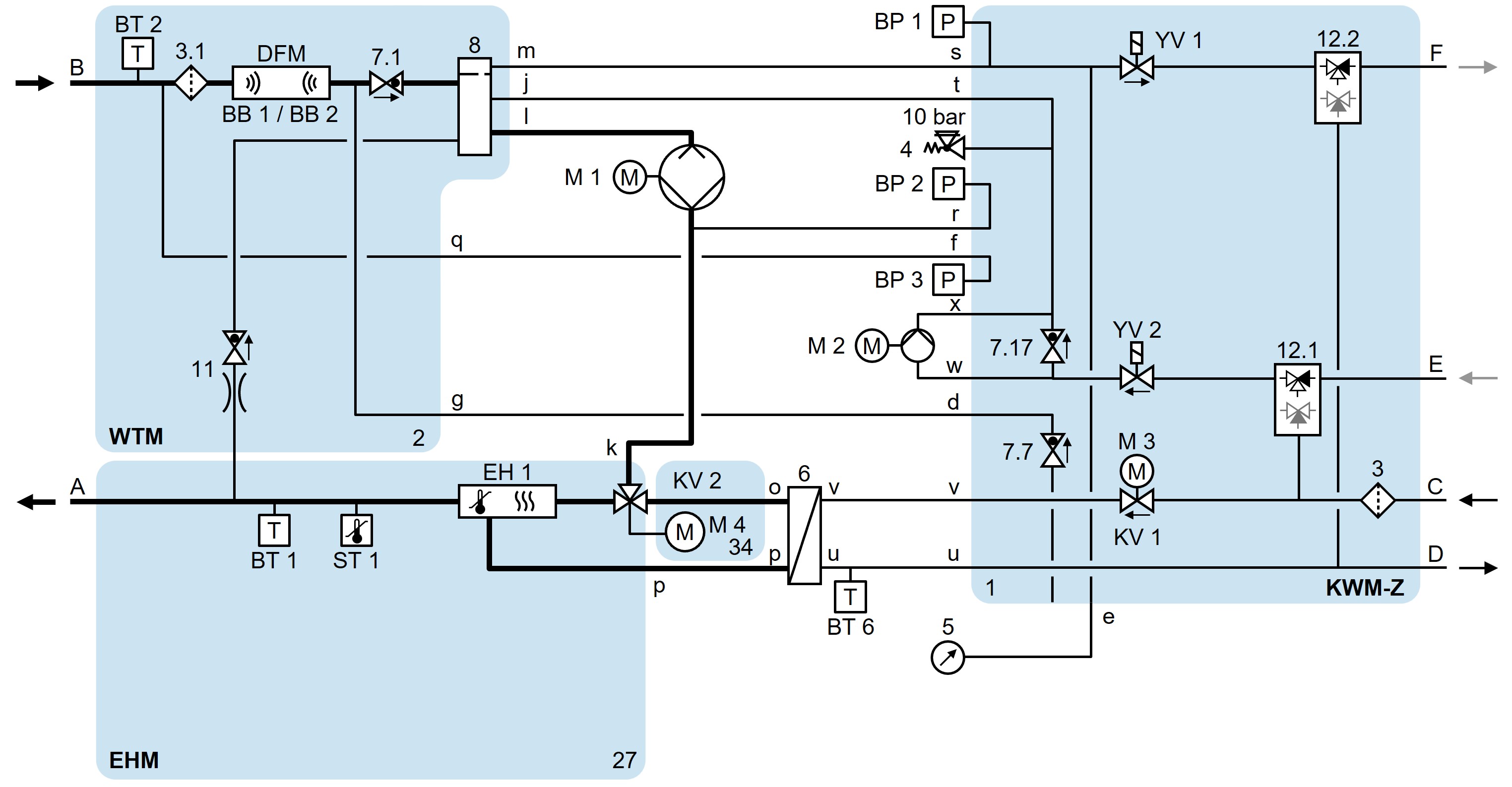
HB-140/160Z61/62-8/16-4S-A2

Animācija

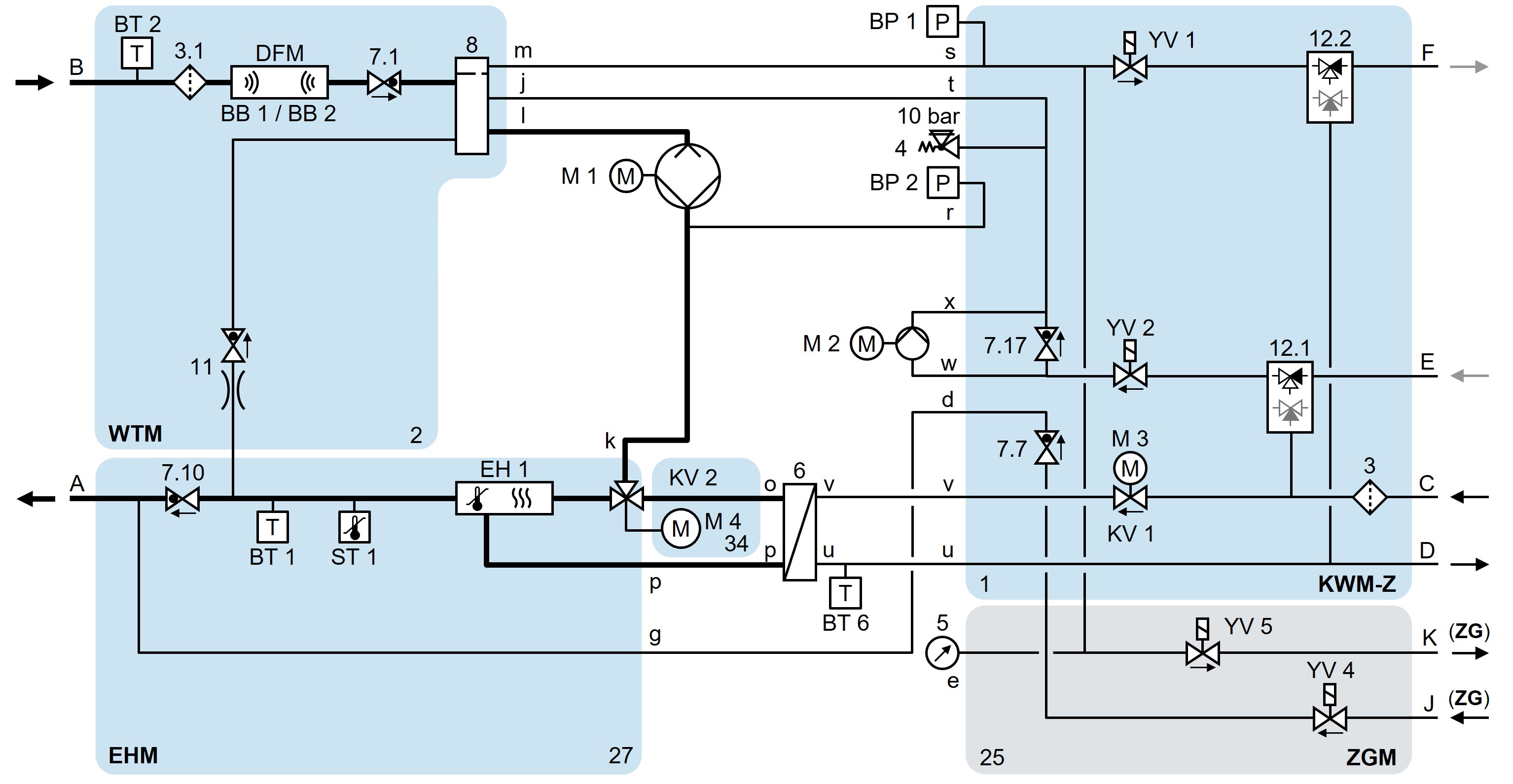
HB-140/160Z61/62-8/16-4S-A2-ZL

Animācija

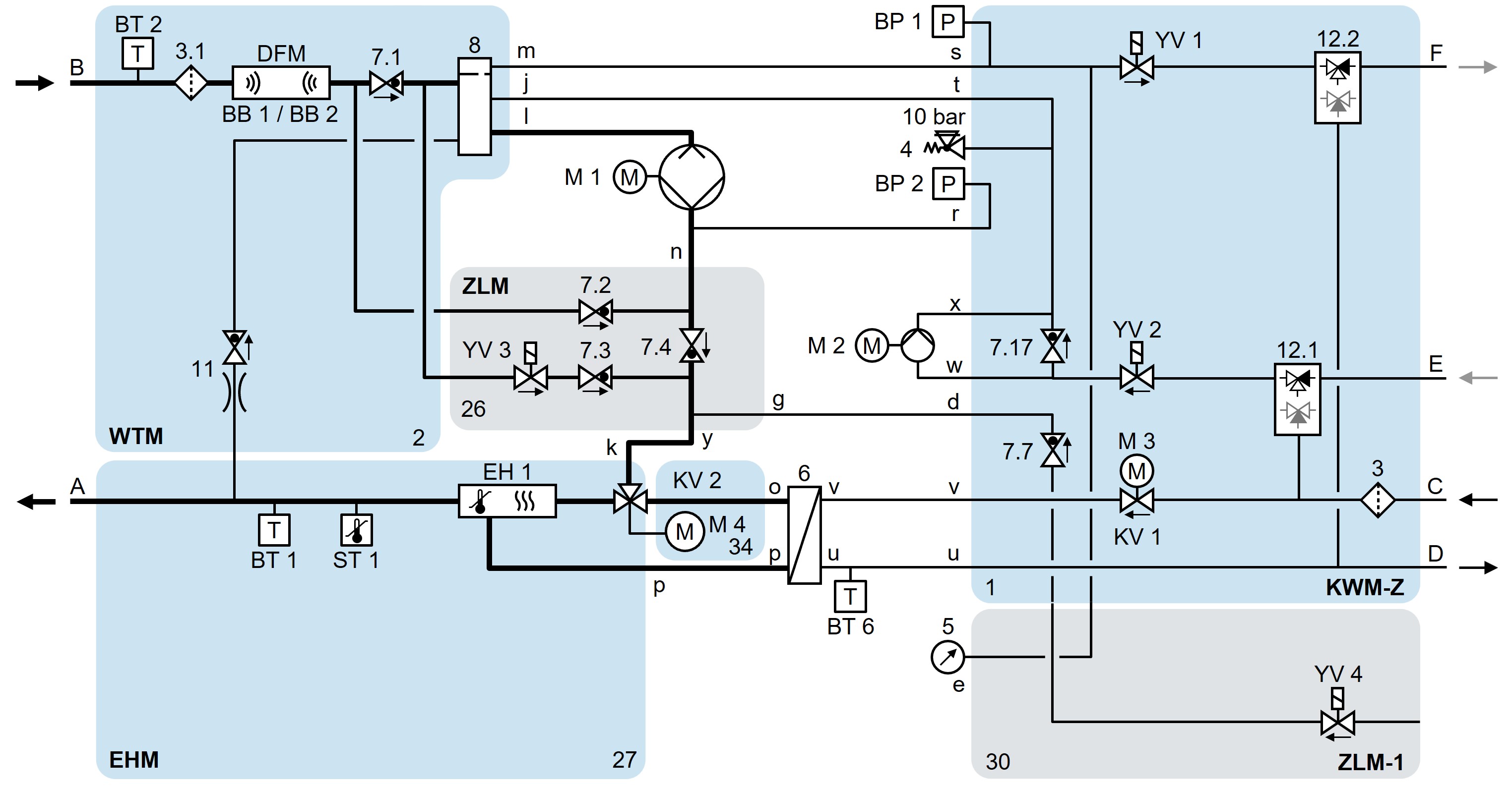
HB-140/160Z61/62-8/16-4S-A2-ZF

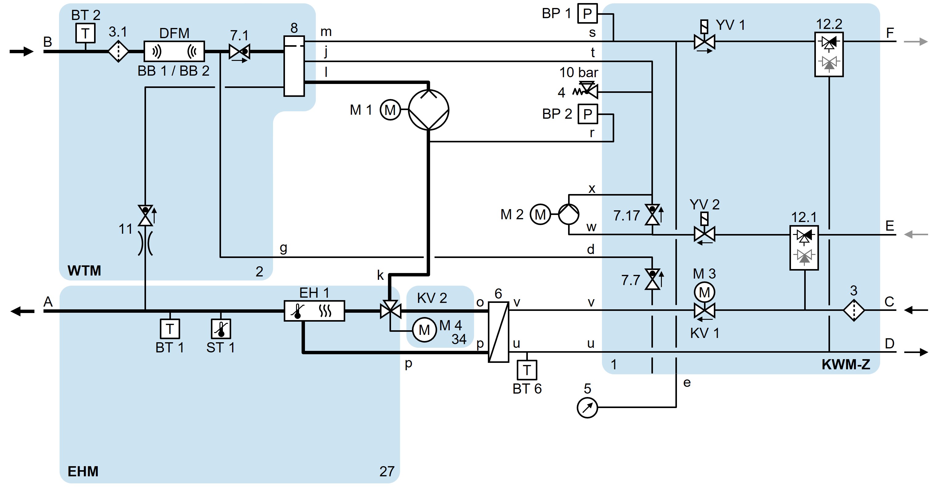
HB-140/160Z61/62-8/16-4S-A2-ZG

Animācija

HB-140/160Z61/62-8/16-4S-A2-ZL-ZF-ZG