Легенда нажмите здесь...

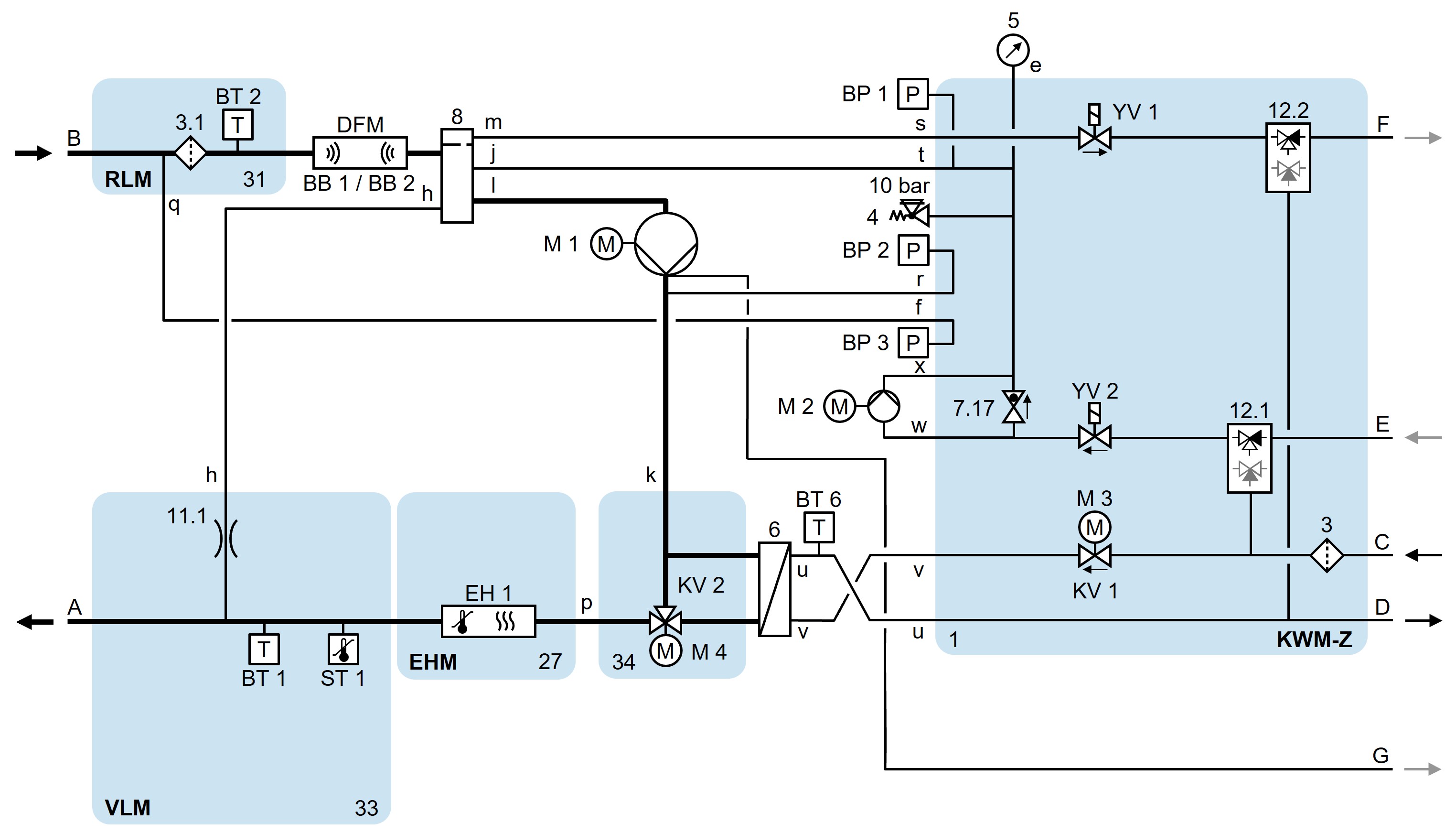
ХБ-140/160З62-16-6Р-Б2

ХБ-140/160З62-16-6Р-Б2-ЗФ

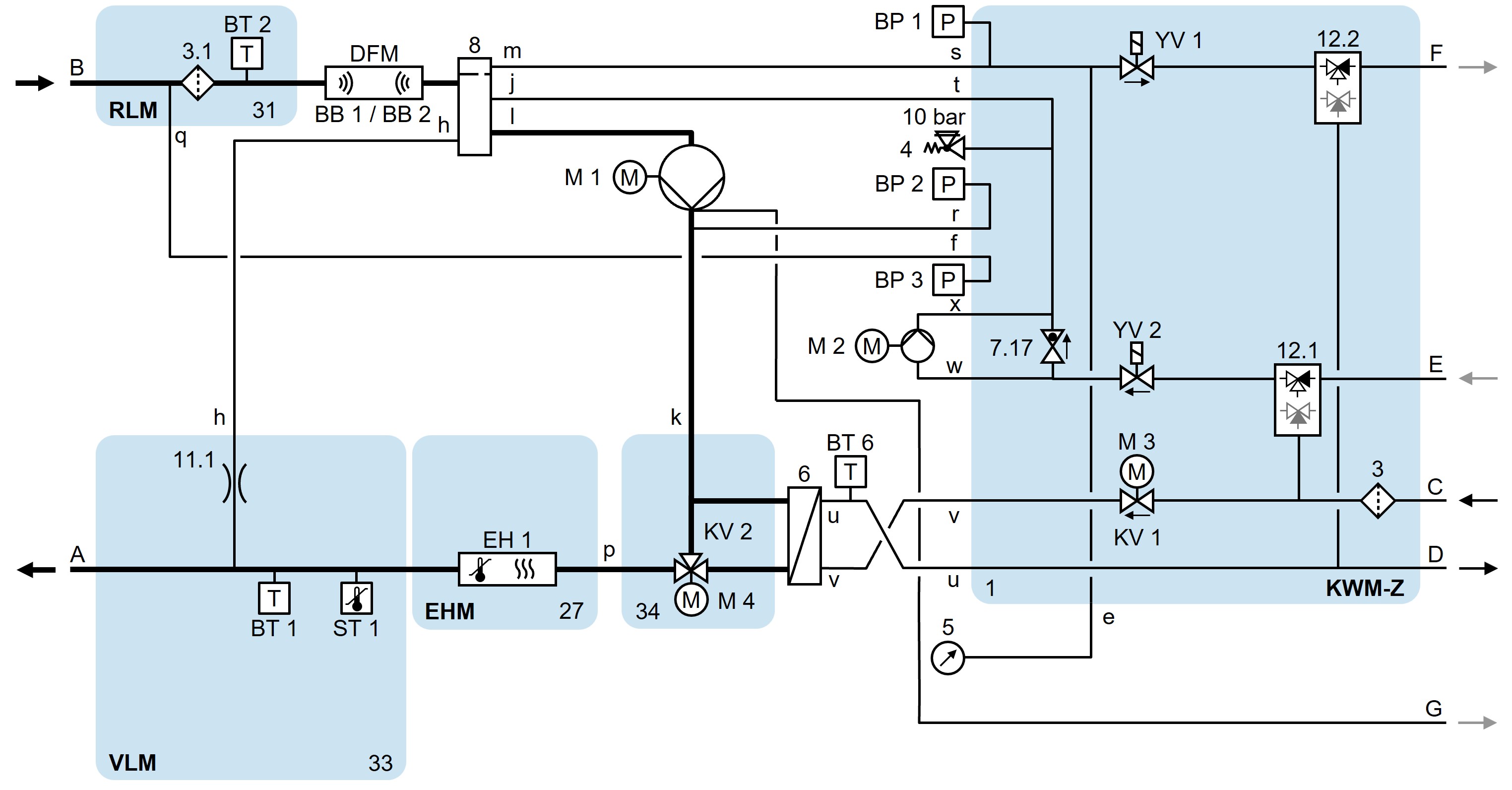
ХБ-140/160З62-16-6Р-Э2

ХБ-140/160З62-16-6Р-Э2-ЗФ

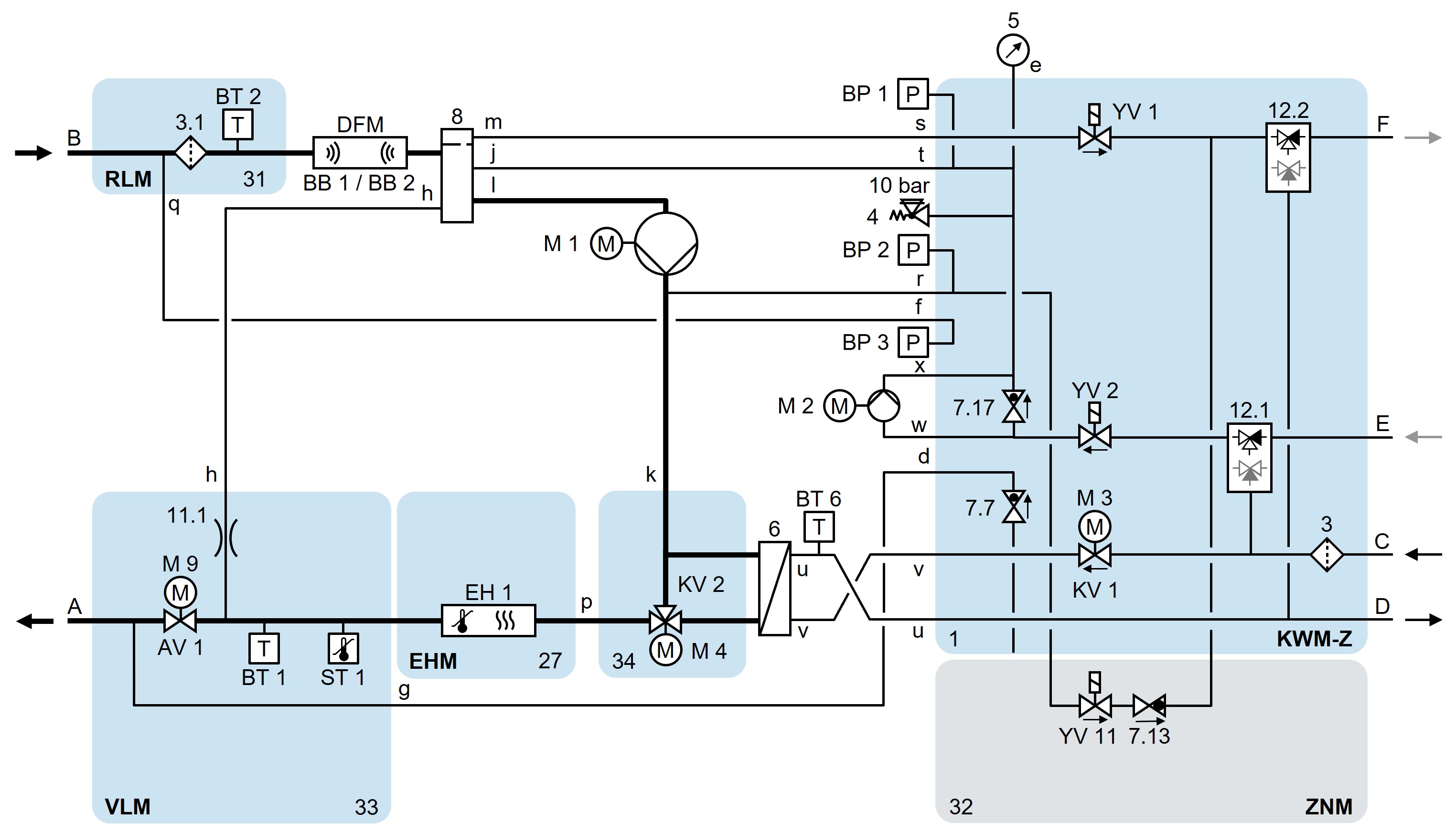
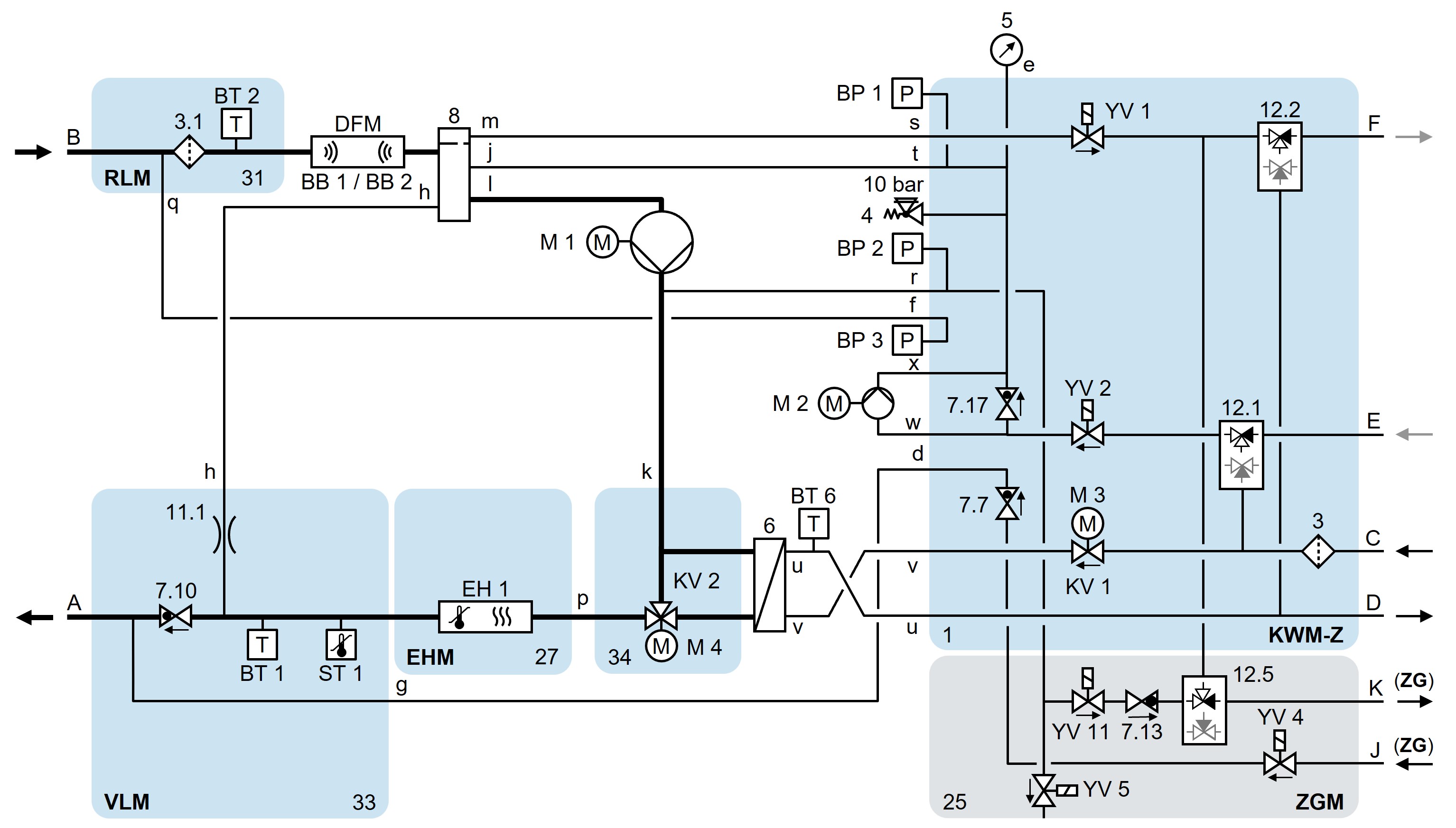
ХБ-140/160З62-16-6Р-Б2/Э2-ЗФ-ЗН

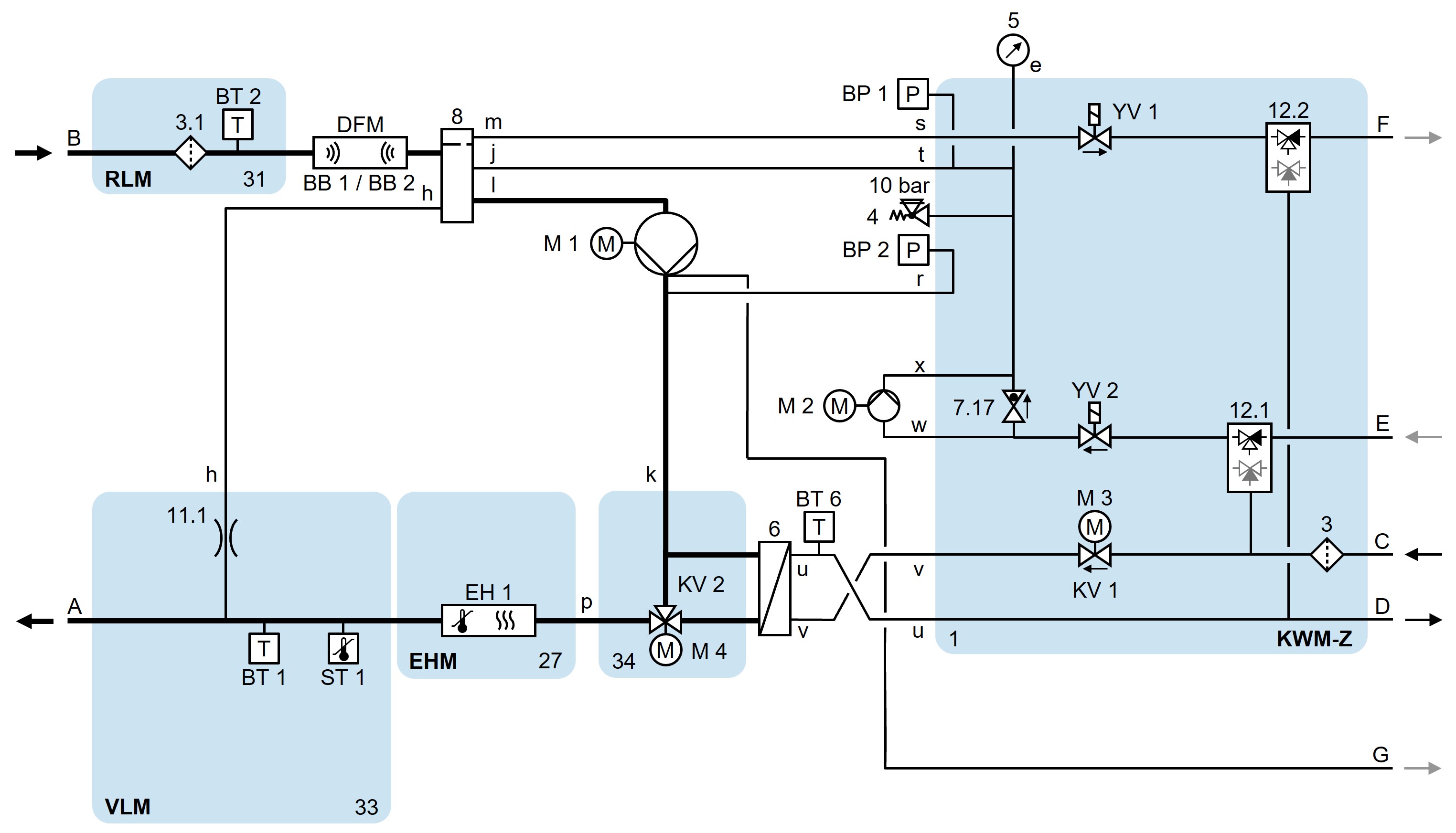
ХБ-140/160З62-16-6Р-Б2/Э2-ЗФ-ЗГ