Legend → klicka här...

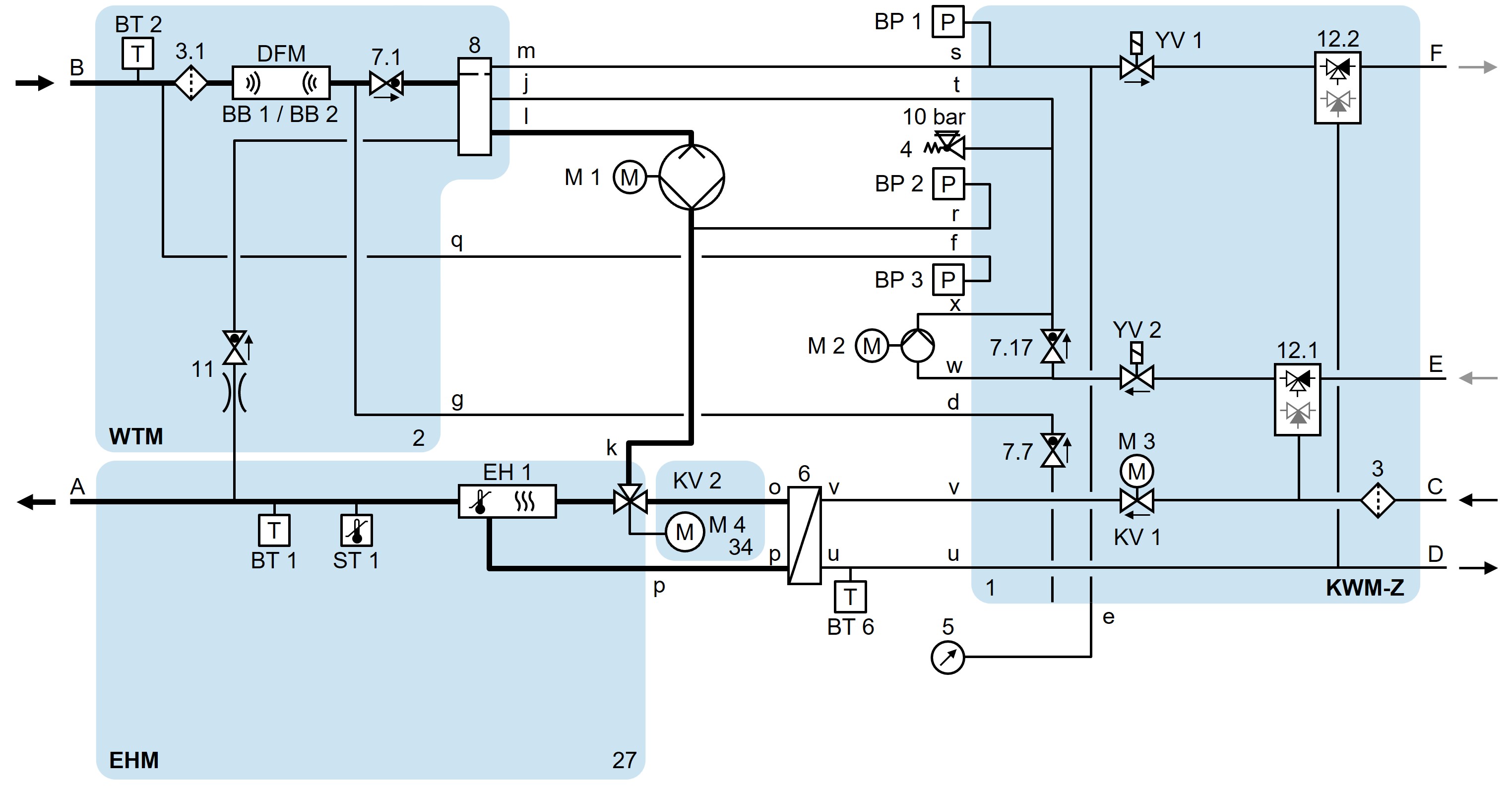
HB-140/160Z61/62-8/16-4S-A2

Animering

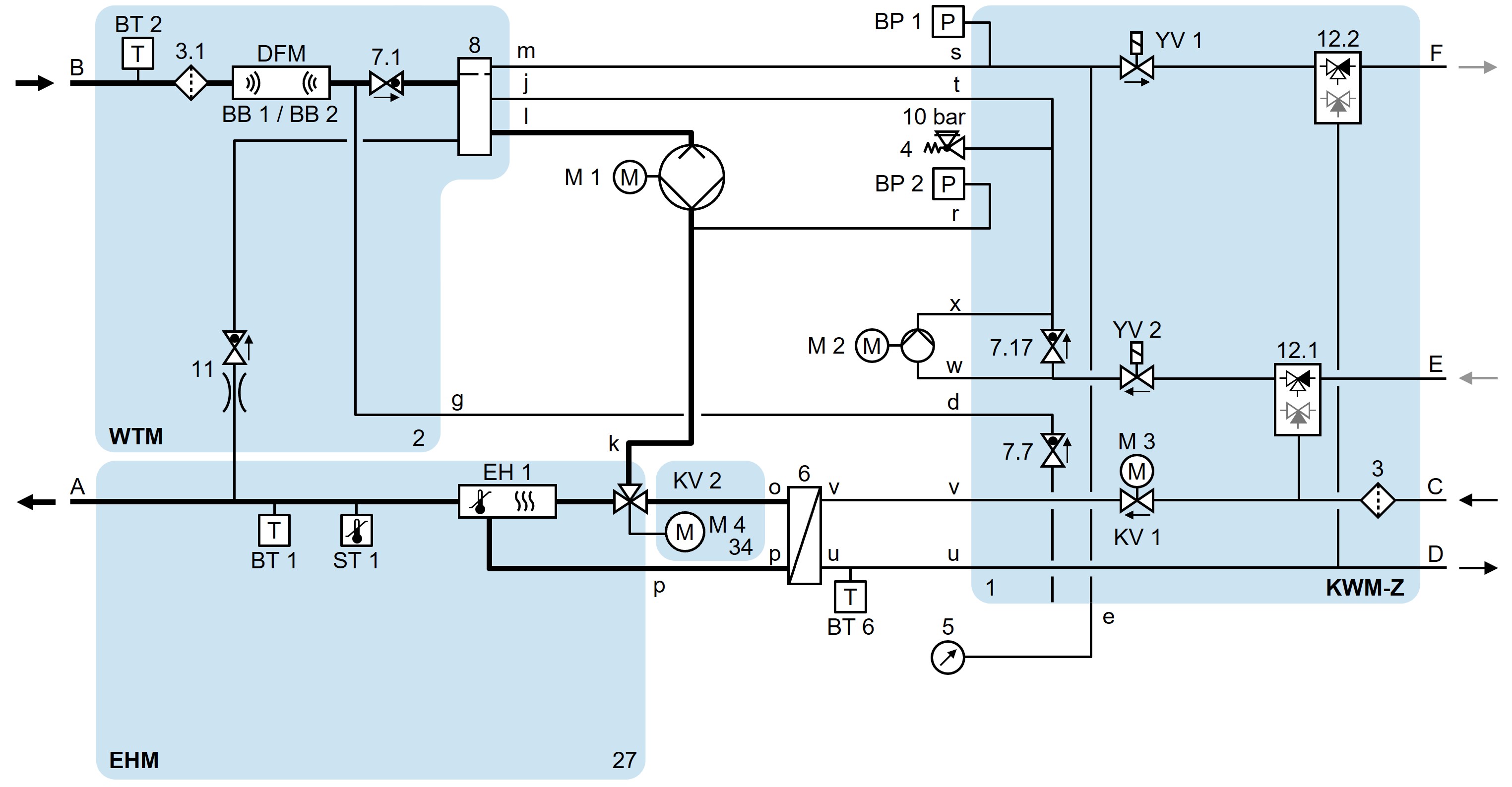
HB-140/160Z61/62-8/16-4S-A2-ZL

Animering

HB-140/160Z61/62-8/16-4S-A2-ZF

HB-140/160Z61/62-8/16-4S-A2-ZG

Animering

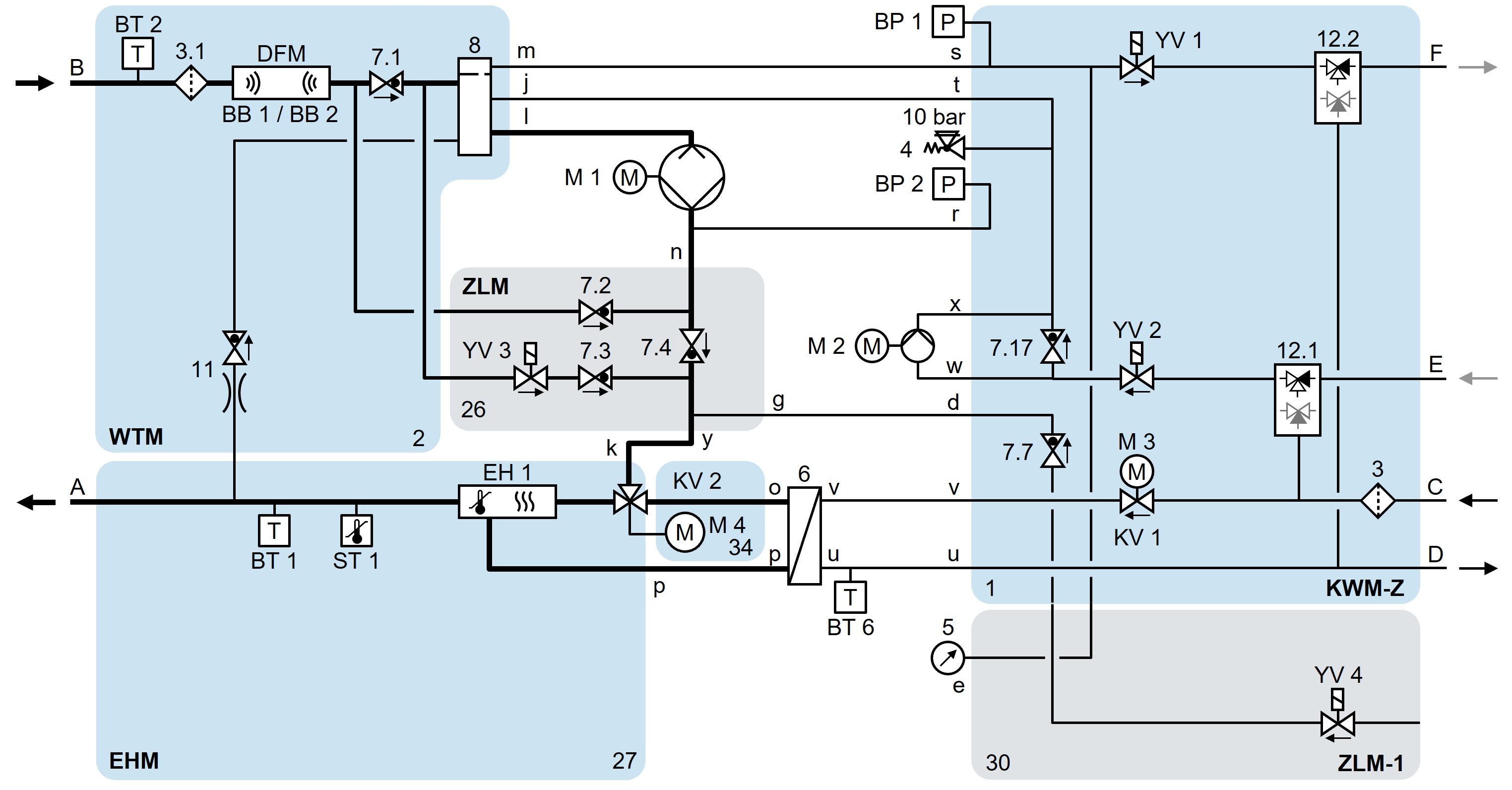
HB-140/160Z61/62-8/16-4S-A2-ZL-ZF-ZG