Download page C8842: Alarm ve harici kumanda ile emniyetli kapatma.
C8842: Alarm ve harici kumanda ile emniyetli kapatma
Özel versiyon (Ek A): Alarm ve harici kontrol yoluyla emniyetli kapatma
Açıklama
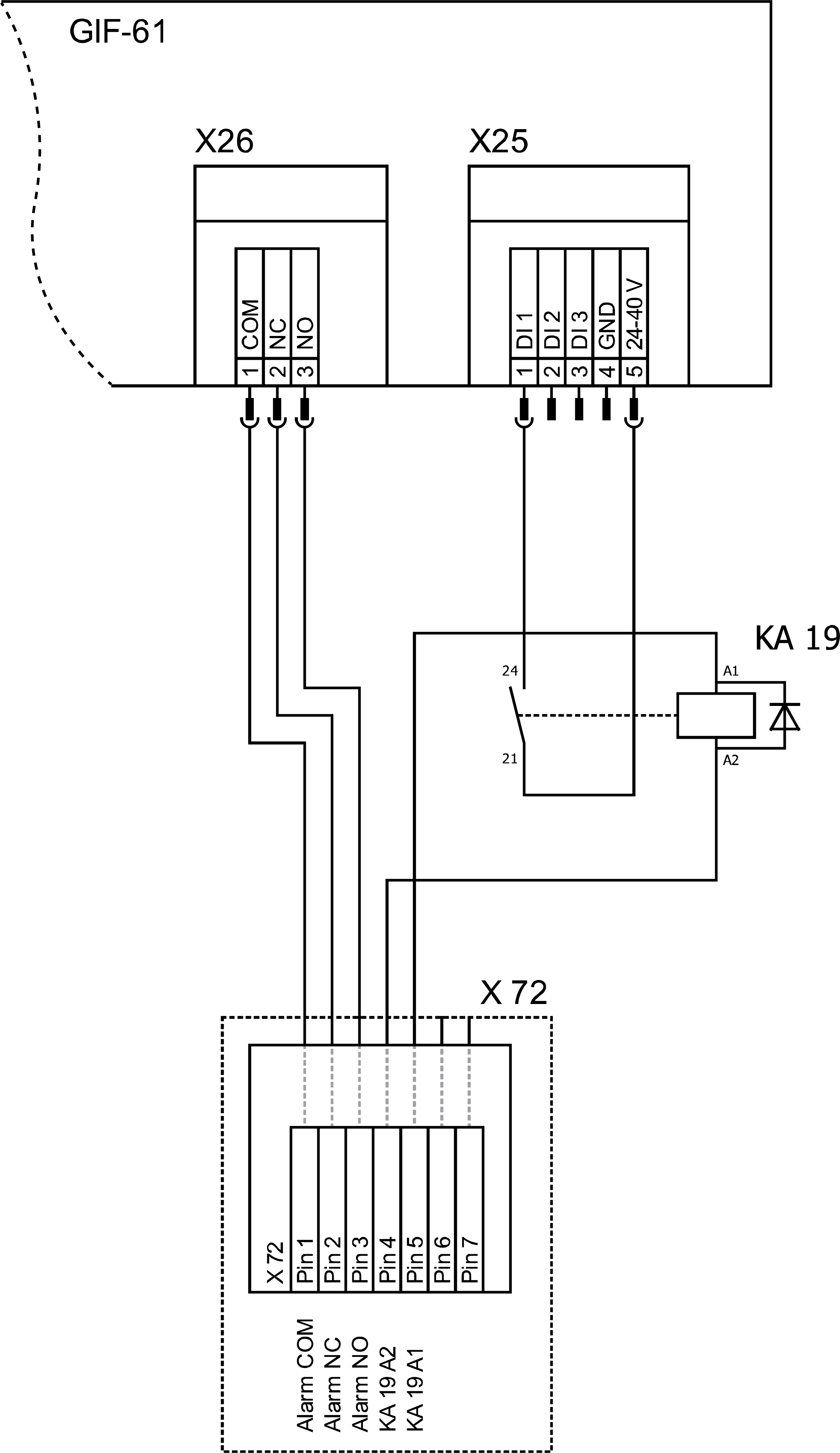
Bu versiyonda, cihaz, cihazı güvenli bir şekilde kapatmak için kullanılabilecek ek bir röle (KA 19) ile donatılmıştır. Çalıştırma için röle (KA 19) harici bir 24 VDC voltajı ile beslenmelidir. Harici 24 VDC voltajı kesilirse, röle (KA 19) kapanır ve cihazı potansiyelsiz bir kontak üzerinden kapatır.
Parametre ayarını değiştir
Bu sürüm için, [Ayarlar] > [Çeşitli] altındaki ana menüde aşağıdaki Ayar Gereklidir:
Parametreler [Dahili üzerinden güvenli -OFF. İletişim] → Kaydırıcı () ile işlevi çalıştırın.
[Kalıp boşaltılması sıcaklığı] parametrelerini “90° C” olarak ayarlayın.
NOT!
Parametreler [Güvenli. -Dahili Yoluyla KAPALI. Contact] açık, harici kontrolün kalan Fonksiyonları (anahtarlama hedef değeri 1 veya 2) potansiyelsiz kontak aracılığıyla devre dışı bırakılır.
Elektrik şeması değişikliği (alıntı)
Bileşen düzenlemesini değiştir
Efsane değişikliği
kısaltma
Adı
yürütme
KA19
Emniyet kapatma rölesi
Datenschutz - Data protection - Protection de données
Wir setzen Cookies ein, um Ihnen die Nutzung unserer Webseite zu erleichtern. Weitere Informationen zu Cookies finden Sie in unserer Datenschutzerklärung. We use cookies to help you use our website. More information about cookies can be found in our privacy policy. Notre site utilise des cookies afin de vous garantir un service optimal. En utilisant ce site web, vous acceptez les présentes conditions. Vous trouverez privacy policy de plus amples informations. Privacy Policy