Efsane → buraya tıklayın...

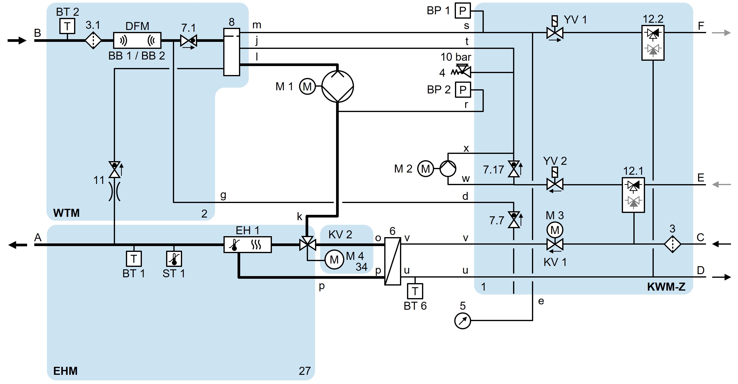
HB-140/160Z61/62-8/16-4S-A2

Animasyon

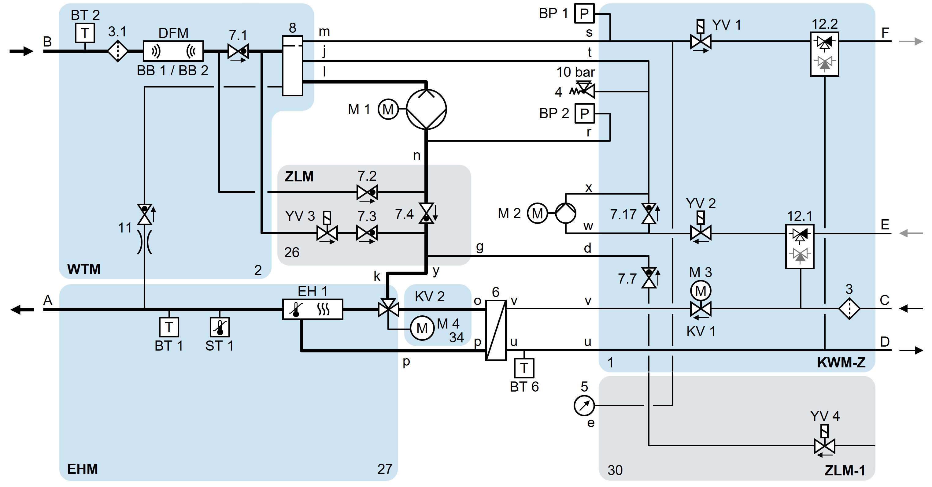
HB-140/160Z61/62-8/16-4S-A2-ZL

Animasyon

HB-140/160Z61/62-8/16-4S-A2-ZF

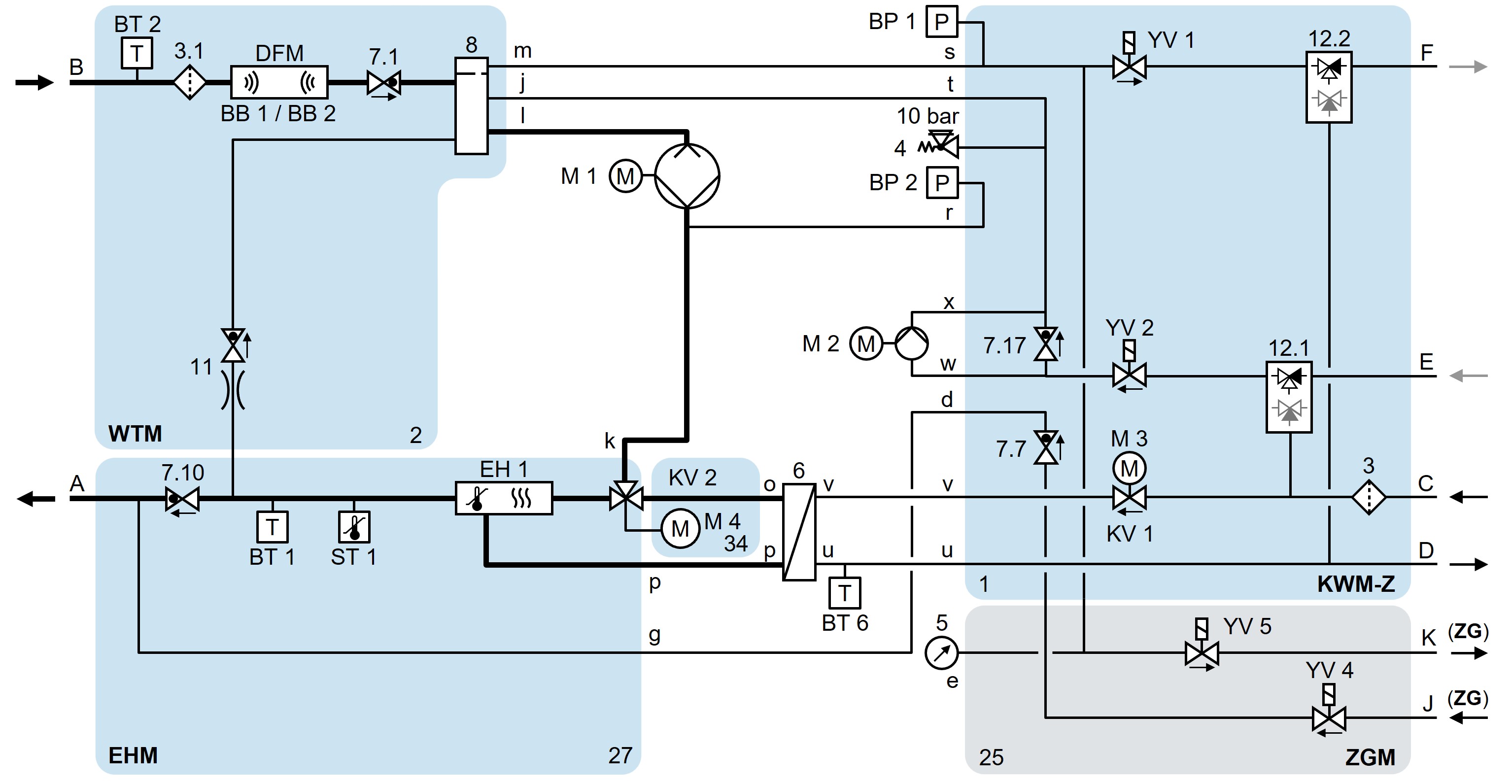
HB-140/160Z61/62-8/16-4S-A2-ZG

Animasyon

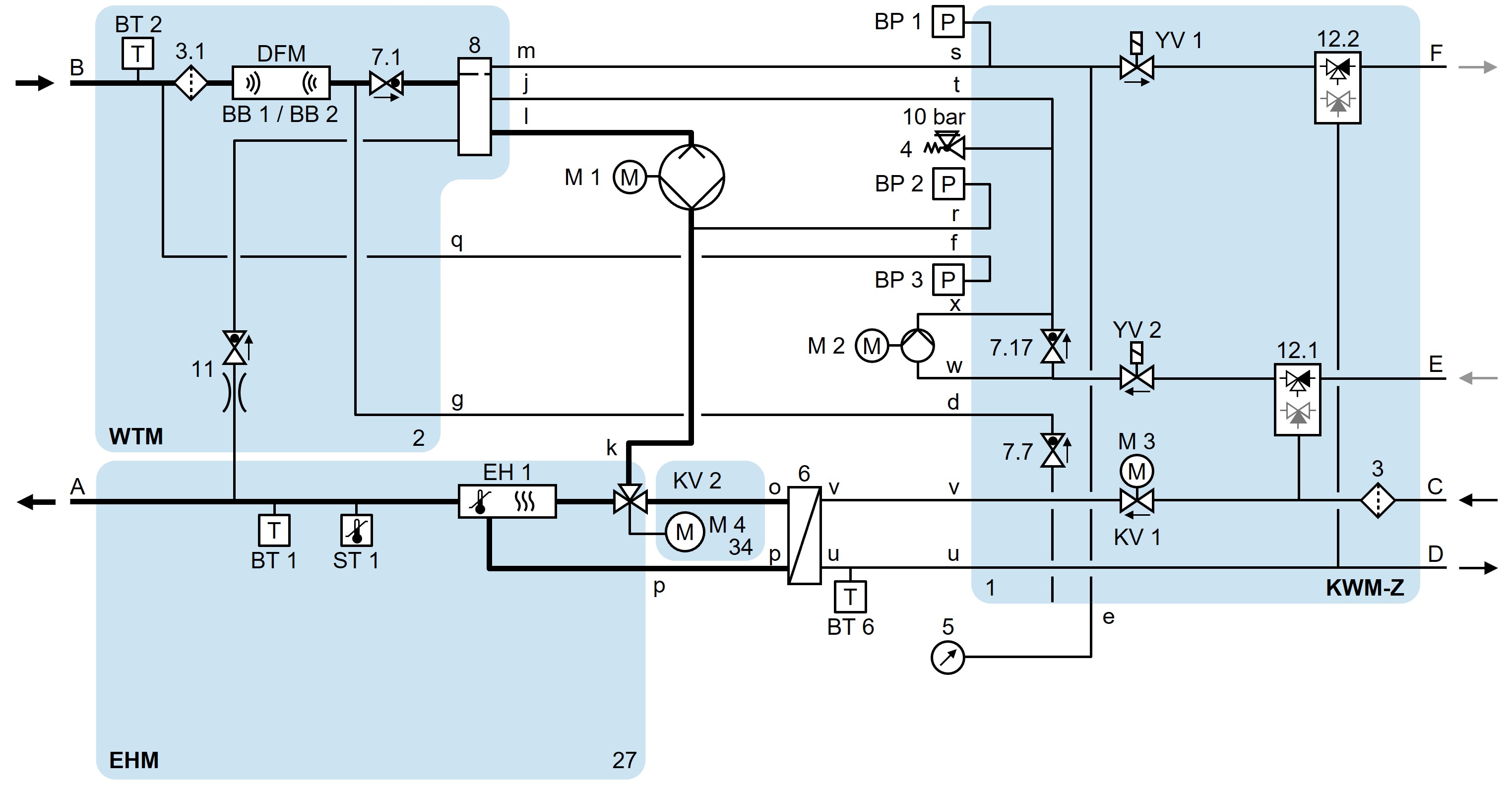
HB-140/160Z61/62-8/16-4S-A2-ZL-ZF-ZG