Legenda → kliknij tutaj...

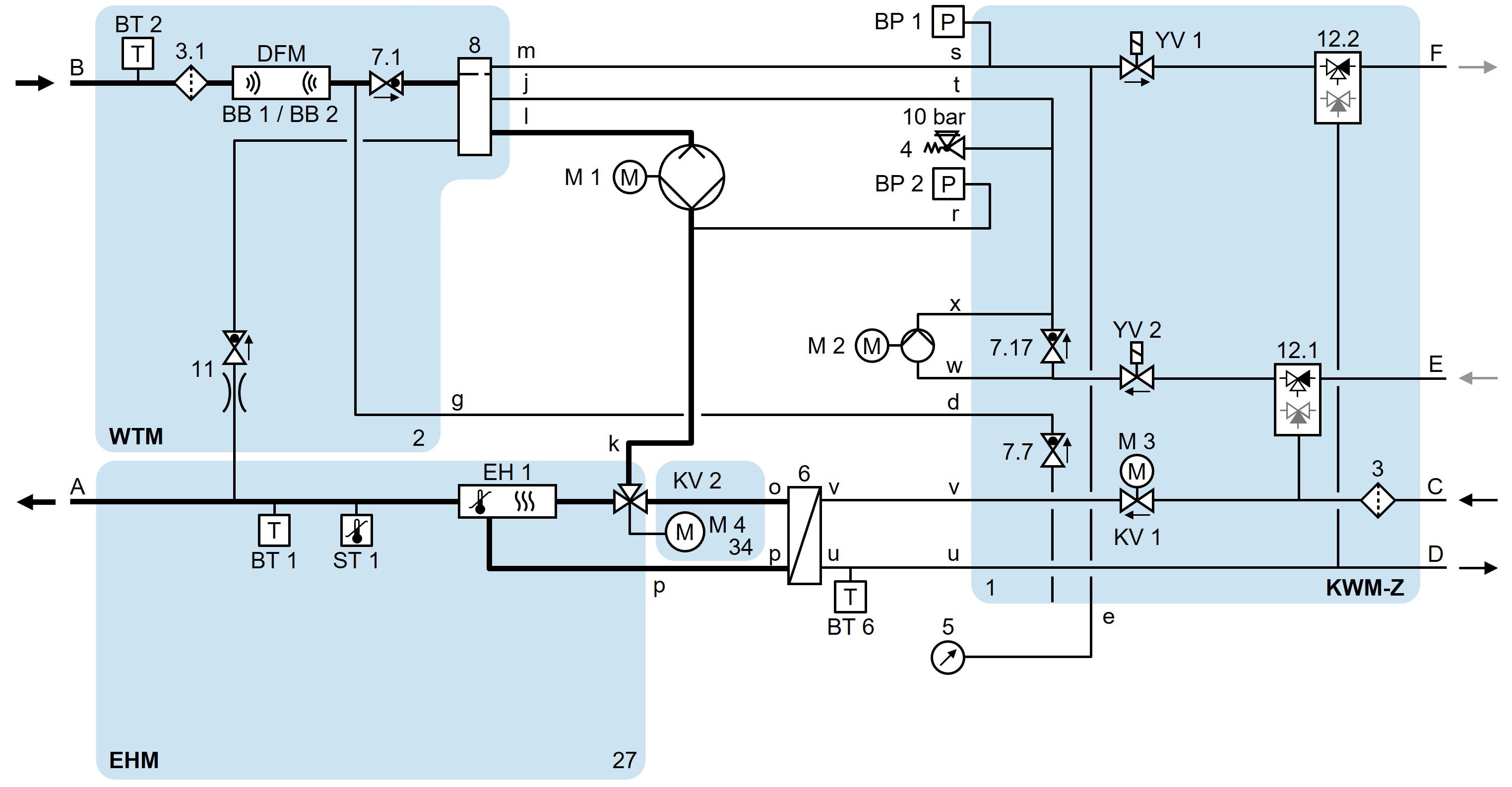
HB-140/160Z61/62-8/16-4S-A2

Animacja

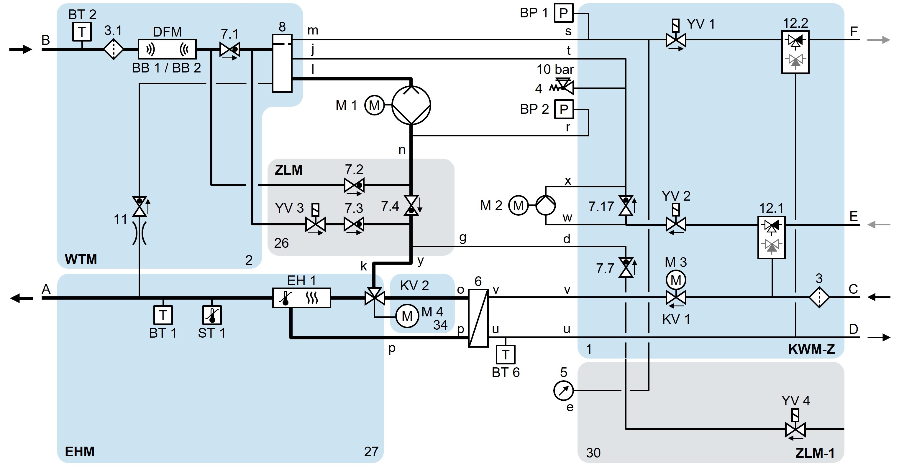
HB-140/160Z61/62-8/16-4S-A2-ZL

Animacja

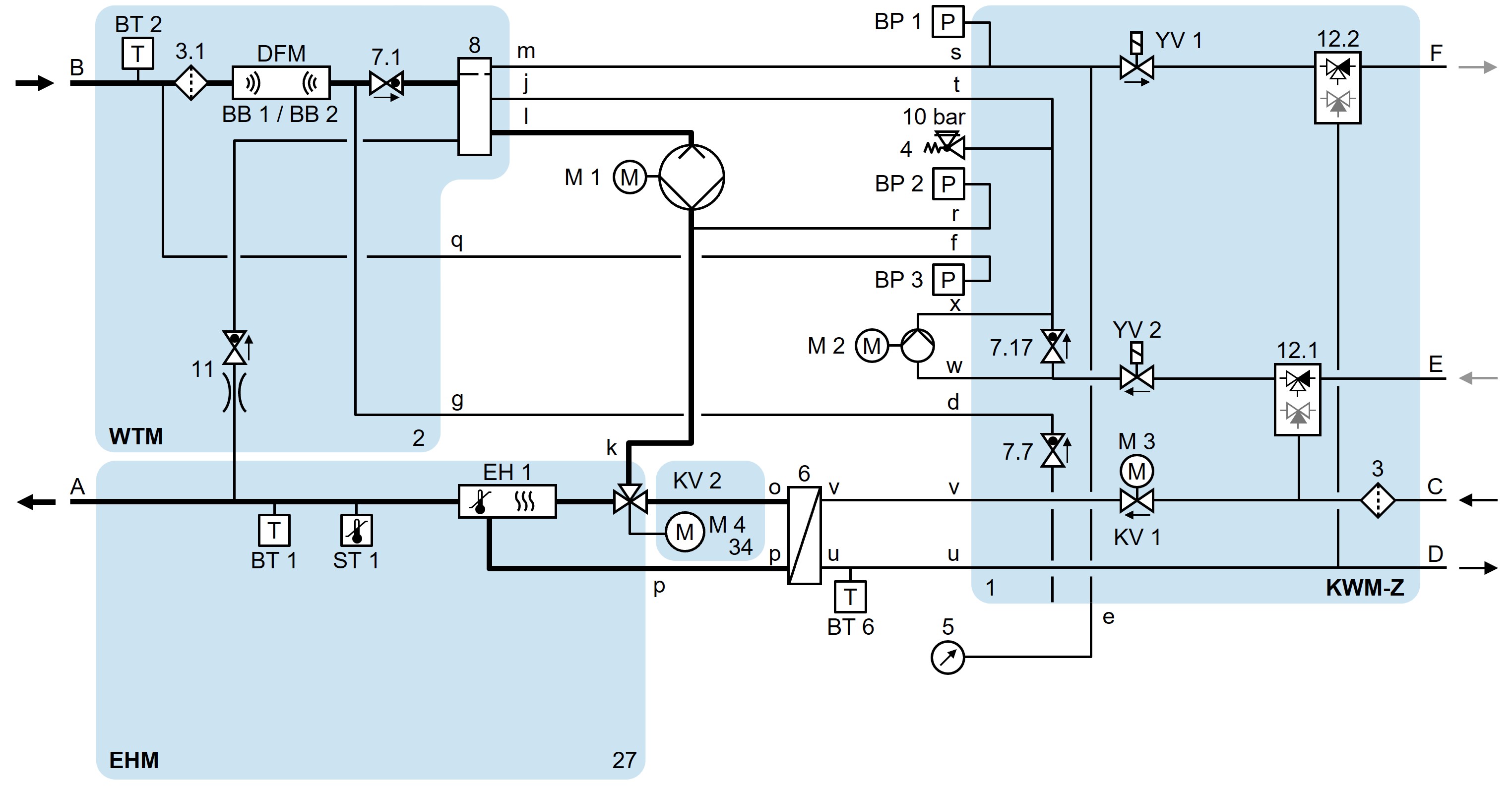
HB-140/160Z61/62-8/16-4S-A2-ZF

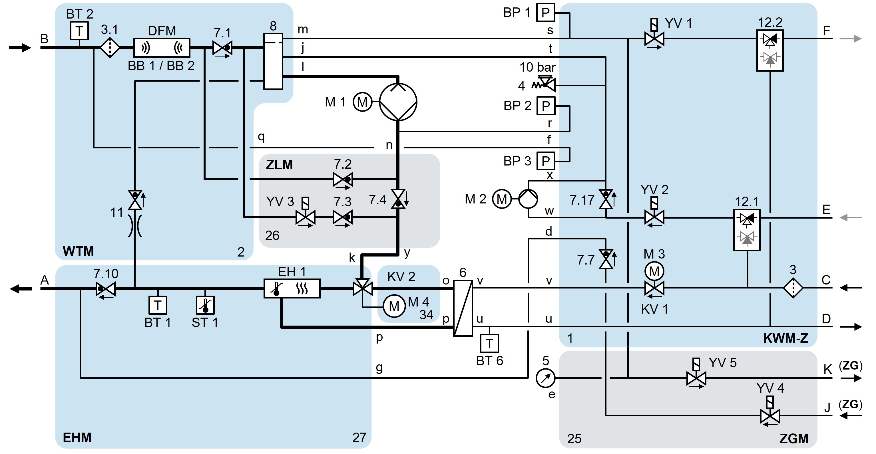
HB-140/160Z61/62-8/16-4S-A2-ZG

Animacja

HB-140/160Z61/62-8/16-4S-A2-ZL-ZF-ZG