Legenda → click aici...

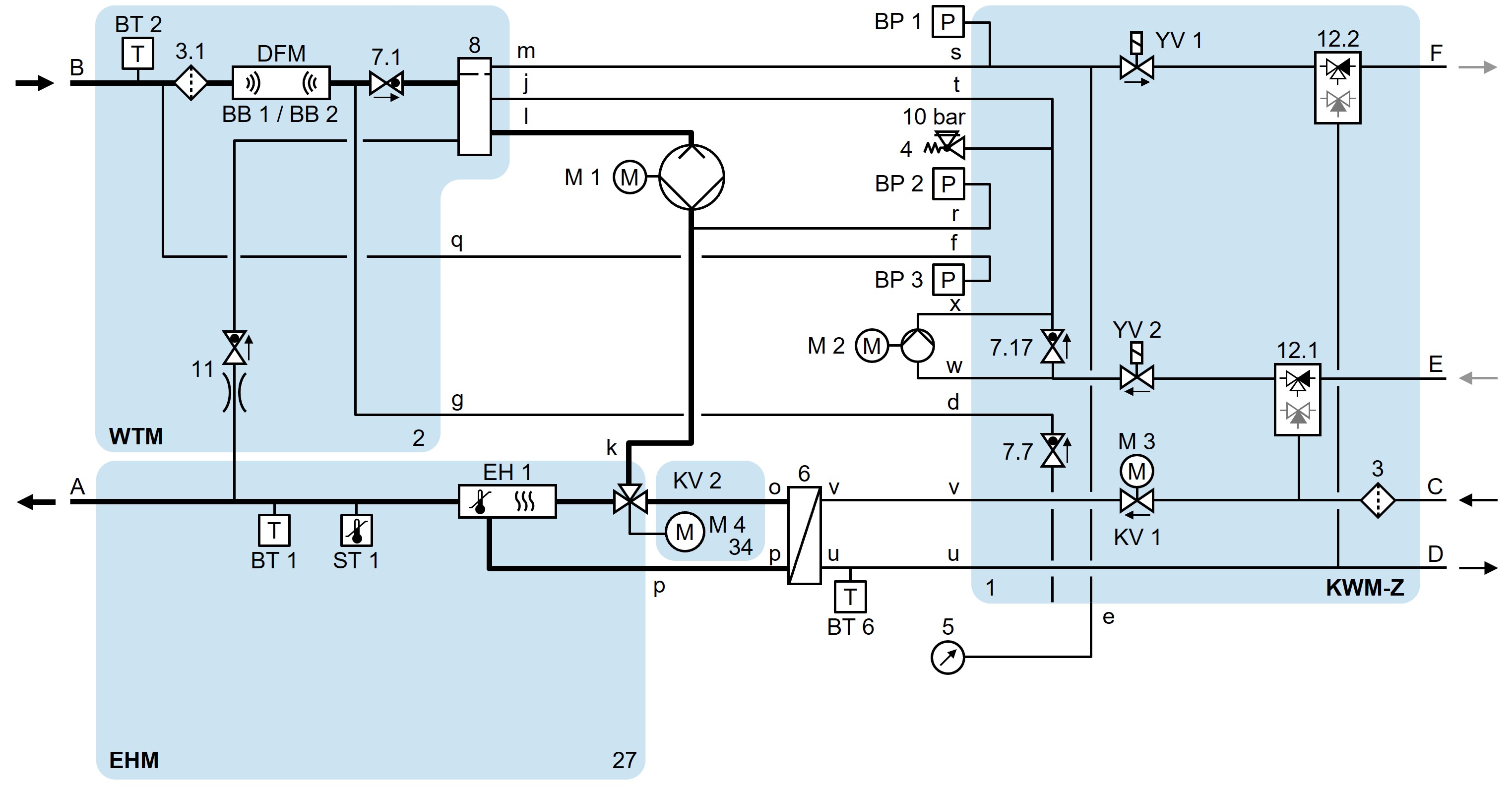
HB-140/160Z61/62-8/16-4S-A2

animație

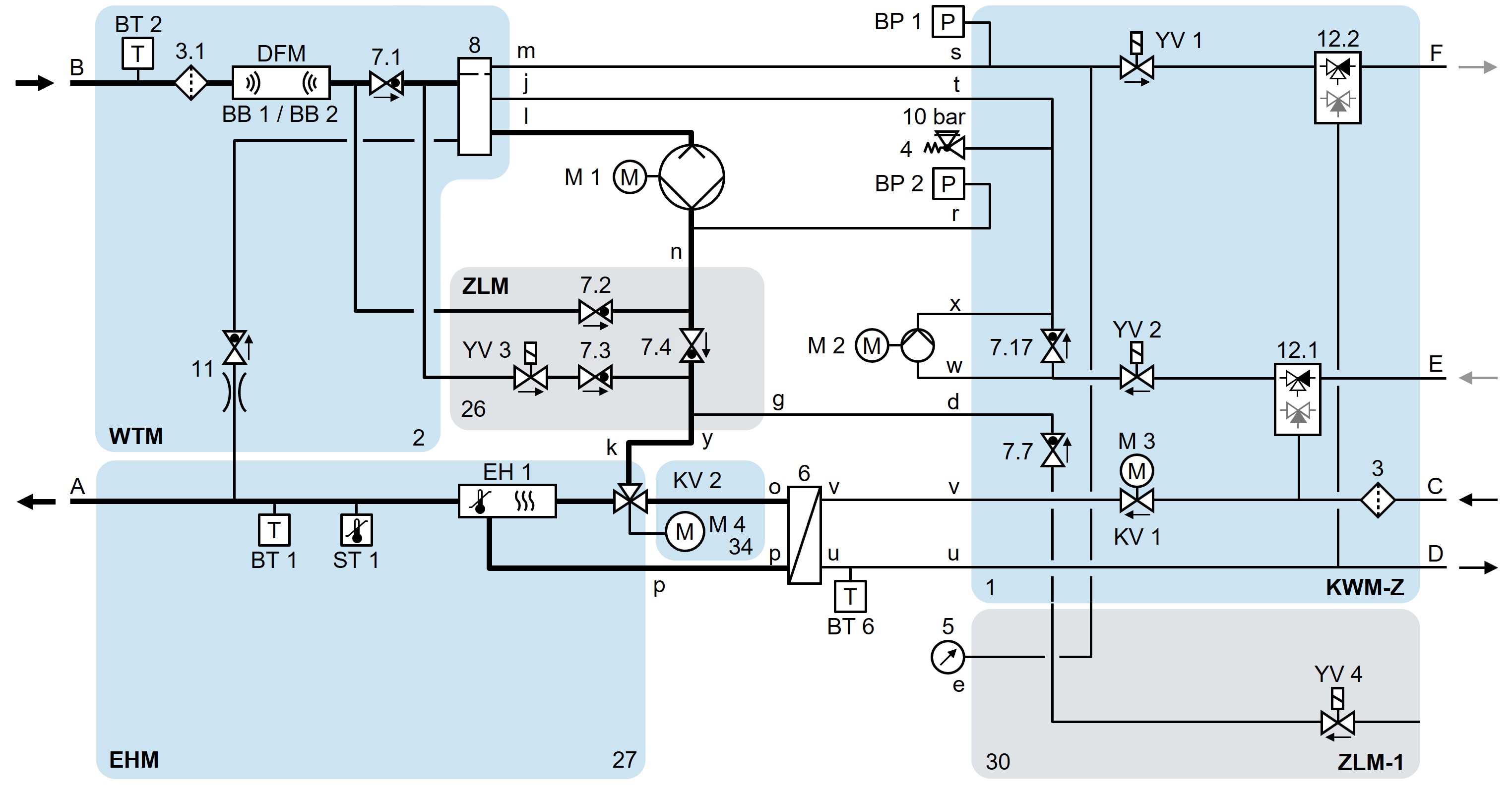
HB-140/160Z61/62-8/16-4S-A2-ZL

animație

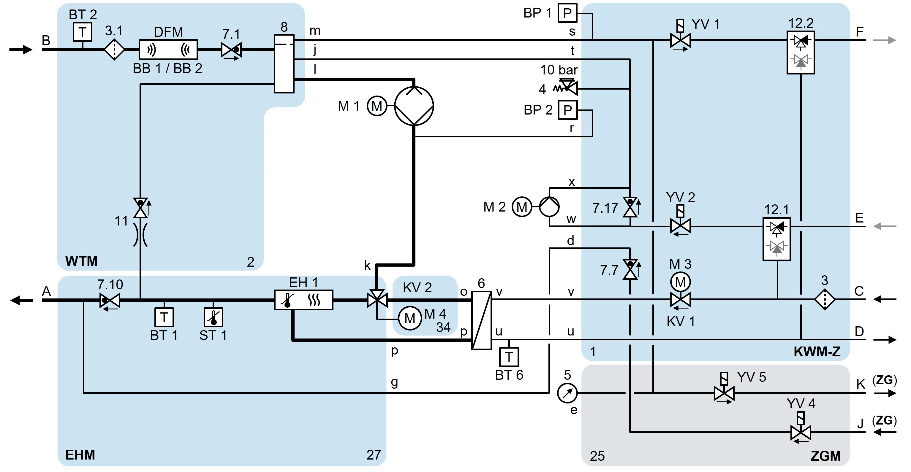
HB-140/160Z61/62-8/16-4S-A2-ZF

HB-140/160Z61/62-8/16-4S-A2-ZG

animație

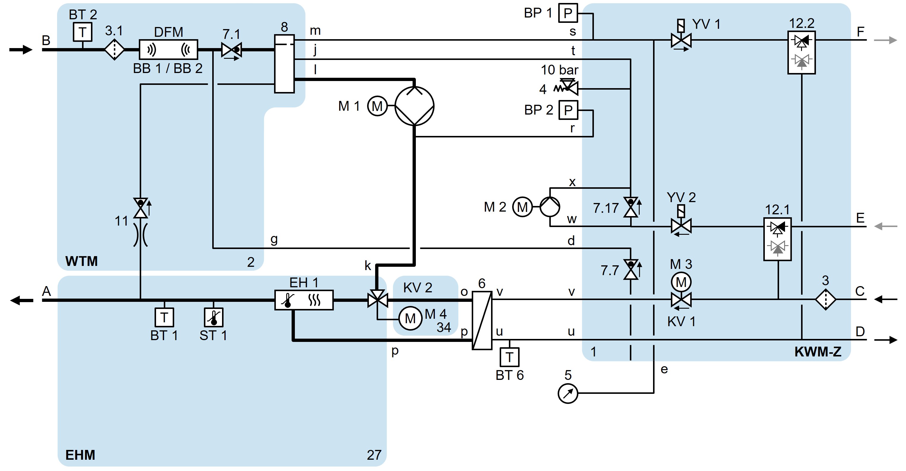
HB-140/160Z61/62-8/16-4S-A2-ZL-ZF-ZG