Данните се обменятмежду контролера на машината и устройството за контрол на температурата Thermo-6 чрез интерфейсен сървър.Gate-6За да контролирате Блок за контрол на температурата чрез външен контролер, щракнете тук...
Ethernet
Ethernet интерфейс OPC UA (EUROMAP 82.1 Release 1.01 / OPC 40082-1)за свързване на максимум 16 Thermo-6 модула за контрол на температурата и за свързване към машината
Превключвател с 2 гнезда RJ-45
ЗАБЕЛЕЖКА!
За всички Ethernet връзки трябва да се използват екранирани кабели от категория 5 или по-високи. Тези кабели се предлагат от стандартни търговци на дребно.
DIGITAL (ZD)
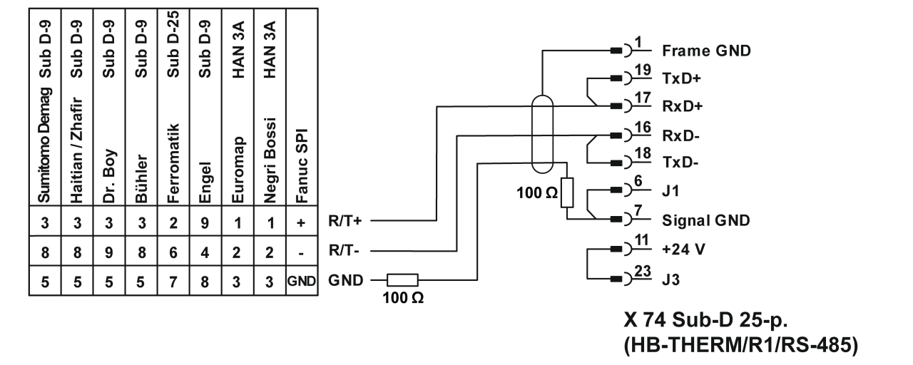
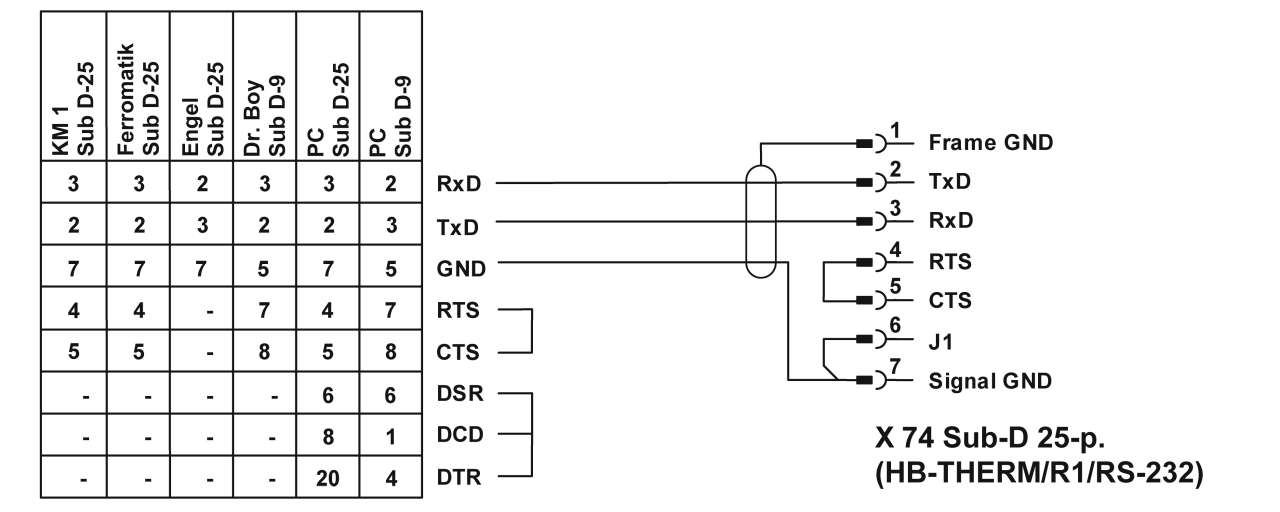
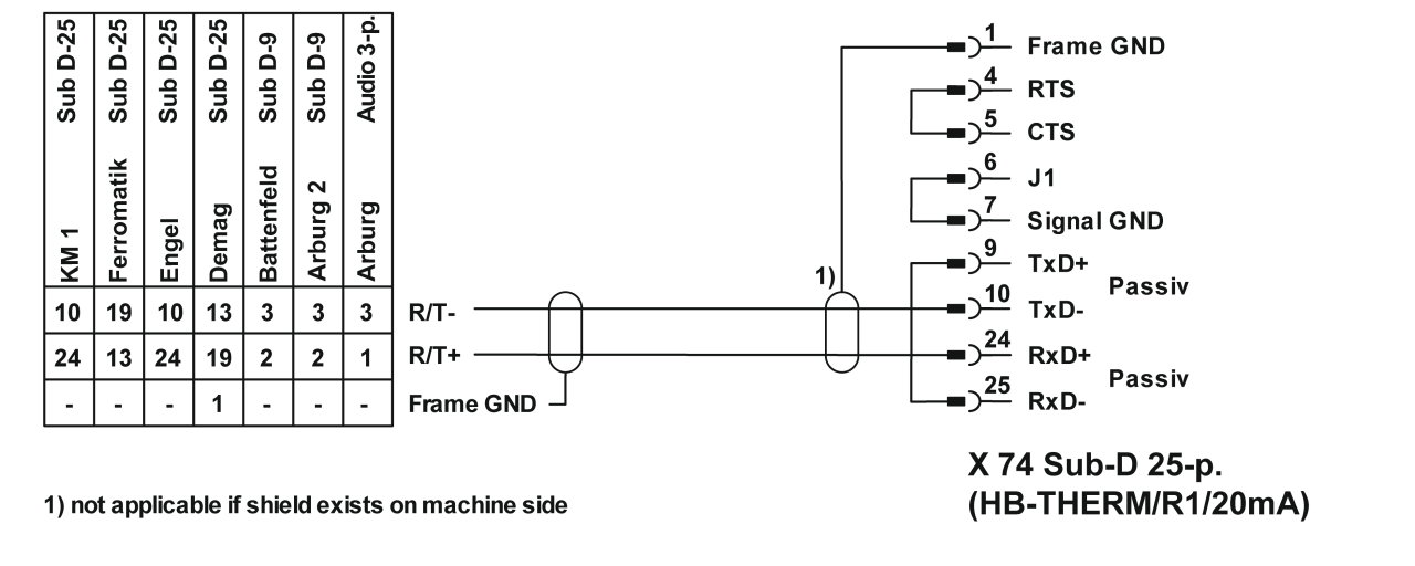
Интерфейс за серийни данни 20 mA, RS-232, RS-422/485 (Billion, Bühler, Dr. Boy, Engel, Ferromatik Milacron, Haitian, KraussMaffei, Negri Bossi, SPI (Fanuc, etc.), Stork, Sumitomo Demag, Wittmann Battenfeld, Zhafir)
1 25-пинов Sub-D гнездо
Интерфейсните кабели могат да бъдат намерени в каталога на аксесоарите
Datenschutz - Data protection - Protection de données
Wir setzen Cookies ein, um Ihnen die Nutzung unserer Webseite zu erleichtern. Weitere Informationen zu Cookies finden Sie in unserer Datenschutzerklärung. We use cookies to help you use our website. More information about cookies can be found in our privacy policy. Notre site utilise des cookies afin de vous garantir un service optimal. En utilisant ce site web, vous acceptez les présentes conditions. Vous trouverez privacy policy de plus amples informations. Privacy Policy