Andmeid vahetatakse masina kontrolleri ja Thermo-6 Temperatuuri reguleerimisseade vahel liides-server kaudu. Gate-6Temperatuuri reguleerimisseade välise kontrolleri abil klõpsake siia...

Ethernet

  • Etherneti liides OPC UA (EUROMAP 82.1 Release 1.01 / OPC 40082-1)maksimaalselt 16 Thermo-6 temperatuuri juhtimisseadme ühendamiseks ja masinaga ühendamiseks

  • Lüliti 2 pistikupesaga RJ-45

MÄRKUS!

Kõigi Etherneti ühenduste puhul tuleb kasutada varjestatud 5. Kategooria Või kõrgemaid kaableid. Need kaablid on saadaval standard jaemüüjad.

DIGITAL (ZD)

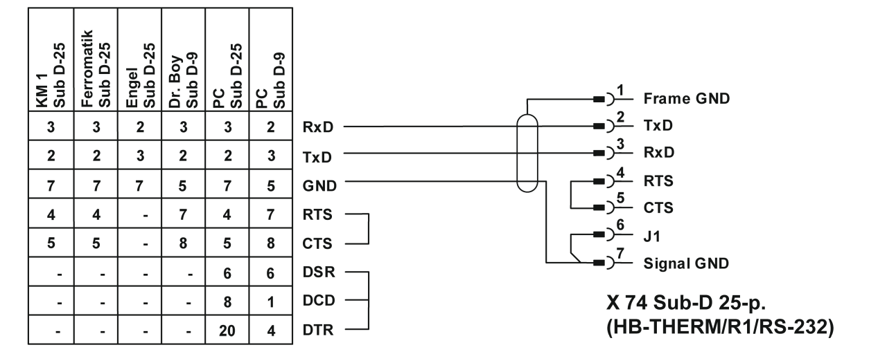
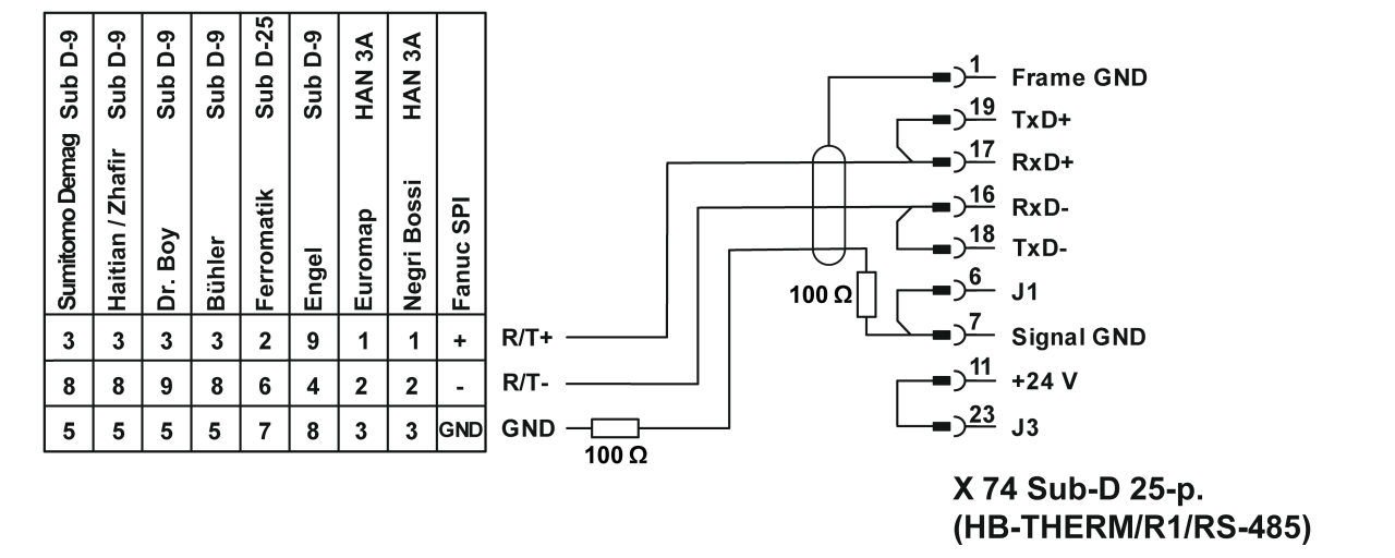
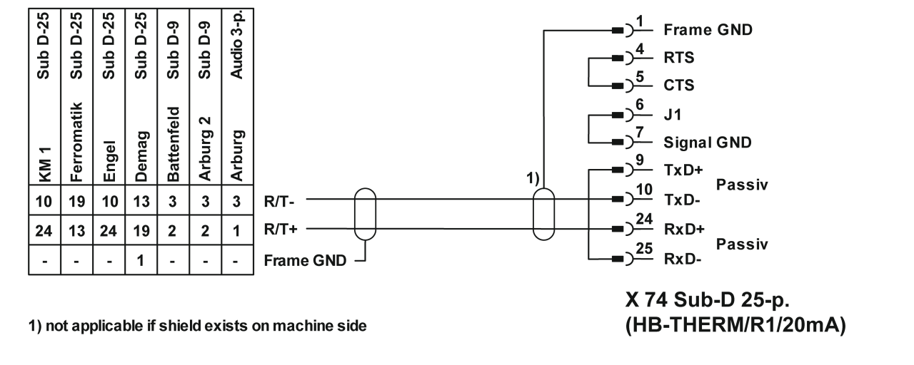
  • Jada-andmeliides 20 mA, RS-232, RS-422/485 (Billion, Bühler, Dr. Boy, Engel, Ferromatik Milacron, Haitian, KraussMaffei, Negri Bossi, SPI (Fanuc, etc.), Stork, Sumitomo Demag, Wittmann Battenfeld, Zhafir)

  • 1 25-pin Sub-D pesa

  • Liidese kaablid leiate tarvikute kataloogist

Kaabli tihvti määramine

20 mA(current loop)

RS-232

RS-485

RS-422(ühenduskaabel)

CAN (ZC)

  • Jada-andmeliides CAN-Bus (Sumitomo Demag), CANopen (EUROMAP 66; Netstal, etc.)
  • 1 Sub-D 9-kontaktiline pesa
  • Liidese kaablid leiate tarvikute kataloogist

Kaabli tihvti määramine

Adapter (ainult Demag masinad,) O/ID T22590

  • Demag: seade 1 aadressiga 13
  • Netstal: Seade 1 aadressiga 31