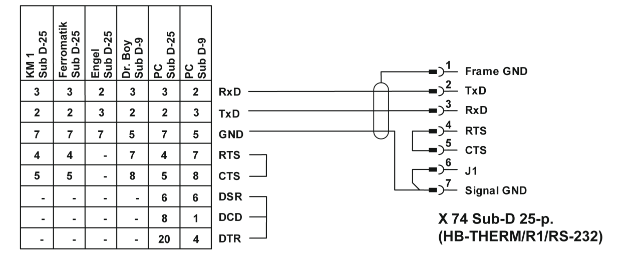
Az adatcsere agépvezérlés és a Thermo-6 hőmérséklet-szabályozó egység között az interfész szerveren keresztül történik. Gate-6A Temperáló készülék külső vezérlőn keresztüli vezérléséhez kattintsonide...
Ethernet
Ethernet csatlakozó maximum 16 Thermo-6 hőmérséklet-szabályozó egység csatlakoztatásához és a géphez való OPC UA (EUROMAP 82.1 Release 1.01 / OPC 40082-1)csatlakoztatáshoz
Kapcsoló 2 aljzattal RJ-45
MEGJEGYZÉS!
Minden Ethernet-csatlakozáshoz árnyékolt 5. Vagy magasabb kategóriájú kábeleket kell használni. Ezek a kábelek a szokásos kiskereskedőktől kaphatók.
Datenschutz - Data protection - Protection de données
Wir setzen Cookies ein, um Ihnen die Nutzung unserer Webseite zu erleichtern. Weitere Informationen zu Cookies finden Sie in unserer Datenschutzerklärung. We use cookies to help you use our website. More information about cookies can be found in our privacy policy. Notre site utilise des cookies afin de vous garantir un service optimal. En utilisant ce site web, vous acceptez les présentes conditions. Vous trouverez privacy policy de plus amples informations. Privacy Policy