データは、インターフェイスサーバーを介してマシン・コントロールとTThermo-6 温度調節機間で交換されますGate-6外部コントローラを介して温度調節機するには、ここをクリックしてください...

Ethernet

  • OPC UA (EUROMAP 82.1 Release 1.01 / OPC 40082-1)最大16台のTThermo-6 温度制御ユニットを接続し、マシンに接続するためのEthernet インターフェイス

  • 2 ソケットのスイッチ RJ-45

注記!

すべての Ethernet 接続には、カテゴリ 5 またはシールドケーブルを使用する必要があります。 これらのケーブルは標準の小売店で購入できます。

DIGITAL (ZD)

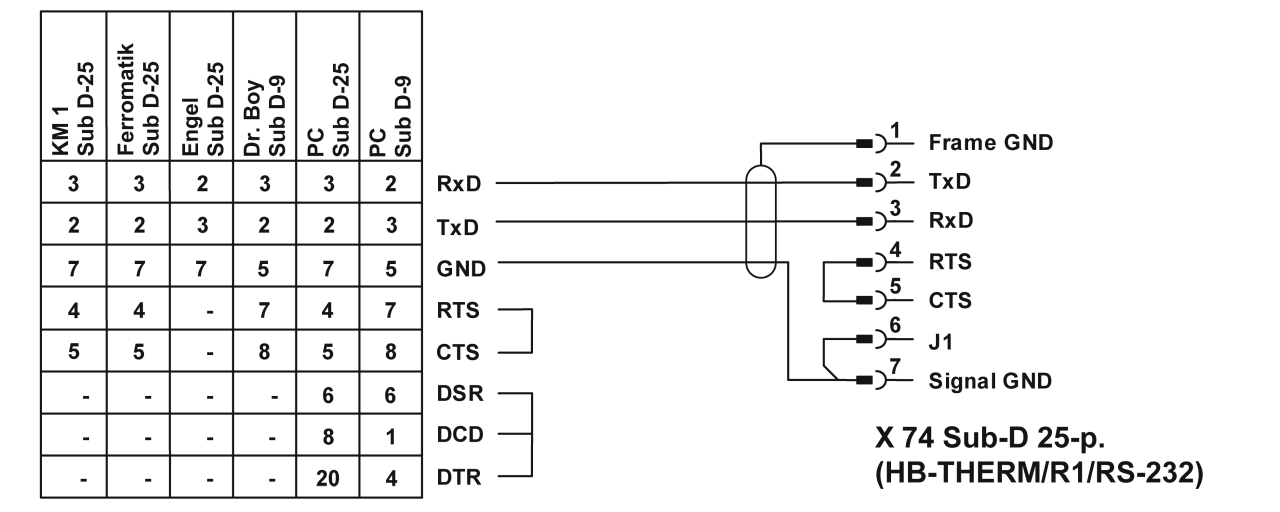
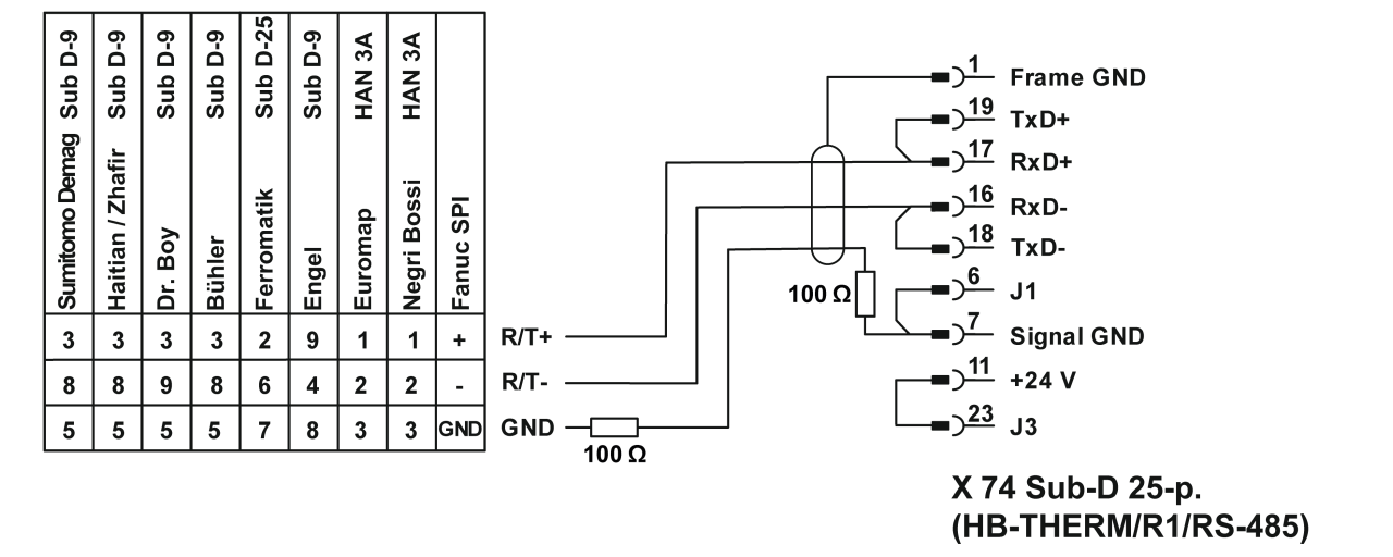
  • シリアル・データインターフェイス 20 mA, RS-232, RS-422/485 (Billion, Bühler, Dr. Boy, Engel, Ferromatik Milacron, Haitian, KraussMaffei, Negri Bossi, SPI (Fanuc, etc.), Stork, Sumitomo Demag, Wittmann Battenfeld, Zhafir)

  • コネクター 25 ピン (メス)

  • インターフェースケーブルはアクセサリカタログにあります。

ケーブルピンアサインメント

20 mA(current loop)

RS-232

RS-485

RS-422(接続ケーブル)

CAN (ZC)

  • シリアル・データインターフェイス CAN-Bus (Sumitomo Demag), CANopen (EUROMAP 66; Netstal, etc.)
  • コネクタード 9 ピン (メス)
  • インターフェースケーブルはアクセサリカタログにあります。

ケーブルピン割り当て

アダプター (Demag マシンのみ) O/ID T22590

  • Demag: アドレス 13 のディバイス 1
  • Netstal: アドレス 31 のデバイス 1