Dane są wymieniane między układem sterowania maszyny a jednostką sterującą temperaturą Thermo-6 za pośrednictwem serwera interfejsu. Gate-6Aby sterować jednostką sterującą temperaturą za pomocą zewnętrznego sterownika, kliknij tutaj...

Ethernet

  • Interfejs Ethernet OPC UA (EUROMAP 82.1 Release 1.01 / OPC 40082-1)do podłączenia maksymalnie 16 jednostek kontroli temperatury Thermo-6 i do przyłączenia do urządzenia

  • Przełącznik z 2 gniazdami RJ-45

UWAGA!

Ekranowane kable kategorii 5 lub wyższej muszą być używane do wszystkich połączeń Ethernet. Kable te są dostępne u standardowych sprzedawców detalicznych.

DIGITAL (ZD)

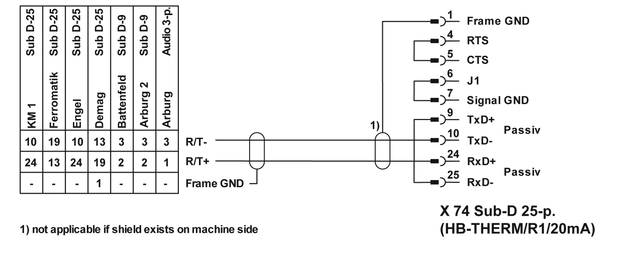
  • Szeregowy interfejs danych 20 mA, RS-232, RS-422/485 (Billion, Bühler, Dr. Boy, Engel, Ferromatik Milacron, Haitian, KraussMaffei, Negri Bossi, SPI (Fanuc, etc.), Stork, Sumitomo Demag, Wittmann Battenfeld, Zhafir)

  • 1 wtyk Sub-D 25-stykowy

  • Kable interfejsu można znaleźć w katalogu akcesoriów

Przypisanie pinów kablowych

20 mA(current loop)

RS-232

RS-485

RS-422(kabel przyłączeniowy)

CAN (ZC)

  • Szeregowy interfejs danych CAN-Bus (Sumitomo Demag), CANopen (EUROMAP 66; Netstal, etc.)
  • 1 wtyk Sub-D 9-stykowy
  • Kable interfejsu można znaleźć w katalogu akcesoriów

Przypisanie pinów kablowych

Adapter (tylko dla maszyn Demag,) O/ID T22590

  • Demag: urządzenie 1 z adresem 13
  • Netstal: Urządzenie 1 z adresem 31