Údaje sa vymieňajú medzi regulátorom stroja a riadiacou jednotkou teploty Thermo-6 cez server rozhrania. Gate-6Riadiaca jednotka teploty ovládate pomocou externého ovládača kliknite sem...

Ethernet

  • Ethernetové rozhranie OPC UA (EUROMAP 82.1 Release 1.01 / OPC 40082-1)pre pripojenie maximálne 16 regulačných jednotiek teploty Thermo-6 a pre pripojenie k zariadeniu

  • Prepínač s 2 zásuvkami RJ-45

POZNÁMKA!

Tienené káble kategórie 5 alebo vyššie musia byť použité pre všetky ethernetové pripojenia. Tieto káble sú k dispozícii od štandardných predajcov.

DIGITAL (ZD)

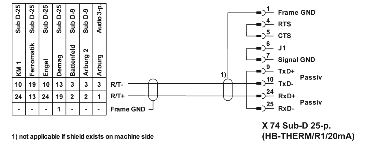
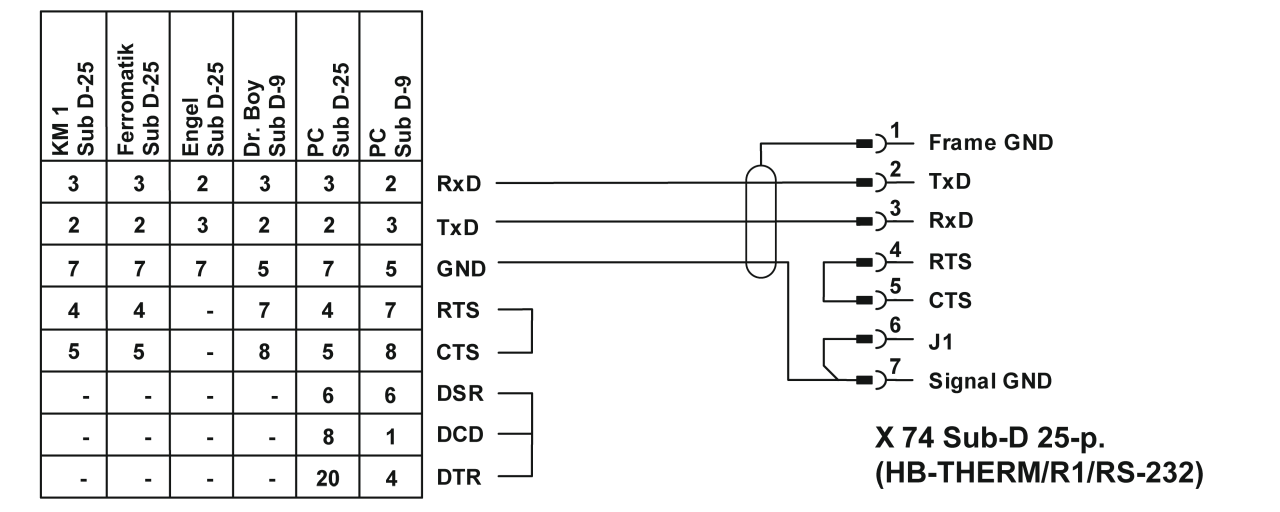
  • Sériové dátové rozhranie 20 mA, RS-232, RS-422/485 (Billion, Bühler, Dr. Boy, Engel, Ferromatik Milacron, Haitian, KraussMaffei, Negri Bossi, SPI (Fanuc, etc.), Stork, Sumitomo Demag, Wittmann Battenfeld, Zhafir)

  • 1 25-pinová zásuvka Sub-D

  • Káble rozhrania nájdete v katalógu príslušenstva

Priradenie káblového kolíka

20 mA(current loop)

RS-232

RS-485

RS-422(pripojovací kábel)

CAN (ZC)

  • Sériové dátové rozhranie CAN-Bus (Sumitomo Demag), CANopen (EUROMAP 66; Netstal, etc.)
  • 1 9-pinová zásuvka Sub-D
  • Káble rozhrania nájdete v katalógu príslušenstva

Priradenie káblového kolíka

Adaptér (iba pre stroje Demag,) O/ID T22590

  • Demag: zariadenie 1 s adresou 13
  • Netstal: Zariadenie 1 s adresou 31