Легенда → натиснете тук...

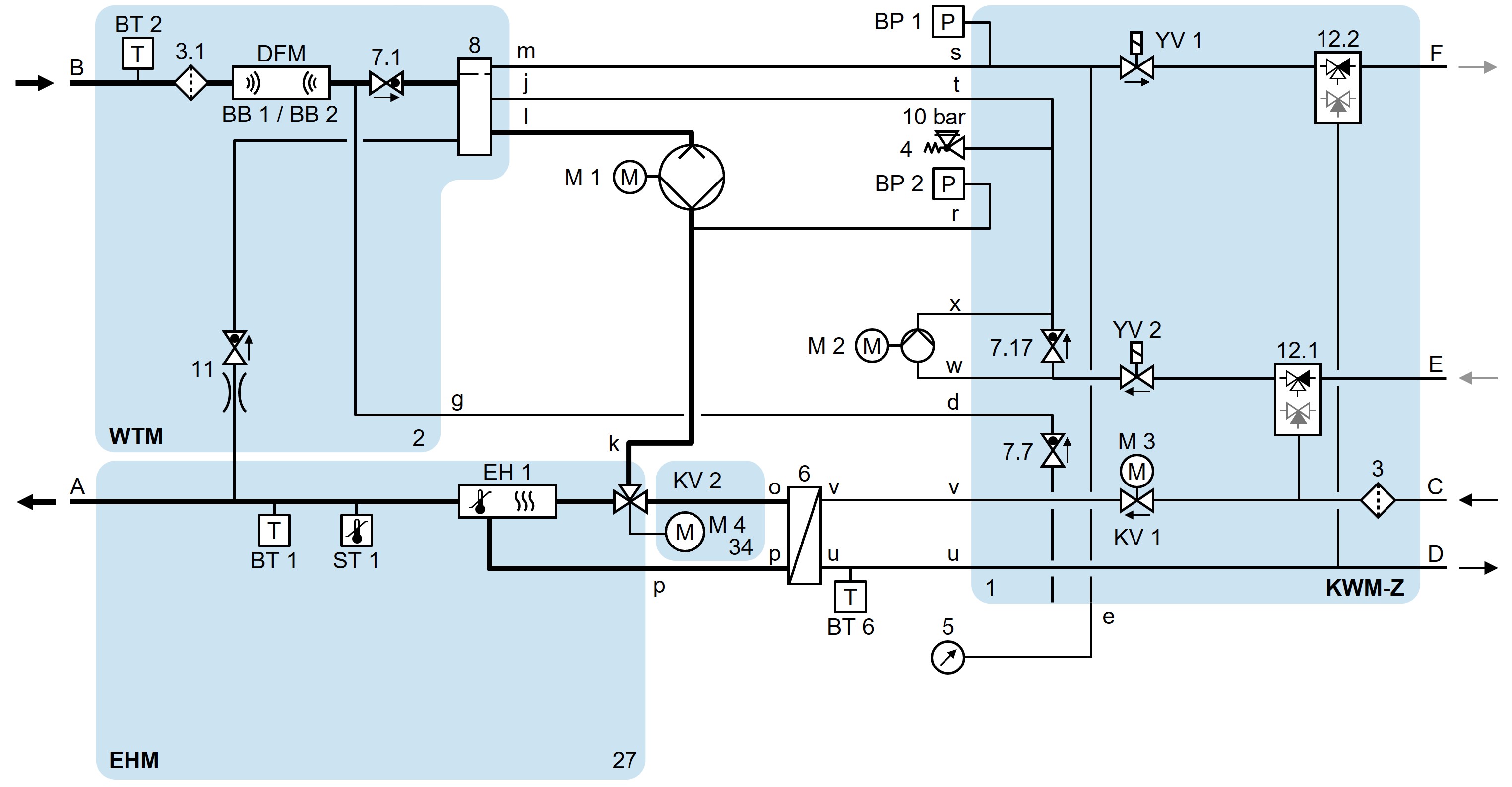
ВБ-140/160З61/62-8/16-4С-А2

Анимация

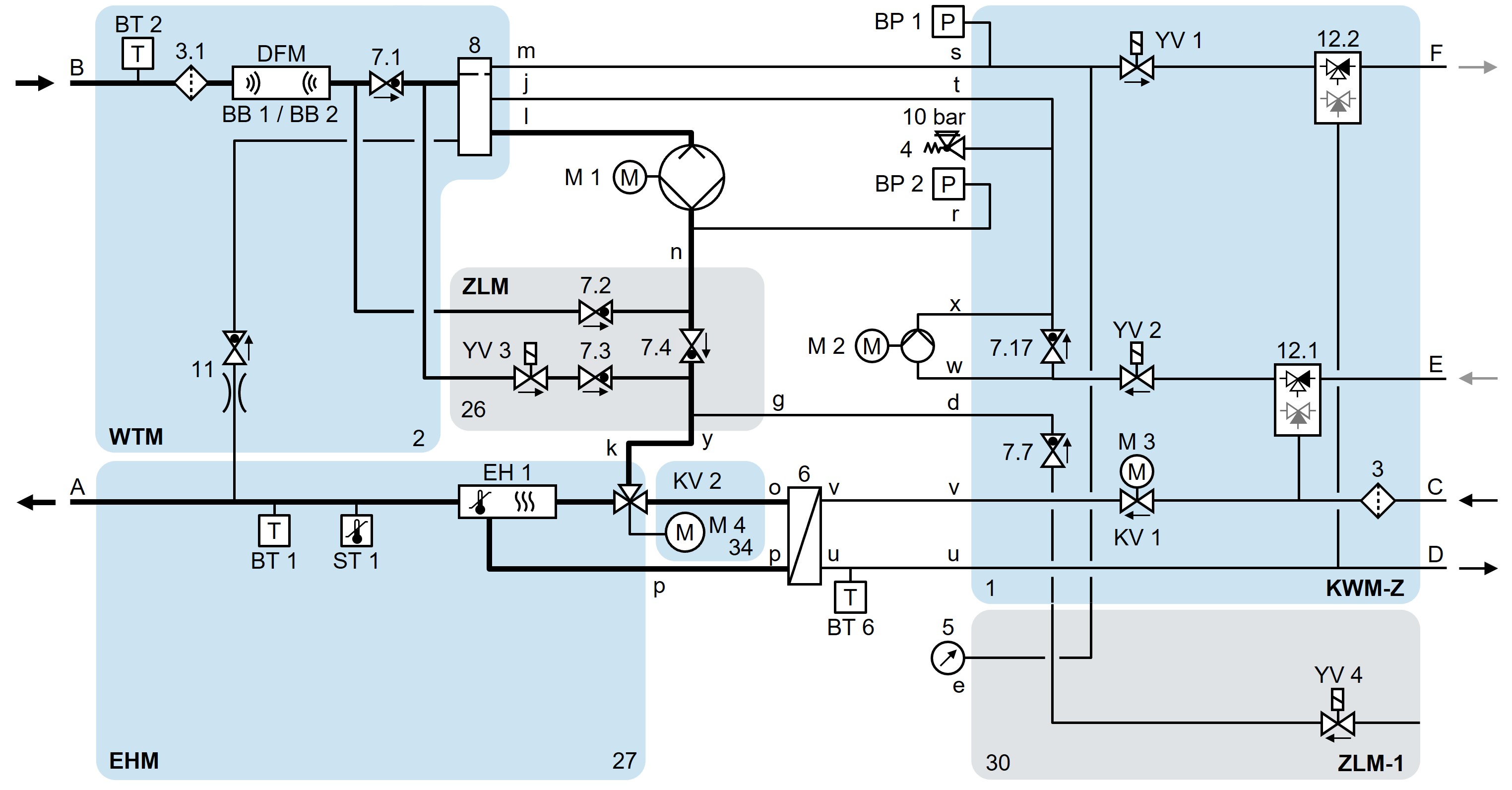
ВБ-140/160З61/62-8/16-4С-А2-ЗЛ

Анимация

ВБ-140/160З61/62-8/16-4С-А2-ЗФ

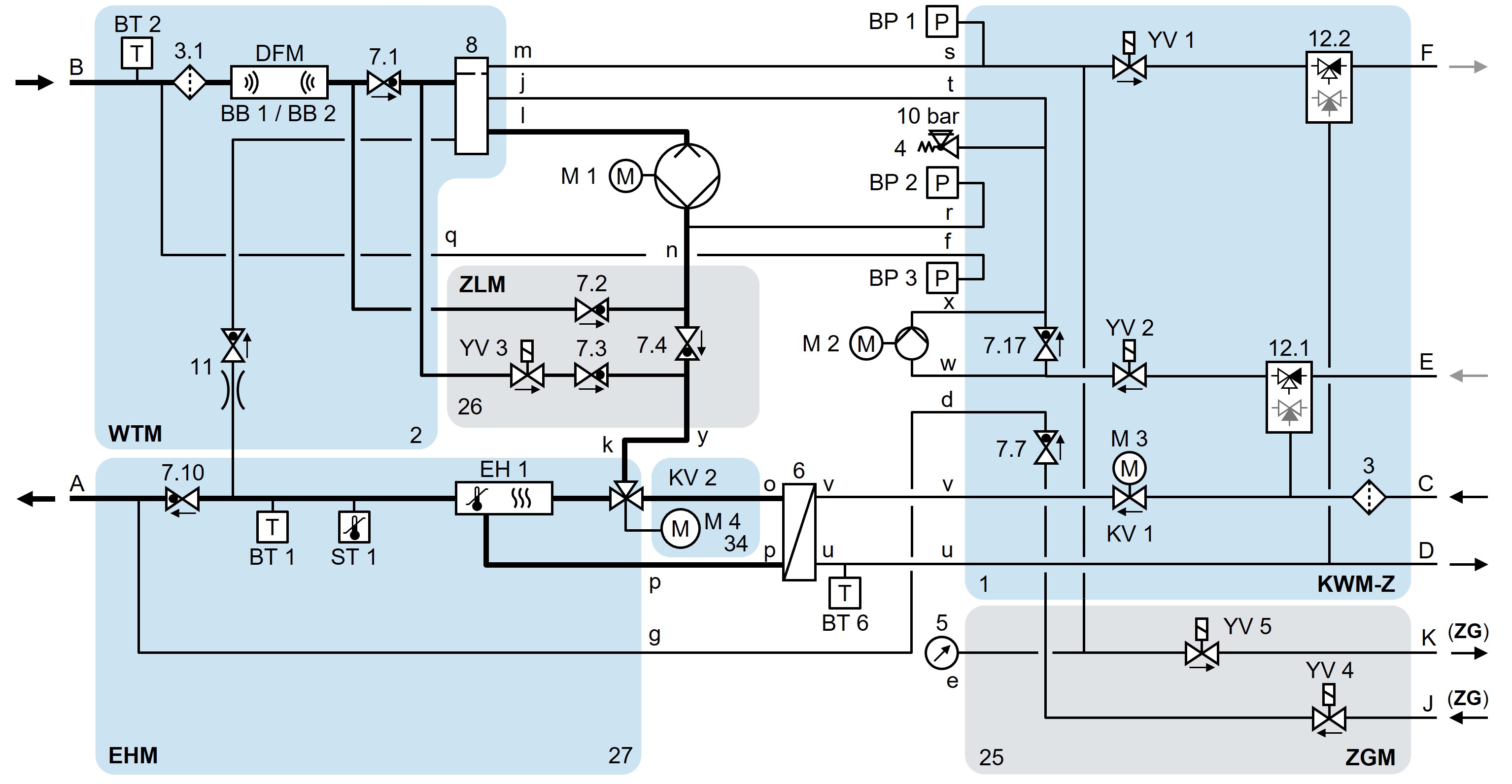
ВБ-140/160З61/62-8/16-4С-А2-ЗГ

Анимация

ВБ-140/160З61/62-8/16-4С-А2-ЗЛ-ЗФ-ЗГ