Θρύλος → κάντε κλικ εδώ...

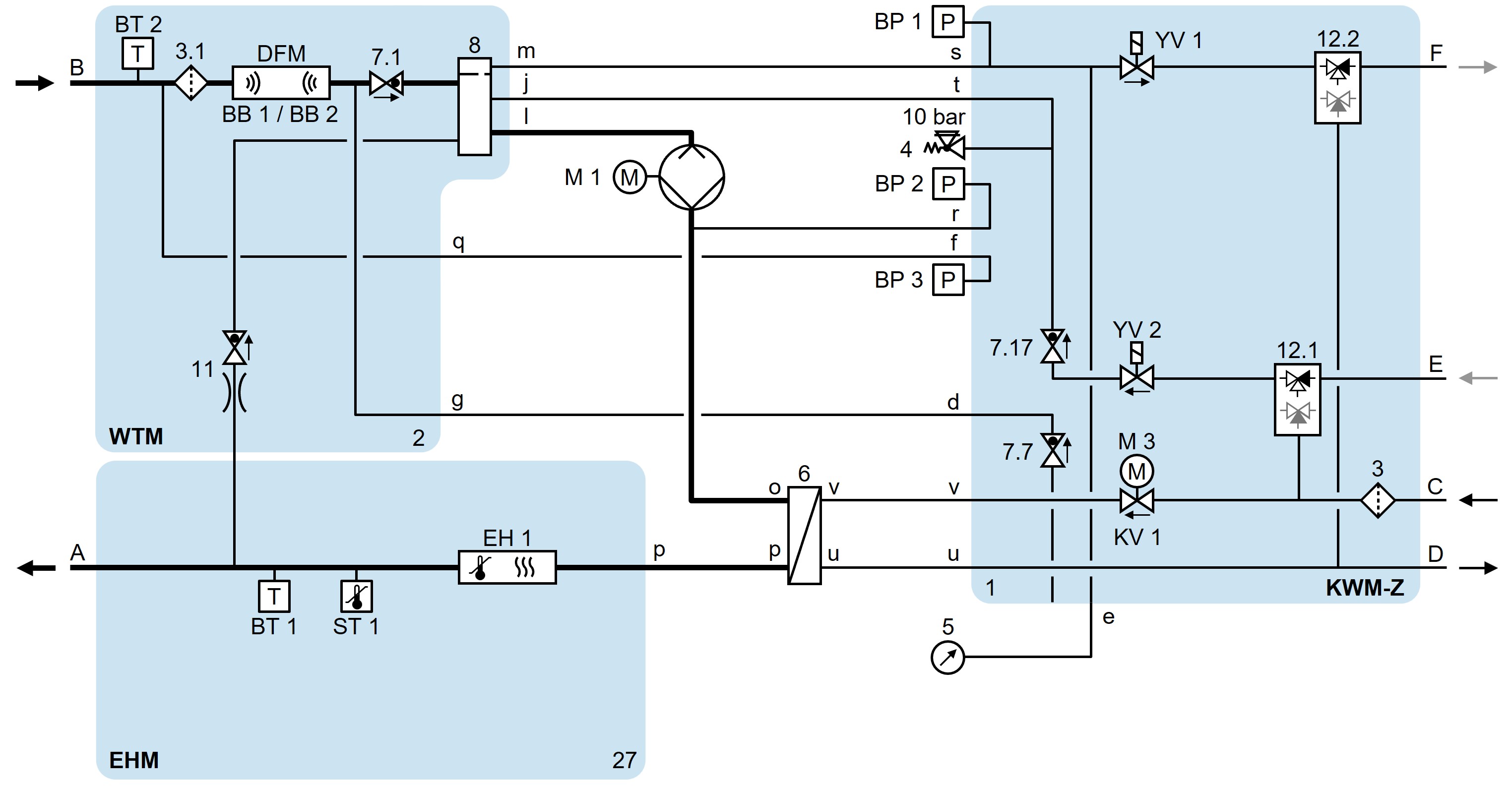
ΗΒ-100Ζ61/62-8/16-4Τ-Α2

Κινουμένων σχεδίων

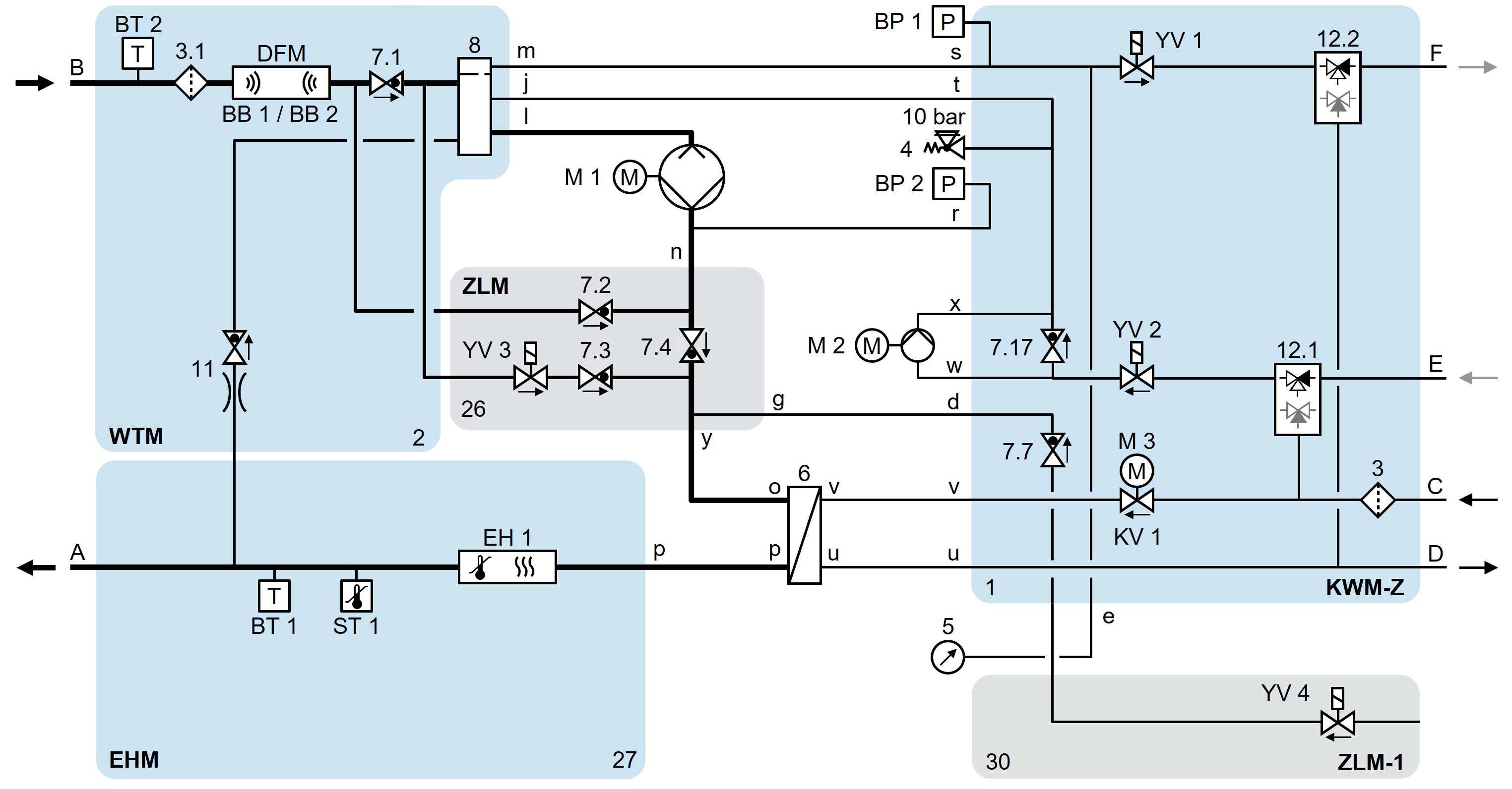
ΗΒ-100Ζ61/62-8/16-4Τ-Α2-ΖΛ

Κινουμένων σχεδίων

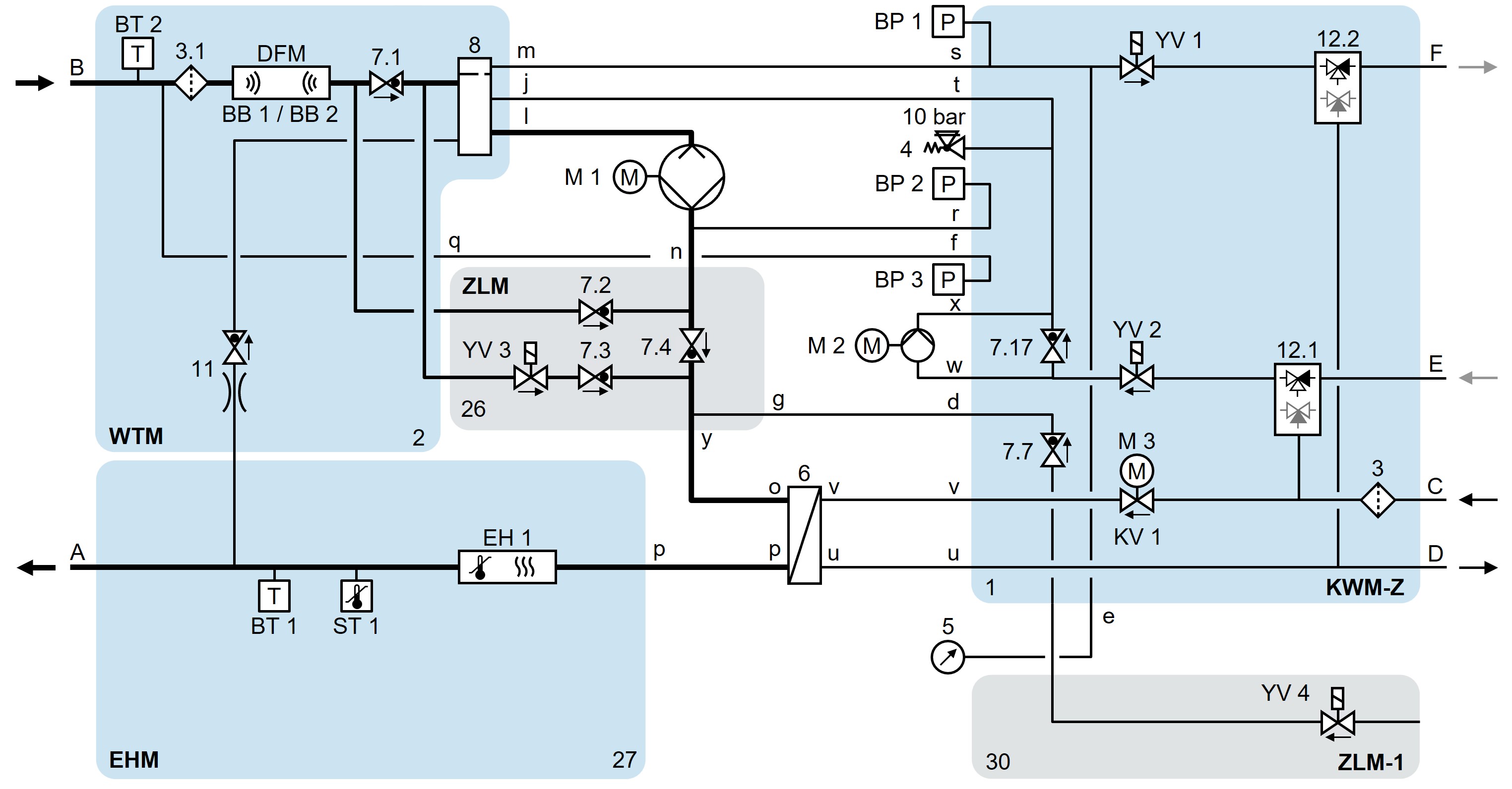
ΗΒ-100Ζ61/62-8/16-4Τ-Α2-ΖΦ

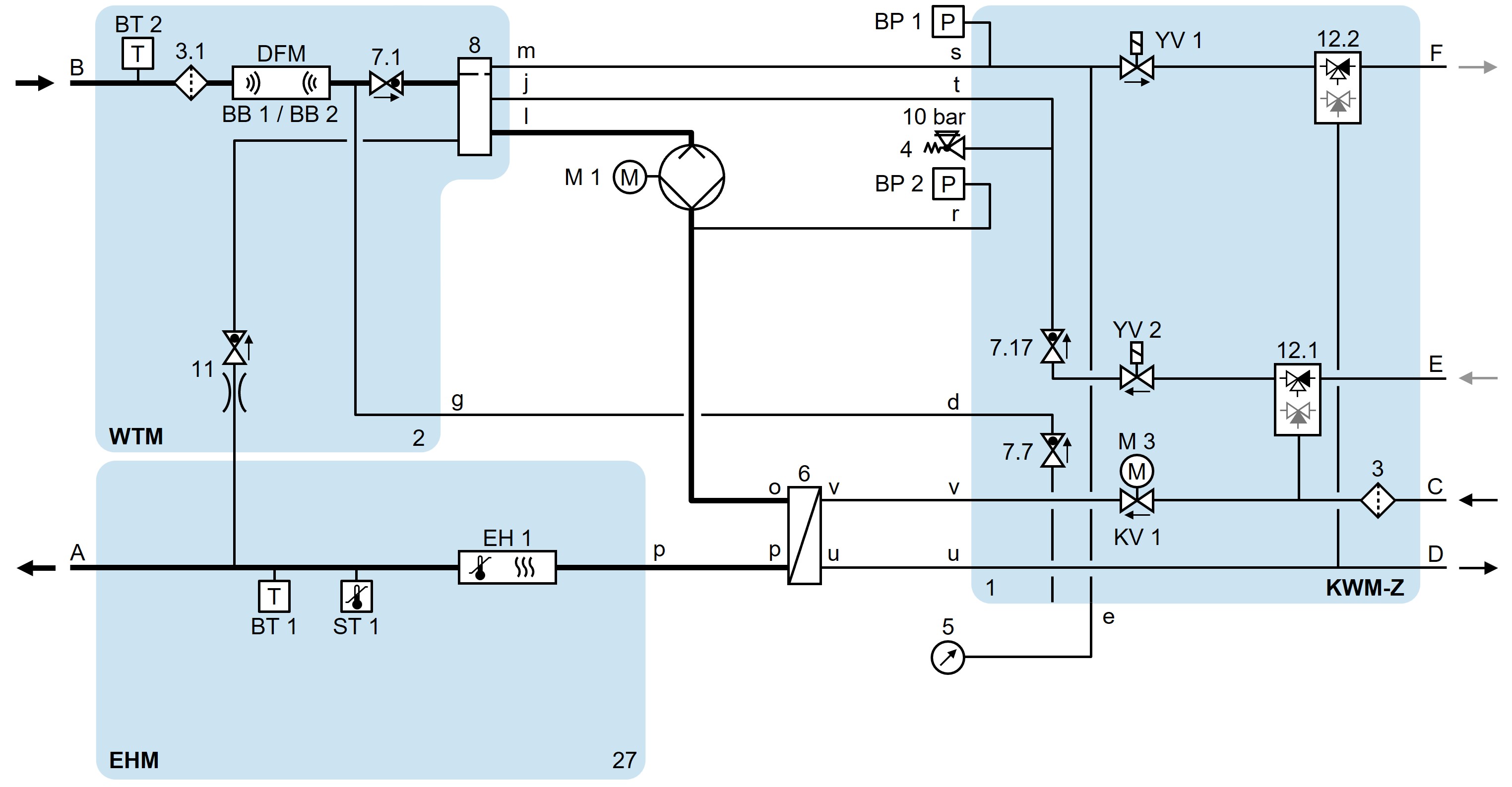
ΗΒ-100Ζ61/62-8/16-4Τ-Α2-ΖΓ

Κινουμένων σχεδίων

ΗΒ-100Ζ61/62-8/16-4Τ-Α2-ΖΛ-ΖΦ

ΗΒ-100Ζ61/62-8/16-4Τ-Α2-ΖΛ-ΖΦ-ΖΖΓ