Legend → haga clic aquí...

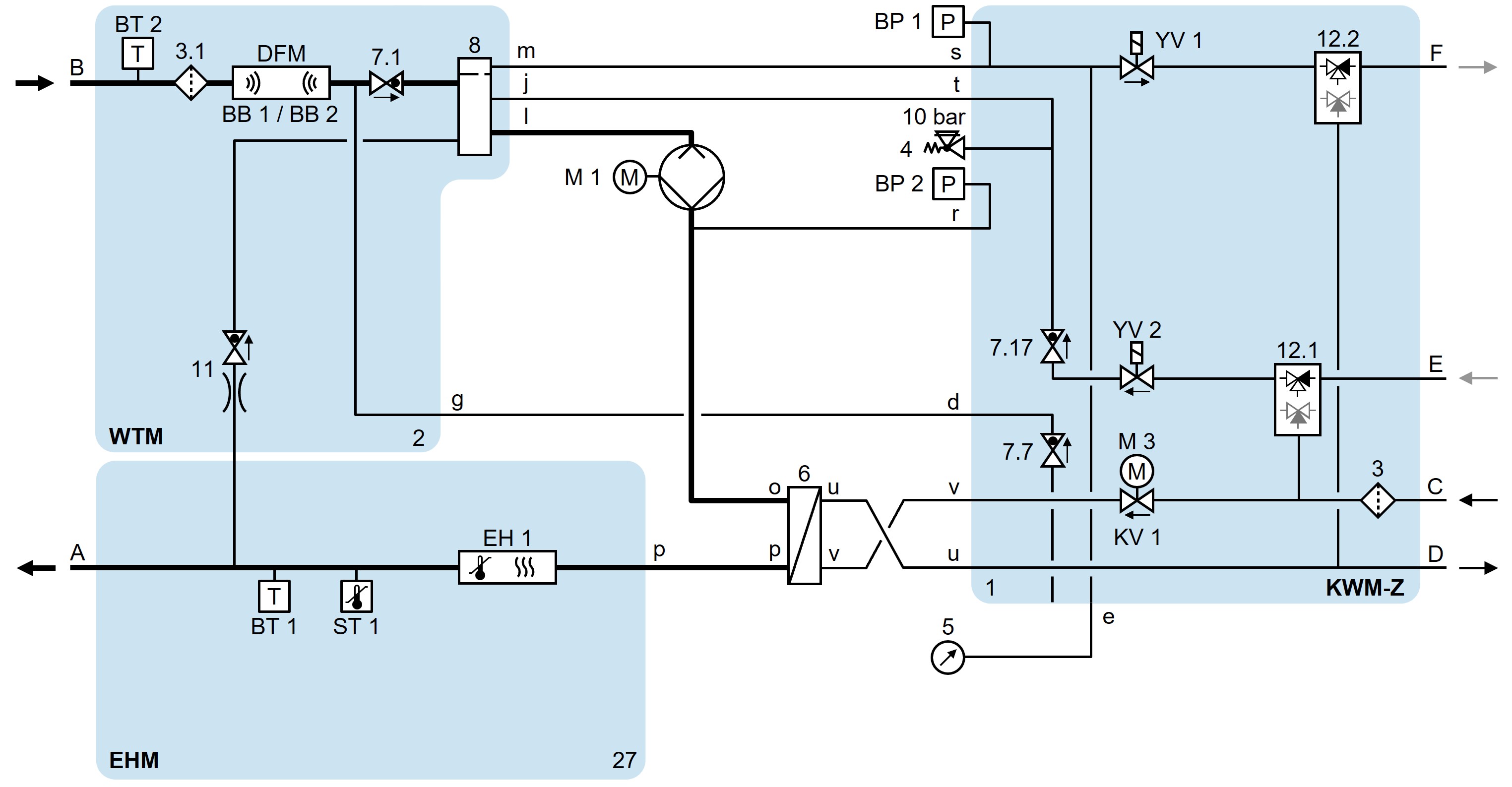
HB-100Z62-16-4T-B2

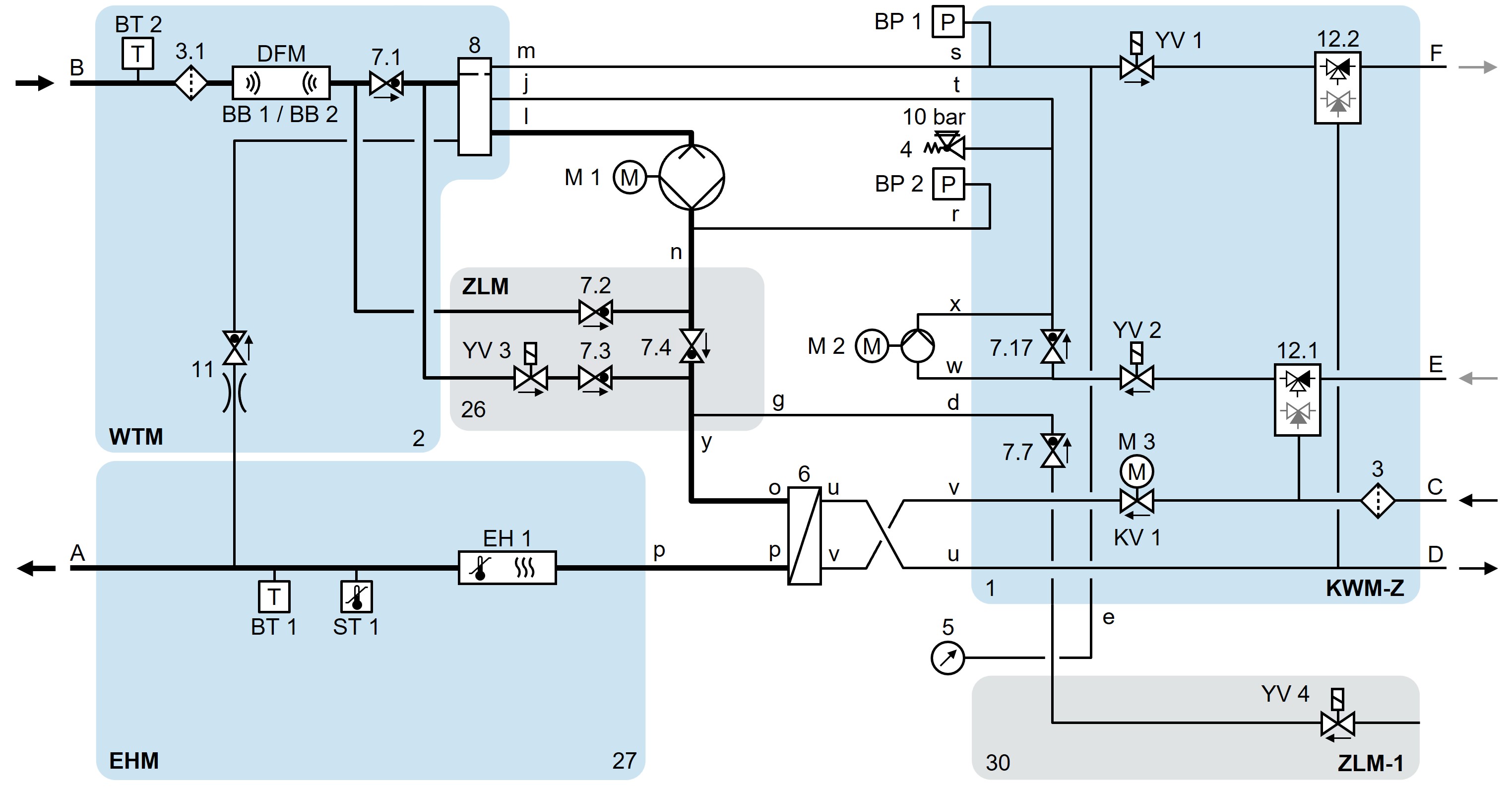
HB-100Z62-16-4T-B2-ZL

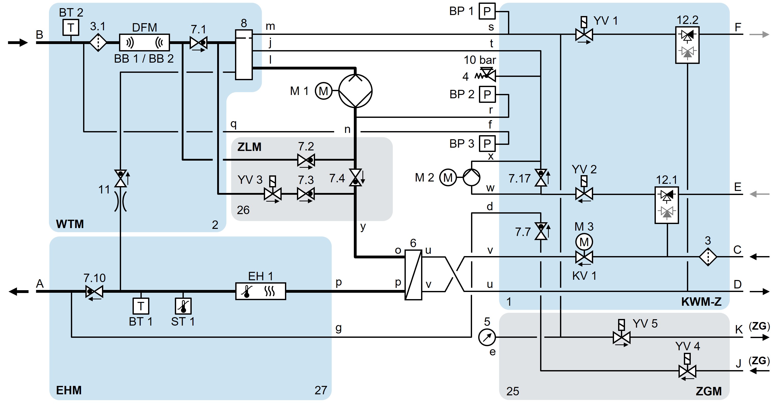
HB-100Z62-16-4T-B2-ZF

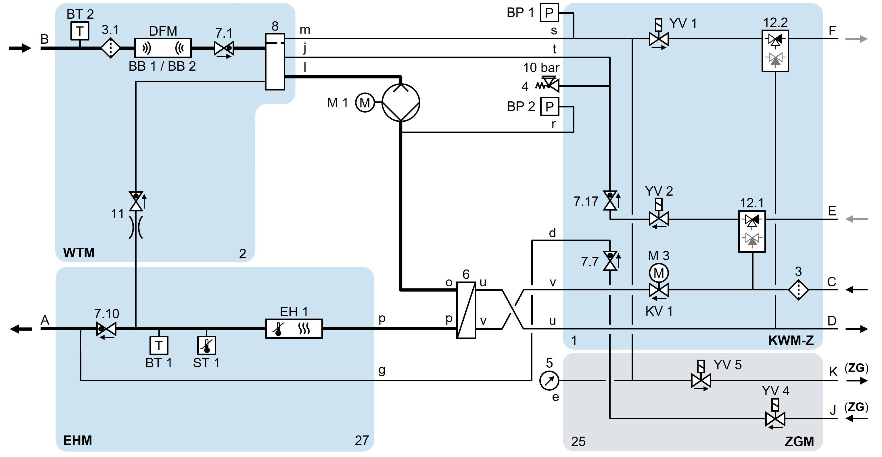
HB-100Z62-16-4T-B2-ZG

HB-100Z62-16-4T-B2-ZL-ZF-ZG