Legend → kliki siia...

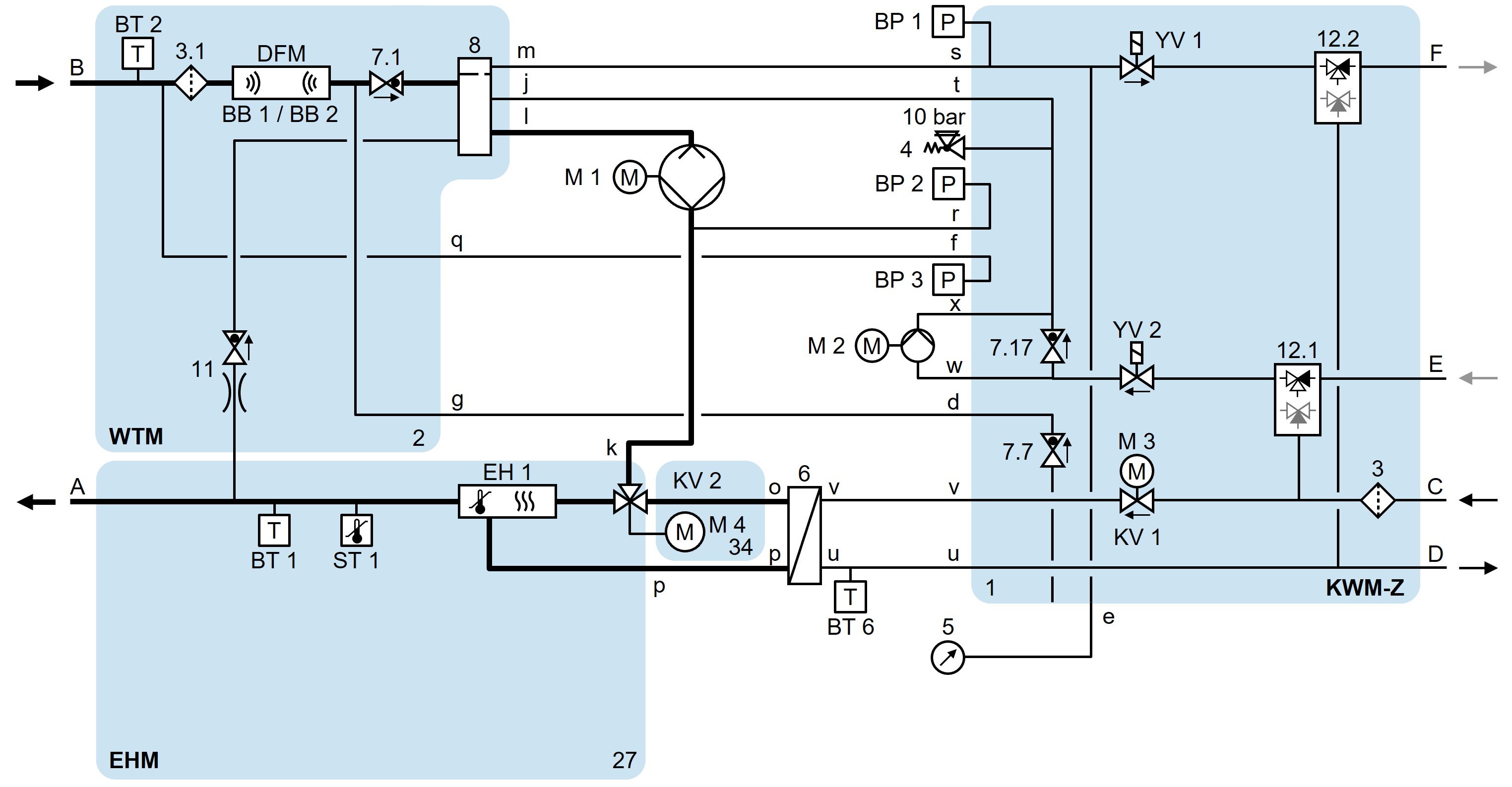
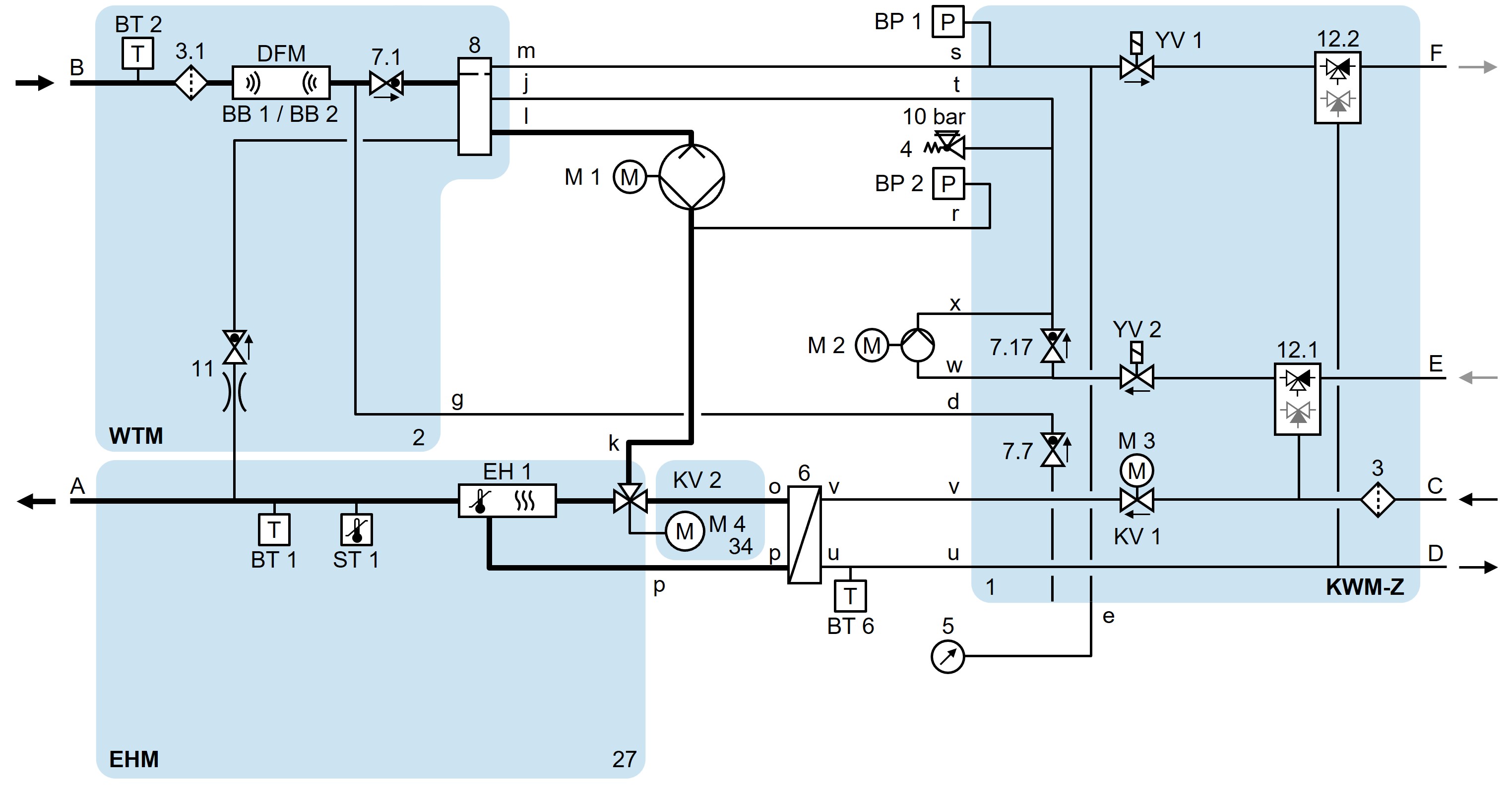
HB-140/160Z61/62-8/16-4S-A2

Animatsioon

HB-140/160Z61/62-8/16-4S-A2-ZL

Animatsioon

HB-140/160Z61/62-8/16-4S-A2-ZF

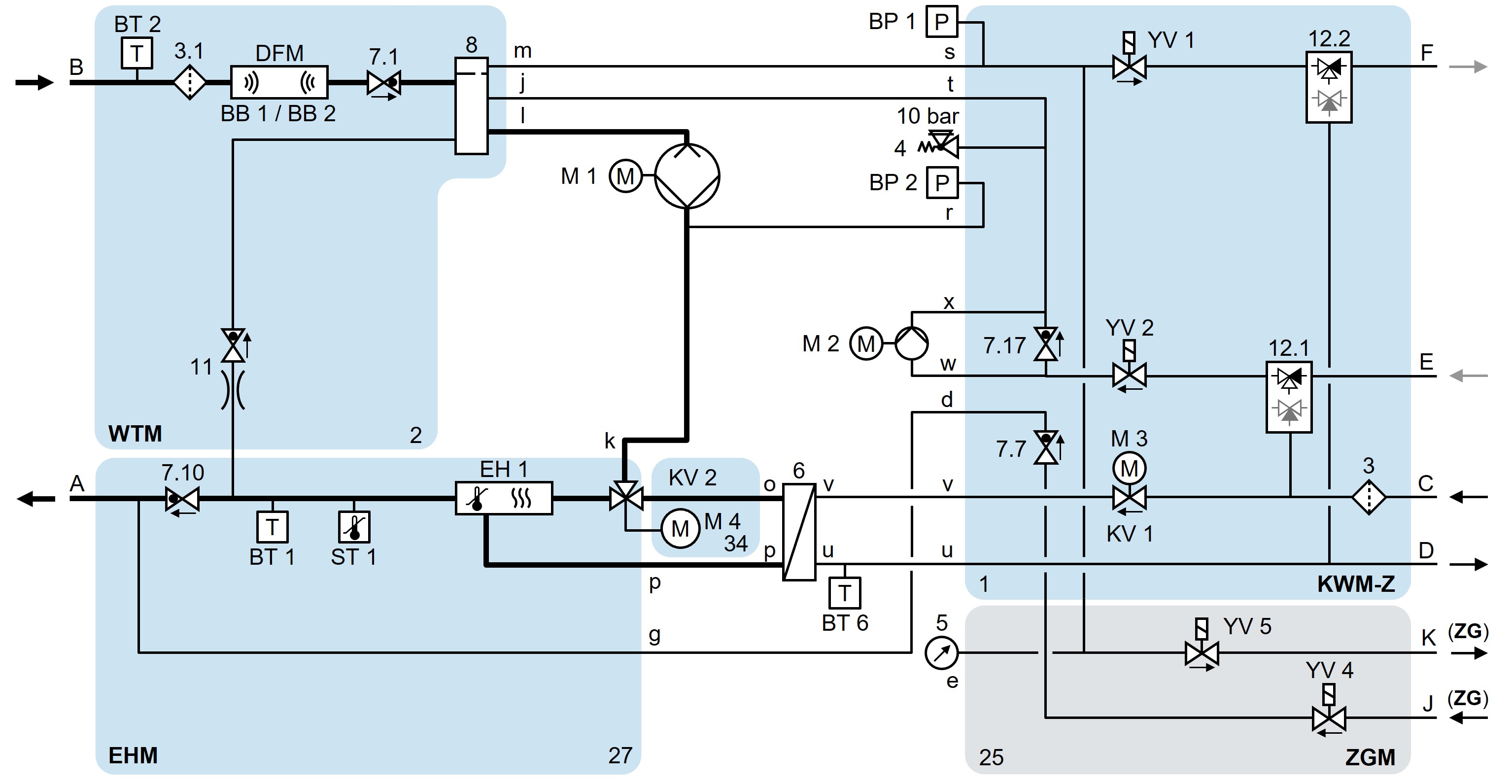
HB-140/160Z61/62-8/16-4S-A2-ZG

Animatsioon

HB-140/160Z61/62-8/16-4S-A2-ZL-ZF-ZG