Légende → cliquez ici...

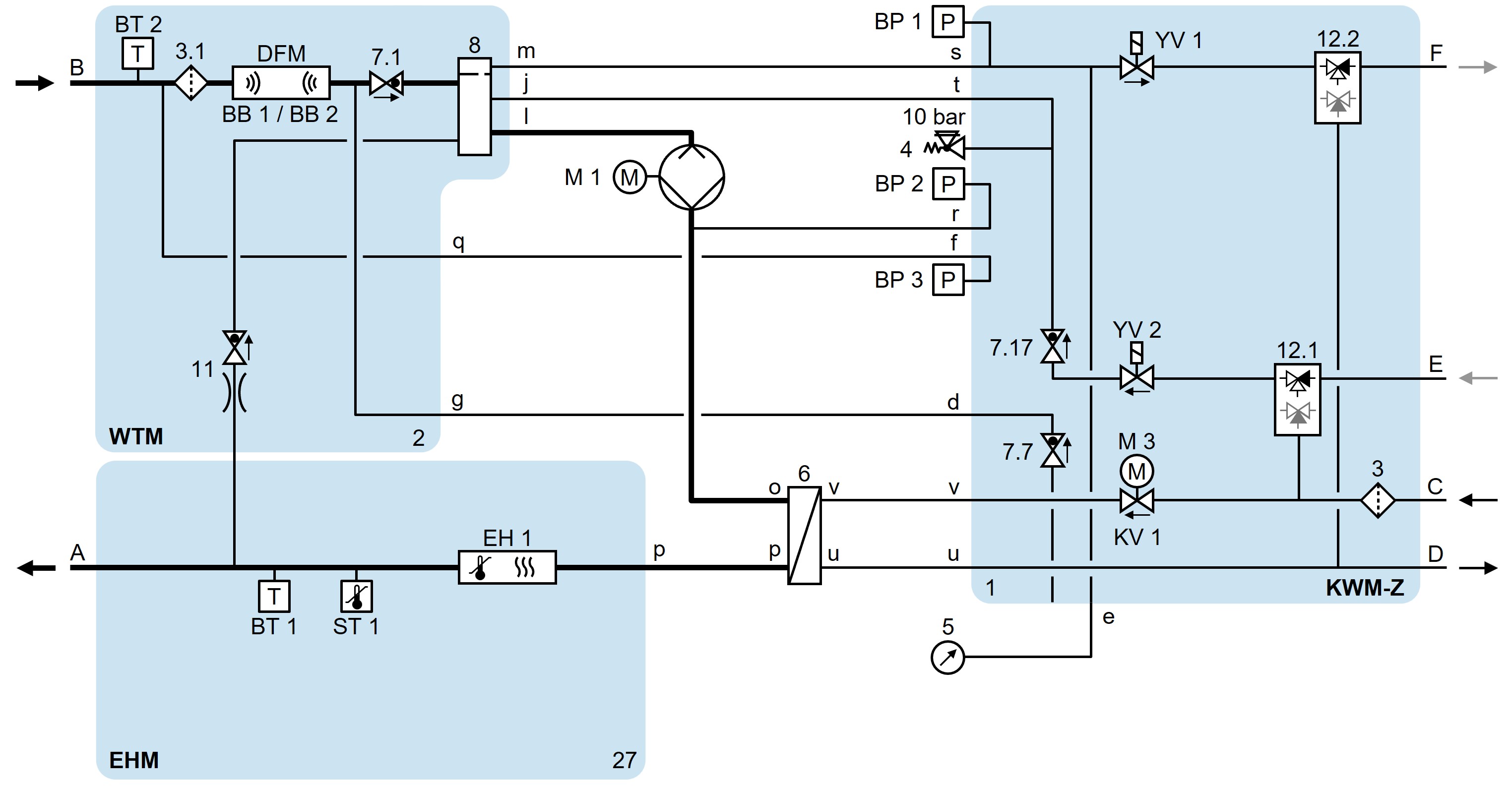
HB-100Z61/62-8/16-4T-A2

Animation

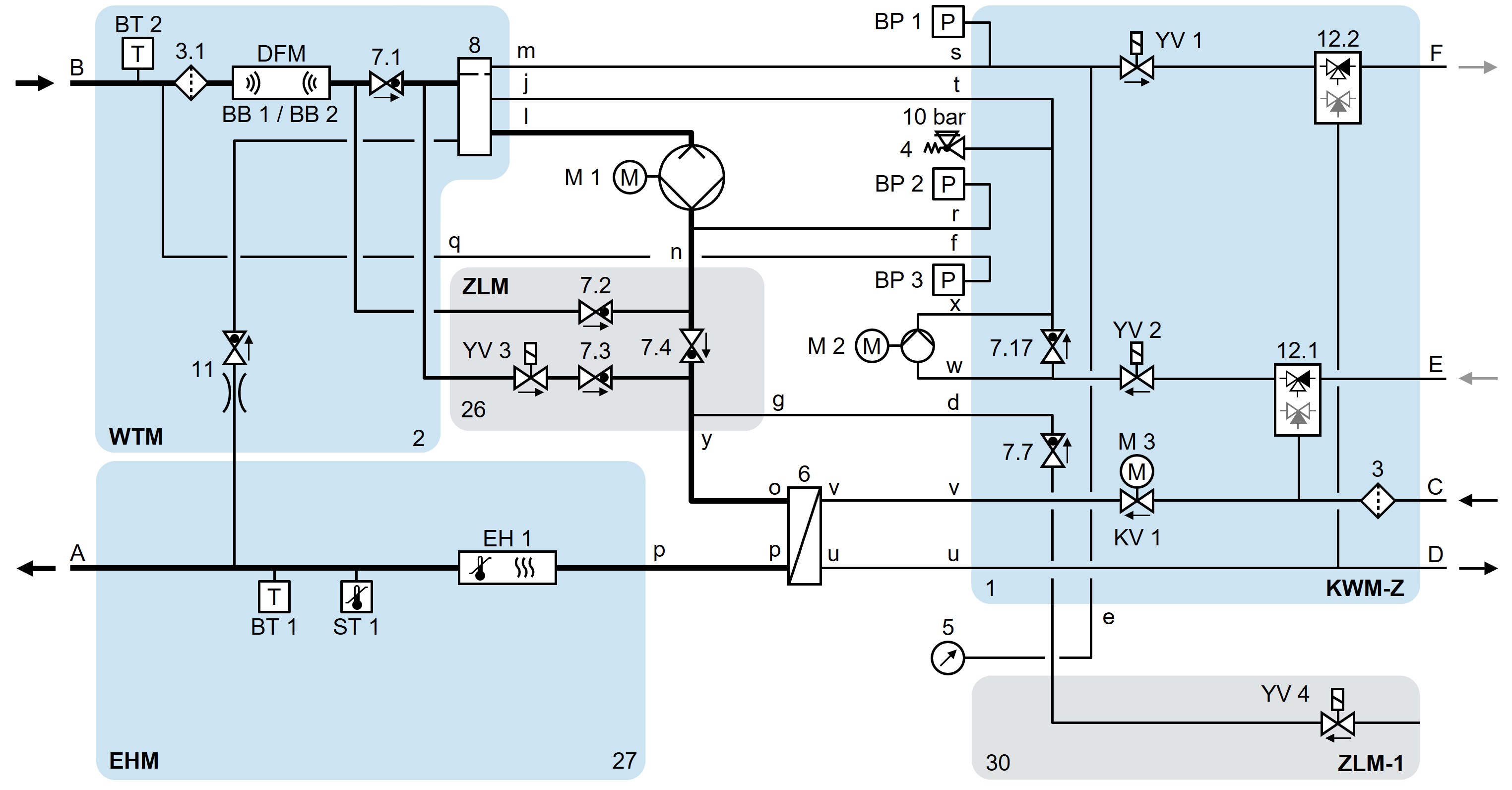
HB-100Z61/62-8/16-4T-A2-ZL

Animation

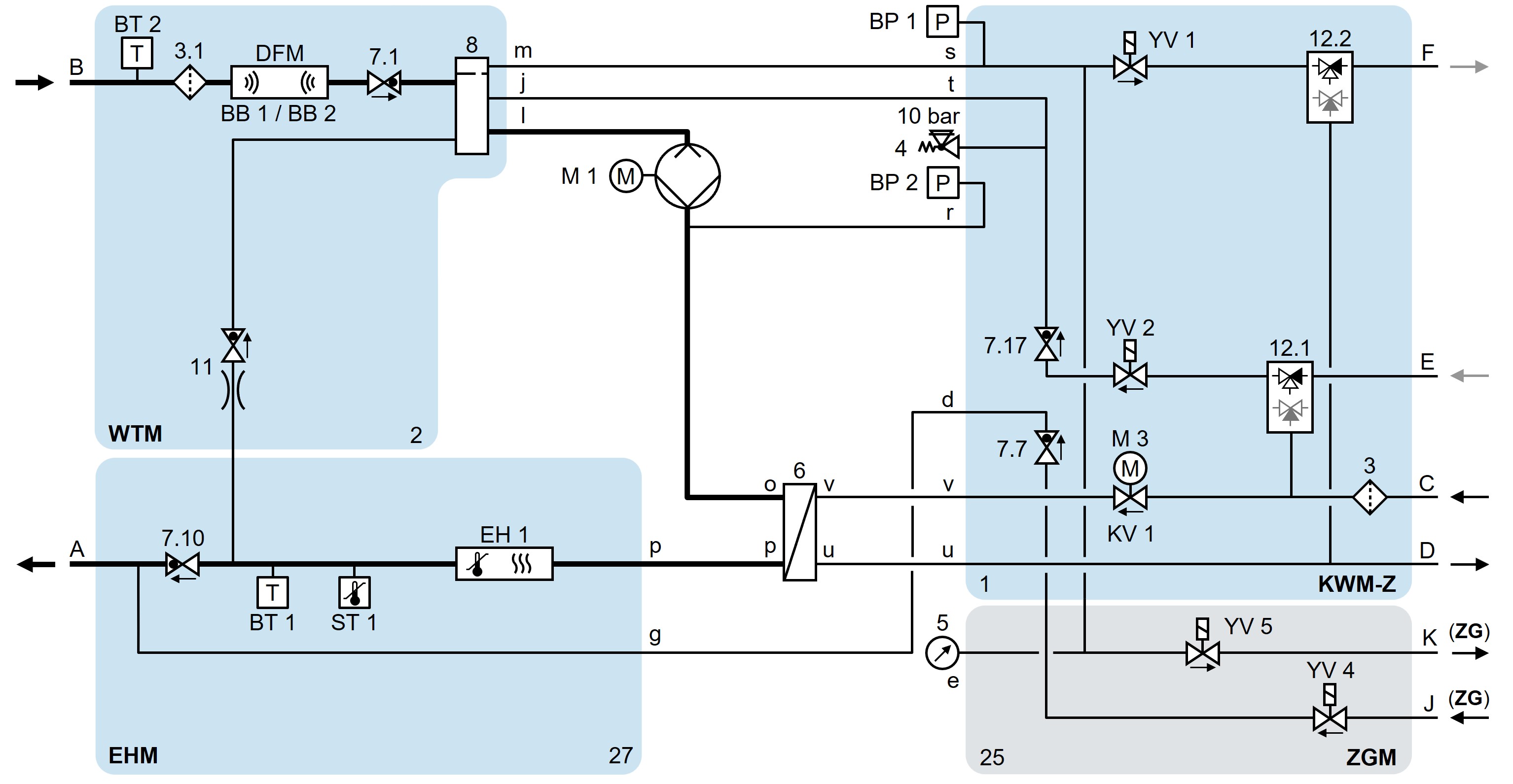
HB-100Z61/62-8/16-4T-A2-ZF

HB-100Z61/62-8/16-4T-A2-ZG

Animation

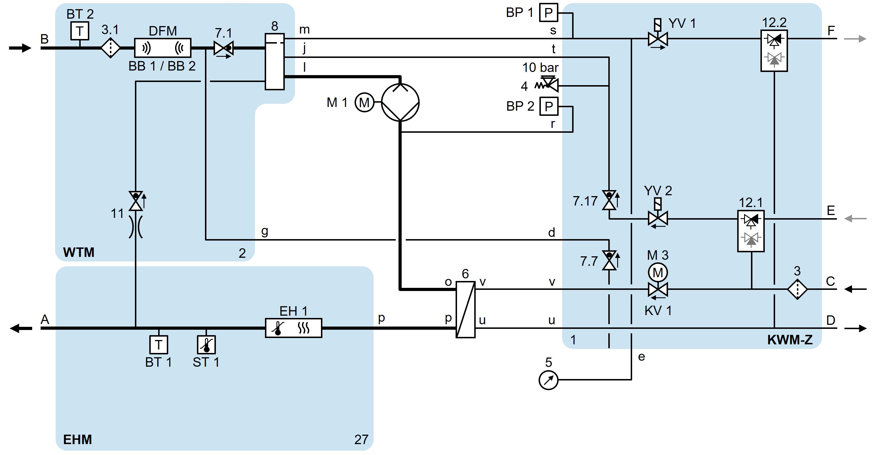
HB-100Z61/62-8/16-4T-A2-ZL-ZF

HB-100Z61/62-8/16-4T-A2-ZL-ZF-ZG