Légende → cliquez ici...

HB-100Z62-16-6P-B2

HB-100Z62-16-6P-B2-ZF

HB-100Z62-16-6P-E2

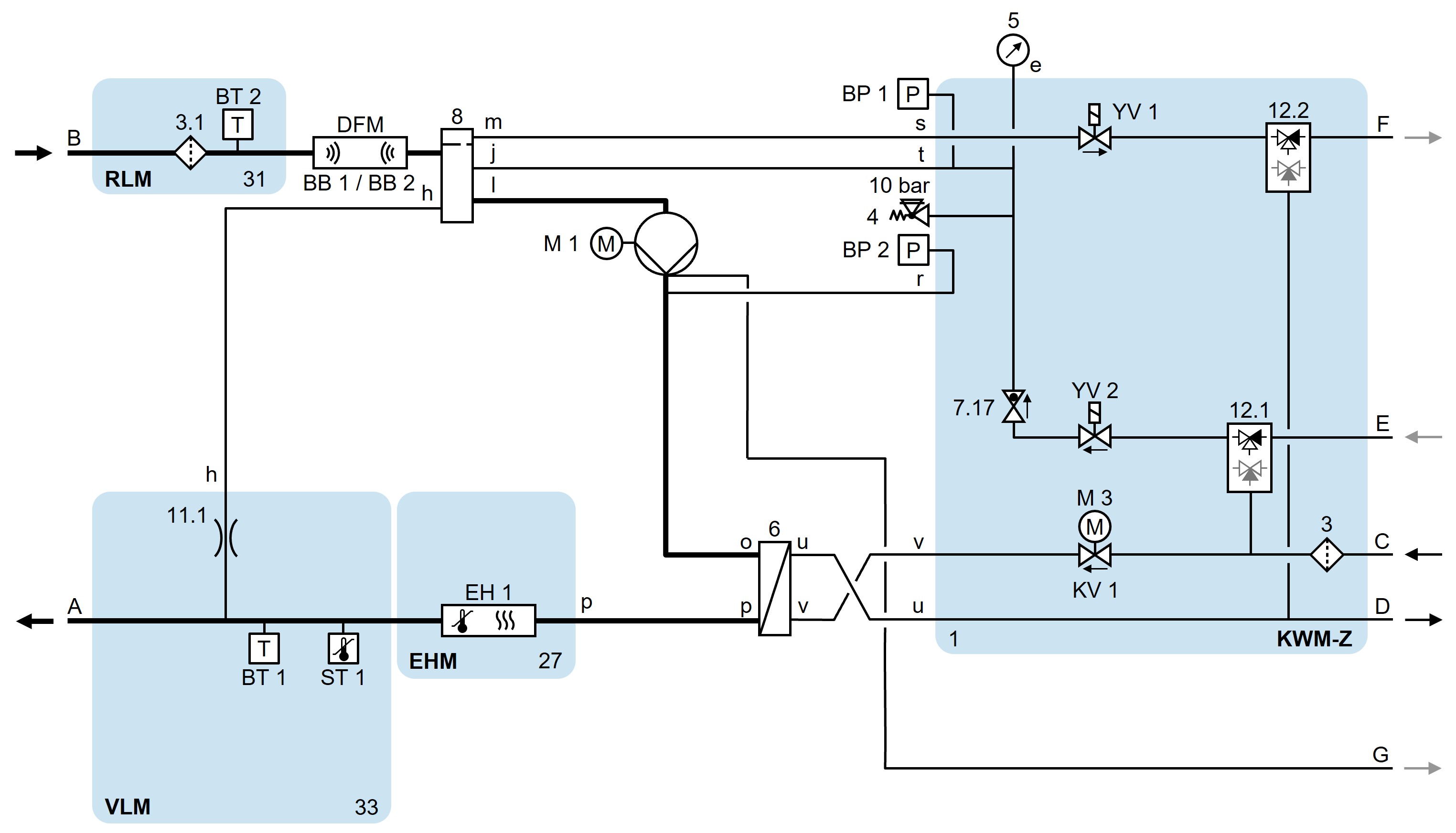
HB-100Z62-16-6P-E2-ZF

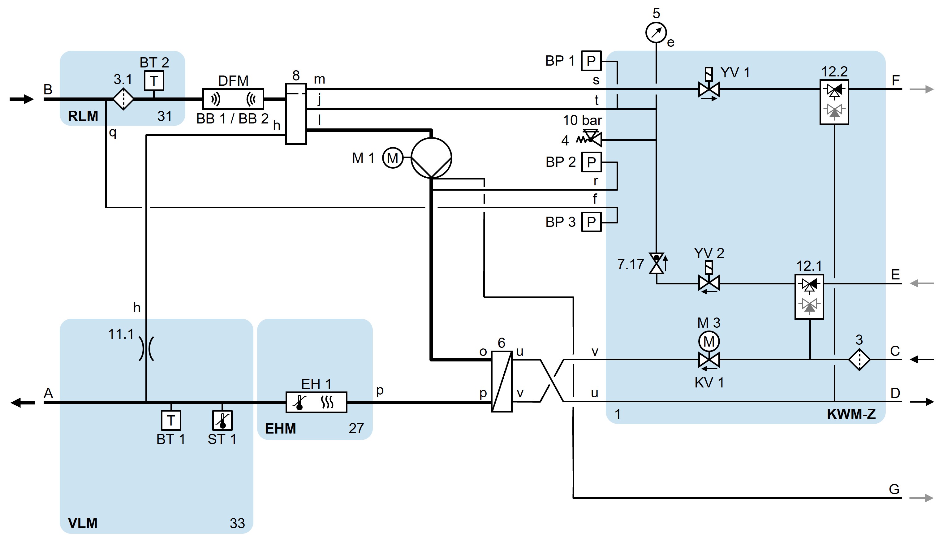
HB-100Z62-16-6P-B2/E2-ZF-ZG

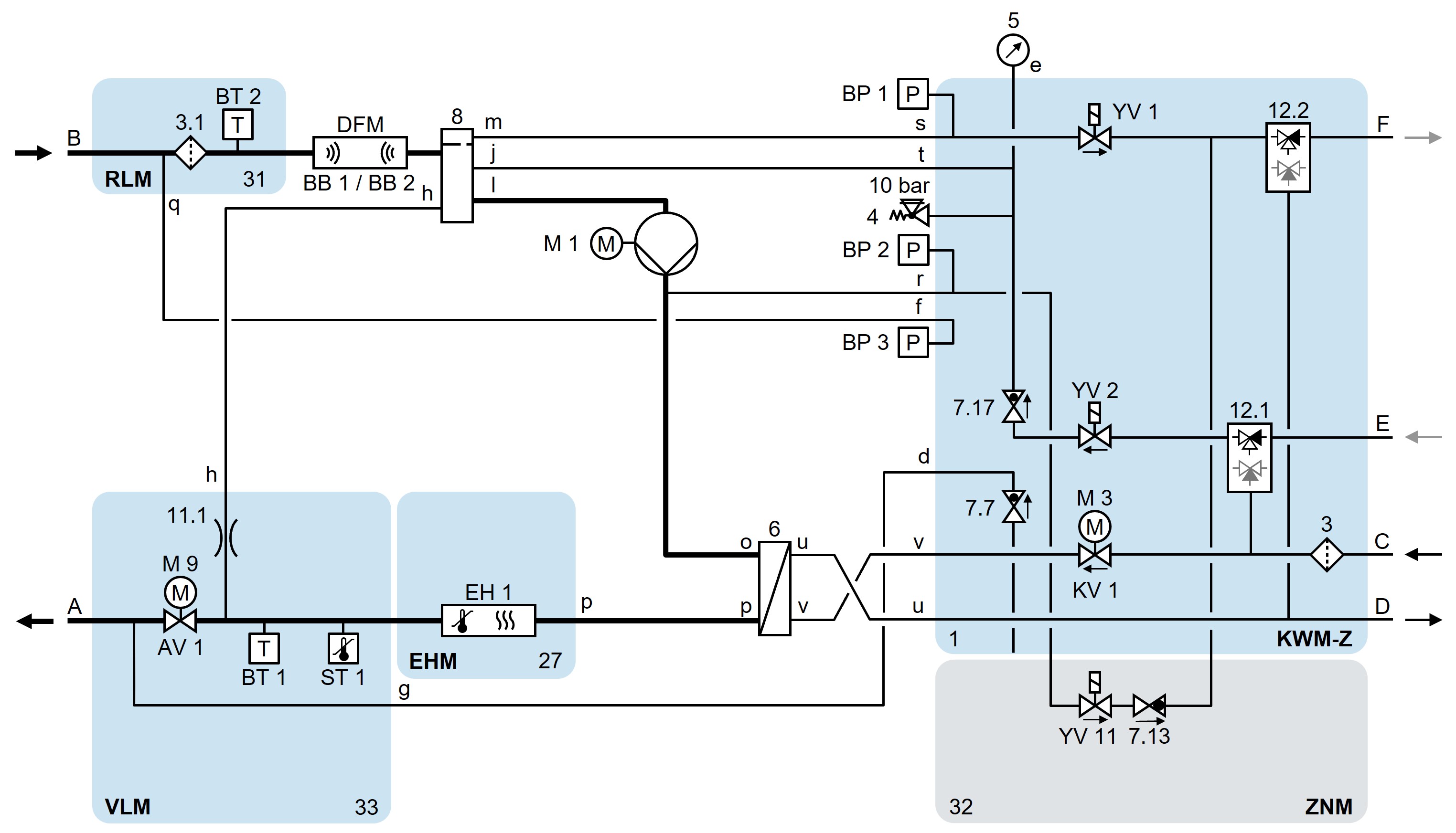
HB-100Z62-16-6P-B2/E2-ZF-ZN