Posebna verzija (Dodatak A): Sigurnosno isključivanje putem alarma i vanjsko upravljanje

Opis

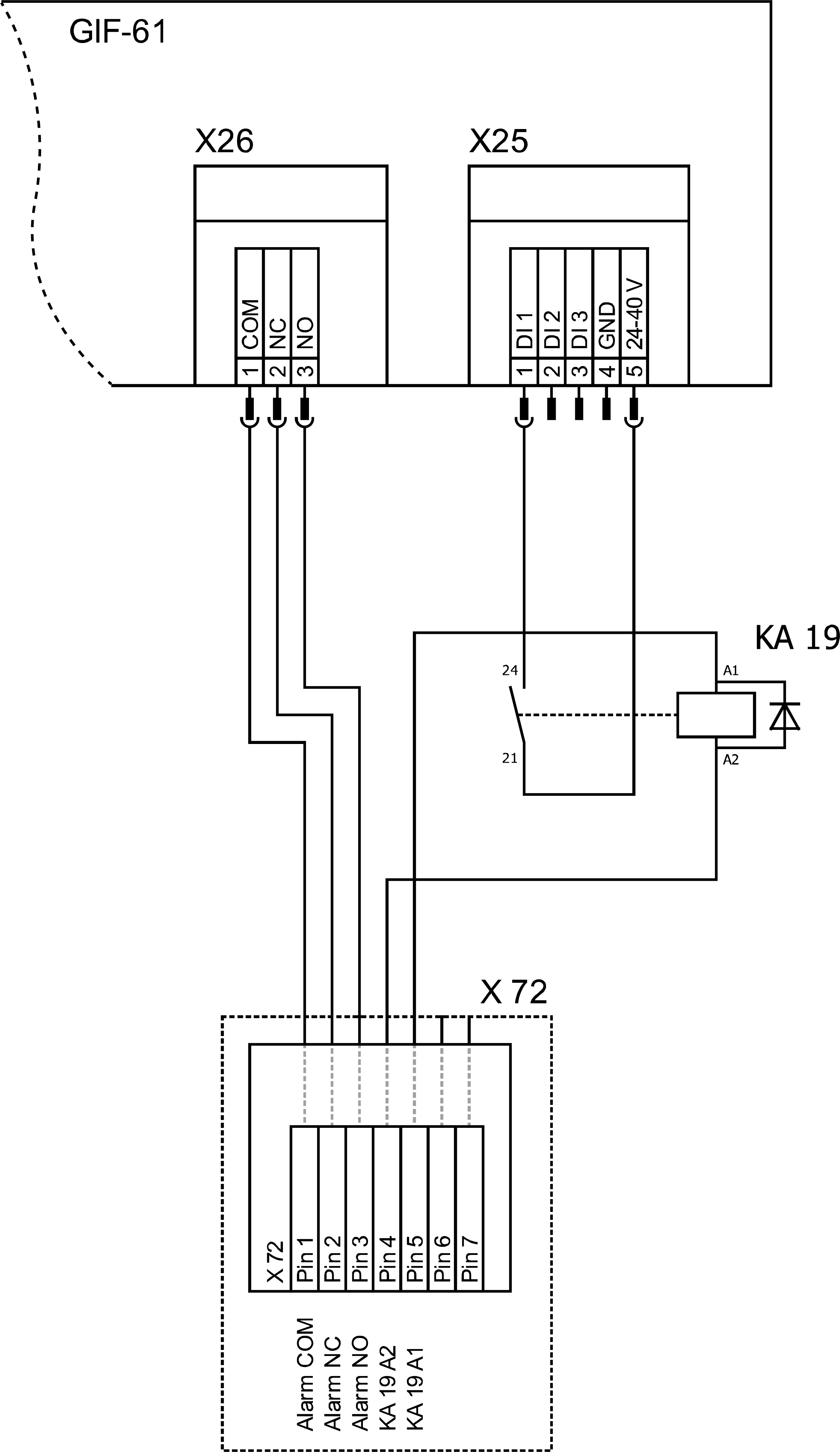
U ovoj verziji uređaj je opremljen dodatnim relejem (KA 19), koji se može koristiti za sigurno isključivanje uređaj. Za rad, relej (KA 19) mora biti isporučen s vanjskim naponom od 24 VDC. Ako je vanjski 24 VDC napon prekinut, relej (KA 19) se isključuje i isključuje uređaj putem kontakta bez potencijala.

namještanje parametara izmjene

Za ovu verziju potrebna je sljedeća Namještanje u glavni izbornik pod [Postavke] > [Razno]:

  • parametar [Sigurno -OFF Putem Ext. Kontakt]
    → uključivanje funkcija pomoću klizača ().
  • Podesite parametar [Temperatura pražnjenje Kalupa] na "90 °C".

BILJEŠKA!

Tren. Parametar [Siguran. -OFF Putem Ext. Kontakt] je uključen, preostale Funkcije vanjsko upravljanje (prebacivanje zadana vrijednost 1 ili 2) deaktiviraju se putem kontakta bez potencijala.

Električna shema modification (izvadak)

Raspored sastavnica modification

modification legende

skraćenicaOznakaizvršenje
KA19Sigurnosni relej za isključivanje