Legenda → kliknite ovdje...

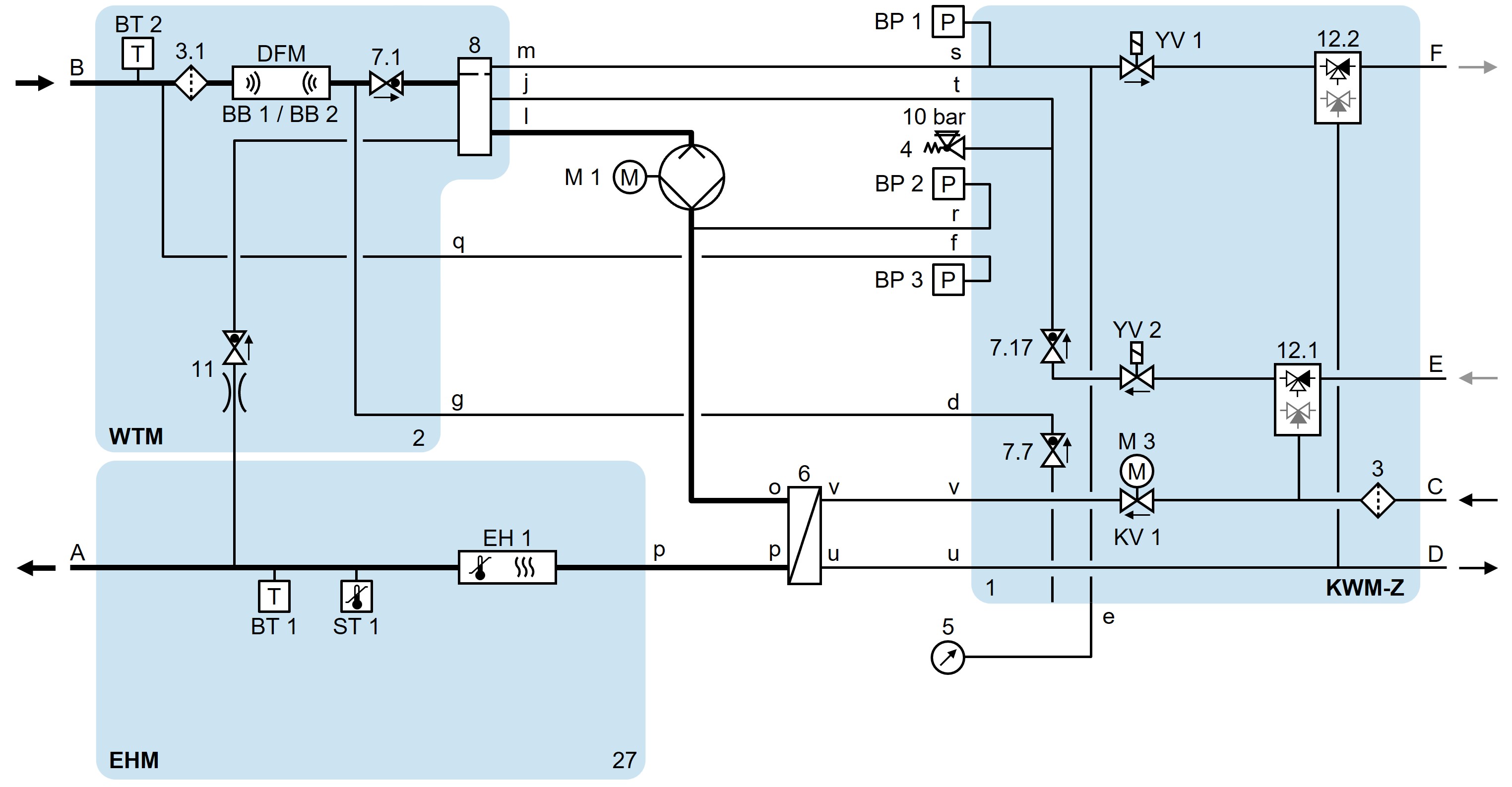
HB-100Z61/62-8/16-4T-A2

Animacija

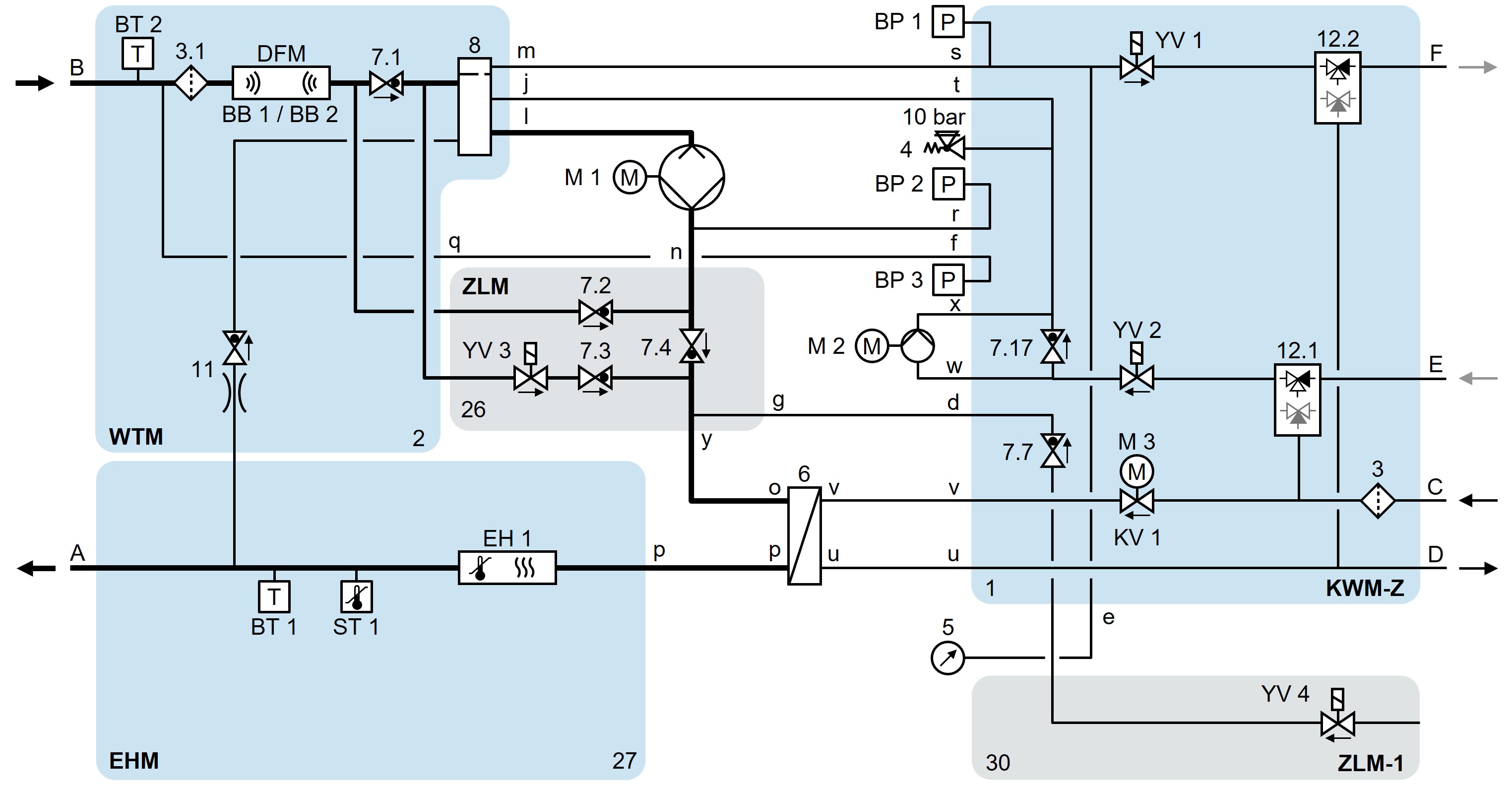
HB-100Z61/62-8/16-4T-A2-ZL

Animacija

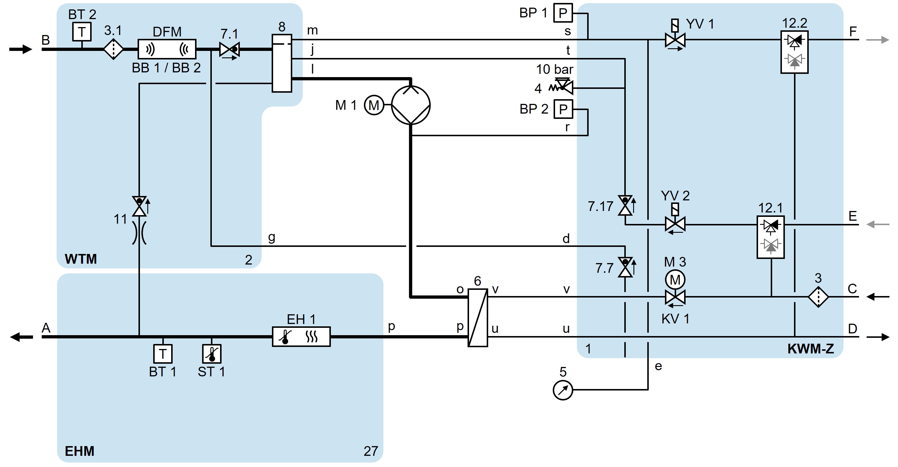
HB-100Z61/62-8/16-4T-A2-ZF

HB-100Z61/62-8/16-4T-A2-ZG

Animacija

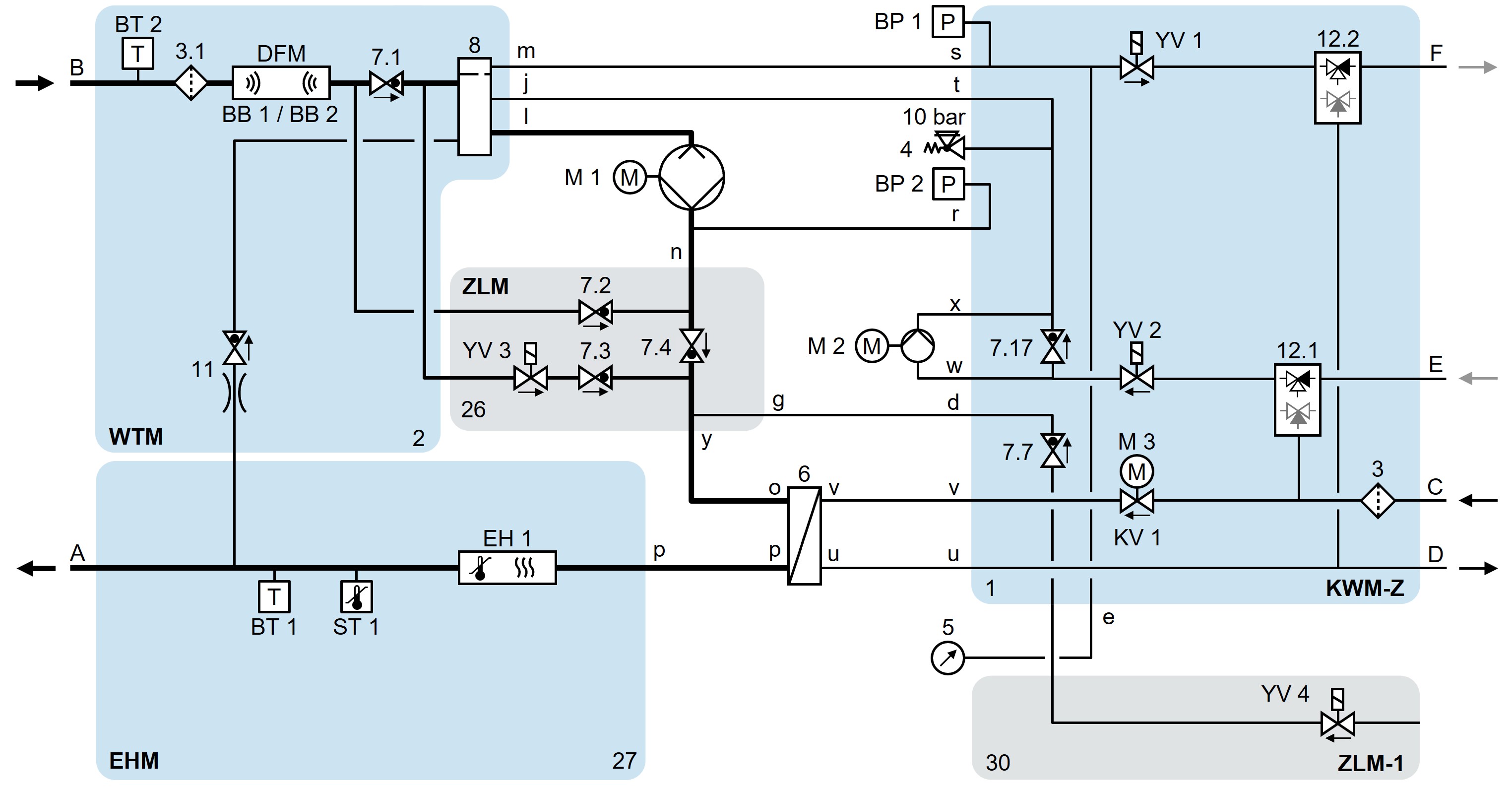
HB-100Z61/62-8/16-4T-A2-ZL-ZF

HB-100Z61/62-8/16-4T-A2-ZL-ZF-ZG