I dati vengono scambiatitra la macchina di controllo della macchina e l'Unità di termoregolazione Thermo-6 tramite il server di interfaccia. Gate-6Per controllare l'Unità di termoregolazione tramite un controller esterno,fare clic qui...
Ethernet
Interfaccia Ethernet OPC UA (EUROMAP 82.1 Release 1.01 / OPC 40082-1)per il collegamento di un massimo di 16 unità di controllo della temperatura Thermo-6 e per la connessione alla macchina
Interruttore con 2 prese RJ-45
NOTA!
È necessario utilizzare cavi schermati di categoria 5 O superiore per tutte le connessioni Ethernet. Questi cavi sono disponibili presso i rivenditori standard.
DIGITAL (ZD)
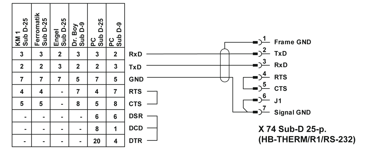
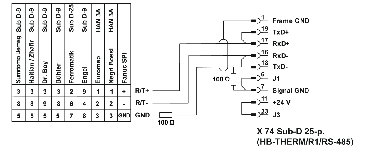
Interfaccia dati seriale 20 mA, RS-232, RS-422/485 (Billion, Bühler, Dr. Boy, Engel, Ferromatik Milacron, Haitian, KraussMaffei, Negri Bossi, SPI (Fanuc, etc.), Stork, Sumitomo Demag, Wittmann Battenfeld, Zhafir)
1 connettore Sub-D a 25 pin (femmina)
I cavi di interfaccia sono disponibili nel catalogo degli accessori
Datenschutz - Data protection - Protection de données
Wir setzen Cookies ein, um Ihnen die Nutzung unserer Webseite zu erleichtern. Weitere Informationen zu Cookies finden Sie in unserer Datenschutzerklärung. We use cookies to help you use our website. More information about cookies can be found in our privacy policy. Notre site utilise des cookies afin de vous garantir un service optimal. En utilisant ce site web, vous acceptez les présentes conditions. Vous trouverez privacy policy de plus amples informations. Privacy Policy