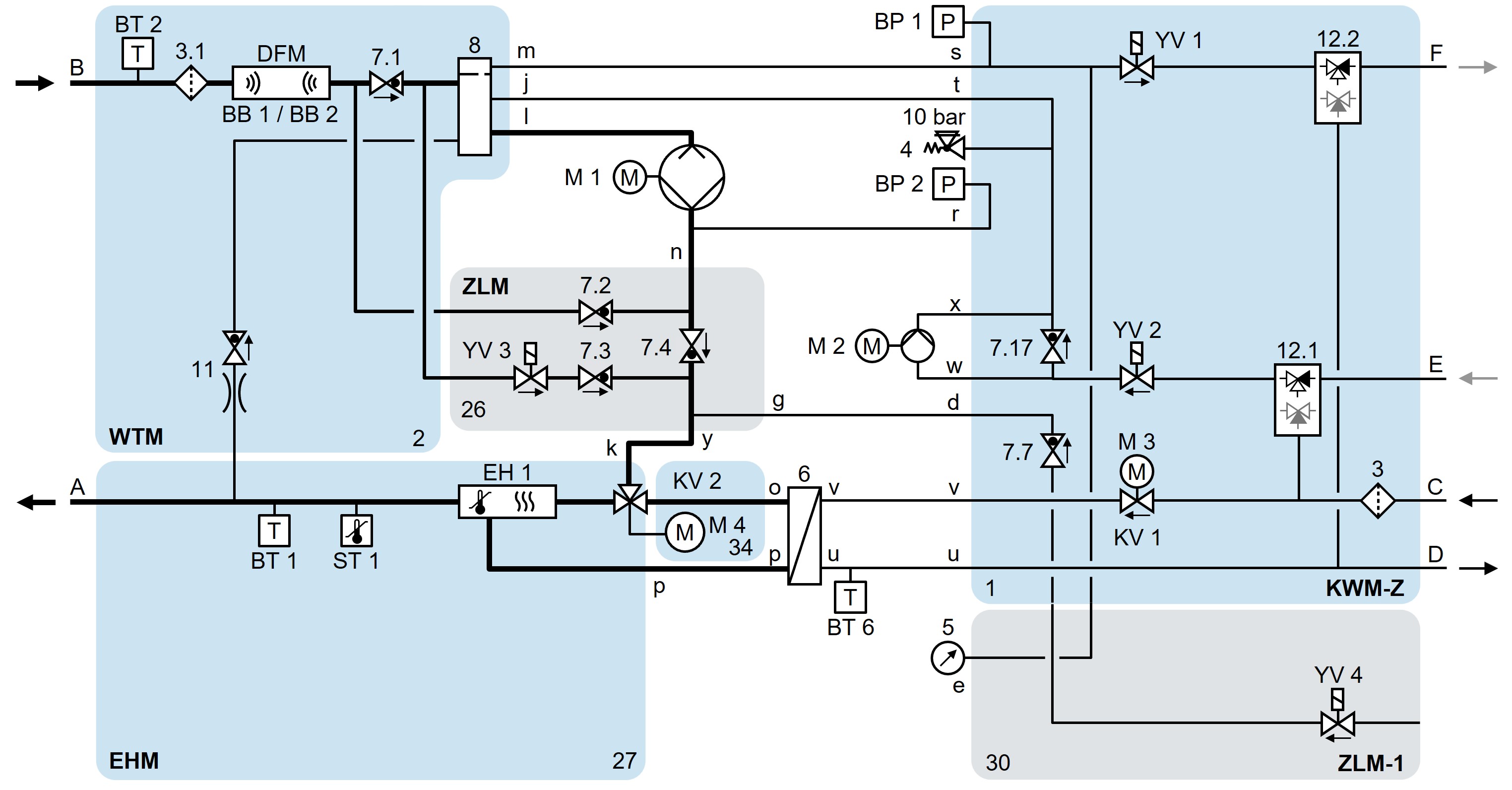
HB-140/160Z61/62-8/16-4S-A2-ZL

アニメーション

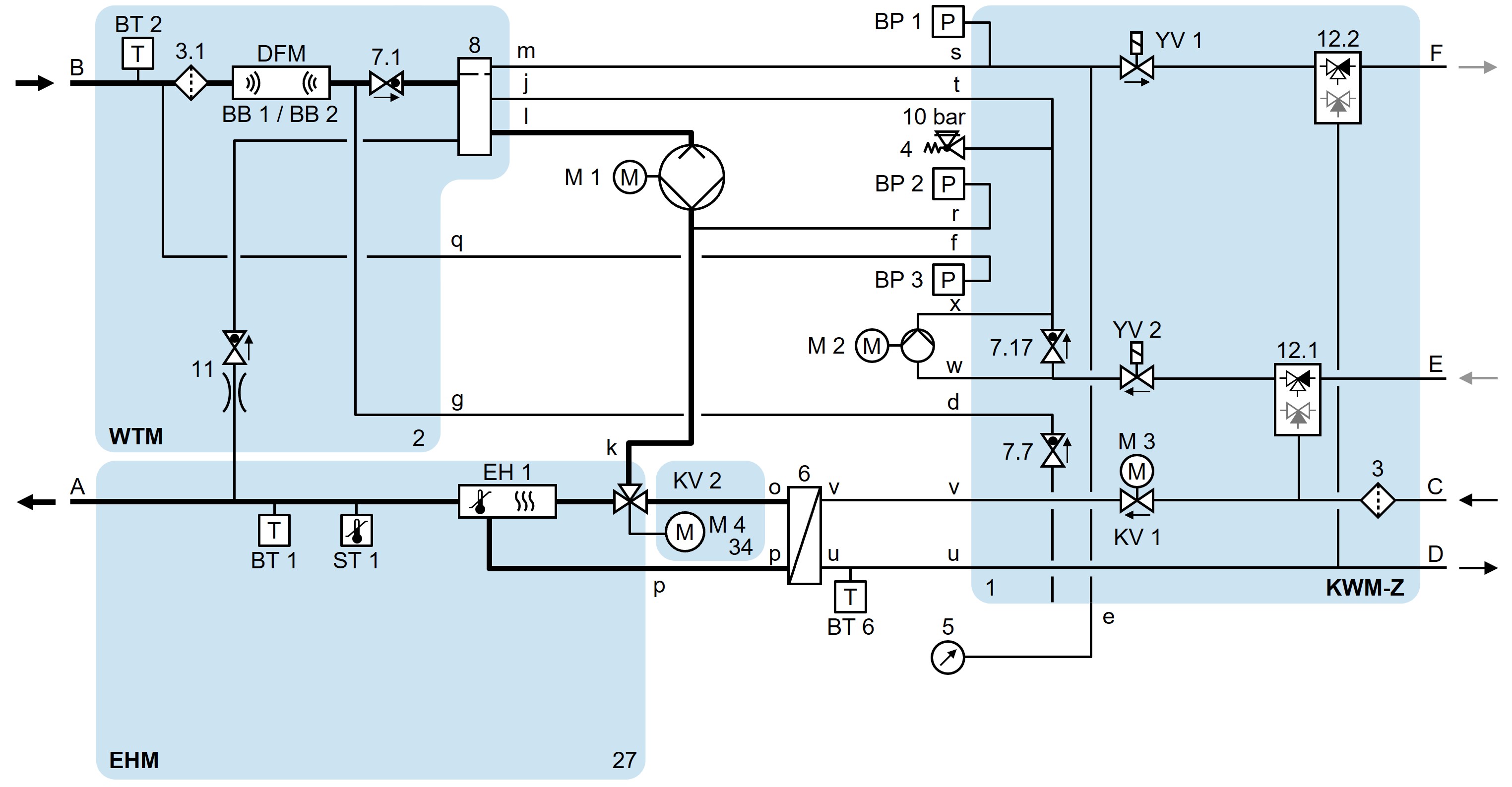
HB-140/160Z61/62-8/16-4S-A2-ZF

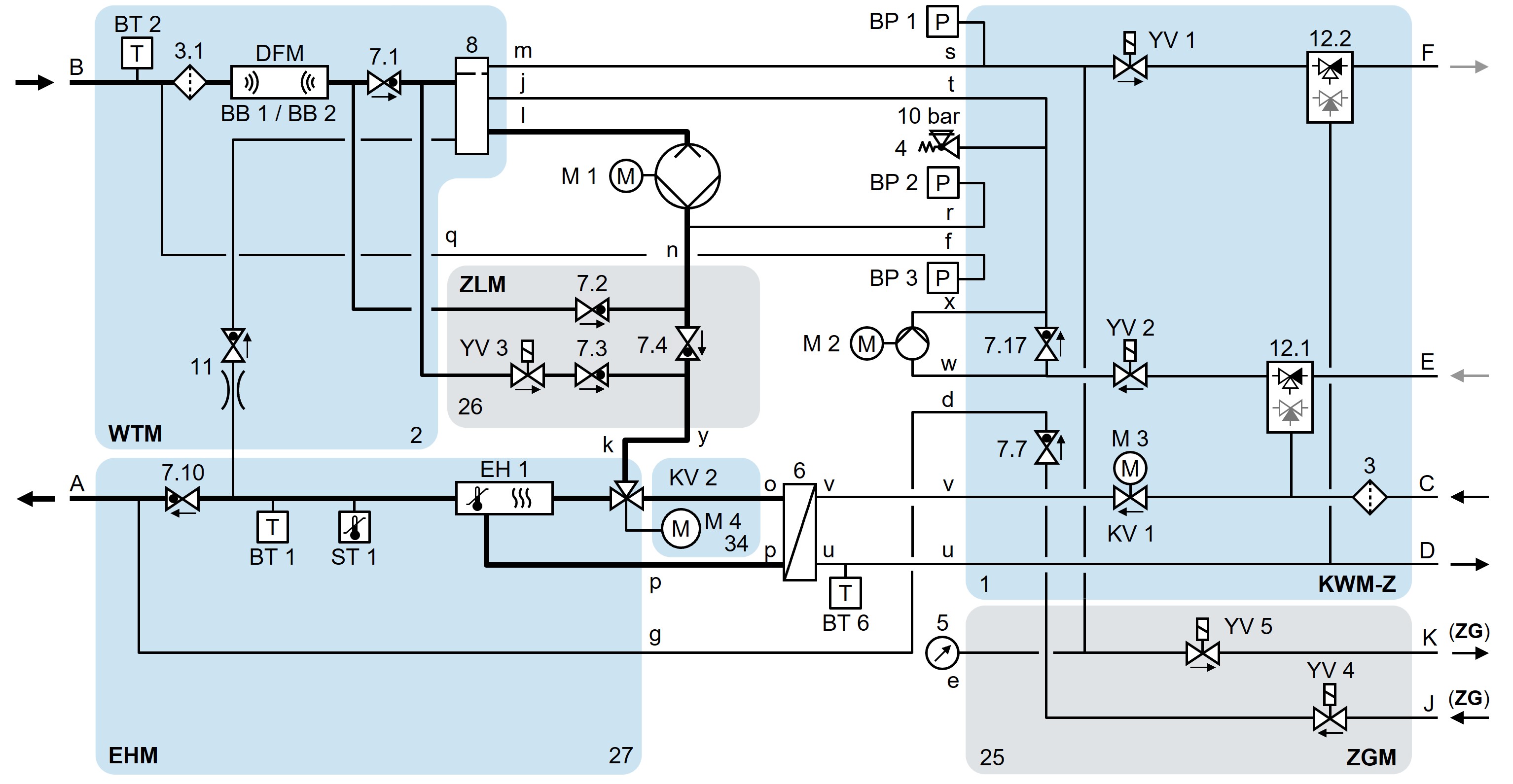
HB-140/160Z61/62-8/16-4S-A2-ZG

アニメーション

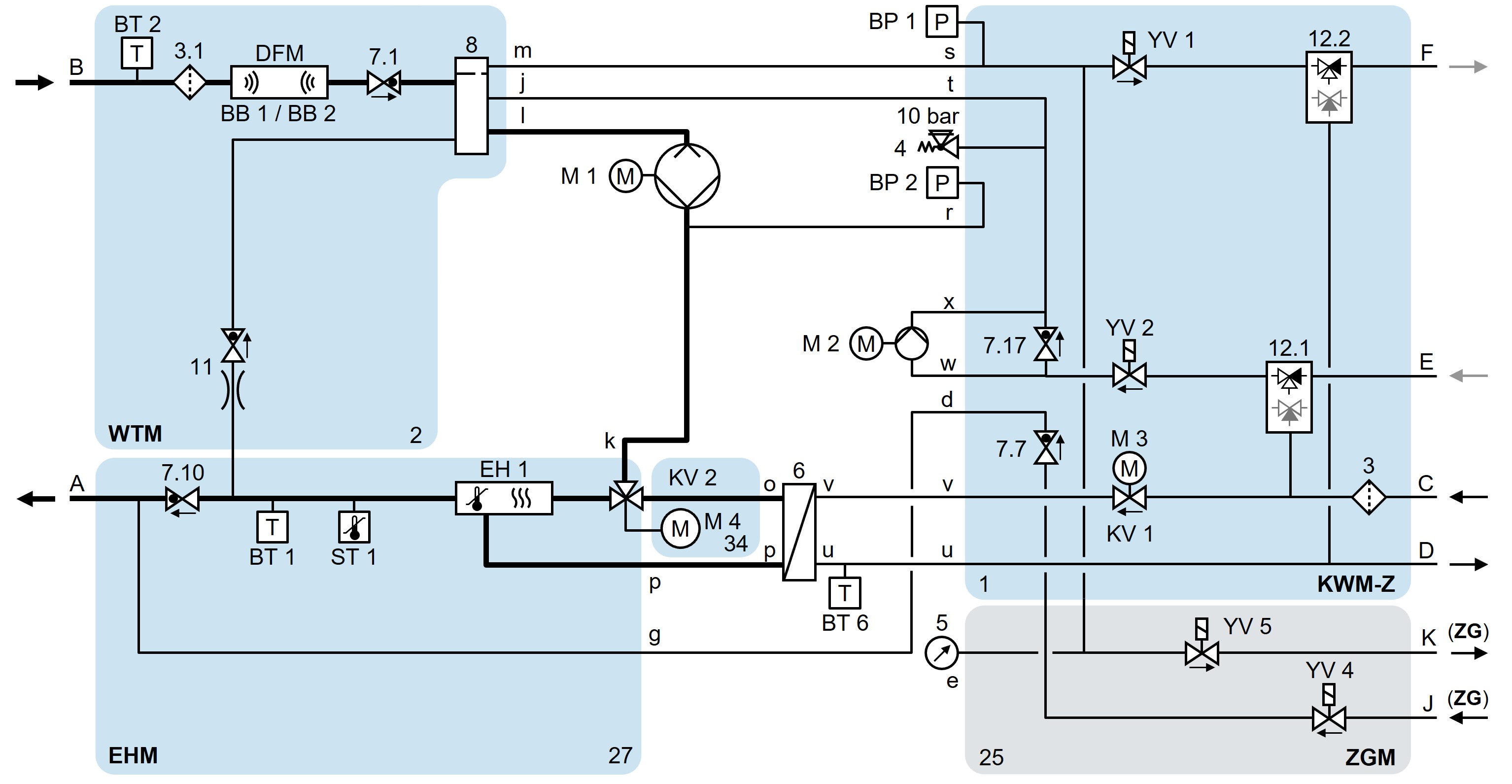
HB-140/160Z61/62-8/16-4S-A2-ZL-ZF-ZG