데이터는 인터페이스 서버를 통해 기계 제어 장치와 Thermo-6 온도 제어 장치 간에 교환됩니다. Gate-6외부 컨트롤러를 통해 온도 제어 장치를 제어하려면 여기를 클릭하십시오...

Ethernet

  • 최대 16개의 Thermo-6 온도 제어 장치를 연결하고 기기에 연결하기 위한 이더넷 인터페이스 OPC UA (EUROMAP 82.1 Release 1.01 / OPC 40082-1)

  • 소켓이 2개인 스위치 RJ-45

주의사항!

모든 Ethernet 연결에는 차폐형 카테고리 5 또는 그 이상의 케이블을 사용해야 합니다. 이 케이블은 표준 소매점에서 구입할 수 있습니다.

DIGITAL (ZD)

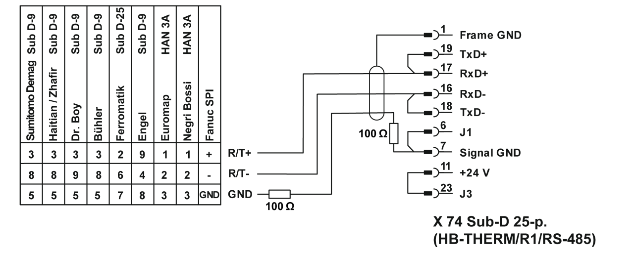
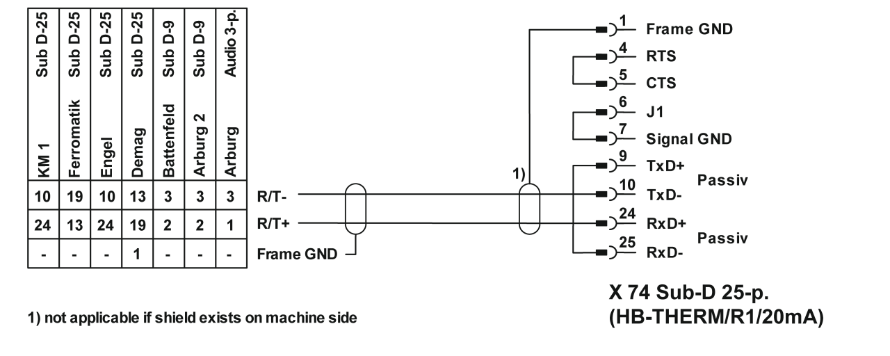
  • 직렬 데이터 인터페이스 20 mA, RS-232, RS-422/485 (Billion, Bühler, Dr. Boy, Engel, Ferromatik Milacron, Haitian, KraussMaffei, Negri Bossi, SPI (Fanuc, etc.), Stork, Sumitomo Demag, Wittmann Battenfeld, Zhafir)

  • Sub-D 25핀 소켓 1개 (여성, 암)

  • 인터페이스 케이블은 액세서리 카탈로그에서 찾을 수 있습니다.

케이블 핀 배정

20 mA(현재 루프)

RS-232

RS-485

RS-422(연결 케이블)

CAN (ZC)

  • 직렬 데이터 인터페이스 CAN-Bus (Sumitomo Demag), CANopen (EUROMAP 66; Netstal, etc.)
  • Sub-D 9핀 소켓 1개 (여성, 암)
  • 인터페이스 케이블은 액세서리 카탈로그에서 찾을 수 있습니다.

케이블 핀 지정

어댑터 (Demag 시스템에만 해당) O/ID T22590

  • Demag: 주소가 13인 장치 1
  • Netstal: 주소가 31인 디바이스 1