Datu apmaiņa starp iekārtas kontrolieri un Thermo-6 Temperatūra kontrole notiek caur saskarnes serveris. Gate-6Lai kontrolētu Temperatūra kontrole, izmantojot ārēju kontrolieri, noklikšķiniet šeit...

Ethernet

  • Ethernet saskarne OPC UA (EUROMAP 82.1 Release 1.01 / OPC 40082-1), lai savienotu ne vairāk kā 16 Thermo-6 temperatūras vadības blokus un savienošanai ar mašīnu

  • Slēdzis ar 2 rozetēm RJ-45

PIEZĪME!

Visiem Ethernet savienojumiem jāizmanto ekranēti 5. Kategorijas vai augstāki kabeļi. Šie kabeļi ir pieejami no standarta mazumtirgotājiem.

DIGITAL (ZD)

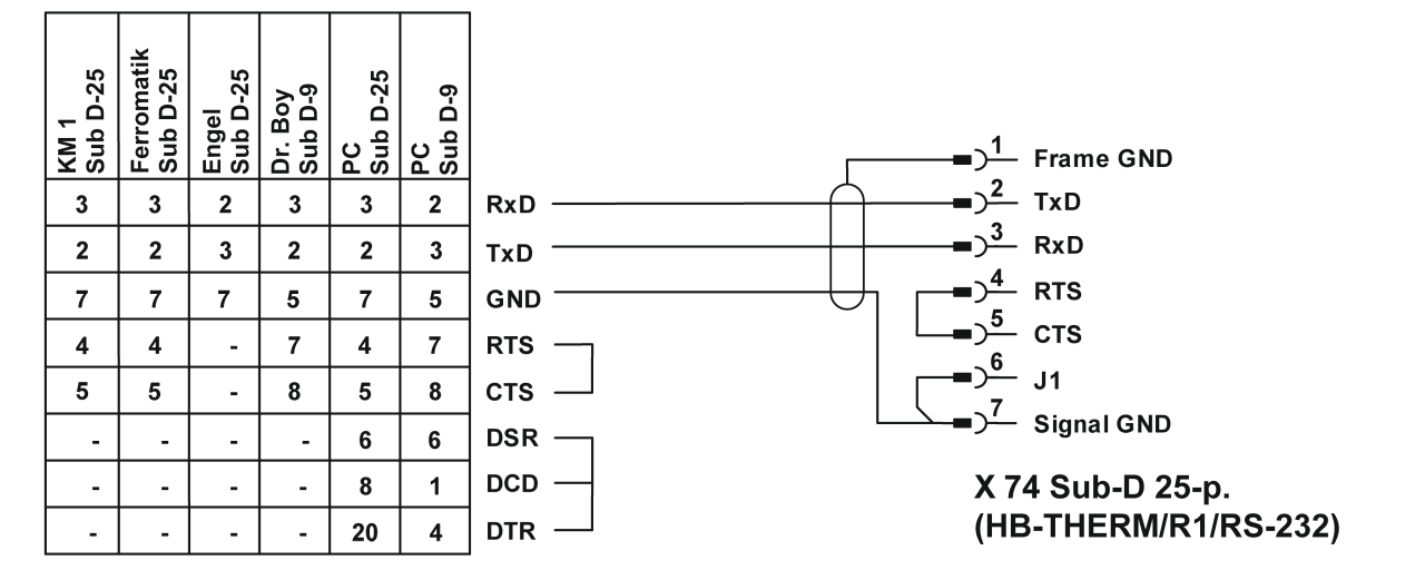
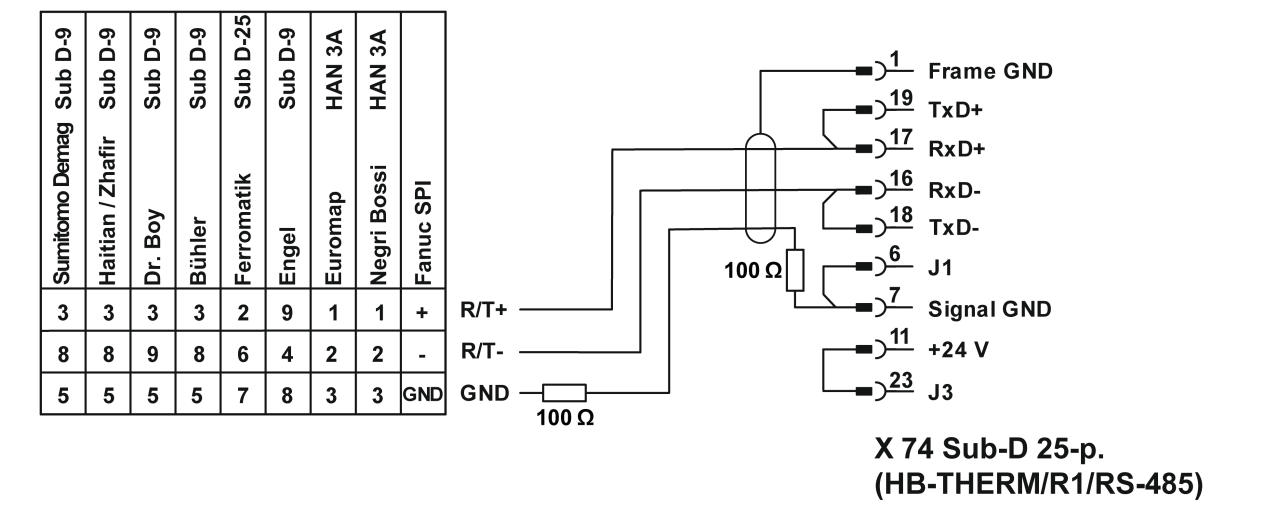
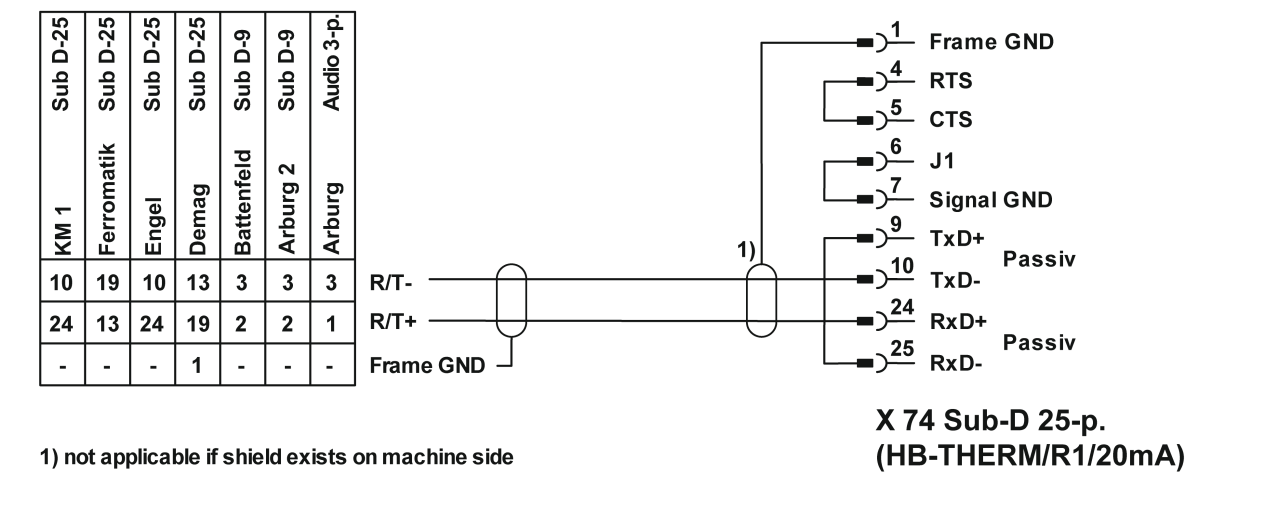
  • Sērijveida datu saskarne 20 mA, RS-232, RS-422/485 (Billion, Bühler, Dr. Boy, Engel, Ferromatik Milacron, Haitian, KraussMaffei, Negri Bossi, SPI (Fanuc, etc.), Stork, Sumitomo Demag, Wittmann Battenfeld, Zhafir)

  • 1 25-pin Sub-D muciņa

  • Interfeisa kabeļus var atrast piederumu katalogā

Kabeļa tapas piešķiršana

20 mA(current loop)

RS-232

RS-485

RS-422(savienojuma kabelis)

CAN (ZC)

  • Sērijveida datu saskarne CAN-Bus (Sumitomo Demag), CANopen (EUROMAP 66; Netstal, etc.)
  • 1-D-sub 9-pin ligzda
  • Interfeisa kabeļus var atrast piederumu katalogā

Kabeļa tapas piešķiršana

Adapteris (tikai Demag mašīnām, O/ID T22590)

  • Demag: ierīce 1 ar adrese 13
  • Netstal: 1. Ierīce ar adrese 31