Os dados são trocadosentre o comando da máquina e a unidade de controlo de temperatura Thermo-6 através do servidor de interface. Gate-6Para controlar a unidade de controlo de temperatura através de um controlador externo, clique aqui...
Ethernet
Interface Ethernet OPC UA (EUROMAP 82.1 Release 1.01 / OPC 40082-1)para conectar no máximo 16 unidades de controle de temperatura Thermo-6 e para conexão à máquina
Interruptor com 2 soquetes RJ-45
NOTA!
Ou cabos blindados de categoria 5 ou superior devem ser usados para todas as conexões Ethernet. Esses cabos estão disponíveis em revendedores padrão.
DIGITAL (ZD)
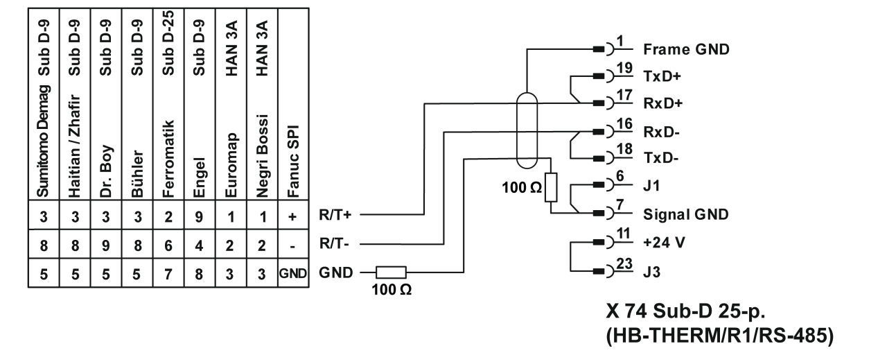
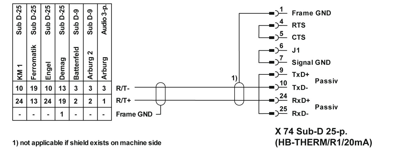
Interface de dados serial 20 mA, RS-232, RS-422/485 (Billion, Bühler, Dr. Boy, Engel, Ferromatik Milacron, Haitian, KraussMaffei, Negri Bossi, SPI (Fanuc, etc.), Stork, Sumitomo Demag, Wittmann Battenfeld, Zhafir)
1 tomada Sub-D com 25 pinos (fêmea)
Os cabos de interface podem ser encontrados no catálogo de acessórios
Adaptador (somente para máquinas Demag,) O/ID T22590
Demag: aparelho 1 com endereço 13
Netstal: Dispositivo 1 com endereço 31
Datenschutz - Data protection - Protection de données
Wir setzen Cookies ein, um Ihnen die Nutzung unserer Webseite zu erleichtern. Weitere Informationen zu Cookies finden Sie in unserer Datenschutzerklärung. We use cookies to help you use our website. More information about cookies can be found in our privacy policy. Notre site utilise des cookies afin de vous garantir un service optimal. En utilisant ce site web, vous acceptez les présentes conditions. Vous trouverez privacy policy de plus amples informations. Privacy Policy