Legenda → clique aqui...

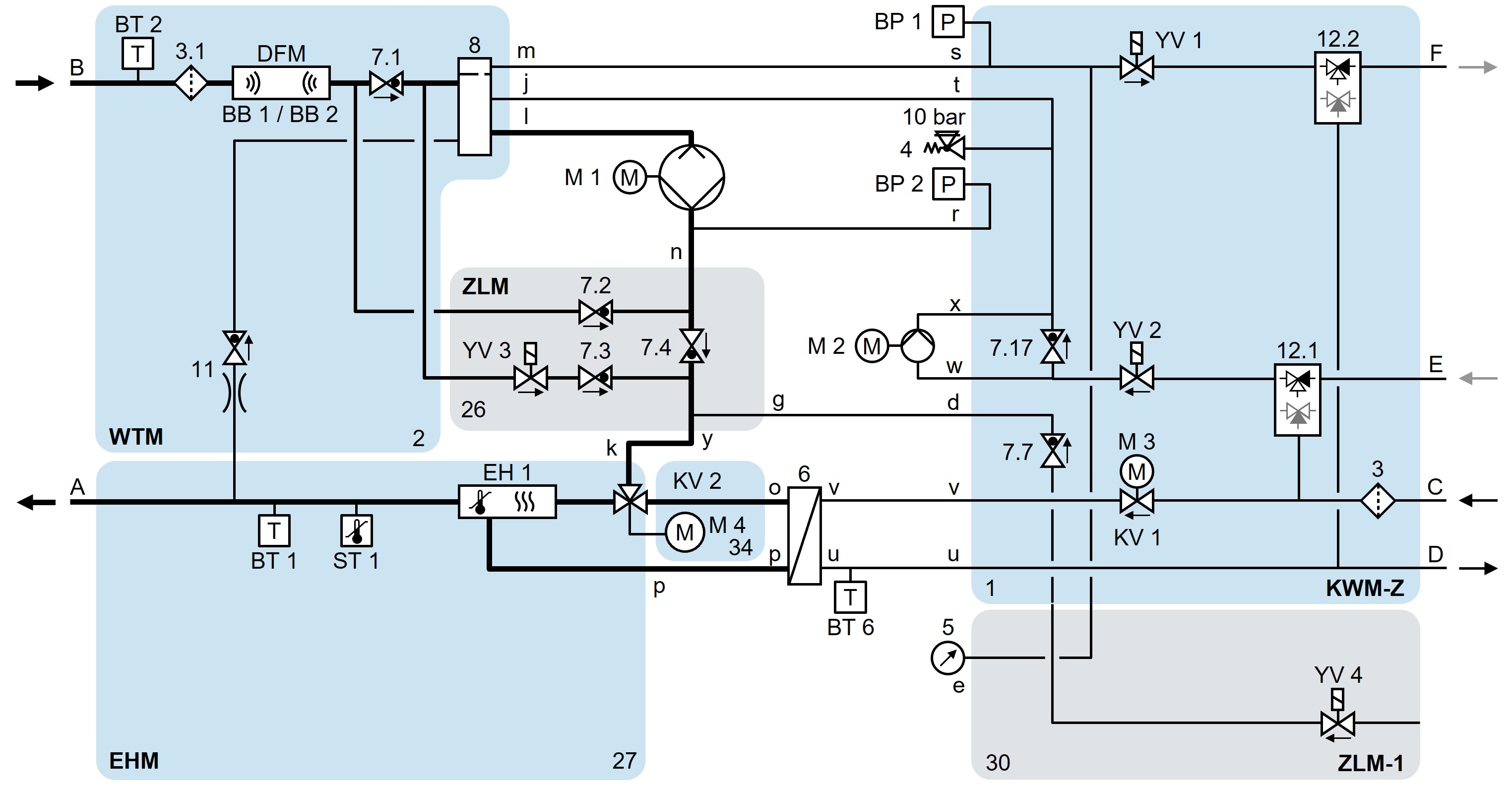
HB-140/160Z61/62-8/16-4S-A2

Animação

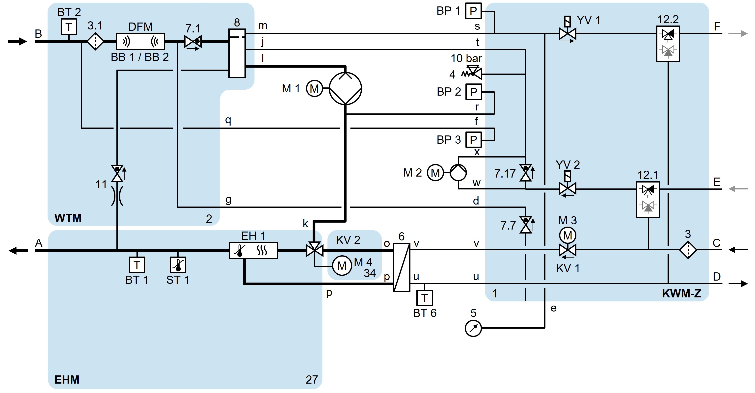
HB-140/160Z61/62-8/16-4S-A2-ZL

Animação

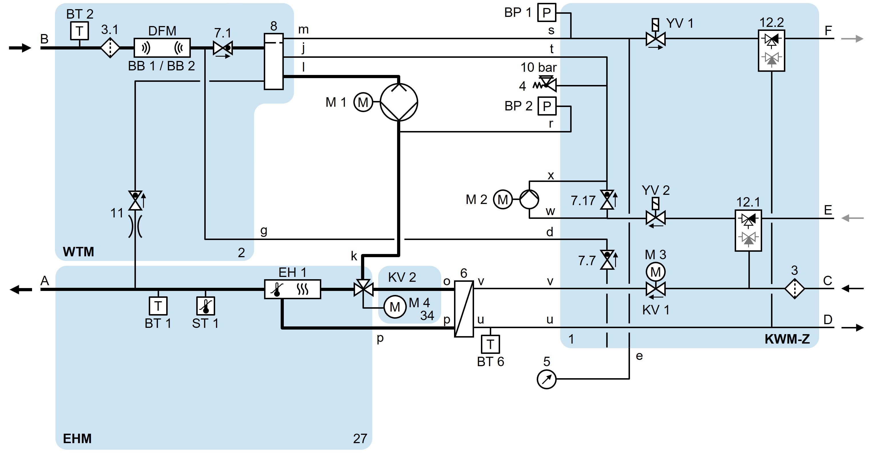
HB-140/160Z61/62-8/16-4S-A2-ZF

HB-140/160Z61/62-8/16-4S-A2-ZG

Animação

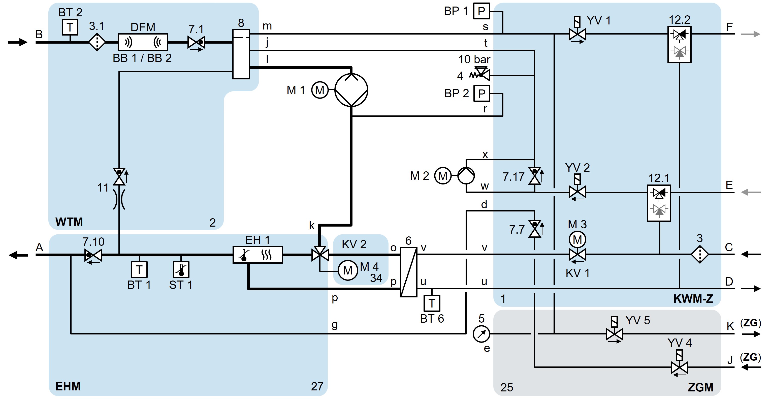
HB-140/160Z61/62-8/16-4S-A2-ZL-ZF-ZG