Legenda → click aici...

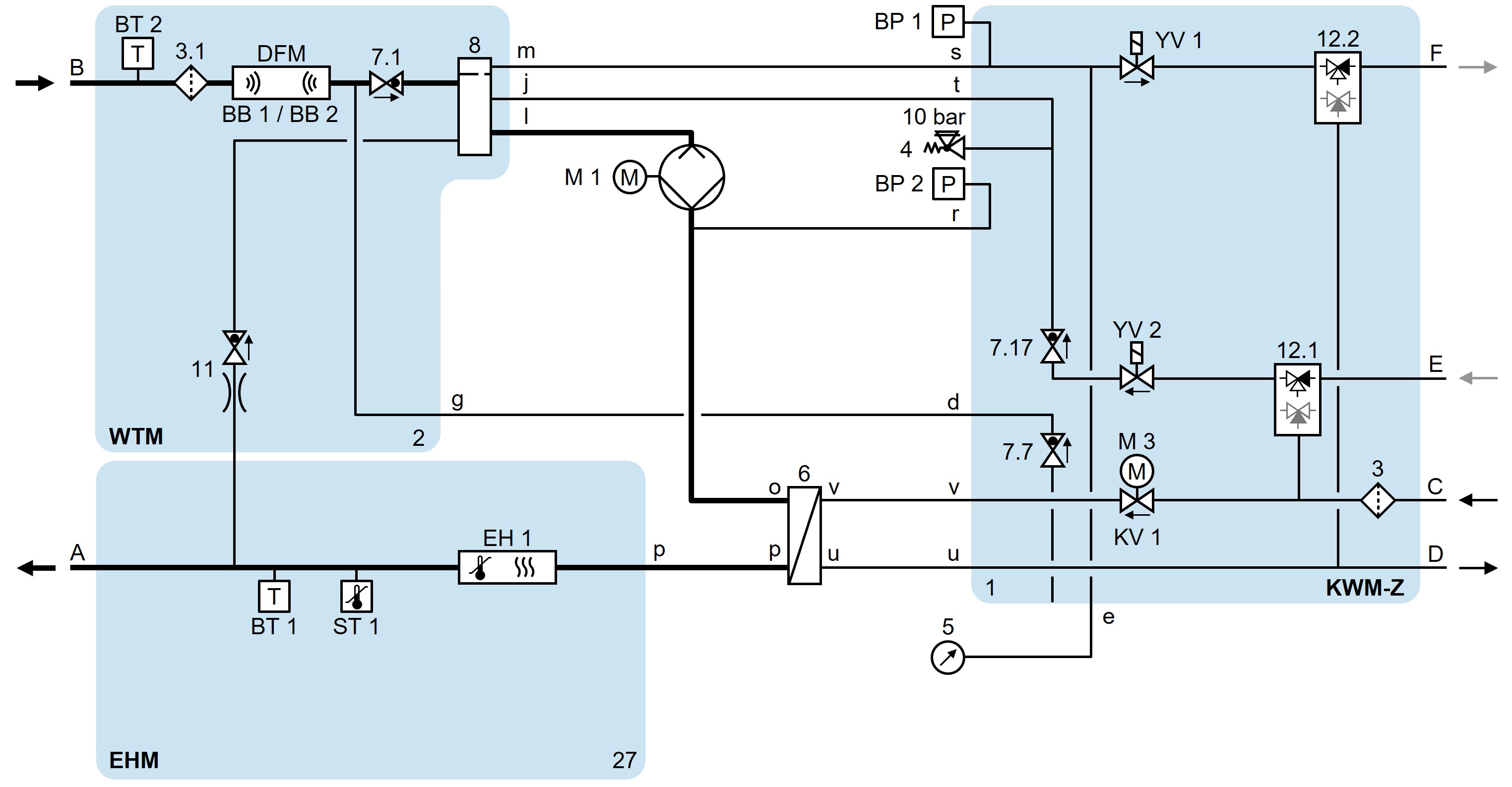
HB-100Z61/62-8/16-4T-A2

animație

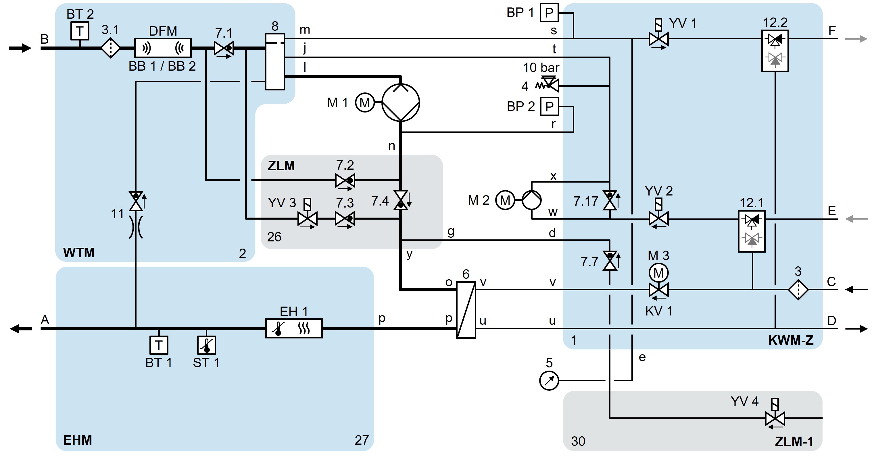
HB-100Z61/62-8/16-4T-A2-ZL

animație

HB-100Z61/62-8/16-4T-A2-ZF

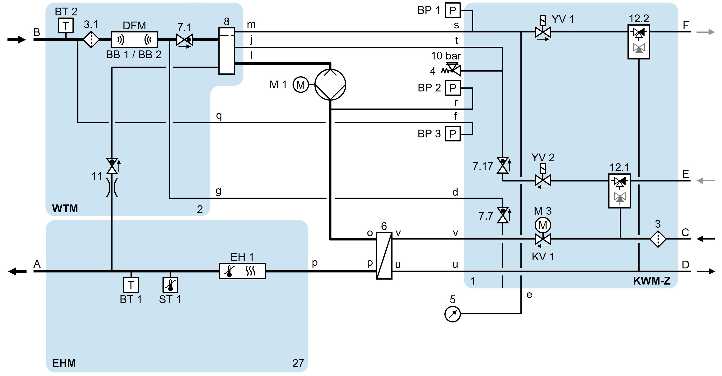
HB-100Z61/62-8/16-4T-A2-ZG

animație

HB-100Z61/62-8/16-4T-A2-ZL-ZF

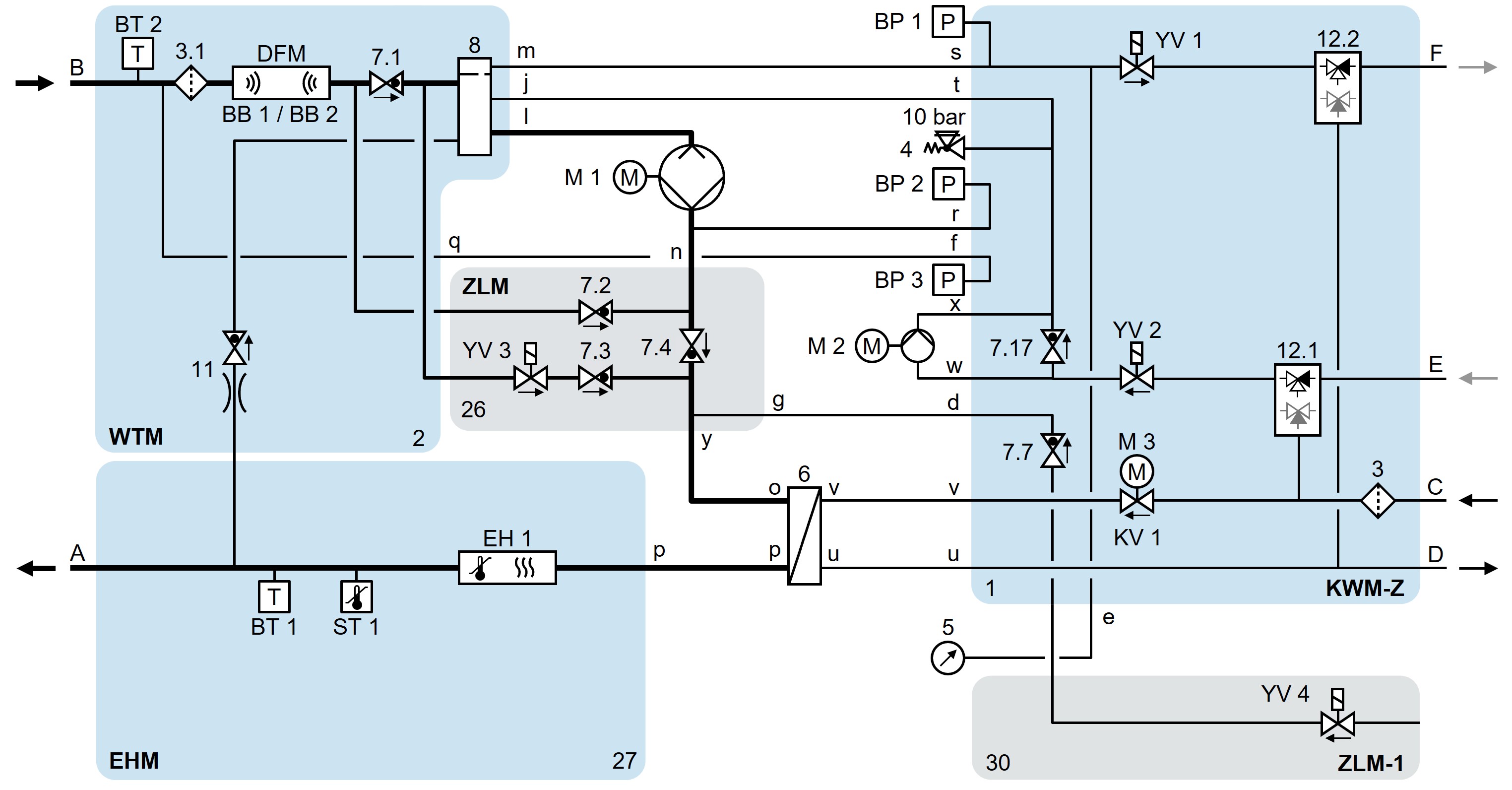
HB-100Z61/62-8/16-4T-A2-ZL-ZF-ZG