Легенда → нажмите здесь...

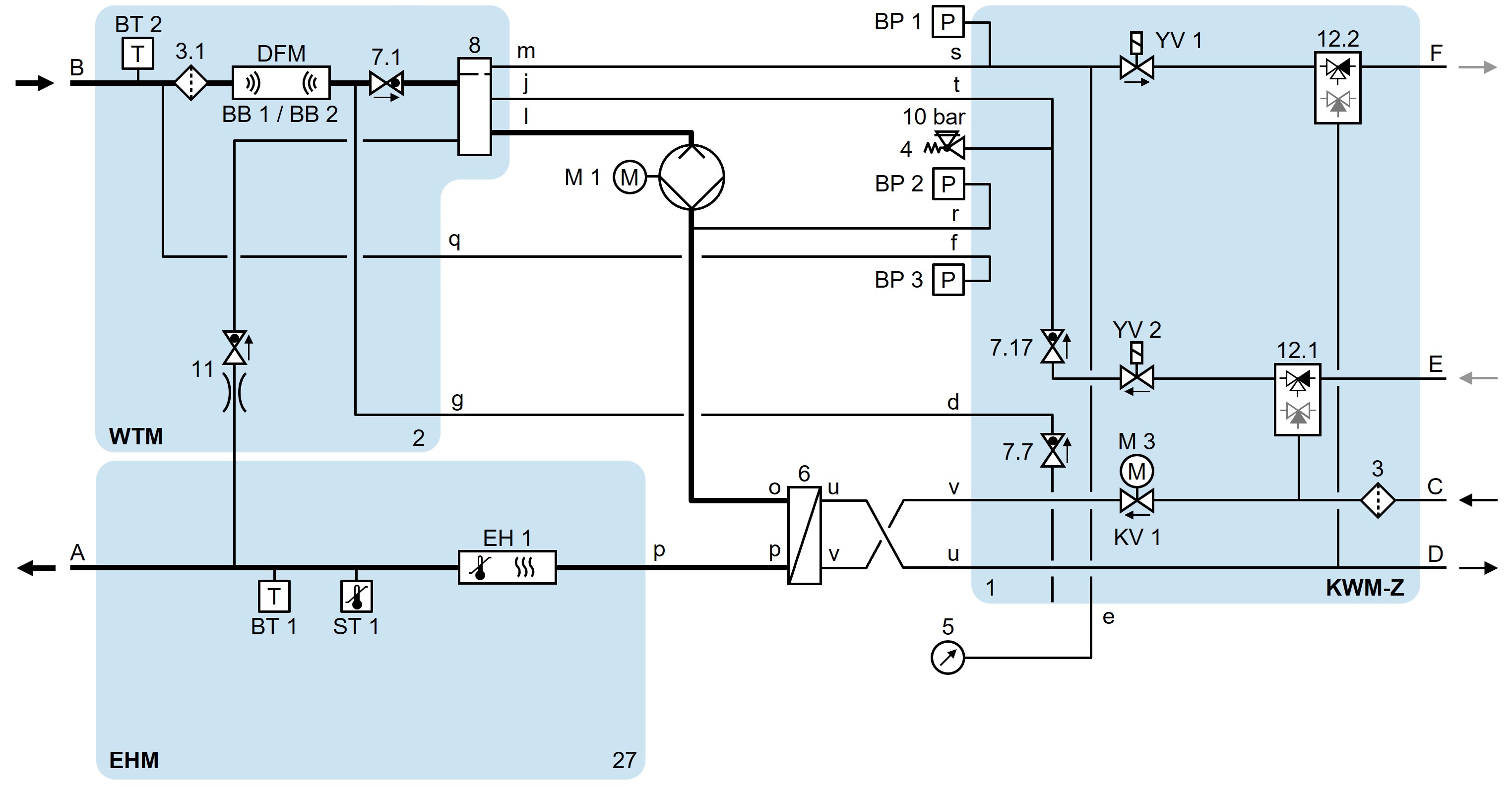
ХБ-100З62-16-4Т-Б2

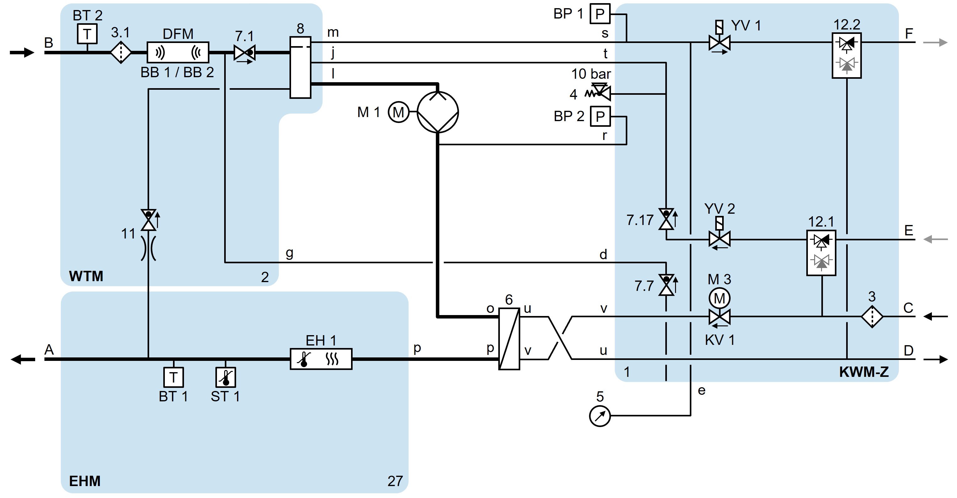
ХБ-100З62-16-4Т-Б2-ЗЛ

ХБ-100З62-16-4Т-Б2-ЗФ

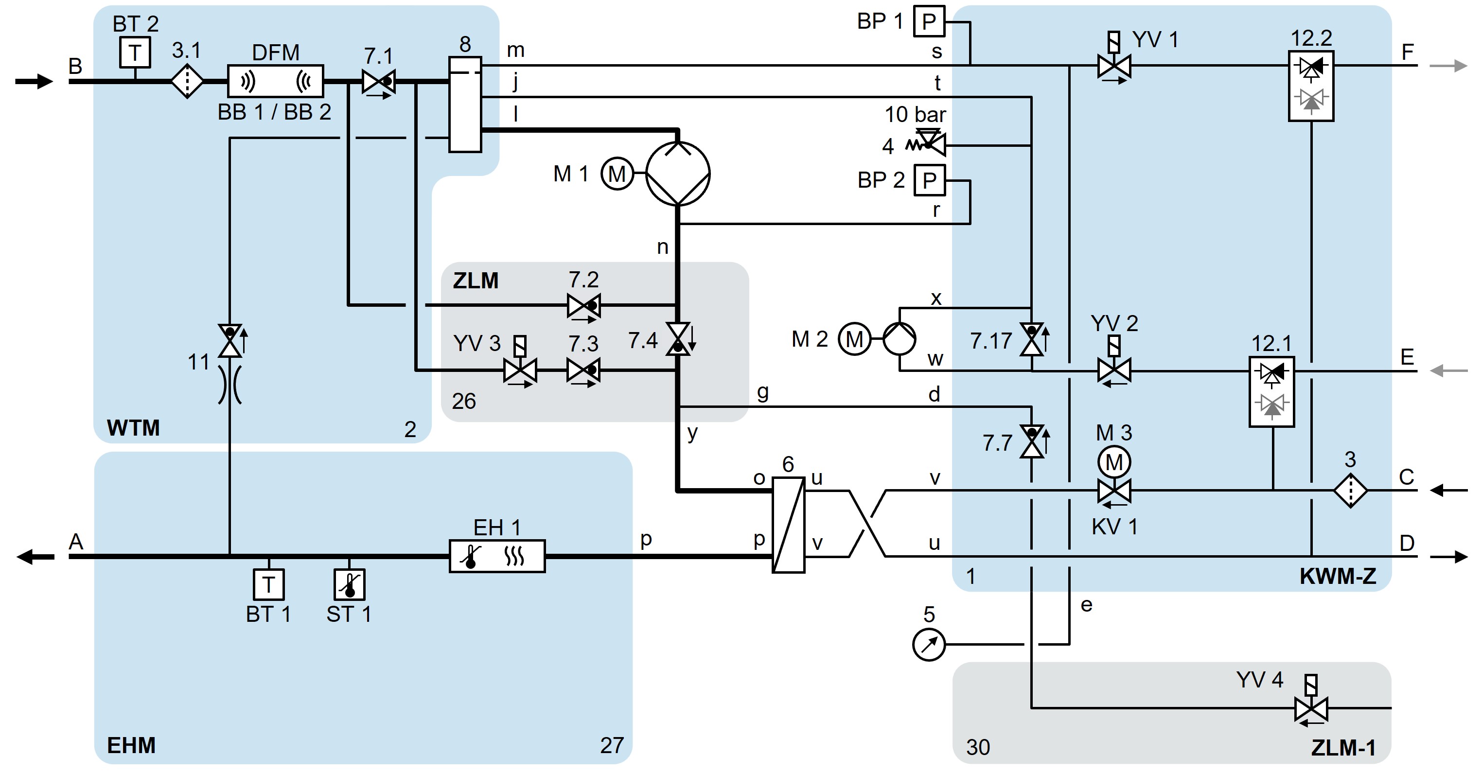
ХБ-100З62-16-4Т-Б2-ЗГ

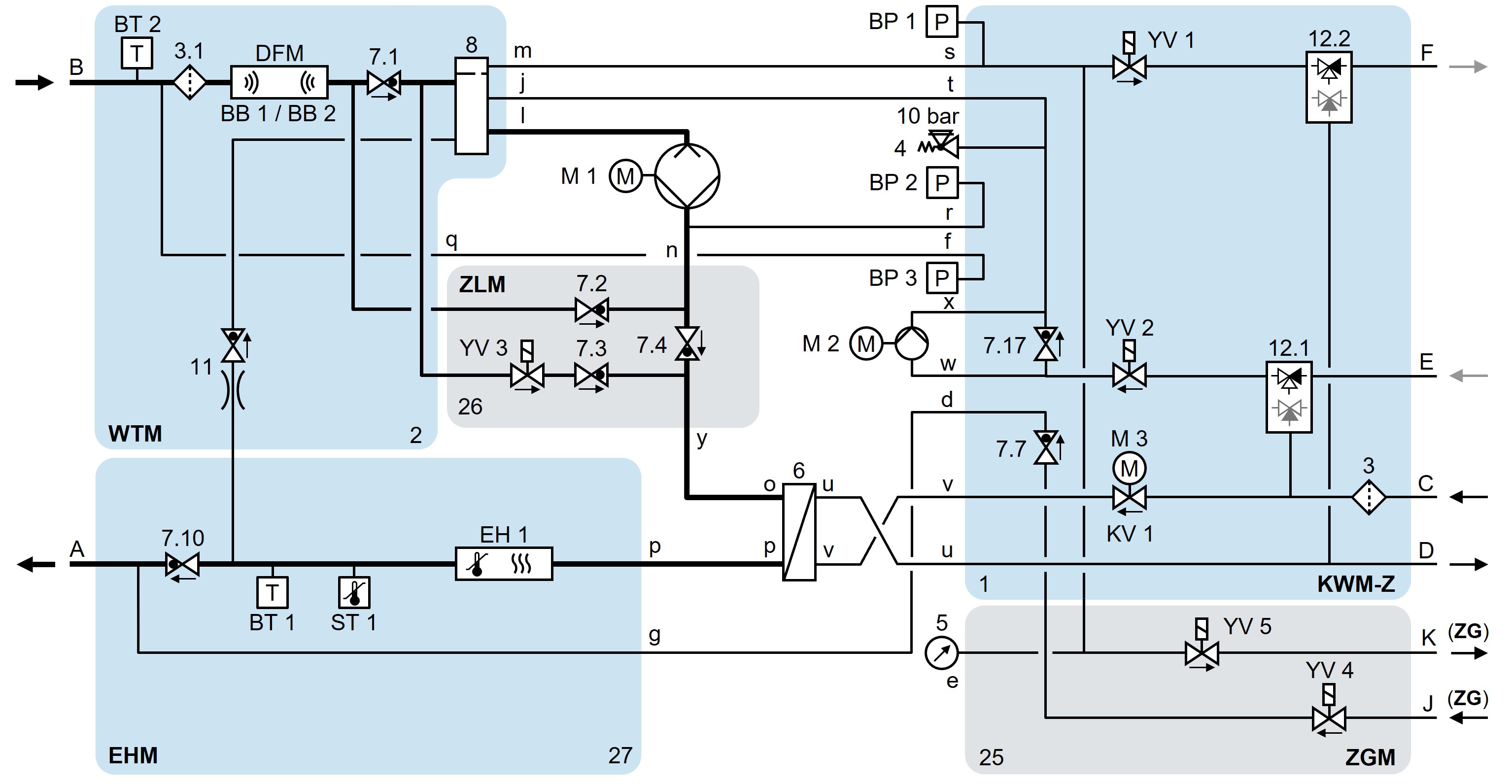
ХБ-100З62-16-4Т-Б2-ЗЛ-ЗФ-ЗГ