Legenda → kliknite sem...

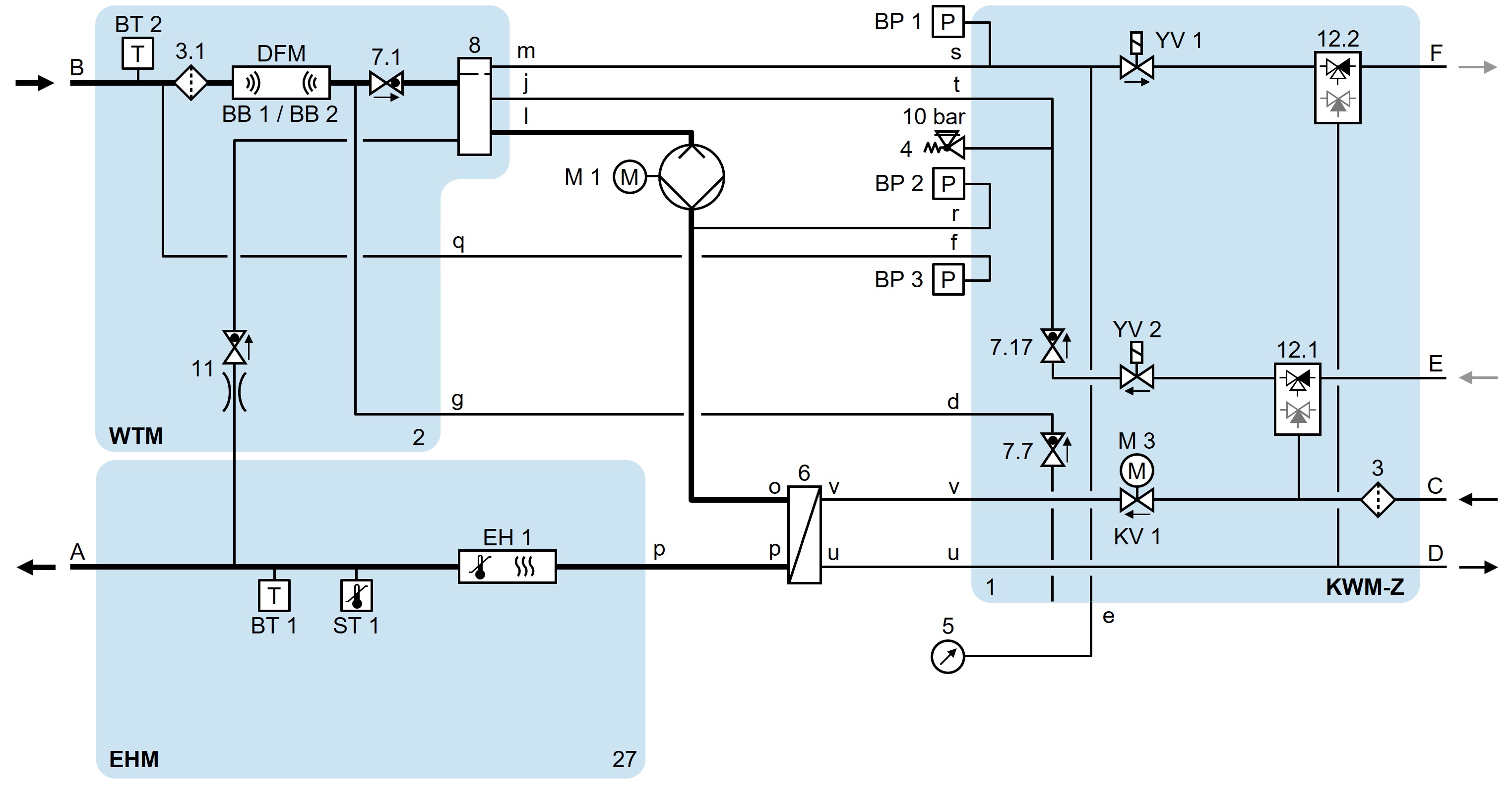
HB-100Z61/62-8/16-4T-A2

Animácia

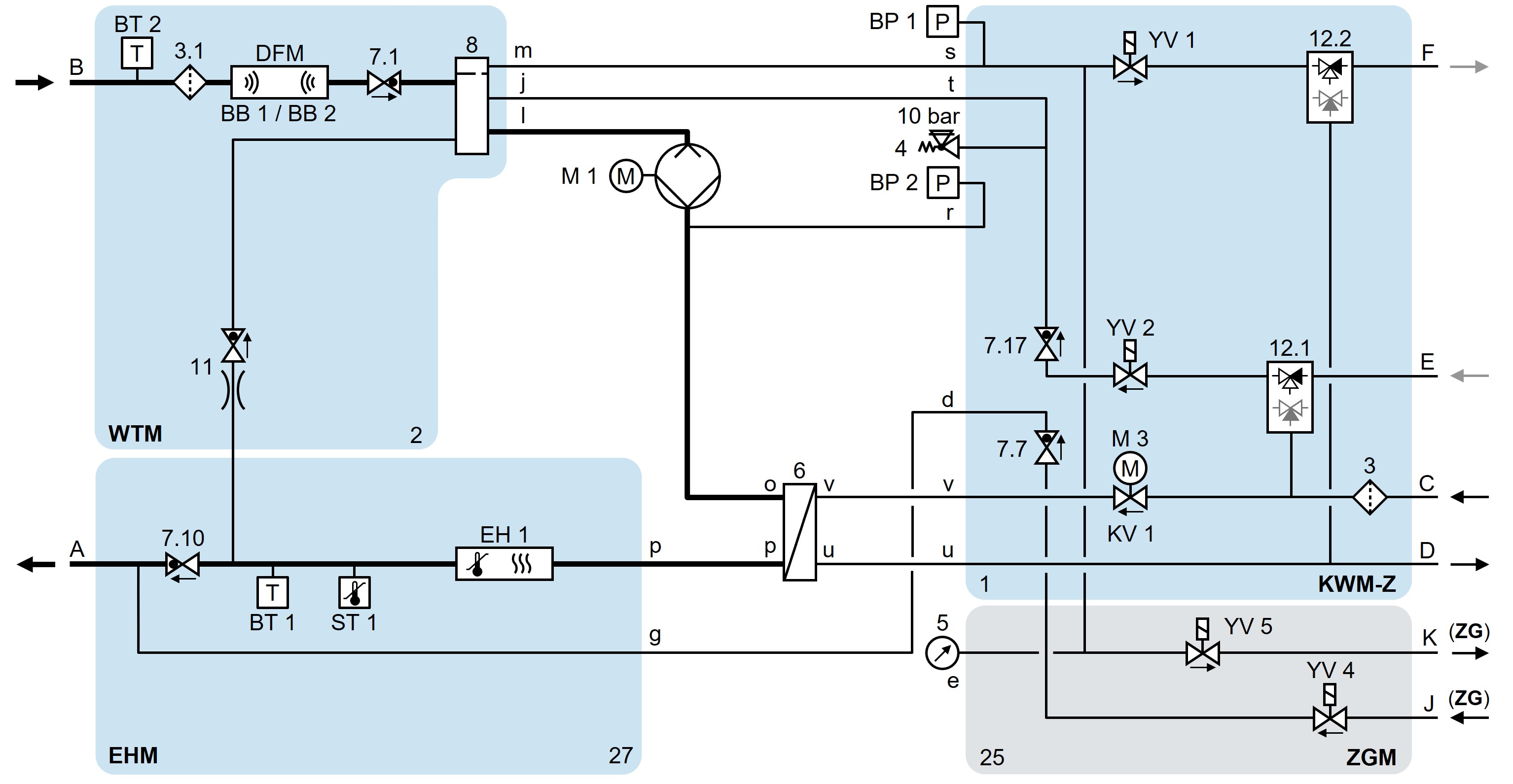
HB-100Z61/62-8/16-4T-A2-ZL

Animácia

HB-100Z61/62-8/16-4T-A2-ZF

HB-100Z61/62-8/16-4T-A2-ZG

Animácia

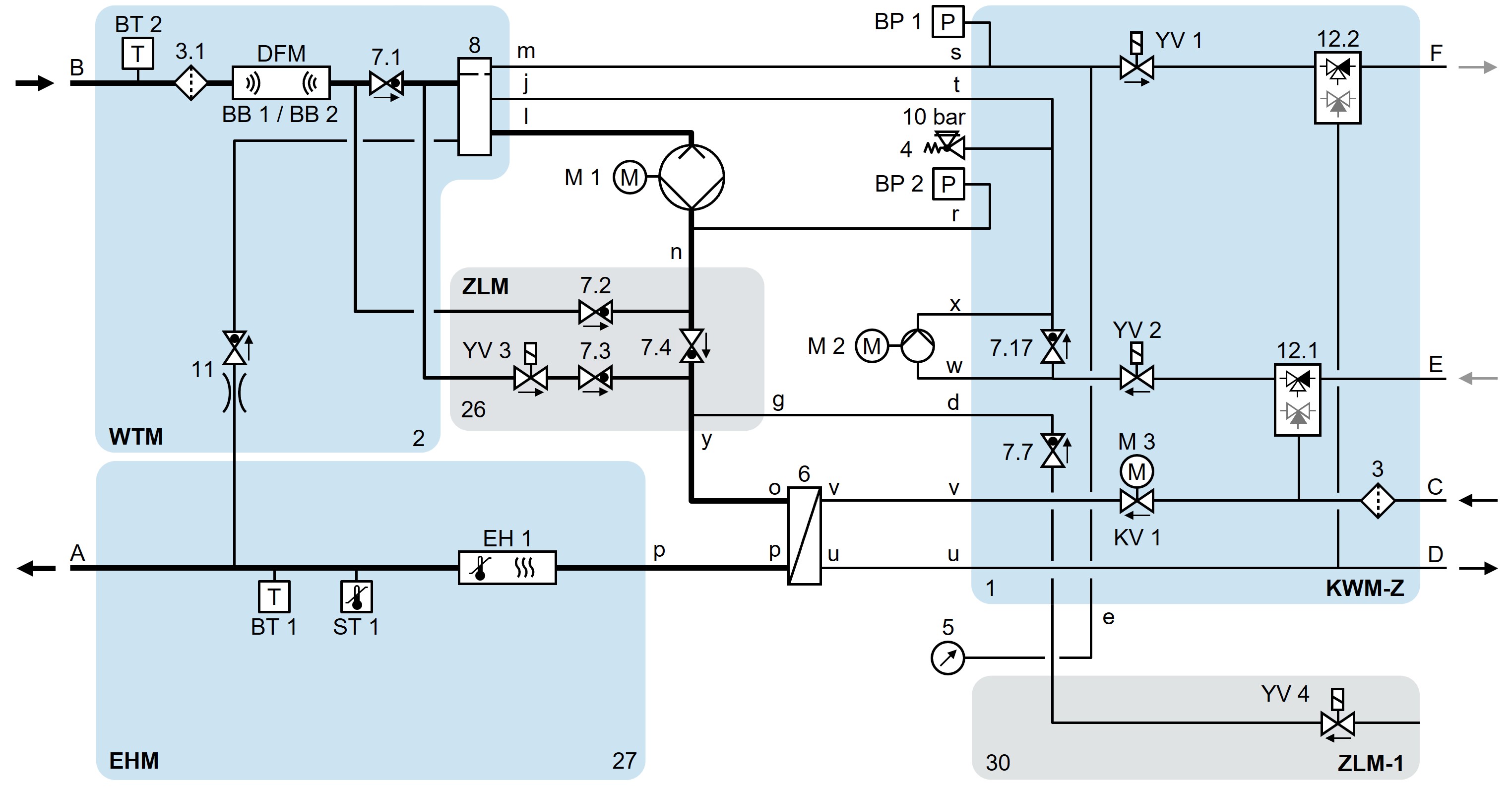
HB-100Z61/62-8/16-4T-A2-ZL-ZF

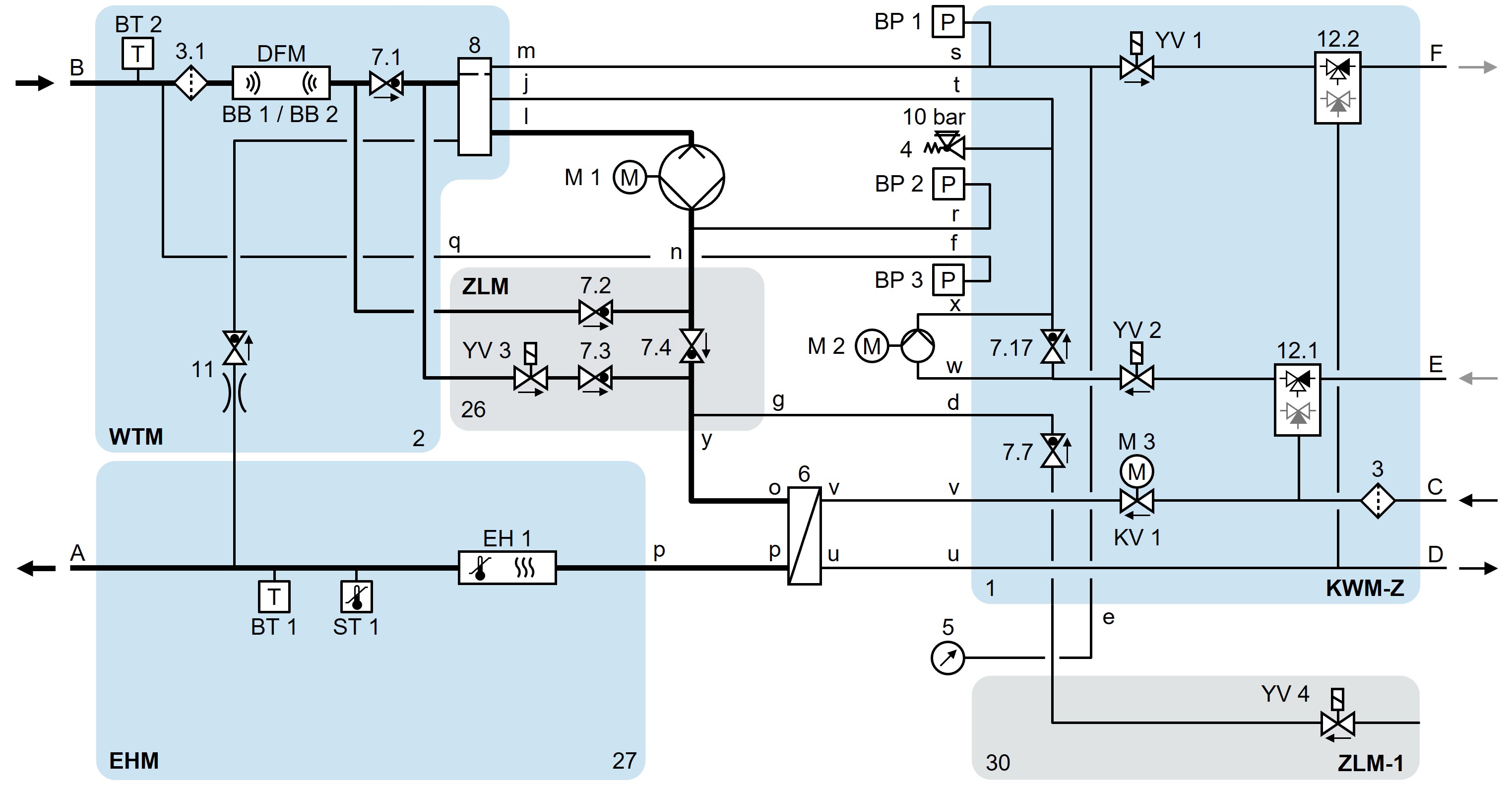
HB-100Z61/62-8/16-4T-A2-ZL-ZF-ZG