Legenda → kliknite sem...

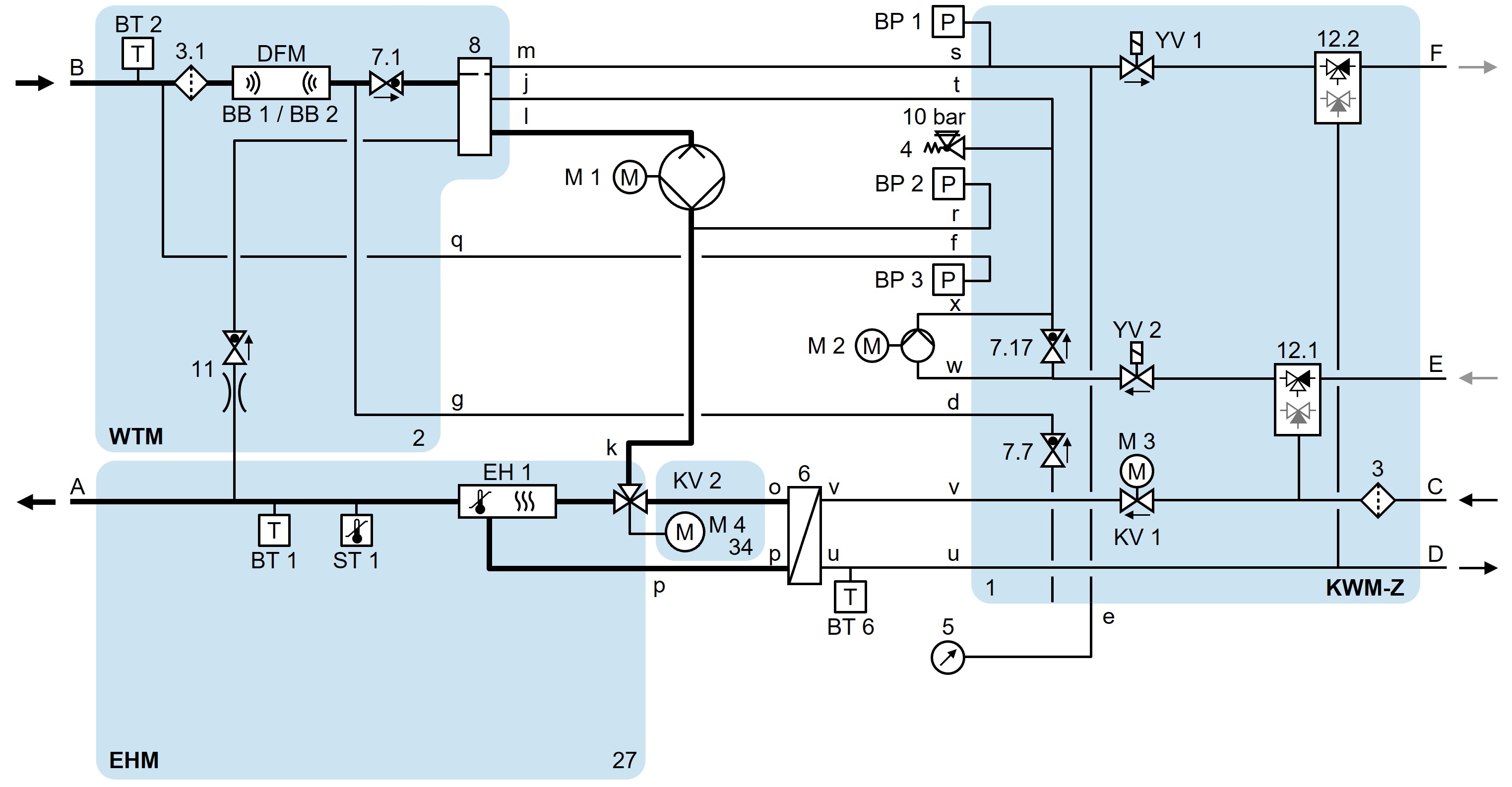
HB-140/160Z61/62-8/16-4S-A2

Animácia

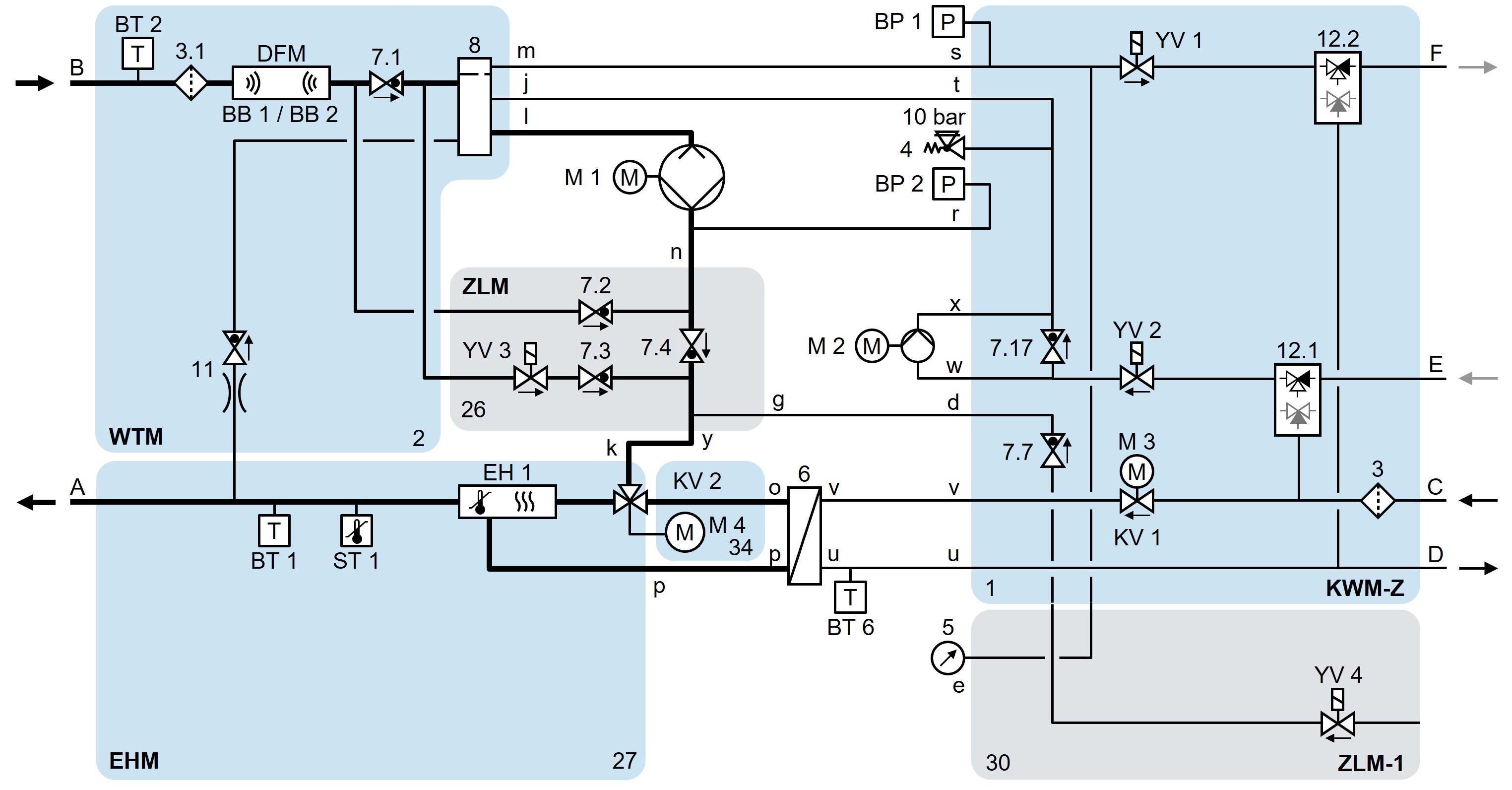
HB-140/160Z61/62-8/16-4S-A2-ZL

Animácia

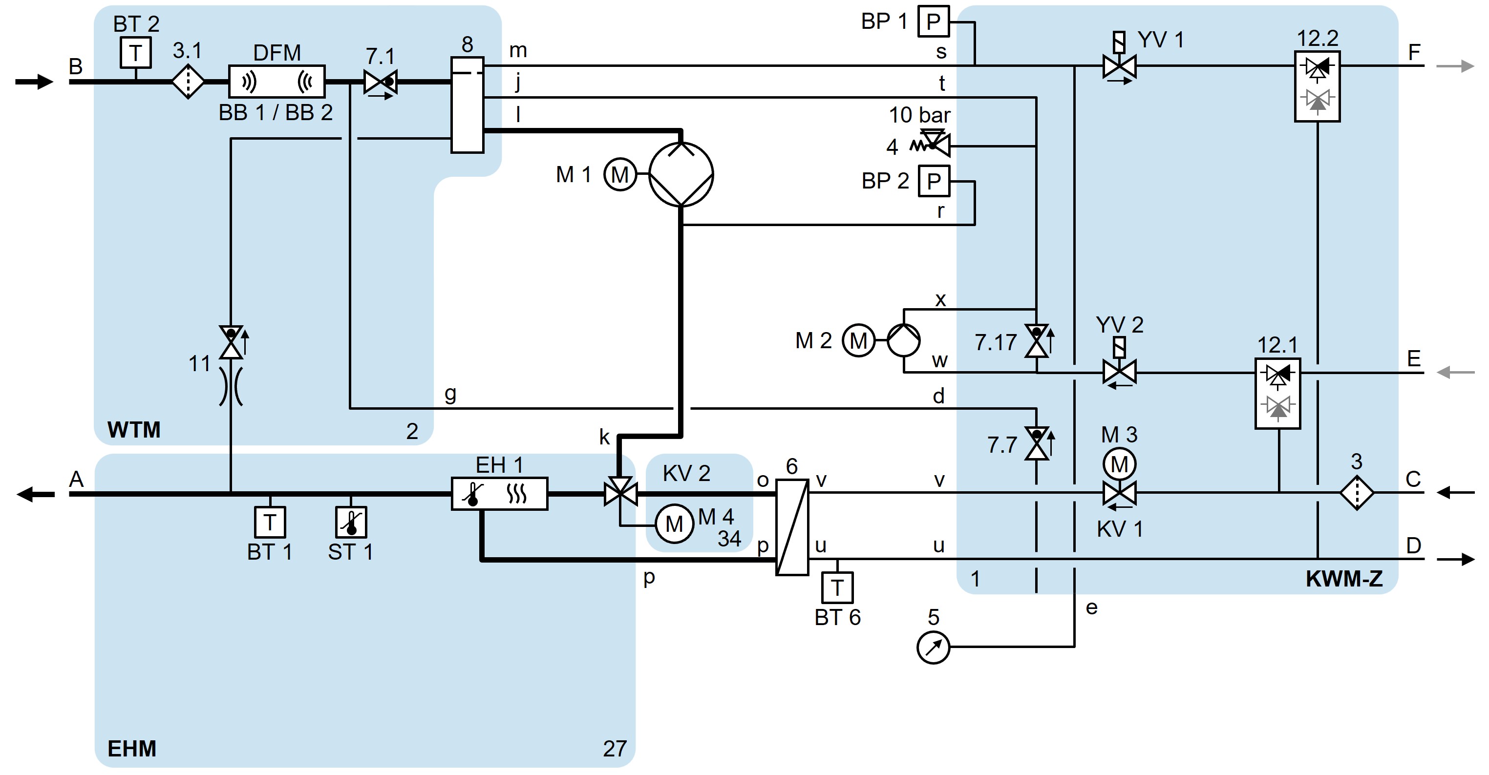
HB-140/160Z61/62-8/16-4S-A2-ZF

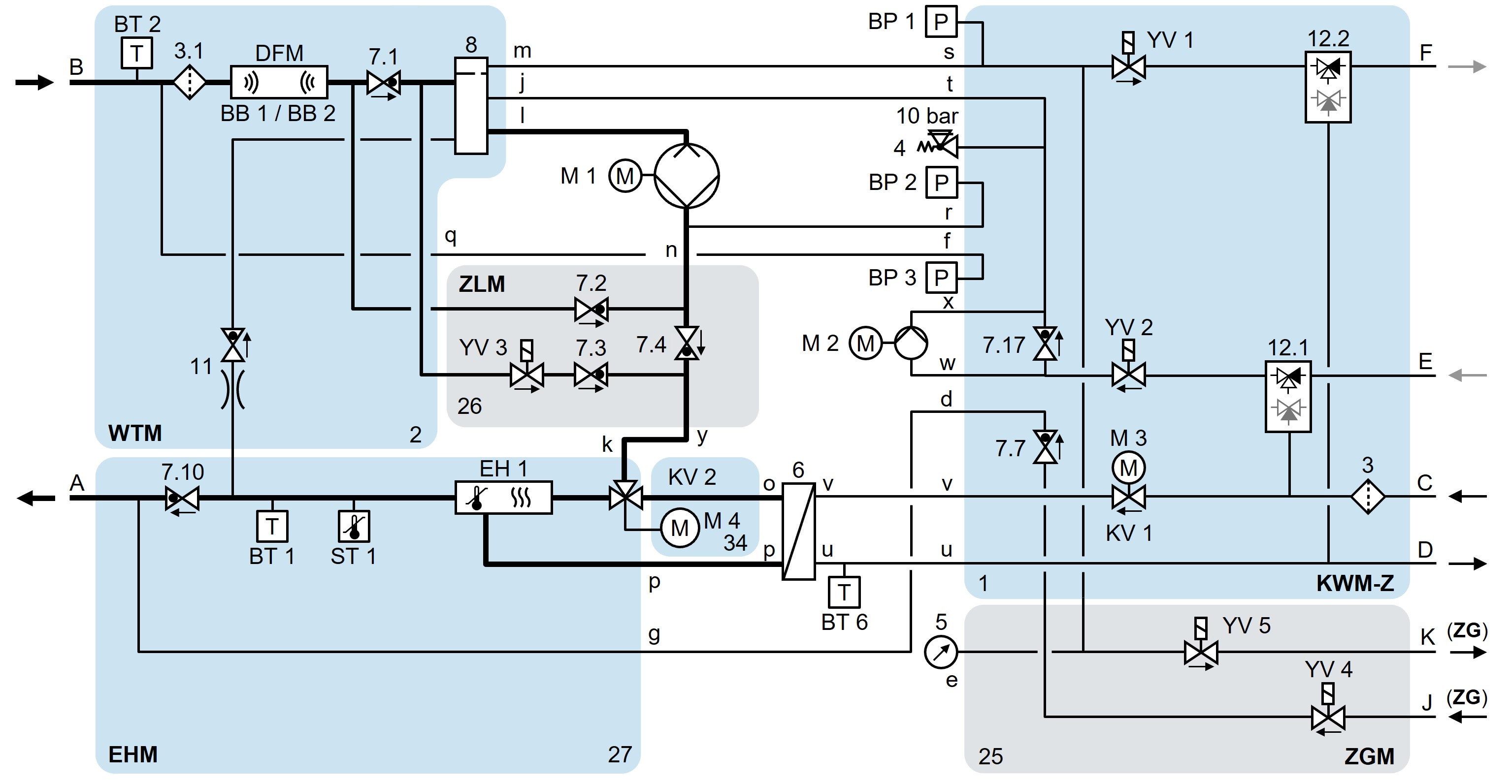
HB-140/160Z61/62-8/16-4S-A2-ZG

Animácia

HB-140/160Z61/62-8/16-4S-A2-ZL-ZF-ZG