Podatki se izmenjujejo med krmilnikom stroja in Enota za nadzor temperature Thermo-6 prek vmesniškega strežnika. Gate-6Za krmiljenje Enota za nadzor temperature prek zunanjega krmilnika kliknite tukaj...

Ethernet

  • Ethernet vmesnik OPC UA (EUROMAP 82.1 Release 1.01 / OPC 40082-1)za priključitev največ 16 enot za nadzor temperature Thermo-6 in za priključitev na napravo

  • Stikalo z 2 vtičnicama RJ-45

OPOMBA!

Za vse povezave Ethernet je treba uporabljati zaščitene kable kategorije 5 ali višje. Ti kabli so na voljo pri standardnih trgovcih.

DIGITAL (ZD)

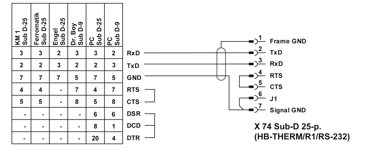
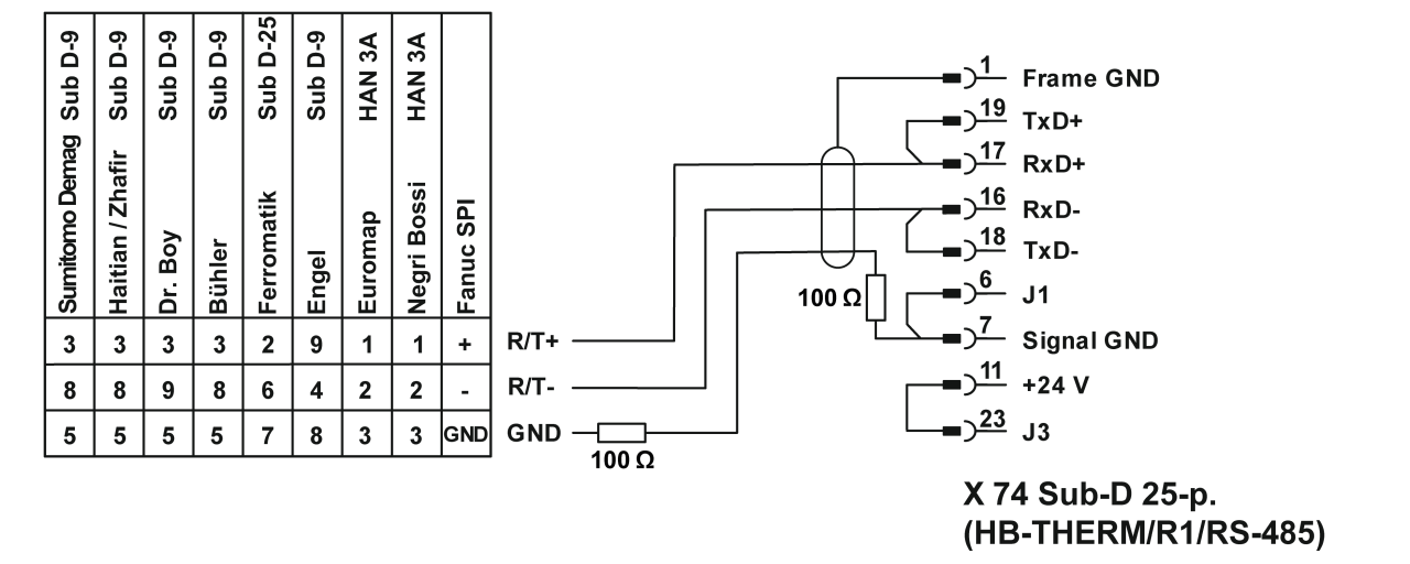
  • Serijski podatkovni vmesnik 20 mA, RS-232, RS-422/485 (Billion, Bühler, Dr. Boy, Engel, Ferromatik Milacron, Haitian, KraussMaffei, Negri Bossi, SPI (Fanuc, etc.), Stork, Sumitomo Demag, Wittmann Battenfeld, Zhafir)

  • 1 25-pin Sub-D vtičnica

  • Vmesniški kabli so na voljo v katalogu dodatkov

Dodelitev kabelskega zatiča

20 mA(current loop)

RS-232

RS-485

RS-422(priključni kabel)

CAN (ZC)

  • Serijski podatkovni vmesnik CAN-Bus (Sumitomo Demag), CANopen (EUROMAP 66; Netstal, etc.)
  • 1 Sub-D 9-pin vtičnica
  • Vmesniški kabli so na voljo v katalogu dodatkov

Dodelitev kabelskega zatiča

Adapter (samo za stroje Demag, O/ID T22590)

  • Demag: naprava 1 z naslov 13
  • Netstal: Naprava 1 z naslov 31