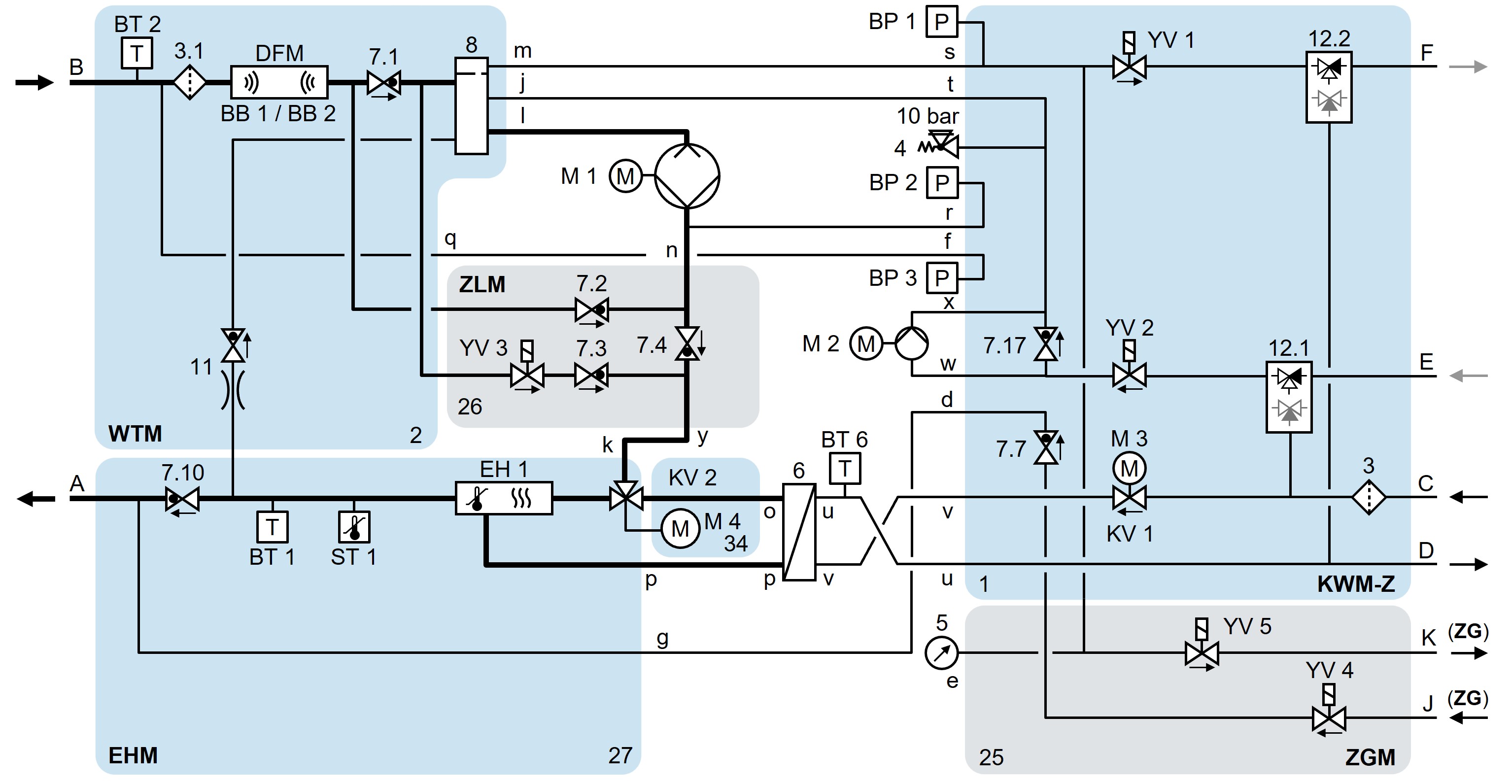
Legenda → kliknite ovde...

HB-140/160Z62-16-4S-B2

HB-140/160Z62-16-4S-B2-ZL

HB-140/160Z62-16-4S-B2-ZF

HB-140/160Z62-16-4S-B2-ZG

HB-140/160Z62-16-4S-B2-ZL-ZF-ZG