Download page C8842: Säkerhetsavstängning via larm och extern styrning.
C8842: Säkerhetsavstängning via larm och extern styrning
Specialversion (bilaga A): Säkerhetsavstängning via larm och extern styrning
Beskrivning
I denna version är aggregatet utrustat med ett extra relä (KA 19), som kan användas för att stänga av aggregatet på ett säkert sätt. För drift måste reläet (KA 19) förses med en extern 24 VDC spänning. Om den externa 24 VDC-spänningen avbryts stängs reläet (KA 19) av och stänger av aggregatet via en potentialfri kontakt.
inställning av ändringsparameter
För den här versionen krävs följande Inställning i huvudmenyn under [Inställningar] > [Övrigt]:
Parametrar [Säker -OFF Via Ext. Kontakt] → starta funktionen med skjutreglaget ().
Ställ in parametern [Formtömningstemperatur] på ”90° C.”
ANMÄRKNING!
Är parametrarna [Säker. -OFF Via Ext. Kontakt] är påslagen, de återstående Funktioner för extern styrning (omkopplingsmålvärde 1 eller 2) inaktiveras via den potentialfria kontakten.
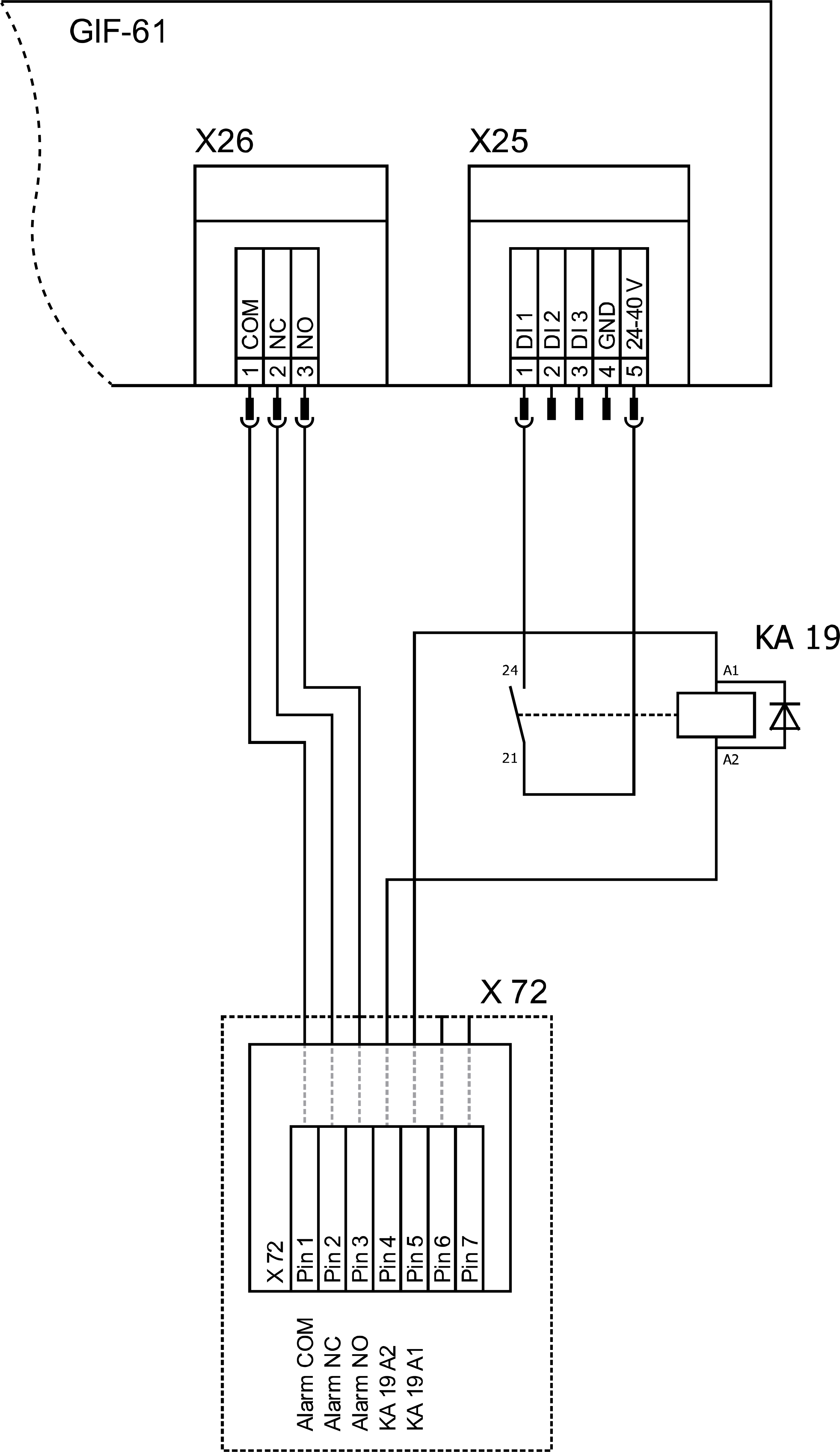
Elektriskt diagram Ändring (utdrag)
Arrangemang för ändring av beståndsdelar
Ändring av förklaringen
förkortning
Beteckning
avrättning
KA19
Relä för säkerhetsavstängning
Datenschutz - Data protection - Protection de données
Wir setzen Cookies ein, um Ihnen die Nutzung unserer Webseite zu erleichtern. Weitere Informationen zu Cookies finden Sie in unserer Datenschutzerklärung. We use cookies to help you use our website. More information about cookies can be found in our privacy policy. Notre site utilise des cookies afin de vous garantir un service optimal. En utilisant ce site web, vous acceptez les présentes conditions. Vous trouverez privacy policy de plus amples informations. Privacy Policy