Veri, makine kontrolörü ile Thermo-6 Sıcaklık kontrol ünitesi arasında arayüz sunucusu üzerinden değiş tokuş edilir. Gate-6Sıcaklık kontrol ünitesini harici bir kontrolör üzerinden kontrol etmek için buraya tıklayın...
Ethernet
Maksimum 16 Thermo-6 sıcaklık kontrol ünitesini bağlamak ve makineye bağlantı için Ethernet arayüzü OPC UA (EUROMAP 82.1 Release 1.01 / OPC 40082-1)
2 soketli anahtar RJ-45
NOT!
Tüm Ethernet bağlantıları için korumalı Kategori 5 veya daha yüksek kablolar kullanılmalıdır. Bu kablolar standart perakendecilerden temin edilebilir.
DIGITAL (ZD)
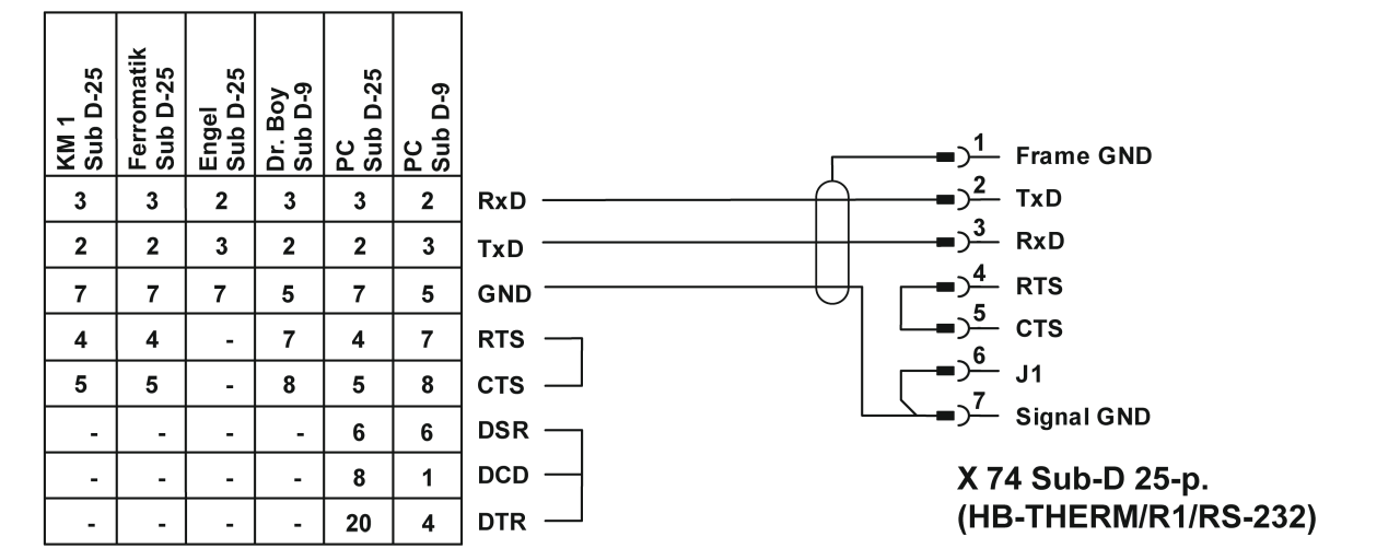
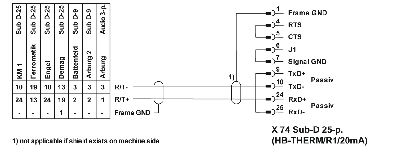
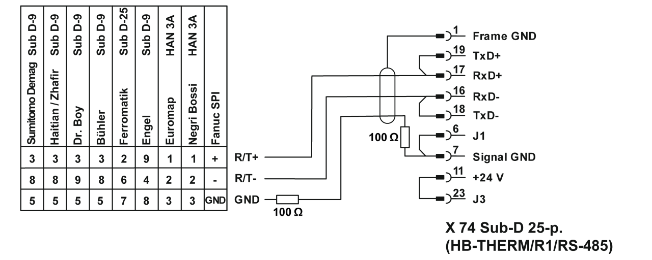
Seri veri arayüzü 20 mA, RS-232, RS-422/485 (Billion, Bühler, Dr. Boy, Engel, Ferromatik Milacron, Haitian, KraussMaffei, Negri Bossi, SPI (Fanuc, etc.), Stork, Sumitomo Demag, Wittmann Battenfeld, Zhafir)
Datenschutz - Data protection - Protection de données
Wir setzen Cookies ein, um Ihnen die Nutzung unserer Webseite zu erleichtern. Weitere Informationen zu Cookies finden Sie in unserer Datenschutzerklärung. We use cookies to help you use our website. More information about cookies can be found in our privacy policy. Notre site utilise des cookies afin de vous garantir un service optimal. En utilisant ce site web, vous acceptez les présentes conditions. Vous trouverez privacy policy de plus amples informations. Privacy Policy